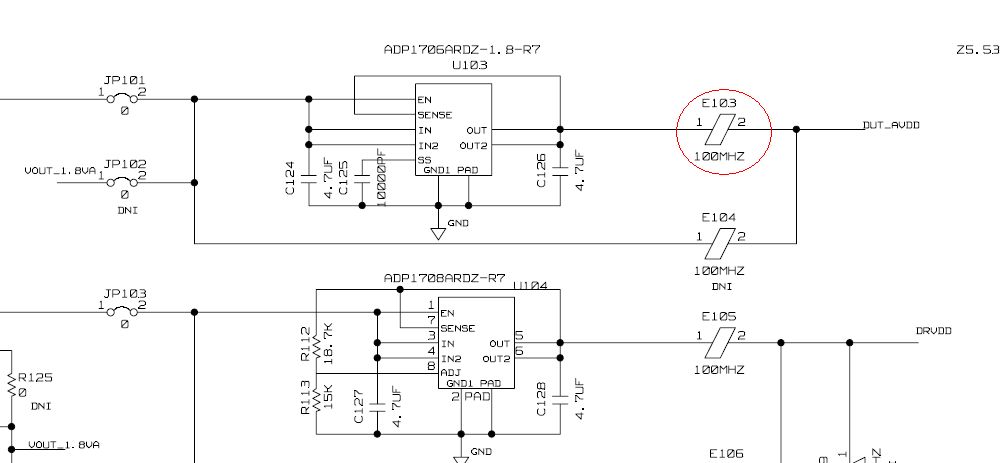
Hallo, kann mir jemand sagen, was das für ein Symbol ist (rot umkreist)? Danke!
Das Symbol soll eine Ferritperle darstellen. Wobei man diese übergeschobenen Ferrithülsen heute eher selten verwendet und stattdessen SMD-Ferrite nimmt. Peter
Da wird ja der Ausgang des Reglers über so ein Symbol auf den Eingang geführt. Wenn das Ferritperle ist, dann ist das ja praktisch ein Kurzschluß, oder?
Ist sicherlich frequenzabhängig. Sonst würd ja nicht 100MHz drunter stehn, oder?
Ja, für Gleichstrom ist das wie ein Kuzschluß. Und wenn Du genau hinsiehst, steht unter E104 ein "DNI" (Do Not ?Insert?), was wohl darauf hindeutet, dass dieses Bauteil nicht bestückt wird. Peter
1 | DNI Do Not Install (electronic circuit board parts bill of materials & schematics) |
http://acronyms.thefreedictionary.com/Do+Not+Install
@ Peter Bünger Hab ja auch vermutet, dass das ferrite beads sind, aber aus mehreren Quellen im Nezt habe ich das gleiche Symbol dafür gefunden: http://www.talkingelectronics.com/html/CctSymbolsE-Book-Web/cs_ferrite_bead.gif Woher kennst du dieses Symbol? Hast du das schon in Schaltplänen gesehen?
noips schrieb: > Hast du das schon in Schaltplänen gesehen? Ja. Beitrag "korrektes Schaltplansymbol für Ferritperle" Die Amis lieben solche anschaulichen Symbole: http://www.google.de/search?q=ferrite+bead+symbol&hl=de&hs=Eu7&prmd=ivns&tbm=isch&tbo=u&source=univ
Den Beitrag sollten sich mal alle die durchlesen, die hier sonst immer den Wert von Normen in Frage stellen.
Bitte melde dich an um einen Beitrag zu schreiben. Anmeldung ist kostenlos und dauert nur eine Minute.
Bestehender Account
Schon ein Account bei Google/GoogleMail? Keine Anmeldung erforderlich!
Mit Google-Account einloggen
Mit Google-Account einloggen
Noch kein Account? Hier anmelden.

