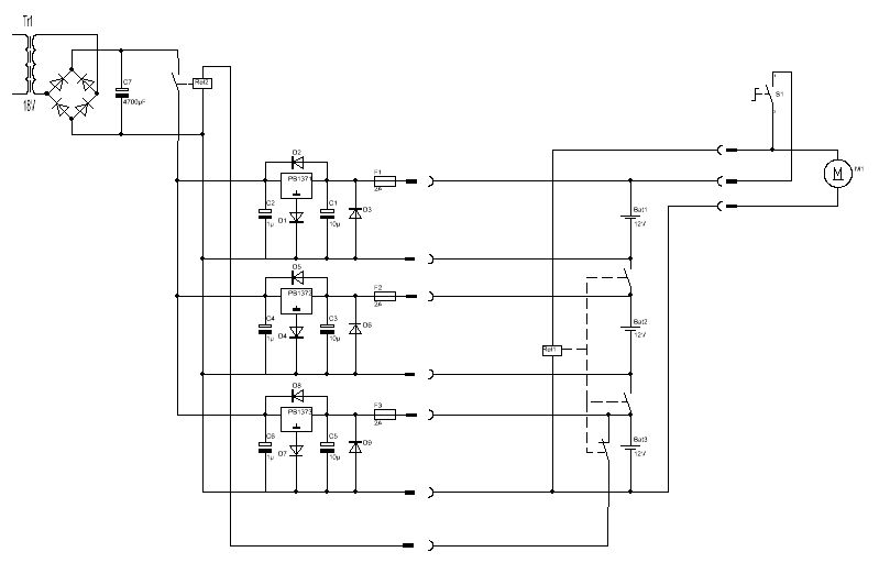
Moin Moin, Ich bin dabei ein Ladegerät mit 3 Ladereglern PB137 zu Planen das mir AGM Akkus mit einer Ladeschlussspannung von 14,4 V einzeln lädt, wobei die Akkus in einem "Pack" verbaut werden und in Reihe betrieben werden. Da sie in Reihe betrieben werden und in einem "Pack" verbaut werden habe ich hoffentlich erfolgreich eine Lösung gefunden trotz dem jeden Akku einzeln laden zu können. Dazu sei gesagt auch wenn hier Dargestellt als wären Akku und Fahrrad (Motor) gleichzeitig angeschlossen sein so wird dies durch behutsame Handhabung nie der fall sein, ausserdem habe ich genau für diesen Fall eine Verrieglung mit den Beiden Relais eingebaut. und genau das wollte ich einmal gerne im 4 Augen Prinzip durchsprechen, evtl. habe ich doch etwas übersehen wo es zu einem Problem kommen könnte. würde mich freuen wenn sich jemand das mal anschaut, vielleicht kann es ja auch mal jemand anderes gebrauchen.
Hab doch glatt noch nen fehler gefunden, das Relais bei den Akkus war Falsch
> würde mich freuen wenn sich jemand das mal anschaut Völlig unpraktikabel. Wenn S1 nicht ausgeschaltet ist, gibt es beim Reinstecken des Steckers eine MASSIVEN Kurzschluss über unabgesicherte Masseleitungen so daß alle 2 Sicherungen nichts nützen (die sowieso nichts nützen da die Regler auf 1.5A strombegrenzt sind). Ausserdem viel Aufwand für einen Akku, der gemeinsam entladen wird. Wenn man schon 3 PB137 verbaut, dann auch 3 Wicklungen am Trafo, 3 Brückengleichrichter, und man kann alle 3 Akkus ohne sie trennen zu müssen laden. Sonst täte es 1 Wicklung mit 36V und ein auf 1.5A strombegrenzter 43.2V Regler (LM317HV) mit Rückstromdiode. Man hat ja schliesslich auch vor dem PB137 Bleiakkus laden können, und dann verwendest du den PB137 noch obwohl du ihn für unpassend hältst und vergewaltigst ihn mit der extra Diode zu einem Laderegler der die Akkus überlädt.
ok den Kurzschluss über die Masseleitungen habe ich nicht gesehen, Viel aufwand, 2 Relais .... 3 Wicklungen/Trafos mit 3 Brückengleichrichtern etc, kann man dann aufgrund der Galvanischen trennung die Akkus ohne sie aus der Reienschaltung zu trennen einzeln laden ???? wenn ja super Tipp LM317 auf Festspannung ... Ok, Aber dardurch erhöt sich die Ladezeit um fast das 3 fache, Immerhin hab ich nun 3*1,5A Ladestrom, dann nur einmal zudem der PB137 als Laderegler ausgelegt ist und den Strom bei erreichen der Ladeschlusspannung absenkt, was der LM317 nicht tun würde.... oder ? Die Ladespannung wird unter diesem Link nebenher diskutiert, da ich mir denken konnte das es hier zu den Unterschiedlichsten Meinungen kommt habe ich das Thema dem eigtl. Projekt vorgegriffen Beitrag "Laderegler PM137 von 13,8 auf 14,4 Ladeschlusspannung erhöhen" Greetz
Fr3gg3L schrieb: > den Strom bei erreichen der > Ladeschlusspannung absenkt, was der LM317 nicht tun würde.... oder ? Wie tut er das? Wenn die Spannung vom Lader (egal welcher) gleich der Spannung vom Akku ist, fließt kein Strom. Das könnte man dann "absenken" nennen. Hier kann man etwas dazu lesen: Adjustable 3-Terminal Regulator for Low-Cost Battery Charging Systems Gibts bei National Semi als Linear Brief 35 MfG Klaus
> Aber dardurch erhöt sich die Ladezeit um fast das 3 fache, Wie kommst du auf das dünne Brett ? > Immerhin hab ich nun 3*1,5A Ladestrom, Und der LM317 3 mal mehr Spannung. > dann nur einmal zudem der PB137 als Laderegler ausgelegt ist > und den Strom bei erreichen der Ladeschlusspannung absenkt, > was der LM317 nicht tun würde.... oder ? Wie kommst du auf dieses NOCH dünnere Brett ? Was sollte der auf 43.2V eingetsellte Spannungsregler deiner Meinung nach sonst tun, wenn die Akkus 43.2V erreicht haben ?
Oka zum Thema Strombegrenzung bin ich mir atm nicht sicher, was die Ladezeit angeht bin ich tatsächlich auf dem Holzweg gewesen, entschuldigt bitte die scheinbar doch recht undurchdachte Planung, habe vor 8 Jahren ausgelernt und seit dem den Elektronikteil nie wieder angewendet bin etwas aus dem Thema raus ..... aber das auch der grund warum ich nicht einfach losgelegt habe sondern mein vorhaben hier zur diskusion gestellt habe. Der anfängliche Grund die Akku´s alle einzeln zu Laden ist weil ich des öffteren gelesen habe das man die Akku´s nicht in Reihe laden soll da die Ladeschlussspannung so nicht wirklich eingehalten wird, da es immer möglich ist das ein Akku weniger Ladeschlussspannung hat als ein anderer und somit einer ggf überladen werden würde..... denke ich werde es nochmal komplett neu angehen, 2 Dinge würde ich dafür gerne wissen, -Ist es sinnvoller aufgrund gerade genannter Problematik die Akkus seperat zu laden und nicht in Reihe? -Ist der Vorschlag von MaWin tatsächlich unproblematisch die In Reihe geschalteten Akku´s einzeln mit seperaten Ladegeräten zu laden ohne die Reihenschaltung zu unterbrechen ? danke für eure mithilfe
> weil ich des öffteren gelesen habe das man die Akku´s nicht in > Reihe laden soll da die Ladeschlussspannung so nicht wirklich > eingehalten wird, da es immer möglich ist das ein Akku weniger > Ladeschlussspannung Das ist im Prinzip richtig, aber du hast schon 12V Akkus mit 6 Zellen in Reihe, also gegen diesen Vorschlag hast du schon verstossen. Bei LiIon muß man die Anforderung knallhart einhalten und die Spannung jeder Zelle auf 0.5% überwachen. Bei Blei werden die Zellen, die zuerst voll sind, überladen, wodurch sich Wasser in Wasserstoff und Sauerstoff spaltet. Ein wenig Wasser darf sich aber spalten, denn so lange der Druck in der VRLA-Zelle nicht so weit ansteigt daß das Ventil öffnet, ist das Gas nicht verloren. Ws wird dann in den nächsten Tagen wieder zu Wasser rekombiniert. Daher funktioniert das Laden von Zellen in Reihe bei Bleiakkus z.B. im Auto, und auch bei dir, so lange die Zellen gleichmässig, also ebenfalls in Reihe, entladen werden. Deine Relais wären schon einen so ungleichmässige Entladung, daß mit diesen Relais ein Laden von 36V in Reihe schädlich wäre. Damit du nicht zu sehr überlädst, sind 13.8V auf jeden Fall klüger als 14.4V, noch ein Grund diese Dauerladespannung einzuhalten. Wenn eine Zelle kaputt geht, dann allerdings bekommt das Laden in Reihe ein Problem, weil die anderen Zellen immer überladen werden, und entsprechend schnell geht nach der ersten kaputten Zelle auch der ganze Akku kaputt. Das übliche Problem in Autos. Da du aber 12V Akkus drin hast, hast du das Problem genau so, auch mit 3 PB137. Du müsstets schon Einzelzellen überwachen, um besser sein zu können.
so hab wieder mal Nachtschicht und zeit mich meinem Projekt weiter zu widmen :) Mittlerweile wurden die Akkus nen paar mal genutzt und ich habe sie bisher mit einem Netzteil aus meiner Berufsschulzeit geladen, verbaut ist ein LM317 wie solls auch anders :) Habe 14,4 V eingestellt und musste leider feststellen das nach ca. 13 Std. Ladezeit (Alle 3 Akku´s parallel) die Akkus immer noch nicht voll sind, was bei 1,5 A Ladestrom max auch kein wunder ist .... 1,5A*13h=19,5Ah und hab 3*9Ah=27Ah, da aber während der 13 Std. auch nicht dauerhaft 1,5Ah Ladestrom zu messen waren denke ich wird es auf die art über 24 std. dauern bis die Dinger voll sind was für mich absolut unakzeptabel wäre .... bitte korrigiert mich wenn ich hier schon wieder falsch liege ... (dann fange ich allerdings an mich zu schämen ....) deshalb fällt eine wie bisher angesprochene Ladung mit nem LM317 auf 41,4/43,2 raus. nun hab ich mir mal die UI Ladekurve angesehen und kam auf folgende Idee ... da die Akku´s mit 2,4A Ladestrom angegeben sind dachte ich mir ich könnte nen LM350 als Konstantstromquelle aufbauen und damit bis zum erreichen von 41,4 V mit 2,4A geladen wird und ab erreichen der 41,4V mit einem zusätzlich verbautem LM317 mit einer konstanten Spannung von 43,2 V bis zum absinken des Stroms auf einen geringen wert (ermitteln über die zeit was hier sinnvoll ist) laden. Danach abschalten und gut, erhaltungsladung ist nicht notwendig da die Akku´s stetig genutzt werden und nicht Lange ungenutzt gelagert werden. 2 Fragen werfen sich mir hierbei auf .... 1. wie hoch muss die Spannung sein um nen konstanten Strom von 2,4 A überhaupt erreichen zu können? 2. kann man die kann man die Akkuspannung während des Ladens messen oder müsste man hierfür die ladung in bestimmten abständen immer wieder unterbrechen um die Akkuspannung messen zu können? Ich meine in meine ausbildung mal davon gehört zu haben das man mit mikrocontroller die Ausgangsspannung in abhängigkeit der zuvor gemessenen Akkuspannung von zeit zu zeit wegschaltet um die Akkuspannung zu messen ... sprich akkuspannung zb. 12,4V 1 std. laden dann messen.. Akkuspannung 13,7V 10 min laden dann messen ... Akkuspannung 13,8V dann umschalten ... würde das in zusammenhang mit der zuvorgenannten idee funktionieren ? ich hoffe ich stelle mich nicht zu blöd an ist echt schon lange her das ich mich mit elektronik befasst habe aber ich möchte mit diesem Projekt wieder einsteigen und mich erneut einarbeiten, auch von der nutzung eines mikrocontroller schreck ich nicht zurück wenn dieses sinnvoll wäre, hab damit schon gearbeitet und ärgere mich sehr drüber diese kenntnisse über die jahre "verloren" zu haben Greetz Fr3gg3L
Also der Unterschied zwisch2n 1.5A und 2.4A haut einen nicht vom Hocker, statt 24 Stunden also 12 Stunden. Du siehst nicht nach jemandem aus, der darauf warten kann. Auch ein LM317 liefert über 1.5A, wenn die gleichgerichtete und gesiebte Trafospannung ausreichend belastbar ist und nicht zu viel über der Akku spannung liegt, schau einfach mal ins Datenblatt, current limit, T,S,K Package Devices, deutlich über 2.5A bei 5 bis 12V mehr als der Akku hat. Da 3 Bleiakkus in Reihe 33V bis 43.2V haben, sollte die Spannung vor dem Spannungsregler 48V betragen. Eine extra Strombegrenzung braucht es dabei nicht, die liefert der LM317. Allerdings sollten die 48V halbwegs stabil sein, eine Schwankung um -10%/+10% wie es bei unseren 230V~ der Fall sind, ist da eher blöd. Wen du also eine Spannungsquelle hast, die 48V mit 2.5A liefert, tut es ein LM317 direkt am Ausgang, mit R1 und R2 eingestellt auf 43.2V. Man braucht nicht mal einen LM317HV (obwohl das nichts schadet weil er auch einen versehentlichen Kurzschluss überlebt). Hast du keine stabilisierte Spannungsquelle mit 48V, kann es Sinn machen, mit einem Trafonetzteil 57V(nominal) zu erzeugen und mit einem LM350 diese auf 48V zu begrenzen. Dann bist du endlich glücklich, weil 2 Regler hintereinander geschaltet worden sind, owbwohl das technisch nicht so gut ist.
MaWin danke für deine Geduld mit mir und deinen Antworten :) muss allerdings nochmals nachfragen ... ich wollte keine extra Strombegrenzung bauen sondern eine Konstantstromquelle, die mir die Ladespannung so hoch jagt das der Akku mit 2,4 A Ladestrom geladen wird bis er bei der LS angekommen ist, ich denke die Spannung wird da im bereich von 46-48V liegen um den Strom von 2,4 A aufrecht zu halten, das der LM317 und auch LM350 eine Strombegrenzung drinne haben die den Akku auf keinen Fall mit einem Strom grösser X laden ist mir bekannt ...
Will will wollte, die Strombegrenzung ist doch kein Selbstzweck, sondern sie soll nur eines erreichen: Daß Akku und Ladestromquelle nicht kaputt gehen. Dazu muß der Strom nicht so konstant sein wie bei einem Laser, sondern darf nur bestimmte grosszügige Grenzwerte nicht überschreiten. Die Strombegrenzung eines LM317 (oder L200) tut es also. Was beim Bleiakku aber wichtig ist, ist die Spannungsbegrenzung, daher baut man alle Bleiakkulader als exakte Spannungsquelle mit entspannter Strombegrenzung. Dein Ansatz, zu Laden und zu Messen, zu Laden und zu Messen, ist nicht sinnvoll. Erstens ist es natürlich mehr Aufwand, zum anderen ist bei abgeschaltetem Ladestrom gar nicht die Spannung zu messen der der Akku ausgesetzt ist. Die Spannung darf nicht auf 48V steigen.
Hallo MaWin MaWin schrieb: > die Strombegrenzung ist doch kein Selbstzweck, > sondern sie soll nur eines erreichen: > Daß Akku und Ladestromquelle nicht kaputt gehen. > > Dazu muß der Strom nicht so konstant sein wie > bei einem Laser, sondern darf nur bestimmte > grosszügige Grenzwerte nicht überschreiten. Ack² MaWin schrieb: > Die Strombegrenzung eines LM317 (oder L200) tut es also. Jetzt verkaufst du schon den LM317 als Akkulader ;-) Ich schließe jetzt mal anders als sonst nothingforungood Klaus
okay, also hab mir wie gesagt Ladekenlinien angeschaut, im netz findet man überall diese Ladekennlinie ( Bild UI.jpg), wie will man die hinbekommen wenn man nicht den Ladesrtom anfangs kontrolliert sondern nur die Spannung begrenzt ? Immerhin ändert sich der Innenwiederstand der Akku´s je nach Ladezustand, würde ich also anfangs nicht die Spannung variieren würde ich doch nie einen annähernd konstanten strom hinbekommen oder ? ich möchte ja gar nicht die herkömliche methode Laderegler auf Ladeschlusspannung begrenzen und gut in frage stellen, sondern eine andere methode "finden" mit der sich die dinger schneller laden lassen. meine idee zur umsetzung ist halt abhängig von der Akkuspannung die zwischenzeitlichhalt gemessen werden muss entweder mit konstantem strom oder konstanter Spannung zu laden um die ladezeit zu verkürzen. habs mal versucht zu skizzieren bild lr.gif
> wie will man die hinbekommen > wenn man nicht den Ladesrtom anfangs kontrolliert Man MUSS das nicht hinbekommen, es ist eine idealisierte Kennlinie. Es ist vollkommen egal, wie viel Strom in der CC Phase fliesst, Hauptsache er fliesst in den Akku hinein damit er geladen wird und Hauptsache es ist nciht zu viel. Viele Ladegeräte laden mit 100Hz gepulstem Strom und das klappt wunderbar. > würde ich also anfangs nicht die Spannung variieren würde > ich doch nie einen annähernd konstanten strom hinbekommen oder ? Nicht du variierst die Spannung, sondern der Akku variiert die Spannung an seinen Klemmen als Folge des Aufladens. Eine Stromquelle folgt dann von selbst automatisch mit der Spannung ("Komplianz"), ebenso ein in Strombegrenzung befindlicher Spannungsregler. Kein Gerät lädt so wie lr.gif, zumal dort die Maximalspannung ja überschritten wird. > sondern eine andere methode Du darfst beruhigt davon aus gehen, daß in den letzten hundrt Jahren seit dem es Bleiakkus gibt schon viel schlauere leute viel mehr nachgedacht und probiert haben, und daraus ist eben gerade die Methode geworden, die z.B. ein PB137 durchzieht. Erkennbar schneller geladen wird nur mit deutlich mehr Strom, und wenn deine Akkus nur 2.4A aushalten, geht schon ein LM317 typischerweise an die Grenze wenn er vernünftig (nicht überhitzend) eingebaut wurde.
Bitte melde dich an um einen Beitrag zu schreiben. Anmeldung ist kostenlos und dauert nur eine Minute.
Bestehender Account
Schon ein Account bei Google/GoogleMail? Keine Anmeldung erforderlich!
Mit Google-Account einloggen
Mit Google-Account einloggen
Noch kein Account? Hier anmelden.



