Mir ist ein Fehler unterlaufen. In den externen Antenneneingang [1, Seite 13] habe ich einen Klinkenstecker [2] mit 7,7 Volt gesteckt. Seitdem gibt das Radio nur noch ein pochendes Geräusch von sich. Was kann ich alles kaputt gemacht haben? Wie gehe ich bei der Fehlersuche vor? Brauche ich bestimmte Meßgeräte? [1] http://www.mikrocontroller.net/attachment/132412/sony_icf-sw7600.pdf [2] Verstärker einer Degen 31MS Loopantenne verdreht. Die 7,7 Volt, die zur Loop gehen sollen in das Radio gesteckt, den Verstärkerausgang fürs Radio mit der Loop verbunden.
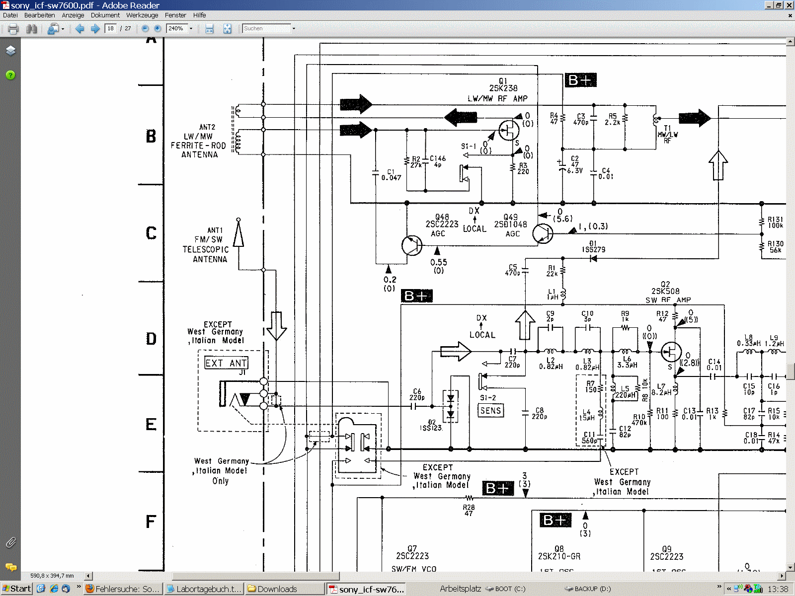
Hoppla, da habe ich die falsche Seite angegeben. Es ist Seite 19, nicht Seite 13. Im Anhang ist ein Ausschnitt aus dem Schaltplan mit dem externen Antenneneingang.
Wegschmeissen und als Lehrgeld verbuchen. Dass ein Hersteller die gleichen Buchsen für Power und Antenne verwendet, ist schon kriminell.
Die Spannung (Tuningrad des Verstärkers) an der Klinkensteckerbuchse ist
regelbar. Es kann also sein, dass die Antenne fast 13 Volt bekommen hat.
2,7 bis 12,9 V
|
|
Stereoklinkenstecker ==|--|--o
| |
| |
1* 0,4 bis 2,8 V (Spitze des Steckers)
1* Bezugspunkt der Spannungsmessung
Heinz schrieb: > Dass ein Hersteller die > gleichen Buchsen für Power und Antenne verwendet, ist schon kriminell. Das tut Sony aber nicht, der Netzteileingang beim ICF 7600 ist ein Hohlstecker der 'Sony 6Volt' Sorte ( gelbe Buchse). Normalerweise sollte gar nichts geschehen, wenn ein DC Netzteil an die Antennenbuchse angeschlossen wird, denn da ist ja C6 mit 220pF, der DC abkoppeln soll. Für den unwahrscheinlichen Fall , das C6 durchgeschlagen ist, kann nur noch die Schutz-Doppeldiode D2 kaputtgegangen sein.
> Normalerweise sollte gar nichts geschehen, wenn ein DC Netzteil an die > Antennenbuchse angeschlossen wird, denn da ist ja C6 mit 220pF, der DC > abkoppeln soll. Für den unwahrscheinlichen Fall , das C6 durchgeschlagen > ist, kann nur noch die Schutz-Doppeldiode D2 kaputtgegangen sein Vielen Dank für den Hinweis auf D2. Was mir noch aufgefallen ist, auf UKW empfange ich von 100 bis 108 MHz immer den gleichen Sender. Auf 90 bis 100 MHz ist nur ein pochendes Geräusch zu hören.
Bitte melde dich an um einen Beitrag zu schreiben. Anmeldung ist kostenlos und dauert nur eine Minute.
Bestehender Account
Schon ein Account bei Google/GoogleMail? Keine Anmeldung erforderlich!
Mit Google-Account einloggen
Mit Google-Account einloggen
Noch kein Account? Hier anmelden.
