Hallo!! Ich beschäftige mich erst seit kurzem mit dem Thema MC..hab da also noch nicht wirlich viel Ahnung von.. Jetzt möchte ich nen Brushless Motor im sensorless Mode ansteuern und hab mir dazu auch schon ne ganze Reihe an Schaltplänen angeschaut...die laufen aber alle mit dem ATMega168 o.Ä. - dieser ATMega16M1 soll ja speziell für solche Anwendungen entwickelt worden sein..Hat da schonmal jemand mit gearbeitet? Was sind denn jetzt da die großen Vorteile? Aus dem Datenblatt lese ich, dass in dem Ding schon nen Powerstagecontroller PSC drin ist, aber was genau heißt das jetzt für mich? Kann ich da jetzt die MOSFET Endstufe weglassen oder was?? Was ist mit dem ZeroCrossDetector? Ist der auch drin? Ihr seht schon..ich hab offensichtlich keinen Plan von garnix sorry!!
Ich wills nochmal anders versuchen: Normalerweise gibts nen Haufen an Beispielen für ne Brushless Controll im Netz..allerdings nur, wenn man dabei auf ATmega8/ATmega168 etc zurückgreift... :( Ich häng da mal so nen standart Beispiel mit nem ATmega8 an - Atmel sagt, man könnte da auf externe Bauteile verzichten, wenn man ATmega16M1 einsetzt...welche zum Beispiel? Der ATmega16M1 ist aber doch extra für sowas gemacht worden oder??Woran liegt das, dass den niemand benutzen will? Gibts irgendwo Beispielprojekte, in denen der ATmega16M1 tatsächlich für ne BL_Ctrl verwendet wird?
Max Holodynski schrieb: > Der ATmega16M1 ist aber doch extra für sowas gemacht worden oder??Woran > liegt das, dass den niemand benutzen will? Versuche doch mal, den tatsächlich zu kaufen... Das ist nicht ganz einfach. Wenn Du eine geeignete Plattform suchst: Die Microchip dsPIC33 sind günstig und einfach verfügbar. Dort schaust Du dir die Typen mit "MC" in der Typenbezeichnung an. Die haben entsprechende PWM-Hardware, mit Totzeitregulierung, um zu verhindern, dass bei einer Halbbrücke ein Transistor schon durchschaltet, bevor der komplementäre richtig sperrt, und anderen Gimmicks. Und sie haben DSP-Befehle, die Du gut brauchen kannst, wenn Du Regelalgorithmen für BLDC-Motoren implementieren willst. fchk
Tach Max, wie Frank schon sagte, die M1 Serie ist noch preliminary. Wird also noch nicht an den Endkunden verkauft. Technisch stellen die M1 eine erhebliche Vereinfachung für den Entwickler da. Dinge die man mit den alten megas nicht tun konnte sind aber nicht wirklich dazu gekommen. Es ist einfach nur deutlich schwieriger zu implementieren. Thor
Die ATmegaxxM1 habe ich noch nicht in freier Wildbahn gesehen. Für Motorsteuerung würde ich den ATtiny261 empfehlen. Der hat 3 PWM-Ausgänge 8/10Bit mit negierten Ausgängen, Dead Time Generator und Fault Protection Unit. Peter
Also die M1 Serie kann man(n) bei Digikey in Kleinmengen bestellen. Aber sonst habe ich diese noch nirgends gesehen. Jedenfalls nicht in Hobby-Entwickler freundlichen Mindestmengen (z.b. Mouser min. 1750 St.) :( Bin auch daran interessiert, sehe es aber nicht ein 18€ Versand zu bezahlen...
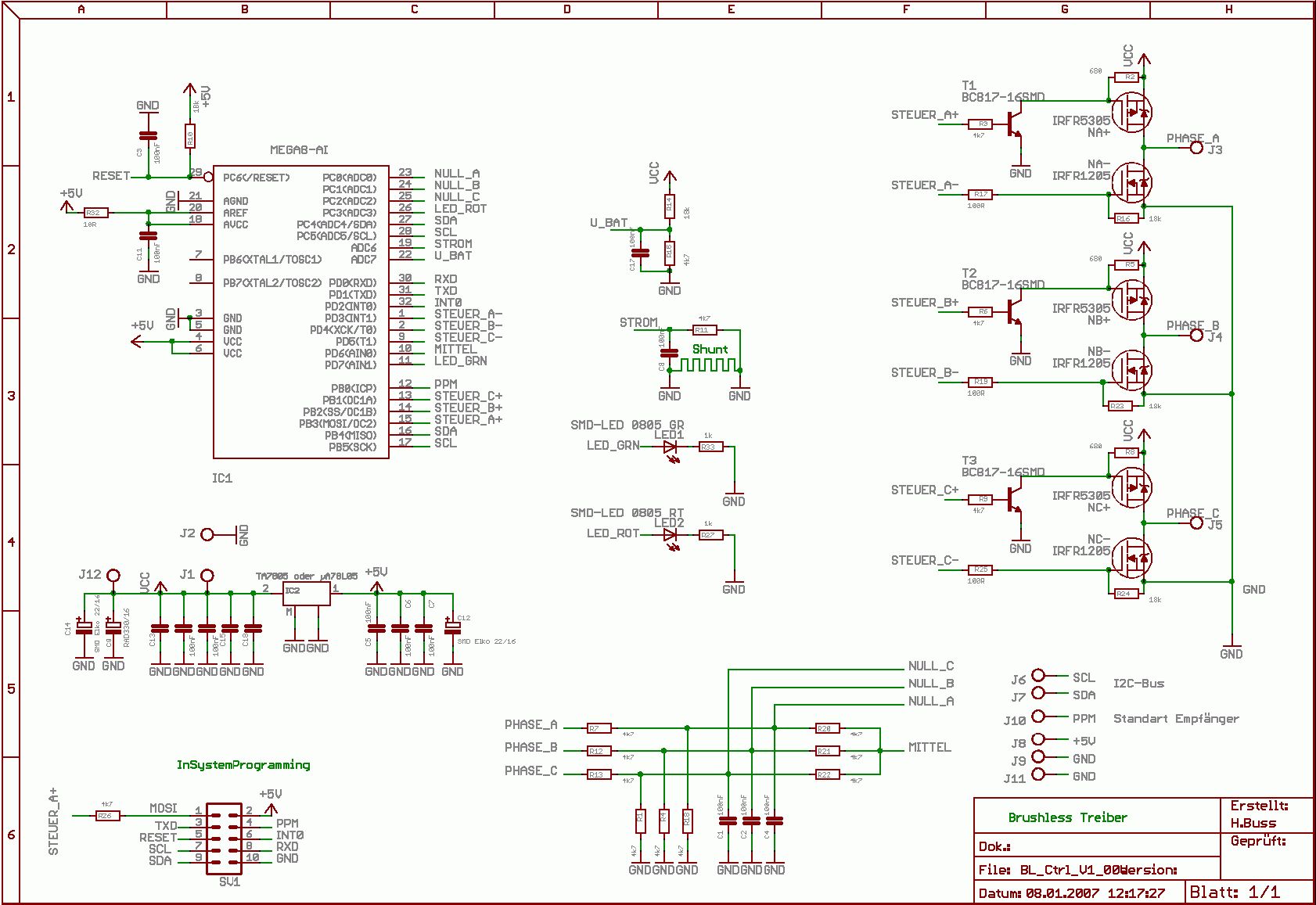
erstmal vielen Dank für das Feedback - hat mich schon ein wenig weiter gebracht :) also: ich hab den Auftrag bekommen, so ne Brushless Control mit nem ATmega16M1 zu bauen (und zu programmieren)...leider bin ich gelernter Maschinenbauer und hab um die Themen Elektrotechnik bzw Informatik immer nen großen Bogen gemacht - und damit also im Moment ein mittelgroßes Problem :( kann also weder kleinere Brötchen backen noch auf nen anderen Controler ausweichen..und ja ich weiß - wahrscheinlich hab ich da keine Chance..aber ich wills wenigstens mal versuchen und nicht sofort aufgeben :) Also nicht wundern, wenn ihr meine Fragen auch noch in anderen Foren wieder findet :) An den Chip komm ich also schonmal ohne weiteres ran..check! Jetzt fehlt mir (NUR :D ) noch ne Hardware- bzw. ne Softwarelösung!! hab mich die letzten Tage sehr mit dem Datasheet beschäftigt, aber muss leider gestehen da nur wenig mit anfangen zu können..weil ich eben echt keine Ahnung habe.. ich hab mir gedacht ich bleib eben hardware-mäßig erstmal ganz hart an dem was ich im Beispiel gepostet hab, und versuch da erstmal die Pins vernünftig zu belegen.. Wenn ich das richtig verstehe, dann hat der ATmega16M1 so nen tollen Power Stage Controler (PSC) mit dem man wohl die Endstufe richtig gut ansteuern kann (im Beispiel also die Ausgänge die mit STEUER_A+/- bis STEUER_C+/- beschriftet sind)...das sind 6 Stück und der ATmega16M1 hat auch 6 von diesen PSCOUT Ausgängen...würde also passen - lieg ich da denn schonmal richtig? Wenn das stimmen sollte, müsste ich noch irgendwie raus bekommen, wo ich am schlausten mit dem Feedback aus den Spulen hin muss (also NULL_A bis NULL_C)...und dem Vergleichswert (also hier MITTEL).. nehm ich für das Feedback die Analog Comparatoren? Wenn ja welche - positiv oder negativ? Wofür sind dann die PSCIN Eingänge? Oder besser: Kann mir einer verraten wie ich mir diese PowerStageControl vorstellen muss? Wie kann man damit arbeiten? So ne Art Prinzip-skizze für ultra-doofe würde mir an dieser Stelle schon viel bringen - beschäftige mich zwar seit Tagen damit, aber das ist glaub ich nur n Tropfen auf dem heißen Stein...
Lies das hier: http://www.microchip.com/stellent/idcplg?IdcService=SS_GET_PAGE&nodeId=1824&appnote=en012127 Ist zwar von Microchip, hat aber die ganzen Grundlagen. fchk
Hi Gibt es auch von Atmel: http://www.atmel.com/Images/doc8306.pdf http://www.atmel.com/Images/AVR172.zip Der ATmega32M1 ist kompatibel zu ATmega162M1 hat nur mehr Speicher. MfG Spess
Aiaiaia, wie viel Zeit hast du denn dafür? Letztendlich sind die AVRs sehr einfach zu verstehen, wenn ich dir mal logisches Denkvermögen unterstellen darf. Der PSC ist letztlich nichts anderes als ein aufgebohrter timer wie man sie von den standart AVRs her kennt. Grundlagen zu PWM und AVR timern findest du unter AVR-Tutorial: PWM Wenn du das durch und verstanden hast ist der Schritt richtung PSC nicht mehr weit. Ich greife das jetzt mal vor. Der PSC ist also nichts weiter als ein timer mit einigen zusatz features. Das heißt er hat ein counter Register und eine Anzahl counter compare Register. Neu ist bei diesem hardware Modul, dass sich insgesammt 6 compare Register auf einen counter beziehen und nicht wie bissher nur 3. Man kann also 3 komplette Halbbrücken mit der PSC ansteuern. Außerdem gibt es optional getrente Register für das Ein- und das Ausschalten eines PSCOUT pins. Durch das Trennen der beiden Flanken lässt sich so ein deadband erzeugen in dem keiner der beiden Transistoren durchgesteuert wird. Das sind so die wichtigsten Neuerungen. Alles ander ist für einen Neueinsteiger sowieso uninteressant. Thor
Bitte melde dich an um einen Beitrag zu schreiben. Anmeldung ist kostenlos und dauert nur eine Minute.
Bestehender Account
Schon ein Account bei Google/GoogleMail? Keine Anmeldung erforderlich!
Mit Google-Account einloggen
Mit Google-Account einloggen
Noch kein Account? Hier anmelden.
