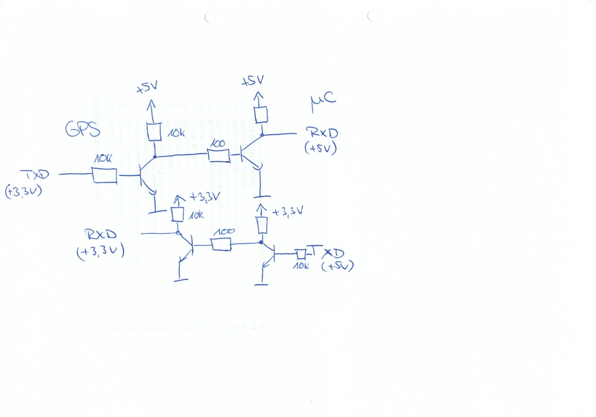
Hallo Leute, ich betreibe einen FMP04 GPS Empfänger an einem Atmega16. Da der GPS Empfänger 3,3V benötigt, der Atmel allerdings auf 5V läuft, habe ich mir eine Pegelwandlung gebaut. Siehe Anhang. Das Problem zeigt sich wie folgt: Beim einschalten der gesamten Schaltung sendet der GPS Empfänger nicht direkt los. Erst wenn ich den TXD Anschluss des GPS Empfängers vom Transistor trenne und die Schaltung dann wieder Ein- und Ausschalte sendet er munter drauf los. Auch wenn ich den TXD Anschluss dann wieder mit dem Transistor verbinde. Hat jemand eine Idee woran das liegen kann? -------- Die Pullups auf der rechten Seite haben beide auch 10k
Patrick Langosch schrieb: > Das Problem zeigt sich wie folgt: Beim einschalten der gesamten > Schaltung sendet der GPS Empfänger nicht direkt los. Erst wenn ich den > TXD Anschluss des GPS Empfängers vom Transistor trenne und die Schaltung > dann wieder Ein- und Ausschalte sendet er munter drauf los. Auch wenn > ich den TXD Anschluss dann wieder mit dem Transistor verbinde. Ich geb zu, dass ich grad auch keine Idee habe, warum sich die Schaltung so verhält, aber warum betreibst du nicht alle Bauteile (auch den Mikrocontroller) mit 3,3 Volt? Ich stand kürzlich vor einer ähnlichen Entscheidung (Schreiben auf eine SD-Karte) und hab mich für diesen Weg entschieden. War dann weniger kompliziert.
Ich würde mein Augenmerk mehr auf den RxD-Pin des GPS Empfängers legen. Vielleicht stimmt der Pegel beim ersten Einschalten der Schaltung nicht mit dem überein, was dort beim Einschalten sein muss.
Ja hatte ich auch erst vor. Problem ist das ich für das LCD Display 5V benötige. Auch habe ich keinen ISP oder JTAG Programmer für 3,3V. Das Problem habe ich übrigens gelöst. Offensichtlich wurde der TX Pin über den Transsitor zu stark belastet. Bei dem 10k Widerstand zog dieser ca. 200µA über den TX Pin, wohl zu viel. Mit einem 36k Widerstand an der Basis klappt es jetzt.
H. Bunse schrieb: > Ich würde mein Augenmerk mehr auf den RxD-Pin des GPS Empfängers legen. > Vielleicht stimmt der Pegel beim ersten Einschalten der Schaltung nicht > mit dem überein, was dort beim Einschalten sein muss. Ja dachte ich auch erst. Leider brachte auch eine nicht beschaltung des RX-Pins keine Verbesserung. Die Lösung steht eine Post weiter oben.
Bitte melde dich an um einen Beitrag zu schreiben. Anmeldung ist kostenlos und dauert nur eine Minute.
Bestehender Account
Schon ein Account bei Google/GoogleMail? Keine Anmeldung erforderlich!
Mit Google-Account einloggen
Mit Google-Account einloggen
Noch kein Account? Hier anmelden.
