Hallo, ich hab ein Problem bei dem ich nicht weiterkomme. Vorgabe: In der Firma wo ich arbeite steht eine Sortiermaschine für Kleinteile. Konkret wird da so etwa ne halbe Tonne pro Stunde (!) an Metallteilen reingekippt welche aus der Produktion kommen. Die Maschine vereinzelt die dann und auf einem schmalen Förderband sausen die Teile dann vor dem Messsystem (zwei sündhaft teure Cams mit Computer dran) vorbei und werden dort "beglotzt". Die Steuerung entscheidet in Sekundenbruchteilen ob das gemessene Teil schrott ist, oder gut. Die Gutteile werden nach Toleranz mittels eines Stößels der 5 cm ausfährt und das teil vom Band wirft in 7 verschiedene Behälter geschubst. Jetzt zum Problem: Der Hersteller der Maschine ist leider pleite und nun ist einer der stößel hinüber. Originalersatzteile gibts nicht aber nicht mehr (durch die insolvenz). Mindestens ein weiterer Stößel kündigt sich auch schon an... Zugegeben die Dinger bekommen ganz schön prügel in der Maschine. Nun haben wir ein "konkurrenzprodukt" von unserem Mechanikermeister anpassen lassen, passt soweit alles und ist sauber montiert. Ich muß allerdings die Ausgabekarte etwas verstärken die kann den Strom sonst nicht da das neuteil mehr zieht. Aus kostengründen (und auch weils schnell gehen muss) kann ich nicht groß was bestellen. Wie baue ich eine halbbrücke auf die 24V Betriebsspannung und 2A verträgt, aber aus Standardbauteilen besteht? Gesteuert wird von einem uC-Pin (PIC) mit 0-5V. Die Brücke muss den Strom von ca. 2A immer nur max. 500ms aushalten, spätestens dann ist der Magnet in der Endlage. Dafür Produziert die Dicke Spule aber halt sicher nen haufen "Schmutz" auf den leitungen, das muss die Brücke natürlich auch vertragen. (Wie entstöre ich die Spulen richtig damit die Spannung nicht ins unendliche geht? (Transildiode drüber, reicht das?) N-Fets mit 100V Spannungsfestigkeit habe ich da, P-Fets ebenfalls. Nur wie verhindere ich nen Brückendurchschuss? Das ganze kann mit nur einem Pin gesteuert werden da ich an der Steuerung nichts ändern kann. Jemand ne Idee?
Rolle schrieb: > N-Fets mit 100V Spannungsfestigkeit habe ich da Lassen die sich mit den 5V aus dem PIC durchsteuern? Gruß Jobst
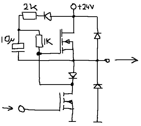
Also, wenn einfach ein FET + Freilaufdiode nicht ausreicht, dann evtl. sowas hier? Musste ich mal malen - habe gerade nichts anderes da. Gruß Jobst
@ Rolle (Gast) >Aus kostengründen (und auch weils schnell gehen muss) kann ich nicht >groß was bestellen. Wie baue ich eine halbbrücke auf die 24V >Betriebsspannung und 2A verträgt, aber aus Standardbauteilen besteht? L6203, gibt es überall zu kaufen, fahr zum nächsten Conrad. Alternativ der Oldie L298. >auch vertragen. (Wie entstöre ich die Spulen richtig damit die Spannung >nicht ins unendliche geht? (Transildiode drüber, reicht das?) Freilaufdioden antiparallel zu den FETs in der Halbbrücke.
Falk Brunner schrieb: > L6203, gibt es überall zu kaufen, fahr zum nächsten Conrad. Alternativ > der Oldie L298. Passt leider nicht, ich brauch die halbbrücken "einzeln". Habe aber ne Idee: Wenn man das Gate eines Transistors schnell umladen will, nimmt man doch wenn kein Treiber-IC zur Hand ist nen Transistortreiber (npn oben Richtung +, pnp unten gegen Masse). Da man das Super Diskret aufbauen kann (und Transistoren hab ich genug da) kann ich das auch mit Darlington Transen machen? Da gibts sehr nette Teile da ist sogar schon die Freilaufdiode drin). Konkret handelt es sich um BDX33 & BDX34. Damit könnte ich mir dann jeweils ne Halbbrücke aufbauen. Das ich als Levelshifter auf 5V noch kleine SMD-Transen brauche ist schon klar und auch ok. Geht das auch mit den Darlingtons oder ist der Treiber nur mit "normalen" Transen möglich? Das ich nen Spannungsverlust von fast 1,5V pro Transe hab ist kein Problem (Schraub ich das Schaltnetzteil nen wenig höher).
Bitte melde dich an um einen Beitrag zu schreiben. Anmeldung ist kostenlos und dauert nur eine Minute.
Bestehender Account
Schon ein Account bei Google/GoogleMail? Keine Anmeldung erforderlich!
Mit Google-Account einloggen
Mit Google-Account einloggen
Noch kein Account? Hier anmelden.
