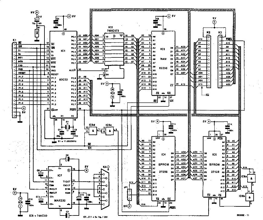
Hallo Miteinander ! Ich hätte ein Problem: Ich habe von meinen Vater vor einiger Zeit ein 80C32 Elektor EPC bekommen und nun wollte ich ihn in Betrieb nehmen aber ich kam drauf das sich der EPROM leider gelöscht hat. ( Kann wahrscheinlich durch die schlechte Lagerbedienungen zurückzuführen sein). Kann irgendjemand mir das EPROM File in Forum postn ?. Kann man den EPROM 27128 irgendwie durch einen 28C64 austauschen ? Danke
Hallo Daniel schau mal hier... http://www.dos4ever.com/8031board/8031board.html http://home.arcor.de/h.boehling/80c32.htm dort findest Du am Seiten Ende Downloads... Ich habe noch den 8052 monitor im Eprom.. Den werde ich mal raussuchen und diesen mal posten. Stefan
mir ist der Name vom Monitor Programm wieder eingefallen.. EMON51 oder EMON51.HEX versuch mal google ... Stefan
Hier ist er: Viel Vergnügen damit. Die Beschreibung ist leider in Französich. Grüße, Stefan
A2030 schrieb: > isses der? > http://www.elektor.de/jahrgang/1998/februar/80c32-... Ja des ist das ! Aber leider bietet Elektor keinen Support mehr. Danke an Stefan !
Wenn du dich bei Elektor anmeldest kannst du unter "Extra Downlods" die Datei runterladen, darin müßte das Epromfile enthalten sein, kann ich aber z.Z. nicht ausprobieren, finde meine Zugangsdaten gerade nicht.
Du kannst den 80C32 durch einen AT89C51RB2 (CSD: 6,49€) ersetzen (EA-Pin muß dann an VCC). Die EPROM-Sockel bleiben dann leer und ein Programm wird mit Flip (Atmel) aufgespielt. Dazu brauchts noch einen Jumper von PSEN nach GND, um in den Programmiermodus zu kommen. Peter
Das mit dem Atmel wäre eine Lösung da ich aber das Board nicht all zu verändern möchte habe ich mir gedacht das es einfacher wär den EPROM zu brennen. Wie kann ich den 27C128 durch eine 28C64 austauschen ? Danke
Daniel Rohrhofer schrieb: > Wie kann ich den 27C128 durch eine 28C64 austauschen ? sind 27128er eproms nicht mehr zu haben? mfg
27128er EPROM kann man noch kaufen ( Ich glaube nicht mehr lange) Ich dachte mir ein E2PROM kann man schön per Software löschen einen EPROM leider nicht und ich will nicht immer den EPROM ausbauen.
Du solltest das Eprom durch einen Flash ersetzen. Das funktioniet ohne
irgenwelche Umbauten problemlos.
Ich habe nämlich auch noch ein altes 80C517 Board welches einen 27C256
Eprom benutzt und diesen durch einen AT29C256 ausgetauscht. Der Flash
ist pinkompatibel mit dem Eprom und deutlich schneller zu
löschen/programmieren. Somit musste ich an dem Board nichts umbauen. :)
Ciao,
Rainer
Daniel Rohrhofer schrieb: > habe ich mir gedacht das es einfacher wär den EPROM zu > brennen. Einmal: ja, wenn man einen Brenner hat. Mehrfach: nein, moderner 51er mit in-circuit Programmierung ist einfacher.
gk schrieb: > Eine elegante Möglichkeit wäre auch ein Eprom Simulator/Emulator... ... vor 20 Jahren mal gewesen. Peter
Peter Dannegger schrieb: > ... vor 20 Jahren gewesen. Nun, wenn er an seinem vorhandenen System möglichst wenig verändern will ist das auch jetzt noch eine elegante Lösung. Vielleicht gibts den ja noch: Beitrag "[V] Verkaufe Eprom Simulator PEPS-III von Conitec" gk
@Daniel: > Aber leider bietet Elektor keinen Support mehr. Probier's mal da: http://www.geist-electronic.de/html/home.html Elektor-Bausätze gibt's da nach wie vor, vielleicht hat er noch das Programmfile. Den EPROM wird er wahrscheinlich auch noch haben. Ralf
Bitte melde dich an um einen Beitrag zu schreiben. Anmeldung ist kostenlos und dauert nur eine Minute.
Bestehender Account
Schon ein Account bei Google/GoogleMail? Keine Anmeldung erforderlich!
Mit Google-Account einloggen
Mit Google-Account einloggen
Noch kein Account? Hier anmelden.
