Hallo, wie die Überschrift schon sagt, bin ich auf der Suche nach einem Transistor MJ11028. Leider kann den niemand liefern, und auch in den Vergleichslisten der Lieferanten taucht er nicht auf. Nicht mal mein Baslter um die Ecke hat so was noch rumliegen. Dazu gibt es den Komplementärtransistor MJ11029. Den 28 könnte ich noch als Sample ordern, aber nicht den 29. Hat jemand vielleicht so viel Erfahrung, dass er den Typen kennt, und einen Ersatztypen dazu empfehlen kann? Gruß J
Wieviel Stom must du schalten der MJ11028 macht 50A. Sonnst kannst du den 2N3055 probieren der macht aber nur 15A. Wo willst du ihn einbauen
Danke für die schnelle Reaktion. Der Strom kann schon ordentlich hoch gehen. Das ist die Leistungsstufe für einen Autopiloten auf einem Schiff. Diese steuert die Rudermotoren, und ich denke, 30-40A können da mal locker zusammenkommen. Ich bin mir auch nicht sicher wie sich ein andere Transistor in der Schaltung verhält, wenn der nicht die richtige Kennlinie hat...
Man sollte die Schaltung dazu kennen. h21e=? http://www.datasheetcatalog.org/datasheet/SEME-LAB/MJ11030.pdf Transistortabelle http://www.mikrocontroller.net/articles/Transistor-%C3%9Cbersicht
Das ist doch das "klassische" Paar für ältere Audioendstufen. Da gibt es horrende Preise und viele Fälschungen. Für ne Motorendstufe würde man heute Mosfets nehmen. Vorzugsweise getaktet (PWM)...
2N3055 wird nicht funktionieren, da Dein MJ11028 ein npn Darlington mit hoher Stromverstärkung ist! Evtl. gibt es irgendwo noch den ..30 ? Er wurde in irgendwelchen Autos verbaut.
na und dann nehm doch mj11032 / mj11033 bei reichelt MJ 11032 ONS NPN-Darl Gehäuse: TO-3 Uces:120 V Ic:50 A Ptot:300 W B:1000...18000 6,65 € mfg
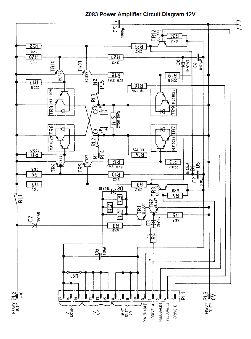
Hier der Schaltplan. Der 32/33 sieht ja vielversprechend aus. Danke! In dem Datenblatt das ich hatte stand der gar nicht mit drin! Die Transistorenliste ist auch super, die kannte ich noch gar nicht. Danke an alle!
dolf schrieb: > dann nehm doch mj11032 .. wenn er echt ist? Weiterhin wäre zu überlegen ob die interne Schutzdiode den aktuellen Belastungen gewachsen ist. Irgendeinen Grund für das vorzeitige Ableben wird es wohl geben?
Vorzeitig? Das Gerät ist etwa 30 Jahre alt, und viel benutzt worden. Tatsächlich sind die Lastwiderstände R18 und R12 ziemlich angegriffen, also "verbrannt", ebenso die Leiterbahnen zu den Widerständen. Widertandswert passt noch, und die Leiterbahnen schienen auch noch intakt, aber ich hab vorsichtshalber die Leiterbahnen etwas verstärkt und neu Lackiert.
Jürgen Papadopolis schrieb: > Lastwiderstände R18 und R12 ziemlich angegriffen, Das scheint normal. Frage ist eher: ob sie bei Wärme nicht herausfallen falls das Zinn vorzeitig schmilzt.
oszi40 schrieb: > dolf schrieb: >> dann nehm doch mj11032 > > .. wenn er echt ist? das steht hier nicht zur debatte. es wird ein transi gesucht der geeignet ist. die 32/33er sind geeignet. wo er die kauft ist sein problem. mfg
Jürgen Papadopolis schrieb: > Was meint ihr damit, ob er echt ist? http://www.planet-kuehne.de/martin/audio/counterfeit.htm
Achso, na das wäre bei dem Preis ja schon ziemlicher Mist wenn die "gefälscht" wären und im Betrieb dann sofort abrauchen. Sicher kann man sich da aber wohl nie sein, es sei denn, man bestellt nur noch Samples beim Hersteller.... Oder ist "R." etwa bekannt dafür, gefälschte Ware im Sortiment zu haben?
Jürgen Papadopolis schrieb: > Was meint ihr damit, ob er echt ist? z.B. Diskussion über 2N3055 Beitrag "2N3055, Überlast oder Second Breakdown"
OK, ich lass das mit dem Tausch erst nochmal und versuche die "konstervative" Methode: Es fenden sich allerhand kalte Lötstellen, außerdem, und das ist mir jetzt beim Zusammenbauen erst aufgefallen, ist eine von den Steckbuchsen korrodiert (ebenso ein Transisorgehäuse). Allerdings auch hier das Problem: Wo bekomme ich sowas noch her? Ich hab mal zwei Bilder rangehängt, sagt mehr als 1000 Worte. Ich habe solche Buchsen zum Einlöten noch nie woanders gesehen, und kann mir auch nicht vorstellen, dass das sonderlich gut ist. Außerdem ist mir aufgefallen, dass der Kollektor mit schwarzen Schrauben befestigt war, die nicht Leiten. Das kann doch nicht richtig funktionieren. Weiß der Geier, wer sich das ausgedacht hat.... Habt ihr da noch einen Tipp, sonst muss ich das mal irgendwie umlöten.... Gruk J
> solche Buchsen zum Einlöten noch nie woanders gesehen
Gab es früher öfter. Ein Glasfaserstift aus dem Schreibwarenladen half
Oxidschichten von den Beinen zu entfernen. Nützlicher scheint mir
allerdings: Die Bauteile mal zu messen als zu spekulieren. Was sagt Dein
Komponententester?
Laut Komponententester stimmt da auch schon was nicht. Bei einem npn fehlt der Teil, der in den negativen y-Bereich geht, und bei den pnps fehlt wird nur ein "rechter Winkel" dargestellt, statt der "Stufe". Wäre natülich toll, wenn ich das vergleichen könnte. Wegen den Steckbuchsen: Die scheinen innen drin korrodiert zu sein. Da komm ich mit einem Glasfaserstift natürlich nicht rein. Ich will da auch nicht mit einem Nagel oder sowas drin rumstochern. Kaufen kann man solche Buchsen nicht mehr? Ich wüsste gar nicht, wonach ich googeln sollte...
Jürgen Papadopolis schrieb: > Kaufen kann man solche Buchsen nicht mehr? http://www.produktinfo.conrad.com/datenblaetter/725000-749999/731065-da-01-ml-BUCHSE_1MM_B1A_de_en_fr.pdf
Ist das noch aktuell? Bin auch am reparieren: Habe Ersatz gefunden: MJ11032 G für NPN und MJ1133 G für PNP Kann ev.helfen Hast Du Schema und andere Unterlagen? Grüsse Hansueli
Hallo Hansueli, hab das Gerät erfolgreich repariert. Der Transistortausch hats gebracht, mit den Typen, die du auch herausgefunden hast (bei dem pnp fehlt noch die 0), nachlöten war aber auch dringend notwendig. Schau mal weiter oben, da ist der Schaltplan abgebildet. Ich glaube, den hatte ich auch aus dem Internet.
Bitte melde dich an um einen Beitrag zu schreiben. Anmeldung ist kostenlos und dauert nur eine Minute.
Bestehender Account
Schon ein Account bei Google/GoogleMail? Keine Anmeldung erforderlich!
Mit Google-Account einloggen
Mit Google-Account einloggen
Noch kein Account? Hier anmelden.


