Hallo, kann mir jemand sagen was passiert wenn pin "trst" nicht angeschloßen ist und wenn es angeschloßen ist? was "trst"? danke
trst = test reset es kommt aufs Board an, was passiert, wenn trst nicht angeschlossen ist. Typischerweise muss trst = 1 sein, damit JTAG funktioniert. Wenn trst dann nicht auf 0 geschaltet werden kann, lässt sich ein Reset der Testschnittstelle mit der TMS-Sequenz 11111 erreichen.
"Test Reset (TRST). Reset der Testlogik. Diese Leitung ist optional, da ein Reset auch über den TAP-Controller ausgelöst werden kann." http://de.wikipedia.org/wiki/Joint_Test_Action_Group Wegen dem "optional" sollte man die konkrete Hardware betrachten, also welchen µC du in welcher Schaltung mit welchem JTAG Adapter und welcher JTAG Software benutzt.
Wenn ich "TRST" anschließe wird eine Fehlermeldung angezeigt (RAM check failed) aber lass ich es offen( Nur auf die Masse gezogen über 10K) dann funkt.
Es gibt Hersteller, die ziehen den TRST-Pin ihres Chips absichtlich auf dem Board nach Gnd, um die Testschnittstelle nach dem Verlöten abzuschalten.
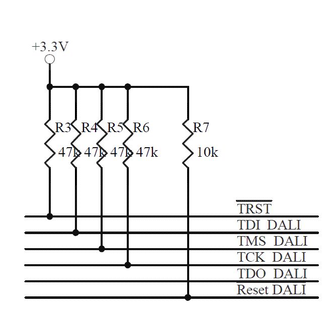
Ich wollte nur ein ATMEL AT91SAM3S1 über J-link von Segger flashen. Das Board dazu habe ich selber erstellt (ganz einfache Schaltung mit Eingangskondensatoren und J-Linkschnittstelle) Das habe ich auch nach gelesen und verstanden. Daraufhin habe ich es auch auf GND gelegt und es hat danach auch funktioniert. Davor hatte ich diesen PIN auf "Vin" mit einem PULL UP Widerstand. Was passiert wenn es auf Vin gelegt wird? Dann wird es doch theoretisch ständig resetet oder? Im Anhang ist ein Bild davon ( Wurde vorgegeben)
Rufus Τ. Firefly schrieb: > ** ** schrieb: >> Im Anhang ist ein Bild davon > > Da ist kein Bild, sondern ein Word-Dokument. so jetzt muss es passen
Kan asta schrieb: > TRST muss 1 (3.3V) sein, damit JTAG funktioniert. Das habe ich auch gemacht ( über den 47K pull up) aber es hat nicht funktioniert.
** ** schrieb: > Ich wollte nur ein ATMEL AT91SAM3S1 über J-link von Segger flashen. Ein AT91SAM hat (soweit ich sehen kann) keinen TRST-Pin. Verlink sonst mal das richtige Datenblatt. ** ** schrieb: > Das Board dazu habe ich selber erstellt Wo hast Du TRST denn dann angeschlossen?
Rudolph schrieb: > ** ** schrieb: >> Ich wollte nur ein ATMEL AT91SAM3S1 über J-link von Segger flashen. > > Ein AT91SAM hat (soweit ich sehen kann) keinen TRST-Pin. Verlink sonst > mal das richtige Datenblatt. > Bei AT91SAM3 is es der pin 40. > > ** ** schrieb: >> Das Board dazu habe ich selber erstellt > > Wo hast Du TRST denn dann angeschlossen? nach dem es mit pull up auf 3,3Vdc nicht funtioniert hat, habe ich es mit einem pull down auf die Masse gelegt. Danach hat es funktioniert.
** ** schrieb: >> Ein AT91SAM hat (soweit ich sehen kann) keinen TRST-Pin. Verlink sonst >> mal das richtige Datenblatt. >> > Bei AT91SAM3 is es der pin 40. In dem Datenblatt für die SAM3S Series finde ich kein TRST, auch nicht auf P40. Hast Du ein anderes als das hier: http://www.atmel.com/Images/doc6500.pdf? Gib mal ein Link!
Rudolph schrieb: > In dem Datenblatt für die SAM3S Series finde ich kein TRST, auch nicht > auf P40. Das selbe habe ich auch. Auf der Seite 14 ist der PIN 40 --> TST. - Kann es sein dass TST und TRST nicht das selbe ist?
Kan asta schrieb: > Genau so ist es. Vielen dank, das hat mir viel geholfen. Verständisfrage: Meine meinung nach: TRST: Test Reset--> überprüft den Resetfunktion. TST: Test System--> überprüft das System nach analoge und digitale Bausteine.
Ok das ist etwas komplett verschiedenes. TRST ist ein optionaler Pin des JTAG-Standards. TST ist ein Eigenbau der Marke Atmel. Die Funktion solltest du dir mal genauer im Datenblatt durchlesen. ** ** schrieb: > Das Board dazu habe ich selber erstellt Sorry aber wieso hast du bereits ein Board geätzt, ohne vorher das Datenblatt zu lesen!?
Kan asta schrieb: > ohne vorher das > > Datenblatt zu lesen!? Im Datenblatt heißt es ja, dass der Pin TST: Grenzpfad test / schnell Programmierung vorgesehen ist. D.h. Der uC hat garkeine TRST Pin!!!
Kan asta schrieb: > Sorry aber wieso hast du bereits ein Board geätzt, ohne vorher das > > Datenblatt zu lesen!? Weil mir jem. gesagt hat, dass TST == TRST ist, was nach dem was ich lese garnicht stimmt.
** ** schrieb: > was nach dem was ich > lese garnicht stimmt. Deshalb ja meine Frage: weshalb nicht vorher lesen? Ich hoffe einfach mal, dass dein "Devboard" trotzdem noch nutzbar ist.
Kan asta schrieb: > Ich hoffe einfach mal, dass dein "Devboard" trotzdem noch nutzbar ist. Doch doch es funktioniert trotzdem. TST kann ich optional über ein 0R Widerstand verbinden bzw. trennen. Daran habe ich gedacht.
Bitte melde dich an um einen Beitrag zu schreiben. Anmeldung ist kostenlos und dauert nur eine Minute.
Bestehender Account
Schon ein Account bei Google/GoogleMail? Keine Anmeldung erforderlich!
Mit Google-Account einloggen
Mit Google-Account einloggen
Noch kein Account? Hier anmelden.
