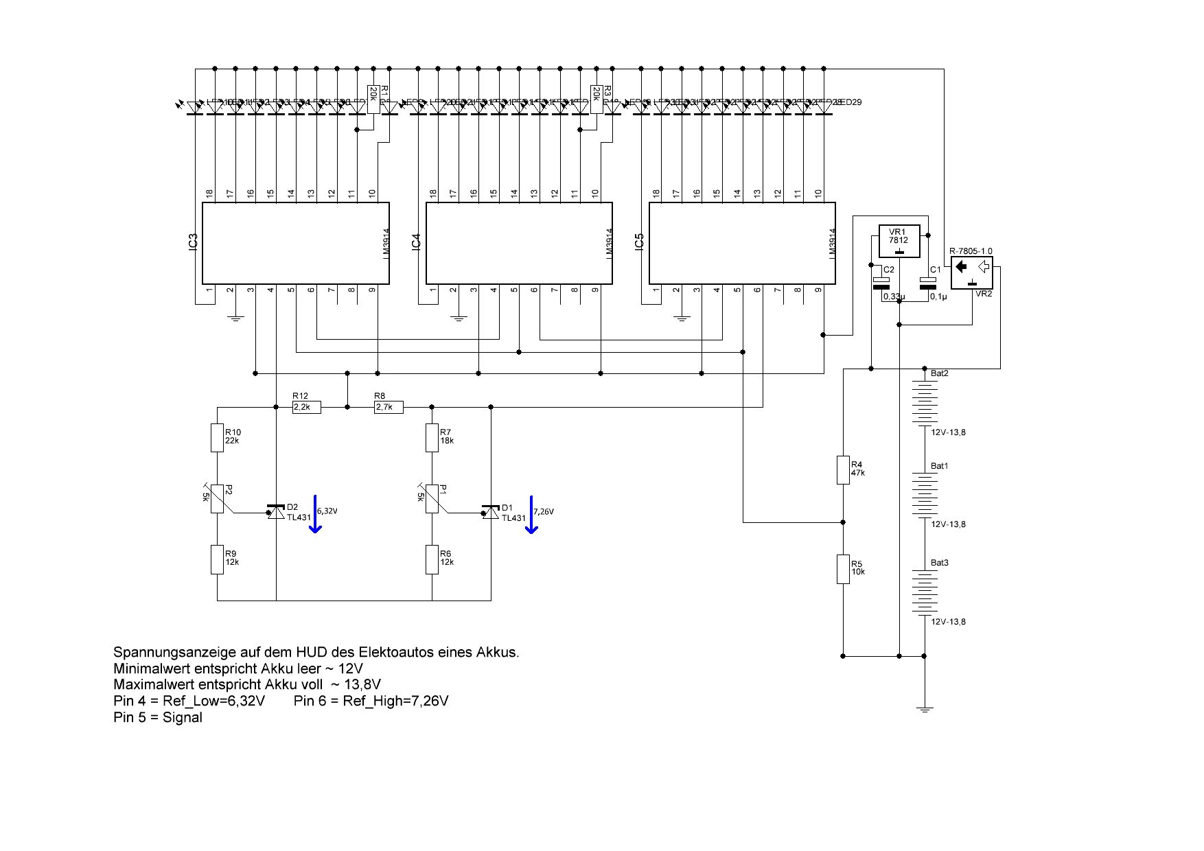
Hi, ich bin gerade dabei einen Schaltplan für den Akkustand für ein Elektroauto zu entwerfen. Da es mit Bleiakkus betrieben wird, ist die Entladekurve ja relativ linear, solange sie zwischen 13,8V und 12V betrachtet wird (eigentlich 3 12V Bleiakkus). Deswegen kam ich auf die Idee, die Spannung auf 30LEDs anzeigen zu lassen und das in dem Bereich. Den Dot-Mode von dem LM3914 wollte ich nicht, habe deshalb Pin9 auf das Eingangspotential gelegt. Pin7 und Pin8 sollten laut Datenblatt (http://www.ti.com/lit/ds/symlink/lm3914.pdf) Seite 7 ja nur die Referenzspannung von 1,25V sein. Deshalb sind die beiden Pins nicht verbunden. Mein Grundgedanke des Schaltplans basiert auf dem Blockdiagramm, somit habe ich die 1k Widerstandsreihe zwischen R_Low (Referenzspannung) und R_High von 10k auf 30k erweitert. Die Zenerdiodenschaltung mit Poti dienen für den Minimalwert (12V = Akku leer; wird nur bei Belastung gemessen) und den Maximalwert (13,8V sollte maximale Kapazität bedeuten). Lässt sich das so machen, oder gibts Fehler an der Logik / im Schaltplan?
Man sieht selten so unübersichtliche Schaltbilder. Zeichne das noch mal neu, sodass sich aus dem Schaltbild ergibt, wie das funktionieren soll. So funktioniert nix: 1. die Betriebsspannung der ICs ist bei dir 24 V, es sind nur max. 18 V zulässig. Betreibe sie mit 12V und verwende 36 V als Messspannung, die du z.B. auf 6 V runterteilst. Bei deiner Mistschaltung misst du nur den ersten Akku. 2. Drehe mal P2 auf 0 Ohm, dann ist P2 kaputt und D2 glüht. Das gleiche gilt für P1. Statt deiner abenteuerlichen P1, P2, D1...D5 -Schaltung solltest du dir mal den TL431 anschauen, das ist eine einstellbare Z-Diode. 3. Verwende einen Schaltregler von 36 V auf 12 V und auf 5 V für die LEDs. Mit deinem abenteuerlichen Längsreglermist verkochst du 10 W Verlustleistung.
Wo finde ich hierfür passende Schaltregler? PS: Ich hab nicht so die Ahnung von Elektrotechnik/Elektronik, bin noch Schüler.
Für die 12V und 5V Spannungsquelle sollen dann Schaltregler hinzu kommen. Als Fertige Platine gibts die, wie ich bei conrad gesehen habe, schon zu kaufen. Kann ich mir auch welche selber machen? Wenn ja, gibts da Schaltpläne für?
Schau dir diese Schaltung an http://www.next.gr/uploads/141-13e015895c.gif Wenn dir der Dot-Mode genügt, dann Seite 14 des Datasheets für eine Eingangsspannung von 48V, geht auch mit 36V. Drei Anzeigen kaskadieren, sollte sich an der Schaltung eigentlich nicht viel ändern.
Für 5€ gibt es bei www.pollin.de kleine Multimeter. Da hast du sogar eine numerische Spannungsanzeige. http://www.pollin.de/shop/dt/NTA4OTYxOTk-/Messtechnik_Uhren/Messtechnik/Multimeter/Digital_Multimeter_PM_110.html Das Teil kannst du ausschlachten. Den Drehschalter weg lassen und die für den Meßbereich entsprechenden Kontakte brücken.
Na also, der Schaltplan sieht schon wesentlich besser aus ;-) Als 5 V-Schaltregler für die LEDs kannst du den angehängten nehmen, den gibt es auch beim Conrad. Achte auf effiziente LEDs, da der Strom aus den ICs nur 10 mA beträgt. Die 12 V kannst du doch mit einem billigeren Längsregler gewinnen, weil die ICs und die TL491 nur ein paar mA brauchen. Bei R6/R7 und R9/R10 würde ich Potis verwenden, dann kannst du die Minimal- und Maximalspannung einstellen. Ich würde auch noch einen Schalter/Jumper vorsehen, um in den Dot-Modus umschalten zu können. Der ist viel stromsparender.
Andreas M. schrieb: > Für 5€ gibt es bei www.pollin.de kleine Multimeter. Philipp will aber eine 30-LED-Anzeige bauen. Das ist sportlicher und er lernt offenbar was dabei. Den Tour-de-France-Radfahrern schlägt auch keiner vor, doch Mopeds zu nehmen, damit sie sich nicht so abstrampeln müssen ;-)
Andreas M. schrieb: > Für 5€ gibt es bei www.pollin.de kleine Multimeter. > Da hast du sogar eine numerische Spannungsanzeige. Da in dem Elektroauto das HUD noch existiert, will ich das weiterverwenden. Somit fällt die Billigvariante weg. Thomas R. schrieb: > Bei R6/R7 und R9/R10 würde ich Potis verwenden Wohl eher nur R10 und R7, oder? Thomas R. schrieb: > Ich würde auch noch einen Schalter/Jumper vorsehen, um in den Dot-Modus > umschalten zu können. Der ist viel stromsparender. Werde ich mal schauen, ob ich das Umsetzen werde. Danke schonmal für die Hilfe :)
Andreas M. schrieb: > Da hast du sogar eine numerische Spannungsanzeige. Sowas abzulesen ist während einer Autofahrt eher nachteilig. Darum sind auch die wichtigsten Instrumente im Auto analoge Zeigerinstrumente - die lassen sich mit einem kurzen Blick erfassen - zum Ablesen einer Digitalanzeige braucht man mehr Zeit. Sowas vermindert die Aufmerksamkeit im Strassenverkehr.
Thomas R. schrieb: > zum Ablesen einer > Digitalanzeige braucht man mehr Zeit. > Sowas vermindert die Aufmerksamkeit im Strassenverkehr. Kann ich dir nur zustimmen. Bei dem Citroen C3 ist eine Digitale Geschwindigkeitsanzeige vorhanden. Die Pest, mehr brauch ich nich sagen. Hier ist es ähnlich. Man will auf dem Balken nur sehen, ob man demnächst mal Energie laden sollte, oder eben nicht. Die 30 sind auch nur vorhanden, weil das mit 5x2mm² LEDs wunderbar hinhaut. Noch 'ne Frage: Habe ich laut Datenblatt (http://www.ti.com/lit/ds/symlink/lm3914.pdf) das mit den 20k Ohm richtig verstanden? Also, dass jeweils Pin11 mit 20kOhm an +5V liegt. Seite 9 zeigt diesen einen Widerstand bei der kaskadierten Schaltung an. Muss der jetzt nur beim Ersten, oder bei allen bis auf dem Letzen vorhanden sein?
Philipp schrieb: > Thomas R. schrieb: >> Bei R6/R7 und R9/R10 würde ich Potis verwenden > Wohl eher nur R10 und R7, oder? Ich meinte, zwischen R10 und R9 ein Poti und dessen Abgriff an D2, und zwischen R7 und R6 ein Poti und dessen Abgriff an D1.
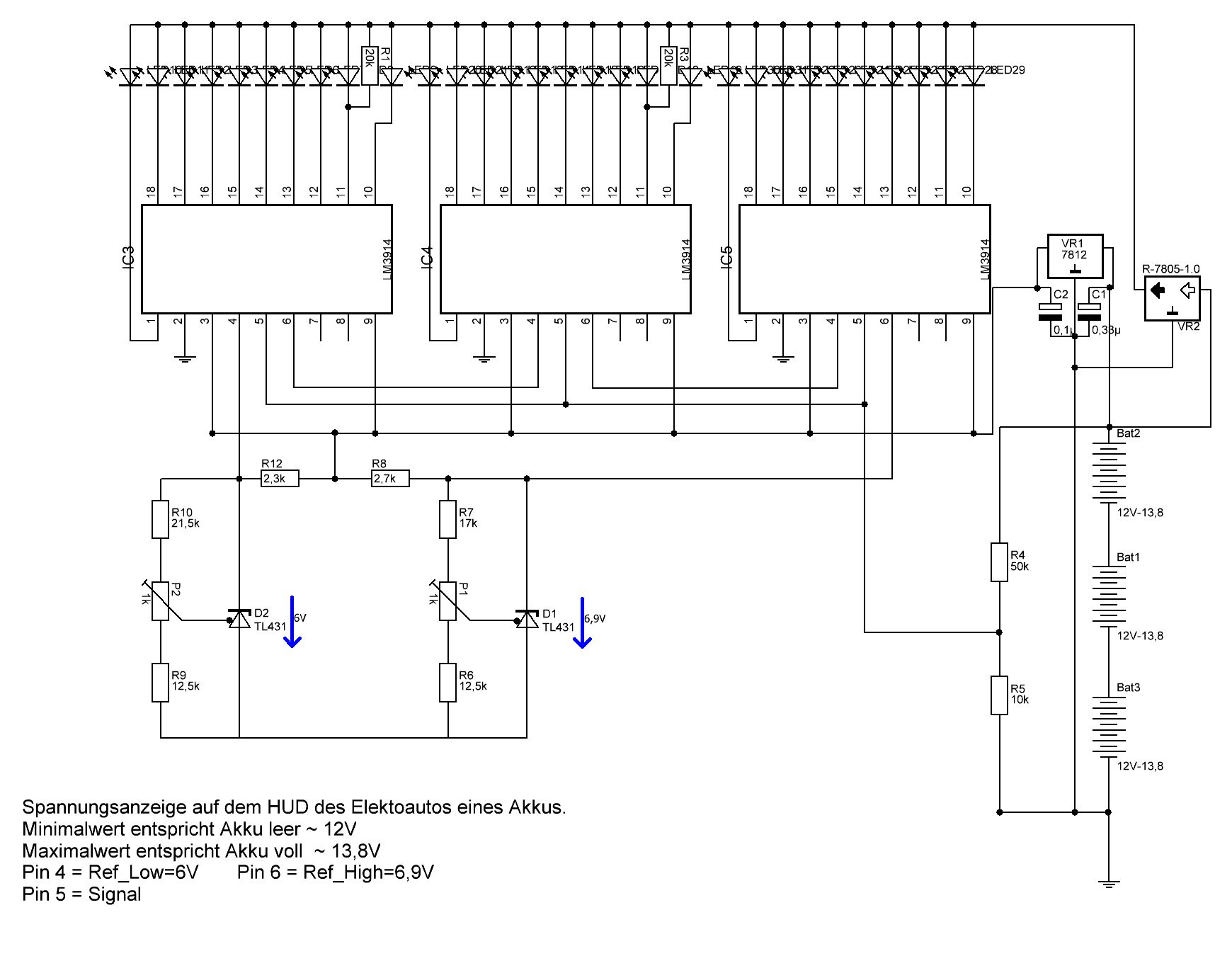
Dann hier die entgültige Fassung. Ich habe R10 und R7 jeweils um 500 Ohm verringert, damit ich mit dem Poti um +-500Ohm variieren kann. Ich hoffe, so war das gemeint. Ansonsten: Könnt ihr mir noch ein anderes Schaltplan-Entwurfsprogramm als sPlan 7 mit dem ich hier gearbeitet habe, empfehlen?
Die von dir berechneten Widerständswerte für R6, R7, R9, R10 wirst du kaum kriegen. Nimm die nächstliegenden aus der E12-Reihe und mache die Potis grösser - am besten 10-Gang-Potis mit 5 kOhm. Zum Schaltplanzeichnen empfehle ich eagle. http://www.cadsoftusa.com/?lang=de Das verwendet fast jeder und beinhaltet auch das Layouten von Platinen. Für kleine Projekte ist es kostenlos.
Achja - falls Du trotzdem bei den LM78xx bleiben willst - I und O sind verkehrt herum angeschlossen.
Thomas R. schrieb: > Zum Schaltplanzeichnen empfehle ich eagle. > http://www.cadsoftusa.com/?lang=de > Das verwendet fast jeder und beinhaltet auch das Layouten von Platinen. > Für kleine Projekte ist es kostenlos. Ich habe für die Platinen bisjetzt immer Abacom Sprint Layout 5 benutzt. Jens G. schrieb: > Achja - falls Du trotzdem bei den LM78xx bleiben willst - I und O sind > verkehrt herum angeschlossen. Naja. Da es bei dem Symbol kein Ein-/Ausgangszeichen gibt und ich es sogar instinktiv gespiegelt habe, ist es egal :D Schaltplan ist an die E12-Reihe angepasst.
Philipp schrieb: > Da in dem Elektroauto das HUD noch existiert, will ich das > weiterverwenden. Wer ist denn HUD?
Im Allgemeinen ein Heads-Up-Display, eine Anzeige, die sich in Kopfhöhe befindet und man somit den Kopf nicht in Richtung des Lenkrads neigen muss.
>> Achja - falls Du trotzdem bei den LM78xx bleiben willst - I und O sind >> verkehrt herum angeschlossen. >Naja. Da es bei dem Symbol kein Ein-/Ausgangszeichen gibt und ich es kein Argument ... >sogar instinktiv gespiegelt habe, ist es egal :D das glaubst Du, daß Du es instinktiv gespiegelt hast - noch hast Du das Ding ja noch nicht aufgebaut ... >Im Allgemeinen ein Heads-Up-Display, eine Anzeige, die sich in Kopfhöhe >befindet und man somit den Kopf nicht in Richtung des Lenkrads neigen >muss. Das wäre auch wirklich sehr anstrengend ...
Jens G. schrieb: > Das wäre auch wirklich sehr anstrengend ... Ich glaube du weisst, wie faul die Menschheit geworden ist. Ich selbst gehöre da auch zu. Und nur für dich habe ich jetzt die Pins vertauscht.
>Und nur für dich habe ich jetzt die Pins vertauscht.
Warum für mich - der Hinweis ist nur für Dich, damit Du die Sache nicht
auch noch so aufbaust, wie Du gemalt hast.
Ich weis, wie ich meine IC's in den Plan zu malen habe.
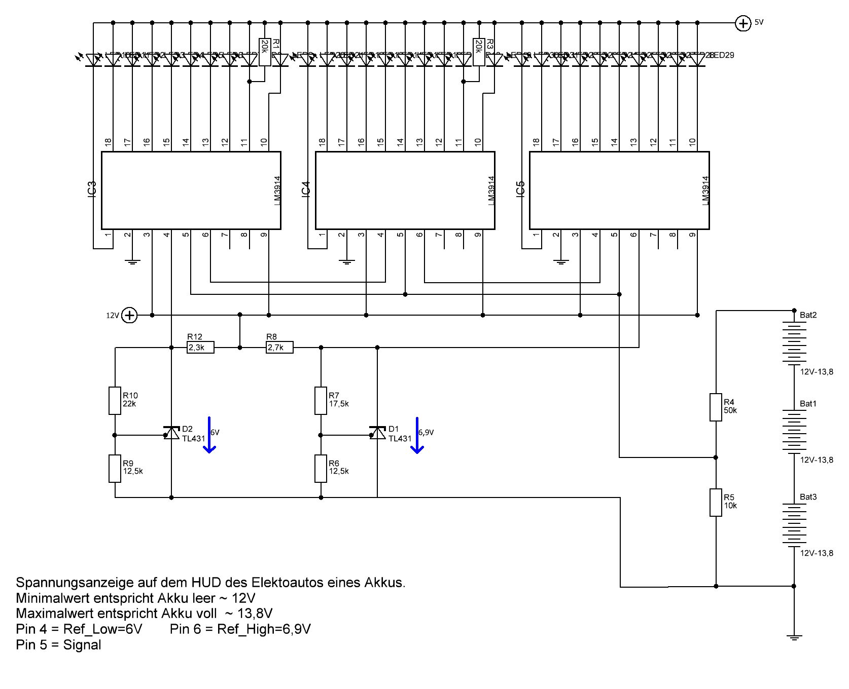
Als nächstes müssen wir noch den 7812 ersetzen, weil dessen maximale Eingangsspannung 35 V beträgt. Du kannst den z.B. durch einen LM317 mit 220 Ohm und 1.8 kOhm ersetzen.
Das ist jetzt geändert. Danke. Ich habs auch mal in Eagle übertragen. War n bisschen arbeit sich da rein zu arbeiten. Der LM7805 der da noch drin ist, dient nur als Platzhalter für den R-78C05, der Pinkompatibel ist. Soweit ok mit dem Layout?
Ich hab auch schon solchen Anzeigen gebaut. Die LM3914 wuerd cih rauswerfen und einen kleinen AVR oder PIC verwenden. Die LED koennen dann mit einer Reihe Schieberegister des Types 74HC595 angesteuert werden.
PICs kommen mir nicht in die Schaltung, da bei einem Elektromotor auch mal stärkere Spannungsschwankungen auftreten können. Da PICs auch nur einen kleinen Spannugnsbereich haben (ich glaub 4,75V - 5,25V) mach ich das ganze lieber Stör-un-anfälliger. Und wieso jetzt noch die Schaltung neu machen, wenn sie so funktionieren könnte?
Bonz'o schrieb: > Ich hab auch schon solchen Anzeigen gebaut. Die LM3914 wuerd cih > rauswerfen und einen kleinen AVR oder PIC verwenden. Die LED koennen > dann mit einer Reihe Schieberegister des Types 74HC595 angesteuert > werden. Man könnte auch einen ARM-Cortex mit TFT-Color-Display nehmen. Philipp ist aber noch nicht so weit, das kommt später ;-) Im Layout fehlen sämtliche Abblockkondensatoren. Wenn du IC5 um 180° drehst, wird das Layout besser. Die Masseleitungen sind viel zu dünn. R13 kann ein Festwiderstand von 1.8 kOhm sein.
R8 und R4 hängen im Layout zusammen!!!??!! Wenn man eagle richtig bedient, kann sowas nicht passieren. Normalerweise zeichnet man zuerst das Schaltbild mit eagle. Dann erzeugt eagle ein Layout, wo zunächct alle Bauteile an einer Stelle übereinander sind und mit "Gummifäden" richtig verdrahtet sind. Die Bauteile kann man dann verschieben, drehen usw und die Leiterbahnen kreuzungsfrei machen. So ist es niemals möglich, dass Schaltplan und Layout voneinander abweichen. Lese mal das Manual von eagle. Wenn du das begriffen hast, wird alles viel einfacher, es können keine Fehler mehr passieren und es macht viel mehr Spass.
Thomas R. schrieb: > R8 und R4 hängen im Layout zusammen!!!??!! Nein. Die Beschreibungen hängen nur an der falschen Stelle. Wie verschiebe ich die Texte? Thomas R. schrieb: > Normalerweise zeichnet man zuerst das Schaltbild mit eagle. > Dann erzeugt eagle ein Layout, wo zunächct alle Bauteile an einer Stelle > übereinander sind und mit "Gummifäden" richtig verdrahtet sind. > Die Bauteile kann man dann verschieben, drehen usw und die Leiterbahnen > kreuzungsfrei machen. > So ist es niemals möglich, dass Schaltplan und Layout voneinander > abweichen. Genauso bin ich vorgegangen. Thomas R. schrieb: > Die Masseleitungen sind viel zu dünn. > R13 kann ein Festwiderstand von 1.8 kOhm sein. Wie dick sollen die Massenleitungen sein? Thomas R. schrieb: > Im Layout fehlen sämtliche Abblockkondensatoren. Was sind Abblockkondensatoren und wozu brauch ich die?
Philipp von Wintzingerode schrieb: > Wie dick sollen die Massenleitungen sein? so breit, wie du Platz hast. > Was sind Abblockkondensatoren und wozu brauch ich die? http://www.rn-wissen.de/index.php/Abblockkondensator Bei deiner Schaltung brauchst du auf jeden Fall am Ein- und Ausgang des LM317 je einen Abblockkondensator. Die LM3914 brauchen laut Spezifikation keinen, er wird aber nicht schaden. Bei deiner Schaltung fehlt noch eine Anschlussmöglichkeit für den Akku (Klemmleiste). Ich würde auch noch eine Verpolschutzdiode einbauen. Lade doch mal deine *.brd und *.sch-Files hoch. Hier gibt es richtige eagle-Profis, vielleicht optimiert dir das jemand.
Damit die Meister was dran machen können. Ist eine gute Idee, hätte nicht gedacht, dass sowas jemand freiwillig macht. Danke im Vorraus Philipp
Hallo Philipp, leider bin ich bei dem Versuch Deine Files zu modifizieren gescheitert, da Du die neuste Version von Eagle heruntergeladen hast (6.0.X). Diese Files können aber anscheinend nicht mehr mir den Vorgänger- versionen (5.0.X) editiert werden, sofern Du sie nicht gezielt im Kompatibilitätsmod abspeicherst. Gruß Markus
So. Sollte komplett sein. Ich nehme einfach 100nF Kelkos, sofern das richtig ist. Die Masse ist nun doppelt so breit (0.02)
hallo wenn du die masse voll ( flächedeckend) machst ist das besser da die umwelt wesentlich weniger gelöstes Kupfer abgekommt...
Hallo, wenn du die Masse voll ( flächendeckend ) machst ist das besser da die Umwelt wesentlich weniger gelöstes Kupfer abgekommt...
R14 ist falsch angeschlossen!!!!! Hier gibt es ein schönes Tutorial für eagle: http://www.youtube.com/watch?v=YoVen9os4Sk
Danke für den Hinweis. Gibt es eine Funktion wie bei Sprint Layout, die Automasse macht?
Ziel eines guten Layouts ist es, mit möglichst kurzen Leiterbahnen auszukommen. Dieses Ziel erreicht man durch geschickte Platzierung der Bauelemente und entsprechende Leiterbahnführung. Davon bist du noch ganz schön entfernt ;-) Ich habe mal ein paar Verbesserungsvorschläge in dein Layout gemalt, leider kann ich deine eagle-Files mit meiner gekauften kommerziellen Version 5.x nicht bearbeiten. Du musst selber probieren, die Bauteile anders anzuordnen, damit sich eine optimalere Leiterplatte mit kürzeren Leiterbahnen ergibt. Übung macht den Meister!
Bitte melde dich an um einen Beitrag zu schreiben. Anmeldung ist kostenlos und dauert nur eine Minute.
Bestehender Account
Schon ein Account bei Google/GoogleMail? Keine Anmeldung erforderlich!
Mit Google-Account einloggen
Mit Google-Account einloggen
Noch kein Account? Hier anmelden.













