Hallo, ich habe mal eie Frage bezüglich eines M128 16AU. Direkt nach dem einschalten wird der µc langsam lauwarm, obwohl eigendlich nix läuft. Kann das z.b. an den nicht konfigurierten Pin´s liegen, an denen über einen Pullup wdst. von 10k Vcc anliegt, oder Vcc potential als eingang?
Dieser µC kann schonmal einfach so bis zu 19mA ziehen - je nach Einsatzbedingungen. Und 19mA*5V sind nunmal knapp 100mW, die so ein IC durchaus lauwarm werden lassen dürfte.
Hi
>obwohl eigendlich nix läuft.
Was meinst du damit? Ohne Programm?
MfG Spess
bei 10kO sind das bei 40 pins die 100mW von denen #2 sprach, ich würde aber mal nach messen überwelchen Pin wieviel rein fließt, nicht, dass da was gebraten wird (auch wenn richtiges braten eigentlich mit der entsprechenden Temperatur geschieht)
Ich meinte ohne Programm. Insgesammt fließen 94mA in die Schaltung. Die Betriebs-LED zieht bei 330R 10mA. Es werden 2 CNY70 über einen BS250 geschaltet, der ja bei 0V die Sensoren einschaltet, also nochmal 2x18 mA. An 2 Pins hängt eine Duo-Led mit gem. Kathode. Wenn die nicht konfiguriert sind, fließt doch theoretisch auch ein Strom über die beiden Vorwiderstände über die Pin´s, oder?
Harry schrieb: > obwohl eigendlich nix läuft. Ist der AVR sonst im Sleepmodus? Du könntest mal den Widerstand aller Pins gegen GND und Vcc messen. Vielleicht wurde ein Pin beim löten mit GND oder Vcc verbunden.
Solange Du noch kein Programm in den AVR geladen hast, ist der Programmspeicher voller NOP Befehle. Das heisst, er führt ein Programm aus. "Kein Programm" gibt es bei Mikrocontrollern eigentlich nicht, es sei denn du hälst den Reset Pin fest.
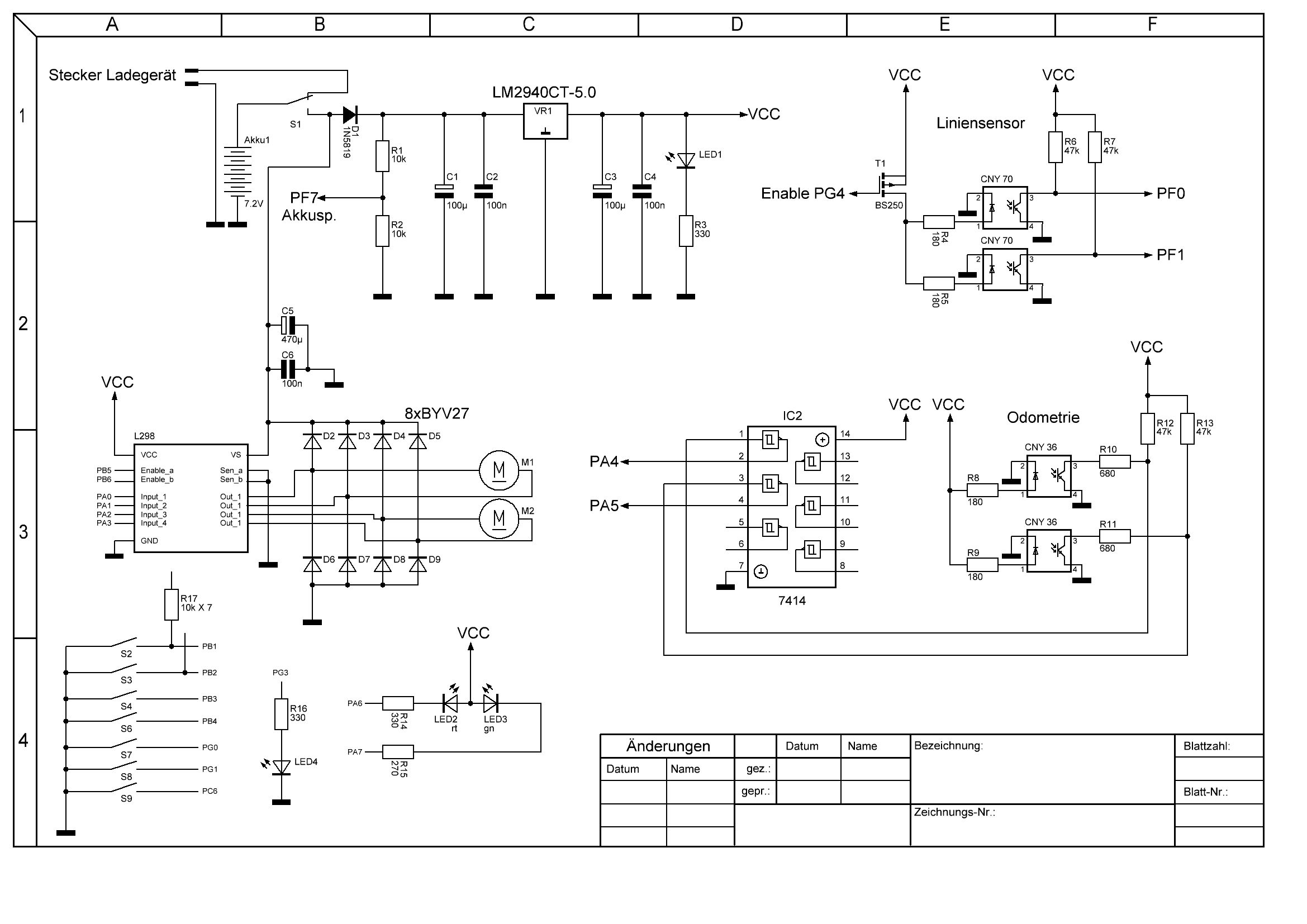
Ich habe mal auf die schnelle einen Schaltplan der M128 beschaltung gezeichnet. Der M128 hat die übliche beschaltung, also 100nF an der Versorgung, AREF mit 100nF gegen masse, 16mHz Quarz und ISP.
Harry schrieb: > Ich habe mal auf die schnelle einen Schaltplan der M128 beschaltung > gezeichnet. Der M128 hat die übliche beschaltung, also 100nF an der > Versorgung, AREF mit 100nF gegen masse, 16mHz Quarz und ISP. Falls du keine super schnellen Berechnungen durchführen musst, takte doch den ATmega128 etwas runter, das spart Strom und erzeugt weniger Wärme. Also, entweder ein langsameres Quarz, z.B. 8 MHz, oder du schaltest den eingebauten Vorteiler ein. Damit kommst du sogar bei 16 MHz runter bis 62,5 kHz.
Harry schrieb: > Ich habe mal auf die schnelle einen Schaltplan der M128 beschaltung > gezeichnet. Der M128 hat die übliche beschaltung, also 100nF an der > Versorgung, AREF mit 100nF gegen masse, 16mHz Quarz und ISP. Meist verbaue ich einen RC-Tiefpass (3 Ohm, 47µF) direkt vor dem AVR oder vor dem Spannungsregler, dann kann ich den Stromverbrauch indirekt über den Widerstand messen. Wenn du die Taktfrequenz halbierst halbierst du quasi auch den Energieverbrauch, aber ich glaube du brauchst etwas Rechenpower für deinen Robo. Die Status-LED zieht 10mA. Die CNY36 sind ja immer an, die ziehen jeweils ca. 20mA. Der L298 zieht auch Strom wenn er nichts macht. (7 bis 36mA) Dein AVR zieht 19mA, Selbst wenn die CNY70 aus sind kommst du auf mindestens 10+(2*20)+19=76mA Der Festspannungsregler und die anderen Bauteile ziehen den Rest (18mA). Du kannst ja erst mal den > IDLE Sleep Mode < nutzen und schauen ob es etwas bringt oder du klebst einen kleinen mini-Kühler hoch, das mache ich auch bei meinen W-Lan Chips.
Mike J. schrieb: > Du kannst ja erst mal den > IDLE Sleep Mode < nutzen und schauen ob > es etwas bringt oder du klebst einen kleinen mini-Kühler hoch, das mache > ich auch bei meinen W-Lan Chips. Gute Idee. Ich nutze trotzdem normalerweise die Alternative mit der Taktfrequenz: Die CPU per 20-MHz-Quarz takten, aber intern runterteilen, so dass der Mikrocontroller nur mit 78 kHz läuft. Immer dann, wenn ich wirklich Rechenpower brauche, schalte ich den Takt vorübergehend auf die vollen 20 MHz hoch, dann läuft es wie geschmiert und spart insgesamt ne Menge Energie.
Hi >Die CPU per 20-MHz-Quarz takten, aber intern runterteilen, so dass der >Mikrocontroller nur mit 78 kHz läuft. Immer dann, wenn ich wirklich >Rechenpower brauche, schalte ich den Takt vorübergehend auf die vollen >20 MHz hoch, dann läuft es wie geschmiert und spart insgesamt ne Menge >Energie. Schon mal nachgerechnet, was man bei einem Roboter mit Motoren dabei sparen kann? Der Controller ist bei so etwas meist der kleinste Verbraucher. Also kann man auch am wenigsten sparen. MfG Spess
Harry schrieb: > 16mHz Quarz Markus W. schrieb: > Falls du keine super schnellen Berechnungen durchführen musst, takte > doch den ATmega128 etwas runter, das spart Strom und erzeugt weniger > Wärme. Viel langsamer geht's doch nun wirklich nicht. Erstaunlich, dass es dafür überhaupt Quarze gibt.
Er nutzt ja auch einen ATmEGA :) Ich wäre aber auch vorsichtig und würde mal nachfragen wenn der Strom so hoch ist. Also für so ein Projekt würde ich den AVR auch übertakten und ich bin immer mit dabei wann etwas außerhalb der Spezifikationen betreiben werden soll :-D Bei den CNY36 und CNY70 könnte er noch etwas sparen, jeweils 2 IR-LEDs könnten er zumindest hintereinander schalten, das würde auch von deiner Schaltung her funktionieren.
Harry schrieb: > Ich habe mal auf die schnelle einen Schaltplan der M128 beschaltung > gezeichnet Mit dem L298 an der geregelten 5V-Versorgung wirstdu nicht glücklich. Setz den lieber vor den Spannungsregler direkt an den Akku. Sonst stören die Motoren möglicherweise den uC.
Hi >Mit dem L298 an der geregelten 5V-Versorgung wirstdu nicht glücklich. >Setz den lieber vor den Spannungsregler direkt an den Akku. >Sonst stören die Motoren möglicherweise den uC. Es wird doch nur der Logikteil des L298 mit VCC versorgt. Die Motoren hängen am Akku. MfG Spess
Komisches verhalten des m128. Wenn ich das Board an den ispmk2 anschließe, und via avr-studio die signatur lese, klappt das nur 1 mal. Danach die Meldung, das es nicht passt. Wenn ich den Reset drücke, klappt es wider nur 1 mal. Auch das auslesen der Fuses läuft nur 1 mal, ansonnsten zeigt er nur müll, also alle häckchen gestzt. Schonmal sowas gehabt?
Überprüfe mal die Spannung auf deiner Reset Leitung (mit einem Multimeter) vor und nach dem Lesen der Fuses.
Bitte melde dich an um einen Beitrag zu schreiben. Anmeldung ist kostenlos und dauert nur eine Minute.
Bestehender Account
Schon ein Account bei Google/GoogleMail? Keine Anmeldung erforderlich!
Mit Google-Account einloggen
Mit Google-Account einloggen
Noch kein Account? Hier anmelden.
