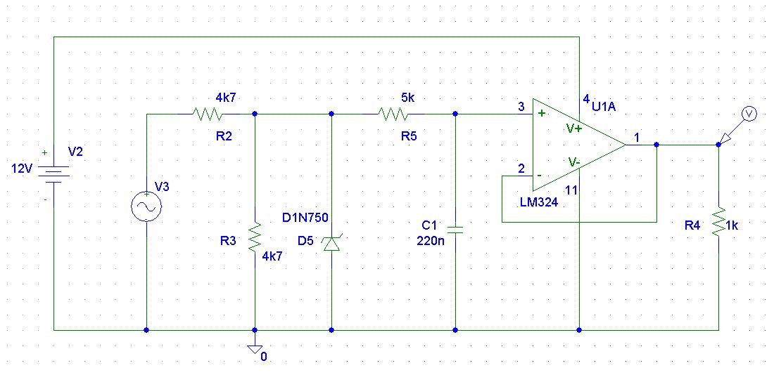
Hallo Leute, Will einen ADC Eingang vor ESD usw. schützen. Um den Eingang zu puffern, wird dieser über einen OP Amp geführt. Die nominale Eingangsspannung soll 0-10V betragen. Die Schaltung ansich sollte funktionieren. (Die Diode wird eine SMBJ6.8A) Was aber passiert, wenn die 12V Versorgung vom OP ausfällt? Hält die Schaltung dann noch Schärfegrad 4 aus?
Rettung? schrieb: > Was aber passiert, wenn die 12V Versorgung vom OP ausfällt? 1.Es könnte noch schlimmer kommen wenn Induktivitäten wie Zündspulen oder Fensterheber böse Abschaltspannungen in umgekehrter Polarität liefern (F.23). http://www.dse-faq.elektronik-kompendium.de/dse-faq.htm#F.23 Rettung? schrieb: > Die nominale Eingangsspannung soll 0-10V betragen. > Die Schaltung ansich sollte funktionieren. > (Die Diode wird eine SMBJ6.8A) 2.Vergleiche die Daten Deiner Diode mir Deinem Wunsch 0-10V: http://docs-europe.electrocomponents.com/webdocs/046c/0900766b8046cede.pdf
Am Boardnetz wird diese Schaltung nicht betrieben. Soll (irgendwann) ein eigenständiges Gerät werden, welches 0-10V Sensoren (Hauptsächlich Temperatur) auswertet. Am Anfang habe ich an eine Siemens Logo gedacht. Wird aber doch Overkill für eine Logo. Darum Eigenentwicklung. Hällt die Schaltung stand, oder wird es den OP ohne Versorgung "heben" ?
Rettung? schrieb: > Was aber passiert, wenn die 12V Versorgung vom OP ausfällt? Macht nichts: Steht in http://www.ti.com/lit/ds/symlink/lm124-n.pdf, Note 10
> wenn die 12V Versorgung vom OP ausfällt?
Schlimmer wäre fehlende Masse. Die meisten Defekte entstehen an Aus-und
Eingängen sowie mit Netzteilen.
Deshalb ist eine wartungsfreundliche Anordnung und Beschriftung manchmal
sehr nützlich. Dann kann im Notfall auch die qualifizierte Putzfrau
unter Anleitung Störungen beheben. Das spart Reisekosten.
Rettung? schrieb: > Hällt die Schaltung stand, oder wird es den OP ohne Versorgung "heben" ? Den Op nicht aber R2 (max 200V Isolation) wird wohl einen irreversiblen Überschlag bekommen. Gruß Anja
Hey, Leute Habe es so gelöst: Die TVS bringt die (15kv) Spannung auf Maximal 24V. Der Spannungsteiler sorgt dafür das 12C daruas werden. Am Serienwiderstand sorgt dafür, wenn 7mA fliesen die restlichen "bösen" 7V abfallen. ES WERDEN DIE INTERNEN CLAMPDIODEN DES PIC CONTROLLERS GESCHÜTZT. DER MAXIMALE EINGANGSWIDERSTANDES MEINES ADC'S IST 10K. Dieser muss natürlich angepasst werden, falls ein anderer verwendet wird. Dadurch ist dein System geschützt.
GLaub ich genauso wenig das die obrige Schaltung das durchmacht bei Level 4. Beweise???
Was jetzt? Verwende auch einen PIC, also müsste die Schaltung auch bei mir taugen. Welche FACHLICHEN Einwände gibt es denn gegen die einfache Schaltung ohne OP?
Gibt es keinen ernsthaften Entwickler hier, welcher die Sachlage klähren kann? Das sind genau die Beiträge im Forum, welche keinem weiterbringen, und von denen es schon hundert gibt.
Segezahn schrieb: > Gibt es keinen ernsthaften Entwickler hier, welcher die Sachlage klähren > kann? Kann man so machen. Die TVS hält das schon aus (ein SMD-Varistor oder ein richtig dimensionierter Kondensator wäre noch billiger). In der Praxis würde man noch R7 einsparen und den Widerstand auf R5+R6 einrechnen. In der Praxis liegen die Probleme wo anders. Die Störströme müssen ja irgendwo hin fließen wo sie keinen Schaden anrichten können. -> es hängt sehr viel vom geometrischen Aufbau und von der Masseverdrahtung ab. Rettung? schrieb: > Welche FACHLICHEN Einwände gibt es denn gegen die einfache Schaltung > ohne OP? Keine. Es sei denn man hätte einen sehr hochohmigen Sensor am Eingang. Gruß Anja
Bitte melde dich an um einen Beitrag zu schreiben. Anmeldung ist kostenlos und dauert nur eine Minute.
Bestehender Account
Schon ein Account bei Google/GoogleMail? Keine Anmeldung erforderlich!
Mit Google-Account einloggen
Mit Google-Account einloggen
Noch kein Account? Hier anmelden.

