Hallo zusammen, zunächst mal hoffe ich, dass ich als Neuling hier überhaupt richtig bin - entschuldigt bitte, falls nicht. Ich habe vermutlich ein sehr spezielles, untypisches und laienhaftes Problem und hoffe, dass mir vielleicht jemand weiterhelfen kann. Ich habe ein kleines, portables Heizelement, welches mit einem 1,2V NIMH Akku betrieben wird (2200 mAh). Der Akku wird dabei immer nur für einige Sekunden (10-15 Sekunden) an das Heizelement angeschlossen (also sozusagen fast kurzgeschlossen), so dass dieses sich kurz maximal aufheizt...ohne weitere Steuerung, lediglich Akku und Heizelement (welches eigentlich nur aus zwei dicke Drähten mit einem dünnen Metallnetz in der Mitte besteht). Das soll auch so sein bzw. ist in meinem Fall zweckmäßig und funktioniert gut. Dabei fließt ein Strom von 15A, bei einer Leistung von etwas mehr als 11 Watt, so dass am Heizelement (Metallnetz) eine Spannung von 0,75 Volt abfällt (allesamt Herstellerangaben). Der Akku hält so etwas länger als 6 Minuten durch. Diese Anordnung soll unbedingt so beibehaten und nicht verändert werden (auch wenn sie schaltungstechnisch vielleicht nicht sinnvoll ist, ich weiß). Nun möchte ich die Spannung bzw. die Hitze des Heizelementes auf einfachste Weise mit einem Poti regeln können, so dass das Heizelement sich viel weniger aufheizt und der Akku zudem länger durchhält. Der Regler sollte die spannung also idealer Weise zwischen 0 - 1,2 Volt regeln. Wie mache ich das am besten? Bei meiner Recherche habe ich u.a. diesen IC-Baustein gefunden: http://www.mercateo.com/p/live~showGrossColumn*108A-601%282d%297464/IC_LM2745MTC_Herst_Teile_Nr_LM2745MTC_NOPB.html Eingangsspannung: 1-17 Volt (in meinem Fall der Akku) Ausgangsspannung: 0,6-13,5 Volt Ausgangssstrom max.: 20A (Datenblatt) Aber da mache ich doch einen Denkfehler...ich meine, der hält doch nie im Leben 15A aus...zumindest nicht so, wie ich ihn betreiben will. Da bräuchte ich doch Hochlast-Potis usw. ... oder? Gibt es nicht eine einfache Alternative in Form einer kleinen, diskreten Schaltung mit Poti usw.? Ich habe zwar ein klein wenig Erfahrung in Sachen E-Technik und auch immer wieder mal kleinere Basteleien realisieren können, bin aber weit davon entfernt, mich wirklich gut auszukennen wie ihr merkt. Ich hoffe, das ist nicht zu laienhaft erklärt und es kann mir jemand helfen. Liebe Grüße, Andi
Wie viel kostet denn so ein Heizelement? Vielleicht wäre es die einfachste (und günstigste) Variante, zwei in Serie zu schalten. Du könntest auch einen Schalter machen, um zwischen zwei in Serie und einem allein umzuschalten. Wenn das zweite eine andere Leistung hat als das erste, hast du sogar drei Stufen. So wurde früher die Heizung bei Herdplatten geregelt.
Linearregler wäre sinnlos (Differenz wird verheizt), Schaltregler könnte klappen. Ich würde ja einfach ne gaaanz langsame PWM nehmen. Einen MOSFET finden der ein paar Ampere aushält ist kein großes Problem.
Wenn es mit einer einzelnen Zelle umgesetzt werden soll, funktioniert das aber auch nicht. Die Spannung wird unter 1V zusammengerissen, dann läuft der Regler nicht mehr (und einen FET kann man damit auch nicht steuern). Edit: Man bräuchte eine zweite Spannung oder zumindest einen Aufwärtswandler.
Hast du überhaupt mal die Spannung gemessen? NiMH-Akkus sind nicht gerade für einen geringen Innenwiderstand bekannt. NiCd wäre besser.
Wow! Ihr seid ja schnell...vielen Dank für eure Antworten :-)! Zwei in Serie zu schalten, wäre natürlich eine echt gute und simple Lösung. Das wäre in meinem Fall aber nicht mehr zweckmäßig, fällt daher also leider flach. Die Lösung mit dem MOSFET habe ich leider nicht wirklich verstanden - sorry. Wie müsste ich den denn verschalten? Wäre das denn schon die Lösung? Die Lösung mit dem Aufwärtsregler habe ich leider auch nicht wirklich verstanden :-/. Ich weiß zwar, was das ist, aber nicht wirklich, wie ich diesen dann einsetzen soll. Und das mit der zweiten Spannungsquelle ist dann so gemeint, dass diese die Spannung bzw. die Leistung des 1,2V-Akkus steuert? Danke nochmal :-), Andi
Heizelement schrieb: > Die Lösung mit dem MOSFET habe ich leider nicht wirklich verstanden - > sorry. Wie müsste ich den denn verschalten? Man könnte (für PWM) einen MOSFET an einen 555 hängen. Dazu braucht es aber eine zweite Spannung, so 5-12V. Hast du sowas oder hast du nur die 1,2V?
Es wäre auch eine zusätzliche 9V-Batterie denkbar, aber wirklich nur extrem ungern. Eigentlich soll es bei dem bereits beschriebenen Aufbau bleiben. Geht es auch irgendwie ohne zusätzliche Spannungsquelle? Das mit dem PWM-Steller hatte ich auch schon recherchiert. Aber würde es denn ein PWM-Steller schaffen, die Spannung auf meinen gewünschten Ausgangsspannungsbereich von 0-1,2V herunterzuregeln? Ich dachte, das geht nicht. Sehe ich das eigentlich richtig, dass ich mit dem IC total falsch lag, wegen die viel zu hohen zu bewältigenden Leistung? Vielen Dank, Andi
Der IC brauch auch noch eine Aussenbeschaltung, L, C, usw. Hast du dir mal das Datenblatt angeschaut? Wenn du das Heizelement 1s anschaltest und 1s aus, hast du in der Summe die halbe Leistung. Das ist was der Beiträger oben mit langsamer PWM meint. Ein Schaltregler wäre hier wirklich fehl am Platz. Bleibt das Problem mit der Steuerspannung, hier käm eigentlich nur ein step-up in Frage. Die PWM musst du nicht mit nem ollen 555 machen, kannst auch nen Arduino nehmen ;-)
Du kannst es nachschauen im Datenblatt: http://www.ti.com/lit/ds/symlink/lm2745.pdf Das IC braucht externe Teile sowie eine Versorgungsspannung von 3 bis 6V. Ich würde eine Versorgungsspannung von 5V empfehlen, damit du auch die Power-FET gut durchsteuern kannst.
Ich hoffe, Du bist dir im Klaren, dass die Grundkonstruktion für'n A**** ist. 15A aus einem 2200 mAh Akku, bedeutet, dass ein beträchtlicher Teil der Verluste direkt im Akku, den Kontakten und den Zuleitungen verbraten wird. Mess mal direkt an der Heizung was da überhaupt noch ankommt. Die Diskussion über eine eventuelle Schaltung müsste dann über diese Spannung erfolgen, denn eins ist mal sicher: Egal was Du für Maßnahmen ergreifst, ohne zusätzliche Verluste geht’s nicht.
Puh, jetzt wird's schwierig für mich, noch zu folgen :-/. Aber das mit dem Step-Up habe ich glaube ich verstanden. Demnach benötige ich also einen Aufwärtsregler und dann einen PWM-Steller dahinter? Ist das so korrekt? Wie hoch müsste denn der Aufwärtsregler die Spannung regeln? Und würden Aufwärtsregler & PWM-Steller denn überhaupt mit den 15A bzw. der großen Leistung zurecht kommen? Das Datenblatt habe ich mir angesehen. Dann wäre wohl eher von der IC-Variante abzusehen schätze ich. Entschuldigt bitte meine Laienhaftigkeit :-/ ... muss sich ja schlimm anhören für euch, was ich hier so zusammenstammel. Aber im Moment hört es sich ja ganz danach an, als würde es doch mit dem 1,2V Akku funktionieren, oder? Besten Dank, Andi
Der step-up macht nur die Steuerspannung von 5V für den FET und die dazugehörige PWM-Quelle. Da reichen ein paar mA. Wenn die Batterie mit beim Heizelement platziert wird, sind die Verluste in der selben ja nützlich.
Ja, ich bin mir so halbwegs im klaren darüber, dass das aus Leistungsgesichtspunkten eine extrem unsinnige Schaltung ist. Ich sagte ja schon, dass ich in diesem Bereich leider nur sehr wenig Ahnung habe :-/. Nur würde ich sie eben trotzdem gerne so realisieren, wenn das irgendwie geht...zumindest hoffe ich das.
Vielleicht wäre ein Bimetallschalter oder eine thermische Sicherung eine gute Alternative: Wenn eine bestimmte Temperatur erreicht ist, schaltet es sich aus, wenn es etwas abgekühlt ist, schaltet es wieder ein.
Heizelement schrieb: > Aber im Moment hört > es sich ja ganz danach an, als würde es doch mit dem 1,2V Akku > funktionieren, oder? Nur daß dein 1,2V Akku unter 15A Last noch 0,8V bringt oder sogar noch weniger. Damit einen Aufwärtswandler zu speisen wird schon recht sportlich, und da du der Diskussion schon fast nicht mehr folgen kannst im Selbstbau für dich unmöglich. Dein Ursprungskonzept ist sehr fragwürdig. Du verbrätst schon etwa 50% der Energie im Innenwiderstand des Akkus Wenn du irgendwas regeln willst sorge für 5V für eine PWM im 10tel Sekunden bis Sekundenbereich und schalte damit dein Heizelement mit MOSFETs mit sehr niedrigen Rds. Alles andere wird wohl nichts
also auf jeden Fall nochmal vielen Dank für die Hilfe bis jetzt :-)! Ich hätte ja nie vermutet, dass ihr euch da so reinhängt...wirklich super! Nun...Udo meint, unbedingt externe Spannungsquelle, Aeroschmied schreibt dagegen, Step-Up mit 1,2V Akku möglich. Ich verstehe schon, dass ein 9V-Block als externe Spannungsquelle die bessere Lösung wäre und auch, dass mein Ursprungskonzept mehr als fragwürdig ist. Auch muss es für mich natürlich noch einfach genug sein (also sehr einfach :-/), das ganze dann zu bauen. Also, einfach einen Step-Up-Regler vor einen PWM-Steller schalten und das ganze dann über einen 1,2V Akku laufen zu lassen ist zu simpel gedacht? Andi
>>Der Akku wird dabei immer nur für einige >>Sekunden (10-15 Sekunden) an das Heizelement angeschlossen >Vielleicht wäre ein Bimetallschalter oder eine thermische Sicherung eine Soweit ich weiß sind die beide nicht für `nen Quicky zu haben. Und wenn doch dürfte es teuer werden. Wie im richtigen Leben:-)
Ich habe es so verstanden, dass das mit den 10-15 Sekunden deswegen ist, weil das Ding sonst zu heiss wird, insgesamt wird es 6 Minuten betrieben. Aber vielleicht lag ich auch falsch.
In der aktuellen Ausgabe(*) des Embedded Projects Journal wurde so ein Teil ja zerlegt. Nachbau dürfte aber wegen der fehlenden Bezugsquelle für den Chip schwierig sein. (*) http://journal.embedded-projects.net/index.php?module=archiv&action=pdf&id=15
Also, wie ist es denn, wenn ich einen 9V Akku hinzuziehen würde. Wird dann das Heizelement wie ursprünglich gewünscht von meinem 1,2V Akku versorgt und mein PWM-Regler von dem 9V Block? Alles, was ich bislang an PWM-Stellern gefunden habe, ist aber nicht in der Lage, so große Ströme wie sie bei mir der Fall sind zu verarbeiten...oder mache ich da jetzt schon wieder einen Denkfehler :-(? Vielleicht könnt ihr mir das nochmal ganz einfach erklären...sonst steig ich da einfach nicht durch. Beste Grüße, Andi
Heizelement schrieb: > Also, wie ist es denn, wenn ich einen 9V Akku hinzuziehen würde. Wird > dann das Heizelement wie ursprünglich gewünscht von meinem 1,2V Akku > versorgt und mein PWM-Regler von dem 9V Block? Ja. > Alles, was ich bislang an > PWM-Stellern gefunden habe, ist aber nicht in der Lage, so große Ströme > wie sie bei mir der Fall sind zu verarbeiten... Also nen ordentlicher MOSFET schafft locker 50A. Reicht das?
Klar :-). Vielen Dank für die Info! Die spannung würde ich dann gerne mit einem Poti regulieren. Gibt es so etwas vielleicht schon als fertig bestückte Platine?
Heizelement schrieb: > Klar :-). Vielen Dank für die Info! > > Die spannung würde ich dann gerne mit einem Poti regulieren. Moment! Bei einer PWM regelst du den Mittelwert der Spannung (und somit die Heizleistung) am Heizelement, die *Momentan*spannung am Heizelement beträgt 0 der 1,2V. > Gibt es so > etwas vielleicht schon als fertig bestückte Platine? http://www.atx-netzteil.de/pwm_mit_ne555.htm und an den Ausgang nen passenden MOSFET mit wenig RdsOn (mir fällt gerade keine Bezeichnung ein, das muss ein anderer übernehmen). Das ganze old-school auf nen Stück Lochraster braten und dem MOSFET eventuell noch nen kleinen Kühlkörper spendieren.
Entschuldige, das war unpräzise von mir. Ich möchte natürlich die Heizleistung regulieren, wie Du richtig geschrieben hast. Würden denn beide Schaltungen bzw. Links von Dir mit einem 9V Akku als Speisespannung funktionieren? Bei dem ersten Link steht 10 - 18 Volt am Eingang, daher meine Frage. Besten Dank schon mal für die Hilfe :-)!
Wer oder was schaltet denn jetzt nach 15 Sekunden wieder aus? Du selbst?
@ nicht "Gast": vergiss meinen vorgien Post. Ich dachte irgendwie, Du hättest mir zwei Links geschickt, mein Fehler :-) @ Otto Meier: ja, so ist es. Nach 10-15 Sekunden wird manuell ausgeschaltet.
Ach ja, wo wird in dieser Schaltung eigentlich der 1,2V Akku platziert und wo das Heizelement? Tut mir leid, aber ich bin da wirklich ein Laie :-(.
Also: Du brauchst eine Schaltung, die dir verschiedene Impulsdauern erzeugt (als zB 5 Sekunden heizen, 5 Sekunden nicht = 50% Leistung, oder 7 Sekunden heizen, 3 Sekunden nicht, = 70% Leistung). Dann brauchst du einen "Schalter" der von dieser Schaltung angesteuert wird und während der Heizphase den Akku mit dem Heizelement verbindet. Das ist eben dieser FET (z.B. IRFB3206 http://www.irf.com/product-info/datasheets/data/irfb3006pbf.pdf). Da die Impulsdauer mehrere Sekunden beträgt (betragen darf), könnte man doch auch einfach einen FlipFlop bauen, da braucht es nicht mal einen Timer.
1 | +-----+ |
2 | | | |
3 | | _ Heizelement |
4 | | | | |
5 | | |_| |
6 | | | .-----. |
7 | --- | | | |
8 | - | | +---+ |
9 | | Mos+-| | PWM | | |
10 | | FET |<-+ | | 9V |
11 | | +-| | | --- |
12 | | | '-----' - |
13 | | | | | |
14 | +-----+-------+------+ |
15 | created with AACircuit |
Vielen Dank Alexander & Ernst! :-) @ Ernst: ich meinte das so, dass ich bis jetzt immer den Akku manuell ab- und angeschaltet habe, wie Du es vorhin auch richtig beschrieben hast. Das Ziel sollte aber sein, das Heizelement über ein Poti stufenlos zu regeln...im Idealfall von 0-max. So wie Du das jetzt beschreibst, wäre das so aber nicht möglich, oder? Ich hoffe, ich habe das jetzt nicht falsch verstanden. @ Alexander: also schalte ich den 1,2V Akku in Reihe mit dem Heizelemt zwischen Masse und MOSFET? Auf dem "Schaltplan-Link" von "nicht Gast" wäre das dann also bei Schaltung 2 zwischen "Out" und "Minus"...richtig? Ich denke, der Schaltplan von "nicht Gast" trifft es doch in meinem Fall...oder? Besten Dank für eure Hilfe :-)!
Ja, du kannst die Schaltung von Nicht Gast verwenden. Die LEDs samt vorwiderstände lässt du natürlich weg, dafür kommt an Pin 3 der Gate des FET. Ich würde aber noch einen Widerstand von 47 Ohm zwischen Pin 3 und Gate legen, um den 555 zu schützen (wenn ein Transistor eingeschaltet wird, ist das im ersten Moment wie ein Kurzschluss). Ich würde die Schaltfrequenz eher tief wählen. Wie gesagt, ich denke, Sekundenbereich genügt, du kannst aber auch ca. 100Hz nehmen, eine höhere Frequenz bringt aber nichts, das Heizelement wird ja nicht in 10ms heiss und wieder kalt. Eine höhere Frequenz steigert nur die Verlustleistung am FET, mit einer niedrigen Frequenz dürftest du ohne Kühlkörper auskommen.
Vielen Dank :-)! Aber wieso lasse ich denn die LEDs und Vorwiderstände weg? Ich habe eben auch noch diesen Schaltplan empfohlen bekommen: http://www.atx-netzteil.de/pwm_lueftersteuerung_m_4093_u_buz11.htm Was meinst Du denn dazu?
Heizelement schrieb: > Ich habe ein kleines, portables Heizelement, welches mit einem 1,2V NIMH > Akku betrieben wird (2200 mAh). > Nun möchte ich die Spannung bzw. die Hitze des Heizelementes auf > einfachste Weise mit einem Poti regeln können, > Gibt es nicht eine einfache Alternative in Form einer kleinen, diskreten > Schaltung mit Poti usw.? Grundsätzlich ist für die Steuerung (nicht Regelung) eines Heizelements, wie schon gesagt, eine einfache PWM mit FET gut geeignet. Passende Schaltungen findest Du u.a. hier: http://www.dse-faq.elektronik-kompendium.de/dse-faq.htm#F.25 Allerdings musst Du zur Steuerung des FETs eine Spannungsquelle mit 5...10V haben. Diese Spannung kann man aber auch aus einer einzelnen Zelle holen. Passende Schaltungen gibt es hier: http://www.mikrocontroller.net/articles/Versorgung_aus_einer_Zelle#Step-Up-Schaltregler Zum Betrieb Deines Heizelements wäre übrigens eine sog. Sub D-Zelle aus dem Modellbaubereich besser geeignet als eine von Dir vermutlich verwendete Mignon-Zelle. Gruss Harald
Harald Wilhelms schrieb: > iese Spannung kann man aber auch aus einer > einzelnen Zelle holen. Sein Problem ist es, daß er 10 - 15 A aus einer 2200mAh NiMh ziehen will, er braucht also einen Step Up Regler, der einen Startup von max. 1V hat (2/3 leere Zelle) und dann im Betrieb mit 0,5 - 0,8V (wegen Innenwiderstand der Zelle) noch weiter funktioniert. Die Dinger gibt es (siehe dein Link), aber da der TO so gut wie keine Kenntnisse hat wird das hartes Brot.
Udo Schmitt schrieb: > Die Dinger gibt es (siehe dein Link), aber da der TO so gut wie keine > Kenntnisse hat wird das hartes Brot. Das stimmt. Aber eine Standardlösung wird es für sein Problem nicht geben. grundsätzlich etwas einfacher wäre m.E. eine Spannungsquelle mit mind. 6V, also mehrere Zellen. Dann könnte man eine PWM direkt treiben. Man muss dann nur die Impulsbreite so begrenzen, das nicht mehr als ca. 1V effektiv rauskommen. Die Schaltung dafür wäre dann wesentlich einfacher. Gruss Harald
Harald Wilhelms schrieb: > grundsätzlich etwas einfacher wäre m.E. eine Spannungsquelle > mit mind. 6V, also mehrere Zellen. Dann könnte man eine PWM direkt > treiben. Man muss dann nur die Impulsbreite so begrenzen, das nicht > mehr als ca. 1V effektiv rauskommen. Die Schaltung dafür wäre dann > wesentlich einfacher. ... und wesentlich ineffizienter, denn bei mehreren Zellen in Serie addiert sich der Innenwiderstand.
Nochmals Danke für all eure Ideen! Also, ihr habt mich überzeugt, ich mach's mit einem zusätzlichen 9V Akku. Alles andere ist für mich vermutlich auch viel zu kompliziert. Wenn ich euch also richtig verstanden habe, wäre doch so etwas hier sozusagen schon das "fertige" Produkt, so wie es dann nach dem Zusammenbau aussehen sollte...richtig? http://www.ebay.de/itm/DC-9V-28V-30A-12V-24V-Max-800W-Motor-Speed-Control-PWM-HHO-RC-Controller-/170916129430?pt=LH_DefaultDomain_0&hash=item27cb652a96 http://www.ebay.de/itm/DC-9v-24V-20A-PWM-Pulse-Width-Modulation-Motor-Speed-Controller-Switch-Dimmer-/230838911432?pt=LH_DefaultDomain_0&hash=item35bf1241c8
Heizelement schrieb: > Also, ihr habt mich überzeugt, ich mach's mit einem zusätzlichen 9V > Akku. Und allgemein die Betriebsspannung auf ca. 6V hochsetzen wäre keine Option für Dich? > Wenn ich euch also richtig verstanden habe, wäre doch so etwas hier > sozusagen schon das "fertige" Produkt, so wie es dann nach dem > Zusammenbau aussehen sollte...richtig? > ...2 ebay-Links ... Im Prinzip schon, aber nicht für Deine niedrige Betriebsspannung. Wenn Du die in den technischen Daten erwähnte Betriebsspannung zur Verfügung stellen würdest, müsstest Du noch sicherstellen, das keine zu hohe Spannung an Deinem Lastwiderstand anliegt. Gruss Harald
...ich dachte, ich hänge einfach meinen 9V Akku zur Spannungsversorgung an den Eingang und dann meinen 1,2V Akku samt Heizelement in Reihe an den Ausgang?
Heizelement schrieb: > ...ich dachte, ich hänge einfach meinen 9V Akku zur Spannungsversorgung > an den Eingang und dann meinen 1,2V Akku samt Heizelement in Reihe an > den Ausgang? Ich denke, Du solltest Dir vor Ort jemanden suchen, der sich etwas besser als Du mit der Elektrotechnik auskennt... russ Harald
Tut mir leid, wenn ich Dich da enttäuscht habe Harald :-(. Ich hab da wirklich keine Ahnung und hätte mir auch schon längst jemanden gesucht, der sich damit besser auskennt als ich...aber ich studiere derzeit im Ausland (wird wohl auch noch etwas länger dauern) und hier gibt es wirklich niemanden (nicht mal ein winziges Geschäft oder so), den ich da fragen könnte. Daher schreibe ich ja auch überhaupt ins Forum. Grüße, Andi
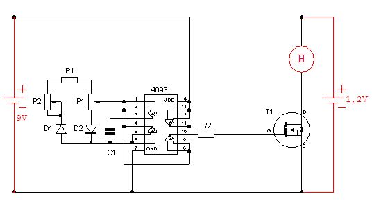
Mach es so, wie im bereits erwähnten http://www.atx-netzteil.de/pwm_lueftersteuerung_m_4093_u_buz11.htm C2+C3+D3+R3 läßt Du weg, R2 wird einfach gebrückt, C1 kann man sicherlich um Faktor 10 größer wählen (1µ oder mehr), und R1+P1+P2 auch um Faktor 10 vergrößern. Damit sollte man beim Takt in den Sekundenbereich kommen, und Schaltverluste im Mosfet reduzieren. M (Motor) wäre Deine Heizung, allerdings nicht gegen +12v (bzw. +9V Deiner Blockbatterie) geschaltet, sondern gegen +1,2V deiner Mignon. -Pol der Mignon natürlich an Minus der 9V. Mosfet sollte einer mit vielen "Ampers" bzw. niedrigem Rdson sein. Ein möglicher Typ wurde ja schon weiter oben genannt.
Danke Jens :-). Das habe ich soweit verstanden. Aber was regel ich dann eigentlch über den Poti? Es sollte ja so sein, dass das Heizelement bei "zugedrehter" Potistellung gleichbleibend wenig heizt und bei "aufgedrehter" Potistellung gleichbleibend viel heizt, also eigentlich direkt vergleichbar mit einer Glühbirne, die ja dann auch heller & heißer wird. Ich frage nur, weil die ganze Zeit von einer Regelung im Sekundentakt die Rede ist. Würde bei so einer Regelung die Hitze des Heizelements, welches dann ja sozusagen kontinuierlich "glühen" soll, überhaupt durch eine bestimmte Potistellung sozusagen "fest eingestellt" werden können? Ich hoffe, ich hab jetzt nicht schon wieder alles durcheinander geworfen :-/. Besten Dank & Grüße, Andi
Ich würde Dir vorschlagen, daß Du Dir erstmal den Unterschied zw. Regelung und Steuerung klar machst. Das was ích Dir erzählt habe, ist eine reine Steurung, keine Regelung (die wolltest Du ja nicht, wenn ich alles richtig verstanden habe). Aber falls das Verständnisproblem woanders liegt: das Poti bestimmt nur das Puls/Pausenverhältnis, und damit effektiv die "On"-Phase gegenüber der "Off"-Phase. Und das so schnell, daß die Heizung das nicht mitbekommt (also den Mittelwert bildet). Da eine Heizung idR. relativ träge ist, wird diese acuh bei einem Sekundentakt kaum in der Teperatur schwanken (müsste allerdings trotzdem genauer geprüft werden, wie träge Deine Heizung ist, um zu sehen, ob 1-Sekundentakt nicht vielleicht doch zu langsam ist)
Ich meinte natürlich steuern (manuell, via Poti), entschuldige. Ich bin es nicht gewohnt, die Begrifflichkeiten in diesem Fall so präzise zu trennen. Ich habe mal den Schaltplan nach Deinen Angaben ergänzt (rot). Meintest Du das so?
Heizelement schrieb: > Würde bei so einer Regelung die Hitze des Heizelements, > welches dann ja sozusagen kontinuierlich "glühen" soll, überhaupt durch > eine bestimmte Potistellung sozusagen "fest eingestellt" werden können? Ein Backofen schaltet nur alle Minute oder so die Heizwendel ein und aus und hält die Temperatur recht gut. Allerdings misst der auch noch die Temperatur und passt die Ein-/Aus-Zeit entsprechend an (Regelung). Du kannst auch 10 oder 100 mal pro Sekunde Ein-/Ausschalten. Nur keine 10.000 mal wie bei anderen PWM-Anwendungen (die Verluste wären sinnlos hoch). Heizelement schrieb: > Nun möchte ich die Spannung bzw. die Hitze des Heizelementes auf > einfachste Weise mit einem Poti regeln können Das ist dann steuern und nicht regeln. Du gibst die Leistung vor und wenn (Modell Warmhaltebox) die Außentemperatur um 10°C steigt wirds drinnen auch um 10°C wärmer. Steuerung ist einfacher zu Bauen, braucht aber mehr Wissen und Umwelteinflüsse gehen stark ein. Ein Auto fährt mit gleichem Gang und konstantem Gas (Steuerung) mit sehr unterschiedlichen Geschwindigkeiten den Berg rauf und runter. Erst mit Regelung (Tempomat) bleibt die Geschwindigkeit gleich. Stephan
Jep, danke Stephan :-). Ich meinte natürlich steuern. Ich möchte mit dem Poti schlicht eine Temperatur am Heizelement einstellen können, welche ich je nach Bedarf mit dem Poti verändern kann. Wenn diese bei Veränderung der Außentemperatur schwankt, ist das überhaupt kein Problem für mich. Also keine Regelung.
Heizelement schrieb: > Ich meinte natürlich steuern. Ich möchte mit dem > Poti schlicht eine Temperatur am Heizelement einstellen können, welche > ich je nach Bedarf mit dem Poti verändern kann. Das wäre Regelung (Temperatur einstellen) Heizelement schrieb: > Wenn diese bei > Veränderung der Außentemperatur schwankt, ist das überhaupt kein Problem > für mich. Also keine Regelung. Und doch wieder nicht. Genauer formulieren (spart Rückfragen) ...
Komisch das es jetzt erst kommt, aber was soll denn das eigentlich werden?
Puh :-/, @ Stephan: Ich möchte mit dem Poti die Temperatur des Heizelementes einstellen können. Lasse ich das Poti in Ruhe, bleibt eine bestimmte Temperatur des Heizelementes bestehen...drehe ich es etwas auf, steigt die Temperatur etwas höher. Drehe ich es etwas mehr auf, steigt die Temperatur noch etwas höher usw. Also von der Bedienung des Potis her wie bei dem Dimmer einer Glühbirne, die dann heller (in meinem Fall heißer) und dunkler (in meinem Fall kälter) wird. Was wäre denn der korrekte Begriff dafür? Und passt die Schaltung jetzt doch nicht dafür? :-( @ Neugieriger: einfach ein kleines Heizelement, nichts weiter. Grüße, Andi
Man kann Leistung auch in einen Transistor verheizen, das Heizelement ist dann überflüssig. So nen alter 2N3055 kann bis zu 110 Watt verheizen.
Heizelement schrieb: > Ich möchte mit dem Poti die Temperatur des Heizelementes > einstellen können. Lasse ich das Poti in Ruhe, bleibt eine bestimmte > Temperatur des Heizelementes bestehen... Das ist wieder regeln. Heizelement schrieb: > Also von der Bedienung des Potis her > wie bei dem Dimmer einer Glühbirne, die dann heller und dunkler Das ist steuern. ;) Regeln wäre wenn die Helligkeit im Raum bei Tag und Nacht gleich bliebe. Heizelement schrieb: > Und passt die Schaltung jetzt doch nicht dafür? So grob schon (steuern). Da sind andere aber besser... Stephan
Neugieriger schrieb: > Komisch das es jetzt erst kommt, aber was soll denn das eigentlich > werden? Na ein Dampfgerät! So etwas wie das hier: http://www.dampfdings.com/Elektrische-Zigaretten-und-Zubehoer-bestellen/ MfG Elux
Stephan schrieb: > Ein Auto fährt mit gleichem Gang und > konstantem Gas (Steuerung) mit sehr unterschiedlichen Geschwindigkeiten > den Berg rauf und runter. Naja, gerade beim Auto bleibt die Geschwindigkeit bei unterschied- lichen Umwelteinflüssen meist konstant, da der Mensch das ganze zu einem Regelkreis ergänzt, ohne das er das überhaupt merkt. Solche Fälle gibts im Leben häufiger und deshalb gibts wohl auch diese Ver- wechslungen von Steuern und Regeln. Ein Techniker sollte sich da aber doch besser an die korrekten Formulierungen halten. Gruss Harald
Heizelement schrieb: > Ich habe mal den Schaltplan nach Deinen Angaben ergänzt (rot). Der Schaltplan PWM_1.GIF passt so, wie von dir gepostet. Als Mosfet geht jeder mit 25 A oder mehr. Am besten im TO-220 Geähuse und unter 20 Milliohm Widerstand. Um einen Kühlkörper wirst du trotzdem nicht herumkommen. Wie kommst du an die Bauteile? @all: Auf den Begrifflichkeiten herumzureiten halte ich hier nicht so sinnvoll.
Alexander Schmidt schrieb: > Auf den Begrifflichkeiten herumzureiten Ist essentiell wichtig. Nur so redet man auf beiden Seiten vom gleichen und versteht einander.
@ Alexander: Okay, danke :-). Die Bauteile werde ich dann denke ich bei Conrad bestellen (bin im deutschsprachigen Ausland). Als MOSFET würde ich den von Ernst vorgeschlagenen IRFB3006PbF nehmen. Wie groß sollte denn der Kühlkörper sein? Habe gestern außerdem noch den Tip bekommen, einen 100k-Widerstand zwischen Gate und Source zu schalten, damit der MOSFET nicht versehentlich einschaltet. Grüße, Andi
Nochmal zum Verständnis: Mit dem Poti die Heizleistung zu steuern (nicht regeln) bedeutet NICHT, daß damit automatisch die Temperatur um denselben Betrag/Faktor hoch/runtergeht. Denn eine Heizung im Sommer bei 30°C wird im Zimmerchen vielleicht 50°C hinbekommen, im Winter bei -20°C vielleicht 0°C höher im Idealfall (also 20K Differenz Ausen/Innentemperatur). Wenn Du also mit 10kW (angenommen) die Bude heizt, dann hat man im Winter 0°C, im Sommer eben die 50°C. Willst Du das regeln, dann käme man auf wesentlich bessere Eigenschaften, denn man platziert dann irgendwelche Temperatursensoren an der Stelle, wo man eine konstante Temp. haben will. Deren Wert (Istgröße) wird verglichen mit der Sollgröße, und der Regler regelt entsprechend nach, egal, welche Umgebungseinflüsse die Temp. verfälschen wollen (ganze einfach das Prinzip Operationsverstärker, der im "normalen Modus" einfach die Ausgangsspannung entsprechend der Eingangsspannung nachregelt).
Was soll die ganze Sache, gehts hier wirklich um einen Elektroglimmstengel? Weil da wäre der FET im TO220 Package schon etwas overkill. Und überhaupt, mach mal lieber die Möhrchen..
Heizelement schrieb: > Als MOSFET würde ich den von Ernst vorgeschlagenen IRFB3006PbF nehmen. Der passt und ist mit 2,5 mΩ recht gut. > Wie groß sollte denn der Kühlkörper sein? Das kommt auf den Strom an, der fließt. Die Verlustleistung errechnet sich mit: P = I² * Rds(on) bei 15A: P = I² * Rds(on) = (15A)² * 2,5 mΩ = 0,56 Watt Bei unter 1 Watt brauchst du noch keinen Kühlkörper, darüber schon. > einen 100k-Widerstand zwischen Gate und Source zu schalten, damit > der MOSFET nicht versehentlich einschaltet. Kann man machen. Hilft z.B. wenn die 1,5V-Batterie angeschlossen ist und die 9V-Batterie nicht. Dann könnte der Mosfet gegen versehentliches einschalten.
Bitte melde dich an um einen Beitrag zu schreiben. Anmeldung ist kostenlos und dauert nur eine Minute.
Bestehender Account
Schon ein Account bei Google/GoogleMail? Keine Anmeldung erforderlich!
Mit Google-Account einloggen
Mit Google-Account einloggen
Noch kein Account? Hier anmelden.
