Moin Ich habe hier noch zwei Taster von Schurter Typ 2858 liegen. Diese haben zwei Leds eingebaut, welche antiparallel verschaltet sind und entsprechend der Stromflußrichtung rot oder grün leuchten. Wie beschalte ich die beiden Anschlüsse nun möglichst einfach um beide Farben nutzen zu können? Die Anoden kann man ja per Dioden entkoppeln aber wie realisieren ich dann die Verbindung der Kathoden mit dem -Pol? Thomas
Falls Du die LEDs an einen µC hängst, einfach zwei Port-Pins + Serienwiderstand spendieren. Pin1 High, Pin2 Low --> rot Pin1 Low, Pin2 High --> grün Pin1 Low, Pin2 Low --> aus Pin1 High , Pin2 High --> aus Falls kein µC, musst Du dir halt eine entsprechende Logik überlegen oder eine Vollbrücke basteln oder falls Du mehrere Versorgungsspannungen hast, die LEDs einseitig auf eine "mittlere" Spannung und die andere Seite an eine höhere/GND für rot/grün oder oder oder...
Nachdem Oszi40 bereits mit einer Kanone sämtliche Spatzen beseitigt hat, wie währ's mal mit der einfachsten Information: Zwei-, Drei- oder Vierpolig. Kann ja sein, dass Du davon ausgehst, dass alle den Schalter inn- und auswendig kennen, ich jedenfalls nicht. Ich könnte Dir aber eine gute, wenig gebrauchte 20cm Haubitze empfehlen.
Martin H. schrieb: > Falls Du die LEDs an einen µC hängst, einfach zwei Port-Pins + > Serienwiderstand spendieren. > > Falls kein µC, musst Du dir halt eine entsprechende Logik überlegen oder > eine Vollbrücke basteln oder falls Du mehrere Versorgungsspannungen > hast, die LEDs einseitig auf eine "mittlere" Spannung und die andere > Seite an eine höhere/GND für rot/grün oder oder oder... An den Ansatz beim µC hatte ich schon gedacht aber zumindest in der ersten Anwendung hab ich keinen Controller. oszi40 schrieb: > Evtl. mal an eine H-Brücke gedacht?Beitrag "H-Brücke" Nein in diesem Zusammenhang noch nicht. Ich guck mir das mal an.
amateur schrieb: > Nachdem Oszi40 bereits mit einer Kanone sämtliche Spatzen beseitigt hat, > wie währ's mal mit der einfachsten Information: Zwei-, Drei- oder > Vierpolig. :-) Sorry anbei nun ein Bild. Es sind nur zwei Anschlüsse.
@Th B. Schau mal unter dem Stichwort: "Halbbrücke" nach, da gibt es fertige Doppeltransistoren oder FETs. Einen Fuß auf halbe Spannung, natürlich über einen angepassten Widerstand. Den anderen wechselweise "hoch" oder "runter" schalten.
Wenn man einen µC benutzt, dann mache man es so wie Oszi40 es schrieb, nämlich mit der Kanone. Denn der µC hat z.B. mindestens zwei Ports, die man als H-Brücke verwenden kann. Da braucht man keine extra Transis, sondern nur noch einen Rv.
>Farben nutzen zu können? Die Anoden kann man ja per Dioden entkoppeln >aber wie realisieren ich dann die Verbindung der Kathoden mit dem -Pol? Was willst Du da entkoppeln, wenn die LEDs schon antiparallel miteinander verbunden sind?
@Th B. Hier scheint nicht ganz klar zu sein: Willst Du mikroprozessieren oder "richtig" schalten?
Th B. schrieb: > aber zumindest in der ersten Anwendung hab ich keinen Controller. Und was hast Du dann? Welche Zustände willst Du anzeigen? Und wenn Du beide Farben gleichzeitig haben willst, musst Du die LEDs mit Wechselstrom betreiben, d.h. schnell nacheinander Rot und Grün einschalten. Gruß Dietrich
amateur schrieb: > @Th B. > > Hier scheint nicht ganz klar zu sein: > Willst Du mikroprozessieren oder "richtig" schalten? Jetzt soll erstmal richtig geschaltet werden. Ich möchte einen Akkuzustand signalisieren lassen, sprich wenn die Spannung i.O. ist soll die grüne Led leuchten. Erreicht die Spannung einen Grenzwert soll die rote leuchten. Vf ist unterschiedlich und da werd ich einen Kompromiss suchen. Thomas
Martin H. schrieb: > Pin1 High, Pin2 Low --> rot > Pin1 Low, Pin2 High --> grün Und schnell dazwischen umschalten: gelb Th B. schrieb: > sprich wenn die Spannung i.O. ist soll die grüne Led leuchten. > Erreicht die Spannung einen Grenzwert soll die rote leuchten. Also: ein Komparator, der diese Schwelle erkennt, und dahinter einen Inverter und dazwischen die LED. Welche Versorgungsspannung hast du zur Verfügung? > Vf ist unterschiedlich und da werd ich einen Kompromiss suchen. Zum Glück ist auch die Helligkeit bei gleichem Strom anders. Und mit ein wenig Glück ist die Helligkeit bei unterschiedlichem Strom wegen des gleichen Vorwiderstands wieder gleich.
Lothar Miller schrieb: > Martin H. schrieb: >> Pin1 High, Pin2 Low --> rot >> Pin1 Low, Pin2 High --> grün > Und schnell dazwischen umschalten: gelb :-) > > Th B. schrieb: >> sprich wenn die Spannung i.O. ist soll die grüne Led leuchten. >> Erreicht die Spannung einen Grenzwert soll die rote leuchten. > Also: ein Komparator, der diese Schwelle erkennt, und dahinter einen > Inverter und dazwischen die LED. > > Welche Versorgungsspannung hast du zur Verfügung? Ja es soll eine Koperatorschaltung mit Spg.referenz werden. Ich habe 14,4V zur Verfügung.
nimm doch dies Relais: http://www.pollin.de/shop/dt/NjQ1OTU2OTk-/Bauelemente_Bauteile/Mechanische_Bauelemente/Relais_Zugmagnete/SMD_Relais_NAIS_TQ2SA_5V.html mit 2 Wechslern. Damit kannst eine Umpolschaltung bauen. Dann noch einen Schalter davor, schon hast du An/Aus und Rot/Grün... TS
gib mal: "duo led umpol" bei google ein und nimm den dritten Link. KLICK. Beitrag "Umpolung" Oder klicke dann mal auf die Bildersuche bei google... TS
TS schrieb: > gib mal: > > "duo led umpol" bei google ein und nimm den dritten Link. KLICK. > > Beitrag "Umpolung" > > Oder klicke dann mal auf die Bildersuche bei google... > > TS Wie so oft im Googlewunderland muss man nur den richtigen Suchbegriff kennen und findet zig schicke Lösungen. Danke dafür - nun hab ich ja nur noch die Qual der Wahl... Thomas
amateur schrieb: > ... oder so. Oder ohne die Z-Diode so:
1 | 14V 14V |
2 | | | |
3 | T1 R1 |
4 | | .-|<-. | |
5 | o----o o-----o |
6 | | '->|-' | |
7 | T2 R2 |
8 | | | |
9 | --o---------------o--- GND |
Dann könnte man sogar den passenden Vorwiderstand pro Farbe verwenden... ;-)
Wenn Wechselspannung vorhanden, eine Seite an Null Volt, der anderen Seite einfach die unterschiedlichen Halbwellen über Dioden zuweisen.
Ich habe dafür mal einen billigrn RS485-Treiber missbraucht. An A-B kommt über einen Vorwiderstand z.B. 100 Ohm die LED. Mit DI kann man die Farbe wählen und über RE ein/aus. gk
gk schrieb: > Ich habe dafür mal einen billigrn RS485-Treiber missbraucht. Die Idee ist gut! Gruß Dietrich
> den passenden Vorwiderstand pro Farbe verwenden...
Die Schaltung ist zwar gut, aber DAS geht nicht.
R1 und R2 in Serie von + nach - ist aequivalent R1 parallel R2 an der
Leerlaufspannung des Spannungsteilers.
PS : Man koennte aber einen 3.Widerstand in Serie zu einem der Transistoren legen. J.
Martin H. schrieb: > Falls kein µC, musst Du dir halt eine entsprechende Logik überlegen ja, und die Logik heißt EXOR.
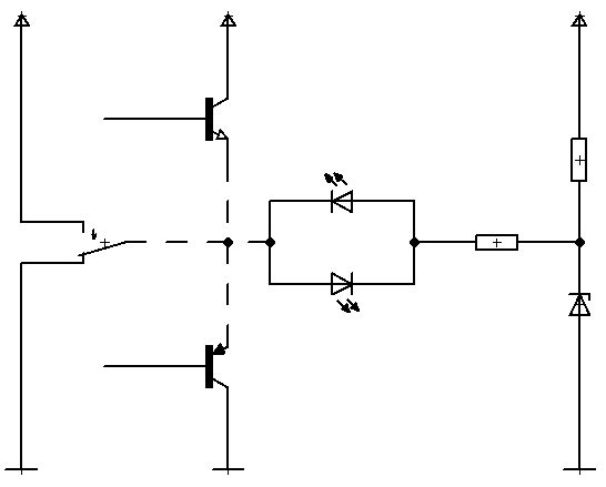
Um vollständig zu werden: siehe Anhang. V1 schaltet die Farben um, V2 liefert hier HIGH - könnte zum Ausschalten beider benutzt werden. R1 sei Vorwiderstand plus die beiden antiparallelen LEDs. Wenn du ein EXOR aus der alten CD4000er-Serie auftreibst, kannst du direkt die 14V als Versorgung nehmen. Um die unterschiedliche Helligkeit der beiden Farben würde ich mir dann auch keine Gedanken machen - bei 14V Versorgung!
Im Prinzip gute Idee. Kannste mit jedem Inverter machen, wenn V1 genuegend Strom liefert, egal ob Transistor, OP, 4001, 4011. Bei Transistor kannste sogar die Helligkeiten einstellen. J.
Bitte melde dich an um einen Beitrag zu schreiben. Anmeldung ist kostenlos und dauert nur eine Minute.
Bestehender Account
Schon ein Account bei Google/GoogleMail? Keine Anmeldung erforderlich!
Mit Google-Account einloggen
Mit Google-Account einloggen
Noch kein Account? Hier anmelden.


