Guten Abend, ich bin schon seit längerem begeisterter Leser dieses Forums. Ich habe mich nun selber mal an ein Mikrocontroller gewagt und stoße dabei schon am Anfang an meine Grenzen. Ich besitze ein MySmartUSB Mk2 Programmer und dazu ein Atmega1284p. Ich habe die Minimalschaltung des Atmega aufgebaut und über ISP den Programmer angeschlossen. In dem Programm MyAVR_ProgTool kann ich unter Hardware das Board auswählen und auf das Fragezeichen klicken. Das Kästchen wird grün, mir fällt aber auf, dass bei Controller: nichts hinter steht. Sprich der Controller wird nicht erkannt. Ich habe die Anschlüsse mehrmals nachgemessen und bin der Meinung, dass sie richtig angeschlossen sind. Ich habe es mit dem Netzteil vom MySmartUSB und mit einem zusätzlichen externen Netzteil probiert. Ich habe mich an dieser Seite orientiert: http://avrprogrammers.com/atmega1284bd.php und den Quarz weggelassen um den Internen zu nutzen und zusätzlich zwischen VCC und GND ein 100nF Kondensator geschaltet. Ich bitte um Tipps. MfG Thomas
Da können mehrere Probs auftreten. Per default läuft glaube ich der innere Oszillator. -> Geh mal mit der Taktgeschwindigkeit gaaanz weit runter. Prüf mal ob auch wirklich der /Reset kommt bzw ob er auch wieder weggeht (am besten mit nem Oszi, manches gute Multimeter mit ner schnellen Analog-Balkenanzeige könnte gerade noch gehen). Ich hatte am 1284P probleme mit dem Reset, der Eingang wurde als JTAG verwendet. Als ich dann endlich in den Chip reinkam hab ich die entsprechende Fuse gesetzt. Seitdem ist Ruhe. Atmel gibt etwa 10.000 Programmierzyklen an. Nach etwa einem Jahr ständigen Testens an meiner Prototypplatine war er tatsächlich nicht mehr programmierbar. Kackding.
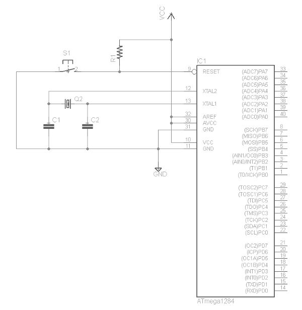
> Ich habe die Minimalschaltung des Atmega aufgebaut und über ISP den > Programmer angeschlossen. Wie?
Ich habe die Taktgeschwindigkeit ganz runter geschraubt, ohne erfolg. Ich habe meine Schaltung auf eine Lochstreifenplatine realisiert und davon zwei Fotos angehängt. Die Minimalschaltung ist wie in dem Schaltplan Nur der Unterschied zu meiner Schaltung ist, dass ich keinen Taster, kein Quarz (Auch keine Kondensatoren für den Quarz) und ein 100nF Kondensator zwischen Vcc und GND geschaltet habe. Ich habe zusätzlich noch ein R und eine LED von Vcc zu PB0 gelegt, dass sollte ja kein Problem sein. oder?
Da fehlen Abblockkondensatoren. Und miss mal die Leitungen durch, insbesondere auf Kurzschlüsse in der Umgebung des ISP-Anschlusses. Wie hoch ist die Versorgungsspannung?
Es ist ja ein Abblockkondensator von 100nF angeschlossen und da VCC auch mit AVCC und AREF verbunden ist gilt der Abblockkondensator doch für alle Spannungseingänge oder nicht? An VCC lieget mit Netzteil 5.17V und ohne 4.73V. Gemessen habe ich auch alles. Also Kurzschluss ist nicht drin. Es ist doch in Ordnung, wenn man von der ISP Pin 3 auf Masse setzt oder? Den Reset Impuls messe ich später, habe im Moment kein Oszi zur Hand. Mein Bruder kommt aber heute(hab Geburtstag;)) und bringt sein Oszi mit zum durchmessen.
Thomas schrieb: > Es ist ja ein Abblockkondensator von 100nF angeschlossen und da VCC auch > mit AVCC und AREF verbunden ist gilt der Abblockkondensator doch für > alle Spannungseingänge oder nicht? Falls du mit dem Abblockkondensator den einen einsamen (roten) Folienkondensator meinst: Der dürfte ziemlich unwirksam sein. Zu weit weg vom Pin und vermutlich auch zu hohe Eigeninduktivität. Lies mal http://www.lothar-miller.de/s9y/categories/14-Entkopplung ! Praktisch ausgedrückt: Besorge dir drei Vielschichtkeramik-Kondensatoren 100 nF (z.B. http://www.reichelt.de/Vielschicht-bedrahtet-X7R-10-/X7R-5-100N/3//index.html?ACTION=3&GROUPID=3162&ARTICLE=22865&SHOW=1&START=0&OFFSET=500& ) und löte sie direkt an der IC-Fassung (am besten auf der Lötseite) an die Pins - Vcc/Gnd (10/11) - AVcc und Gnd (30/31) ARef (32) und Vcc trennst du und legst ARef über den dritten 100 n-Kondensator an Gnd (31). Das sollte bereits einiges verbessern. Dann stellt sich natürlich noch die Frage, wie die Fuses des ATMega eingestellt sind. Lief er vorher mit einem Quarz, oder ist er noch im Originalzustand? Und zu deiner Frage: > Es ist doch in Ordnung, wenn man von der ISP Pin 3 auf Masse setzt oder? Welche Steckerbelegung? 10polig oder 6-polig? Beim 10poligen würde ich den Pin offen lassen, wenn du keinen originalen Atmel-Programmer hast. Beim 6-poligen liegt auf Pin 3 SCK, das wird natürlich benötigt. Grüße Stefan PS: Herzlichen Glückwunsch zum Geburtstag!
Ich habe nun einiges probiert und ich kann mir vorstellen, dass es wirklich daran liegt, das JTAG Fuse gesetzt ist. Wie bekomme ich denn nun den Controller soweit? Der Calculator sagt mir: LOW: 0x42 HIGH: 0xD9 EXTENDED: 0xFF leider kann ich die Fuses nicht setzen. (Habs mit Avrdude GUI probiert) Der MySmartUSB reagiert, aber das Programm hängt sich auf und ich bin kein Stück weiter... Ich habe mit dem Oszi gemessen mit dem Ergebnis, dass am Reset 5V DC anliegen und bei auslösen des Reset's die 5V kurz verschwinden. Was ist mein Fehler?!:(
Thomas schrieb: > Ich besitze ein MySmartUSB Mk2 Programmer und dazu ein Atmega1284p. Ich > habe die Minimalschaltung des Atmega aufgebaut und über ISP den > Programmer angeschlossen. In dem Programm MyAVR_ProgTool kann ich unter > Hardware das Board auswählen und auf das Fragezeichen klicken. Das > Kästchen wird grün, mir fällt aber auf, dass bei Controller: nichts > hinter steht. Sprich der Controller wird nicht erkannt. MySmart bietet die passenden Controller zum Programmer an. Mit denen gibt es keine Probleme.
Danke an alle. Ich habe mir den atmega8 bestellt eingebaut und schwups alles Super! :)
Bitte melde dich an um einen Beitrag zu schreiben. Anmeldung ist kostenlos und dauert nur eine Minute.
Bestehender Account
Schon ein Account bei Google/GoogleMail? Keine Anmeldung erforderlich!
Mit Google-Account einloggen
Mit Google-Account einloggen
Noch kein Account? Hier anmelden.


