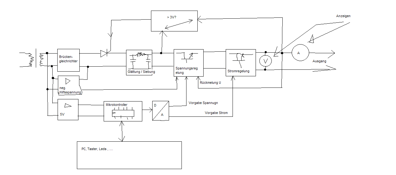
Hallo, ich will mir ein Labornetzteil mit regelbarer Spannung und Strom bauen. Es soll auf 0-12V und 0-3A einstellbar sein. Ich will das ganze mit einem Mikrocontroller steuern, also ohne Potis direkt in der Regelschaltung. Die Spannung bzw. Strom soll also vom MC über einen DA-Wandler an den analogen Regelkreis vorgegeben werden. Den Spannungs- bzw. Stromregler würde ich gerne diskret aufbauen. Zusätzlich um die ganze Kiste effizient zu machen, wollte ich die Spannung mit einer Phasenanschnittsteuerung grob vorregeln. Meine Frage währe ob das vom Prinzip her so hinhauen kann wie ich mir das vorstelle, bzw. ob das sinnvoll ist. Ich hoffe man was im Bild erkennen.
M. M. schrieb: > ob das sinnvoll ist. Ich denke nicht, das es sinnvoll ist, zu den gefühlt 999 Labor- netzteilthreads in diesem Forum den 1000. zu eröffnen. Hast Du Dir die übrigen 999 schon angesehen? Gruss Harald
Smile.... Ab sofort sind folgende Themen hier Tabu : - Labornetzteil - LED Blinkt nicht - LCD zeigt nichts an - Uhr - Thermometer LoL
Bei 12 V und 3 A ist die Vorregelung per Phasenanschnitt eher nicht nötig, bzw. die richtige Wahl. Vermutlich wäre da ein einfacher Schaltregler besser, oder man verzichtet ganz darauf. Auch mit 15 V und 3 A ist man noch in einem Leistungsbereich, den ein Transistor schafft. Auch wenn man Spannung und Strom einstellt, nimmt man in aller Regel nur einen Leistungstransistor (höchstens noch 2 oder mehr parallel wegen der Leistung), der dann entweder entsprechend der Spannung oder dem Strom gesteuert wird. Die Versorgung für den µC usw. (z.B. 5V) läßt sich bei 5 V auch noch ganz gut vom selben Gleichrichter ableiten.
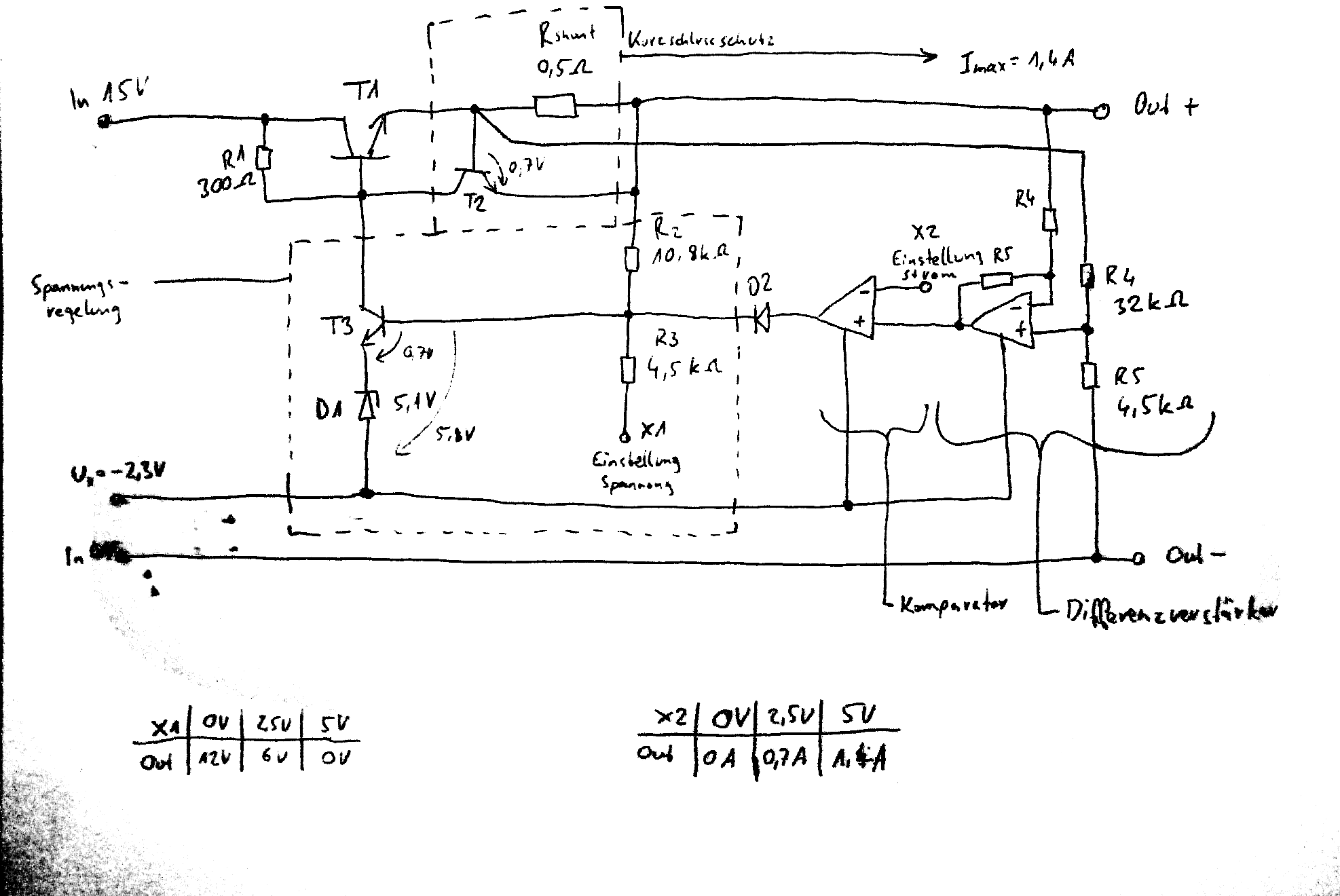
danke schonmal! Ok, also die Vorregelung lass ich mal sein. Ich hab ein bisschen rumüberlegt und folgende Schaltung (siehe Bild) zusammengeschustert. X1 und X2 sind PWM-Ausgänge des Mikrocontrollers. Natürlich geglättet. Jetzt wollte ich wissen ob das funktioniert. Damit das nicht zum schwingen anfängt brauch ich noch Kondensatoren. Wo würdet ihr die hinmachen und mit welchen Werten ungefähr? Und welche Schutzmaßnamen gegen Verpolung und Rückspannung würdet ihr noch reinmachen?
Deine Aktion ist NUR sinnvoll, wenn garantiert ist, daß diese Schaltung im Einschaltmoment NIEMALS Spannungspitzen am Ausgang zulässt! Wenn der Mikrocontroller erst regelt wenn hinten schon 18V angelegen haben, ist Deine angeschlossene Schaltung schon lange in Rauch aufgegangen.
Der MC soll ja auch nur den Vorgabewert für Strom und Spannung liefern. Die Regelung erfolgt analog, wenn sie denn mit meiner Schaltung funktioniert.
M. M. schrieb: > MC soll ja auch nur den Vorgabewert für Strom und Spannung Dann bist Du sicher, daß Dein MC eher funktioniert bevor der Strom da ist? Sonst fehlt ja Dein Vergleichswert wonach der Regler arbeiten soll. Was ist bei wiedereinschalten nach Spannungsausfall??
Ähnlich wie das was du bauen willst: http://www.avrs-at-leipzig.de/dokuwiki/projekte/labornetzteil (10nF an Q4 sicher falsch, D3/D4 als 1N4004 fehldimensioniert) Mehr Leistung: http://www.elektronik-kompendium.de/forum/forum_entry.php?id=139305&page=0&category=all&order=time Noch mehr Leistung: http://cp.literature.agilent.com/litweb/pdf/5964-8275.pdf Es hat schon seinen Grund, warum die so viele Teile verbauen.
Etwas übersichtlicher ist ein Schaltplan von einem alten, guten Netzgerät. http://cp.literature.agilent.com/litweb/pdf/5959-5329.pdf Das Netzgerät ist auch bezüglich Rauschen und Regelgeschwindigkeit sehr gut Eigenschaften. Zumindest mein Versuch, einen Verstärker für 1µV zu bauen, hat mich dazu geführt das Rauschen eines Fixspannungsreglers zu messen. Nach dem "aha- Erlebnis" bin ich in dieses alte Netzgerät verliebt.
> bin ich in dieses alte Netzgerät verliebt. Das ist nun natürlich nicht digital steuerbar und gar nicht im Strom regelbar. > Rauschen eines Fixspannungsreglers Mit 330uF/1.78Ohm RC-Netzwerk am Ausgang wird der auch ruhig. Aber es ist die klasssische Grbdschaltung mit schwebender Versorgung und 2 OpAmp für Strom und Spannung verodert über Dioden, hier mal mit dem Leistungstransistor im Massezweig und mit Thyristorvorreglung (was bei Netzteilen die nur Spannungsquelle sind natürlich einfacher ist als bei Netzteieln die auch Stromquelle sein können).
MaWin schrieb: > mit Thyristorvorreglung Für mich sieht das eher wie eine elektonische Trafoumschaltung aus, obwol es im Text als pre-regulator bezeichnet wird. Und wenn schon µC, dann würd ich die Strom- und Spannungsanzeige auch darüber realisieren. gk
@ M. M. (blackcow) Hast du diesen Thread schon gesehen? Beitrag "Digital-Netzteil" Da hat jemand im Prinzip das gleiche gemacht und es wurden schon etliche Fehler beseitigt. Das Umdimensionieren auf deine U/I-Werte ist kein Problem.
gk schrieb: > Für mich sieht das eher wie eine elektonische Trafoumschaltung aus, > > obwol es im Text als pre-regulator bezeichnet wird. Ja, beim HP E3630A ist das lediglich eine elektronische Umschaltung am Trafo in Grobbereichen. Also das, was Billignetzteile per Relais erledigen hier in Triac nachgebildet. Da das Netzteil im Neupreis irgendwo jenseits der 600 Euro lag, wollte man den Käufern das klackklackklack nicht zumuten.
Thomas der Bastler schrieb: > Smile.... > > Ab sofort sind folgende Themen hier Tabu : > > - Labornetzteil > - LED Blinkt nicht > - LCD zeigt nichts an > - Uhr > - Thermometer > > > LoL Vergiss nicht die Themen rund um die Anschaffung eines Oszilloskops...
Bitte melde dich an um einen Beitrag zu schreiben. Anmeldung ist kostenlos und dauert nur eine Minute.
Bestehender Account
Schon ein Account bei Google/GoogleMail? Keine Anmeldung erforderlich!
Mit Google-Account einloggen
Mit Google-Account einloggen
Noch kein Account? Hier anmelden.

