Hallo! Vorweg, ich bin ein elendiger "Newbie" in der Elektrotechnik :/ ^^. Naja nun bin ich hier um das dann hoffentlich mal zu ändern xD Ich habe seid einigen Jahren einen Microcontroller zuhause herumliegen und wollte mal eine Transistor Schaltung für diesen entwerfen. Jedoch bin ich da schneller an meine Grundlagen grenze gestoßen als vermutet xD Ich kann nichtmal richtig das Datenblatt eine transis verstehen :/ oO Ich erklär einmal was ich vor "hatte". Aus dem ausgang meines Micro-Controllers kann ich ja wahlweise 0-5V Output bringen? Ich habe eine Benzineinspritzpumpe eines Modellautos die ich mit unterschiedlicher stärke ansteuern will (bis 12V). Das wollte ich realisieren in dem ich einen Transistor an der Basis von Microcontroller ansteuer um eine Vce von 12V zu regulieren. Diese 12V Spannung liegt von einem netzteil an der Vce an. Ist dies möglich? Sieht dann bei mir im "kopf" irgendwie wie folgt aus. Kann aber wohl nicht so funktionieren? Tuts ja auch nicht! xD Ich wüsste auch nicht wie ich ausrechne welcher transi bei bis 5V basisspannung 12V auf Vce regulieren kann. Kann mir ein einzelner Transistor dies überhaupt ermöglichen? Ich hoffe ich langweil euch nicht zu sehr mit meiner grundlagenfrage :/ Bin aber dringend auf geduldige Hilfe angewiesen wenn ich das dieses jahr noch fertig bauen will gg lg spec
Bin ich also so weit aufm holzweg das ich direkt von ganz weit vorne anfangen sollte? xD Ich mein.. ein wenig grundlegendes verständnis hab ich ja =) Und ich bin auch nicht lesefaul. Aber ich bin an einer stelle wo ich den wald vor lauter bäumen nicht sehe ^^. Über solche Grundlagen Tutorials kann ich mir leider nicht meine größte frage beantworten. Ist der Stromkreis meines Microcontrollers zur Tranistor Basis so überhaupt geschlossen? Kann ich ein transistor überhaupt mit 2 Stromkreisen ansteuern? Gibt es eine Möglichkeit einen Transistor so zu verwenden? Ich habe als Harz4 Empfänger ehrlich gesagt keine Finanziellen Möglichkeiten mir meine Bauteile in just for fun testreihen zu zerschiessen xD Habe gehofft hier ein wenig handfestere Lösungshilfe zu bekommen. Denn bei Conrad als ich mir einen Transi kaufte meinte man zu mir es würde so gehen. Ich vermute jedoch das ich einen transistor in der form völlig falsch anwende :/ Und auch was ich mir die wochen über Transistoren versucht habe anzulesen bzw anzuschauen hat mich ehr verwirrt als geholfen. Mittlerweile denke ich halt das mein erster gedanke von 2 Stromkreisen totaler humbug ist =) Jedoch kann mir kein Google oder Tutorial ein konkretes "nein" zu einer falschen frage/aufbau liefern xD
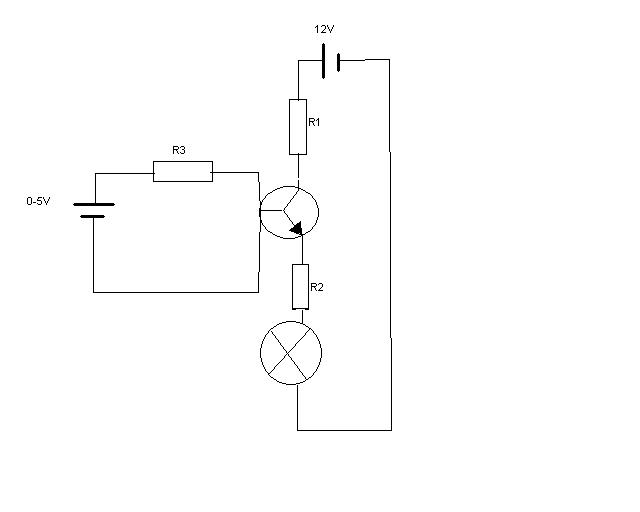
helmut dietrich schrieb: > Bin ich also so weit aufm holzweg das ich direkt von ganz weit vorne > anfangen sollte? xD Wenn ich mir deine Zeichnung so ansehe: Ja, du bist komplett auf dem Holzweg. Das fängt schon mal damit an, dass du 2 vollkommen voneinander Stromkreise hast und irgendwie erwartest, dass der Transistor das schon irgendwie machen wird.
sch****... :O =) Wonach kann ich suchen wenn ich den Transistor über den Microcontroller ansteuern will obwohl ich für die pumpe ein 12V Netzteil benötige? Gibt es einen namen für so eine Schaltung? Gibt es ein Bauteil das dies für mich regeln kann? gg Muss ich den Microcontroller einfach nur anders anschliessen?
Hallo Helmut, so, wie du die Schaltung skizziert hast, funktioniert sie nicht. Auf der linken Seite fließt ja der Strom nur von der Spannungsquelle über den Widerstand und sonst nichts. In die Basis der Transistors muß ein Strom fließen, der den Transistor dann steuert (Basis-Strom). Und der Strom kommt nur durch einen geschlossenen Stromkreis zustande. Also muß zwischen Emitter und Basis eine Spannung anliegen, die den Stromfluß hervorruft. Der Stromfluß in die Basis muß dann noch mit einem Widerstand in Reihe begrenzt werden (Basiswiderstand). Dafür kannst du hier mal nachschlagen, ich hab aus dem großen Angebot vom Kompendium mal drei Seiten rausgesucht. Schau dich mal bissel um: bipolarer Transistor: http://www.elektronik-kompendium.de/sites/bau/0201291.htm Emitterschaltung: http://www.elektronik-kompendium.de/sites/slt/0204302.htm Transistor als Schalter: http://www.elektronik-kompendium.de/sites/slt/0208031.htm Gruß Bernd
Erst mal müssen die Massen der beteiligten Stromkreise zusammengeführt
werden.
Es gibt keine absoluten Spannungen. Eine elektrische Spannung ist eine
Potentialdifferenz zwischen dem - Pol der Stromquelle und dem + Pol. Der
entscheidende Begriff ist "Differenz".
Eine Batterie hat eine Potentialdifferenz von zB 1.5V
Legst du jetzt 2 Batterien nebeneinander, welche Differenz hast du dann?
Kann man nicht sagen, diese Frage macht keinen Sinn, denn zwischen den
Batterien herrscht erst mal kein Zusammenhang.
+-+ +-+
------- -------
| | | |
| | | |
| | | |
| | | |
+-----+ +-----+
Jede Batterie hat für sich eine Differenz von 1.5V.
Das ist wie bei der Höhe eines Geländers eines Hausbalkons. Der eine sei
1 Meter 20 hoch, der andere 1 Meter 80. Welches Geländer liegt jetzt
höher in Bezug auf Meeresspiegel? - Kann man nicht sagen, denn nur indem
man weiß, wie hoch ein Geländer ist (also die DIfferenz zwischen
Oberkante und UNterkante), weiß man ja nichts darüber wie sich die
beiden jetzt zueinander verhalten. Ist das eine im 5. Stock und das
andere im 1. Stock, dann mag das mit 1.20 Meter absolut gesehen höher
liegen. Ist das eine in Hamburg und das andere auf der Zugspitze, sieht
die Sache vielleicht wieder anders aus.
Und bei elektrischen Spannungen ist die Sache ganz ähnlich. Die Spannung
ist dein 'Balkongeländer'. Erst dadurch, dass du beide Stromkreise
miteinander verbindest, werden die beiden miteinander in Beziehung
gesetzt. Erst dadurch bekommt der Messvorgang '+ Pol von der 2.ten
Batterie zum - Pol von der 1ten Batterie' überhaupt erst einen Sinn.
Im Falle der beiden Batterien kannst du zb die beiden - Pole miteinander
verbinden
+-+ +-+
------- -------
| | | |
| | | |
| | | |
| | | |
+-----+ +-----+
| |
+----------------+
und erst jetzt sind die beiden Spannungen zueinander in Beziehung
gesetzt und du kannst von der einen Batterie in Bezug auf die andere
eine sinnvolle Messung machen.
helmut dietrich schrieb: > Bin ich also so weit aufm holzweg das ich direkt von ganz weit vorne > anfangen sollte? xD Nein, eine Lehre in einem elektrotechnischen Beruf wäre als Einstieg schon einmal nicht schlecht. :-) Ein Forum zur Erlangung von Grundkenntnissen zu benutzen, wird dagegen mit ziemlicher Sicherheit nicht klappen. Gruss Harald
Super! Das bringt mich schonmal viel weiter lichtaufgeh!! =) Also ich habe keinen Stromkreis gehabt für die Basis. lach Und wenn ich richtig verstehe darf die Erden einfach aneinanderführen ohne das es umgangsprachlich "puff" machen wird? gg Und das was ich gesucht habe ist wohl die Emitterschaltung wenn ich das richtig sehe!!! Vielen dank Bernd u. Karl! Ich werd jetzt erstmal alles ausführlich lesen bevor ich weitere behauptungen und humbugzeichnungen hier reinwerfe! liebdrück
So in etwa könnte das gehen. Stichwort für Pumpenansteuerung ist "PWM". uC-Ausgang sollte bei richtiger Dimensionierung der Widerstände den Transistor durchschalten können. Masse des Sekundärkreises sollte mit uC-Masse verbunden sein.
helmut dietrich schrieb > Super! > > Das bringt mich schonmal viel weiter lichtaufgeh!! =) > > Also ich habe keinen Stromkreis gehabt für die Basis. *lach* > Und wenn ich richtig verstehe darf die Erden einfach aneinanderführen > ohne das es umgangsprachlich "puff" machen wird? *gg* Ja, das darfst du. Du darfst eine 1.5V Batterie mit dem Minuspol an die 1 komma 5 Kilovolt Überlandleitung halten und misst mit dem Messgerät über der Batterie trotzdem wieder nur 1.5V
Nachtrag: um soetwas "zum Laufen" zu brinden benötigst du datsächlich das Wissen über die Funktionsweise des Transistors. Um mit einer 12V DC-Quelle die Pumpe steuerbar zu versorgen, solltest du wissen was PWM ist (google). Fall du gar nicht weißt wie ein uC funktioniert, wirds schwierig (--> ein Fall für Arduino?)
Brot schrieb: > So in etwa könnte das gehen. > Stichwort für Pumpenansteuerung ist "PWM". > uC-Ausgang sollte bei richtiger Dimensionierung der Widerstände > den Transistor durchschalten können. > Masse des Sekundärkreises sollte mit uC-Masse verbunden sein. Aber bei einem NPN Transistor die Pumpe besser über den Transistor setzen. In die Basis des Transistors muss ein Strom in Richtung Emitter rein rinnen. Da rinnt aber keiner, wenn der Emitter auf nahezu 12V liegt und an der Basis nicht mehr als 5V kommen können.
helmut dietrich schrieb: > > Also ich habe keinen Stromkreis gehabt für die Basis. *lach* > Und wenn ich richtig verstehe darf die Erden einfach aneinanderführen > ohne das es umgangsprachlich "puff" machen wird? *gg* Wenn du die Stromversorgung des Prozessors und die Stromversorgung deines Verbrauchers über GND miteinander verbindest, klappt das. In dem Falle ist es vermutlich am besten, du versorgst deine Prozessor-Schaltung mit den 12V des Verbrauchers. GND an GND, und die 12V mit Spannungsregler auf 5V für den Prozessor reduzieren. > > Und das was ich gesucht habe ist wohl die Emitterschaltung wenn ich das > richtig sehe!!! > Richtig, das ist die Emitterschaltung in deinem Fall. Und speziell für das Schalten eines Verbrauchers trifft der dritte Link zu (Transistor als Schalter). Weil aus dem Prozessor nur 0 und 5V kommen, kannst du sowieso nicht analog steuern. Du kannst den Verbraucher nur ein- und ausschalten. Wenn du das allerdings schnell genug machst, nennt sich das PWM und du kannst damit auch zum Beispiel eine Glühlampe in der Helligkeit beeinflussen. Und zwar mit dem Verhältnis zwischen Ein- und Ausschaltzeit. Google mal nach "PWM" oder "Pulsbreitenmodulation" (ausgeschrieben). Wenn du allerdings den Verbraucher richtig analog regeln willst, dann muß der Transistor nicht mehr nur schalten, sondern auch analog verstärken (siehe zweiter Link). Nun bringt aber der Prozessor in der Regel kein analoges Signal am Ausgang, sondern nur low oder high (0 bzw. 5V). Du kannst jetzt einen Prozessor raussuchen, der einen integrierten DAC hat (Digital/Analog-Wandler), dann kommt eine veränderliche Spannung am Ausgang raus. Oder aber einen externen DAC, den du vom Prozessor aus ansteuerst und dort dann die Spannung entnimmst, um den Transistor zu steuern. Aber ich denke mal, das einfachste wird wohl erstmal PWM sein. Gruß Bernd
Karl Heinz Buchegger schrieb > Aber bei einem NPN Transistor die Pumpe besser über den Transistor > setzen. In die Basis des Transistors muss ein Strom in Richtung Emitter > rein rinnen. Da rinnt aber keiner, wenn der Emitter auf nahezu 12V liegt > und an der Basis nicht mehr als 5V kommen können. Richtig. Also R1 und "Lampe" pzw. "Pumpe" tauschen.
Brot schrieb: > > Richtig. Also R1 und "Lampe" pzw. "Pumpe" tauschen. Oder den Emitter direkt auf GND legen und den Verbraucher (Lampe oder Pumpe) zwischen +12V und Kollektor. Warum einen Emitterwiderstand mitschalten? Ist ja kein Analogverstärker, sondern nur ein Schalter. Gruß Bernd
Ich benutze das K8055 http://www.velleman.eu/products/view/?id=404880 und besitze damit sogar gleich 2 Analoge Ausgänge :) Ich will ihn deswegen bis 5 Volt ansteuern. Nicht an/aus.. sondern langsam gas geben =) Wird mir bei der wahl des transistors sicher nochmal den kopf zerbrechen gg Wie gesagt hab ich noch probleme beim erkennen/lesen des datenblattes. Ich kann noch nicht heraus lesen welche mir die Vce durchlasspannung und welche angaben mir Vbe?! Steuerungsspannungen angeben. Bei Conrad haben sie mir nach beschreibung meines problems mir diesen aufs auge gedrückt. http://www.produktinfo.conrad.com/datenblaetter/150000-174999/151010-da-01-en-2N3055A_MOT.pdf scheint aber für meine anwendung der falsche zu sein gg
Karl Heinz Buchegger schrieb: > helmut dietrich schrieb >> Super! >> >> Das bringt mich schonmal viel weiter lichtaufgeh!! =) >> >> Also ich habe keinen Stromkreis gehabt für die Basis. *lach* >> Und wenn ich richtig verstehe darf die Erden einfach aneinanderführen >> ohne das es umgangsprachlich "puff" machen wird? *gg* > > Ja, das darfst du. Du darfst eine 1.5V Batterie mit dem Minuspol an die > 1 komma 5 Kilovolt Überlandleitung halten und misst mit dem Messgerät > über der Batterie trotzdem wieder nur 1.5V Tu' es aber trotzdem nicht! ;D
helmut dietrich schrieb: > Ich will ihn deswegen bis 5 Volt ansteuern. > Nicht an/aus.. sondern langsam gas geben =) Deswegen musst du dich auch mit PWM auseinandersetzen bzw. verstehen wie PWM funktioniert. Der Transistor ist nur "ein Schalter" - da kannst du nicht "langsam Gas geben". Einfach ausgedrückt - der Transistor ist entweder durchgeschaltet oder nicht (AN oder AUS bzw. 0V oder 12V am Ausgang), dazwischen gibt es nichts. Falls du möchtest, dass dir jemand von hier eine komplette Schaltung fertigmacht, solltest du das so fragen - macht bestimmt jemand. Wenn du Hilfe bei der Realisierung deines Projekts suchst, dann solltest du über Bereitschaft zur Informationsaufnahme verfügen - also "lernwillig" sein.
helmut dietrich schrieb: > Bei Conrad haben sie mir nach beschreibung meines problems mir diesen > aufs auge gedrückt. > > http://www.produktinfo.conrad.com/datenblaetter/15... (2N3055) ja, "Aufs Auge gedrückt passt". Die Beratung da ist schwer bemüht, dem vom geilen Geiz gesetzten Standard zu genügen. Auch wenn du analoge Ausgänge hast, sei dir die Erwägung der PWM-Variante wärmsten empfohlen, wenn du dich nicht explizit mit dem Linearbetrieb von Transistoren befassen willst. Du kannst einen bipolaren Transistor nicht mit einer Spannung und mit ihm keine Spannung steuern. Der verstärkt einen Strom und du müsstest dich genau mit der /Strom/verstärkung deines Transistors und den zu verbauenden Widerständen auseinamdersetzen, um den Strom durch die Pumpe zu steuern. Die Spannung stellt sich dann ein und der Transistor muss den Rest in Wärme umwandeln. Nimm die PWM. Und vergiss nicht die Freilaufdiode an der Pumpe.
PWM=Puls-Weiten-Modulation Das hört sich kompliziert an, ist es aber nicht. Kurze Erlärung zu dem Bild: Die schwarze Kurve ist die Spannung, die aus dem Transistor rauskommt. Orangefarbene Kurve ist die Spannung, die du letztenendes für deine Pumpe "zur Verfügung" hättest. D.h.: Transistor lange AN und kurz AUS = Pumpe hat "insgesamt" viel Spannung = Pumpe dreht sich schnell. Transistor kurz AN und lange AUS = Pumpe hat "insgesamt" wenig Spannung = Pumpe dreht sich langsam.
Bitte melde dich an um einen Beitrag zu schreiben. Anmeldung ist kostenlos und dauert nur eine Minute.
Bestehender Account
Schon ein Account bei Google/GoogleMail? Keine Anmeldung erforderlich!
Mit Google-Account einloggen
Mit Google-Account einloggen
Noch kein Account? Hier anmelden.




