Hey, ich möchte die Entladeschlussspannung eines Bleiakkus zuverlässig erkennen. Nach kurzem Suchem kam mir diese Schaltung: http://www.rn-wissen.de/index.php/Einfache_Batterie-Entladeschlussspannungsanzeige Meiner Meinung nach müsste doch aber zwischen die beiden Transistoren noch ein Widerstand? Was mich an dieser Schaltung allerdings stört ist, dass die LED zur Anzeige im Grenzbereich der eingestellten Spannung wahrscheinlich ein bisschen "flackern" wird. Ich würde die Spannungsüberwachung daher lieber mit einem Schmitttrigger durchführen (-> http://www.elektronik-kompendium.de/sites/slt/0311271.htm) Das Problem dabei: die Versorgungsspannung ist gleichzeitig die zu überwachende Spannung. Ich brauche doch aber eine konstante Spannung zum Vergleich (Zehner-Diode?). Ich habe leider keine Beispiele gefunden. Habt ihr da was?
Haken fast jeder Schaltung ist, daß sie auch noch zusätzlich Strom braucht. Komparator mit einen einstellbaren Schaltpunkt + Z-Diode im Spannungsteiler? siehe Link http://www.mikrocontroller.net/articles/Operationsverst%C3%A4rker-Grundschaltungen#Der_Komparator Ein echter Schmitt-Trigger (2-Transistoren) ist ungenauer. Deshalb wird oft der Komparator mit OPV bevorzugt und eine Hysterese zusätzlich eingestellt wie oben schon im Kompendium gezeigt wurde.
Kei Ner schrieb: > Nach kurzem Suchem kam mir diese Schaltung: Sorry, aber die ist Murks, z.B. weil eine definierte Schaltschwelle fehlt. Kei Ner schrieb: > Ich würde die Spannungsüberwachung daher lieber mit einem Schmitttrigger durchführen Schon besser. Die Frage ist nur, wo man die Schwellen hinlegt. Problematisch wird es nämlich, wenn man beim Erreichen der Entladeschlussspannung die Last abwirft. Dann erhöht sich die Akkuspannung wieder, z.B auf 12V. Kei Ner schrieb: > Meiner Meinung nach müsste doch aber zwischen die beiden Transistoren > noch ein Widerstand? Nein, die Basis des zweiten Transistor wird maximal über 100kOhm ( 4,6V - 0,7V / 100k = 40µA ) angesteuert. Leitet Transistor 1, dann fliest dieser Strom über T1 nach Masse ab und T2 sperrt. Kei Ner schrieb: > Ich habe leider keine Beispiele gefunden. Habt ihr da was? Schau Dir mal den ICL7665 an. Den kannst Du notfalls auch mit OP und Referenz nachbauen. gk
gk schrieb: > Kei Ner schrieb: >> Nach kurzem Suchem kam mir diese Schaltung: > > Sorry, aber die ist Murks, z.B. weil eine definierte Schaltschwelle > fehlt. Die LED wird halt beim Absinken der Spannung langsam angehen (der linke Transistor geht langsam in die Sperrung und der rechte Transistor bekommt damit immer mehr Basisstrom). gk schrieb: > Kei Ner schrieb: >> Meiner Meinung nach müsste doch aber zwischen die beiden Transistoren >> noch ein Widerstand? > > Nein, die Basis des zweiten Transistor wird maximal über 100kOhm ( 4,6V > - 0,7V / 100k = 40µA ) angesteuert. Leitet Transistor 1, dann fliest > dieser Strom über T1 nach Masse ab und T2 sperrt. Ich war mir nicht mehr sicher, wie hochohmig die Basis des Transistors ist. Der (Blei-)akku hat 14,4V maximal, wären also in der Dimensionierung ~137µA. Könnte man also ohne Probleme nen 200k nehmen :) gk schrieb: > Schon besser. Die Frage ist nur, wo man die Schwellen hinlegt. > Problematisch wird es nämlich, wenn man beim Erreichen der > Entladeschlussspannung die Last abwirft. Dann erhöht sich die > Akkuspannung wieder, z.B auf 12V. Das ist nicht weiter dramatisch. Wenn ich den Verbraucher aus mache, wird die Spannungsüberwachung auch getrennt und die LED geht aus. Und den Akku muss ich dann halt laden. Daher reicht mir eine Einschaltschwelle bei ungefähr 11V. Die Ausschaltschwelle kann daher bei ~12V liegen, ist aber nicht relevant. Mal schauen, ob ich was zusamengeschustert bekomme mit ner Zenerdiode-Komperator-... :)
Kei Ner schrieb: > Der (Blei-)akku hat 14,4V maximal, wären also in der Dimensionierung > ~137µA. Könnte man also ohne Probleme nen 200k nehmen :) So kritisch ist der Wert nicht. Ausgehend von dem gewünschten Strom durch die Led, z.B. 20mA, teilt man diesen durch den Stromverstärkungsfaktor von z.B. 100 was einen Mindestbasisistrom von 200µA ergibt. Mit der obigen Formel ergeben sich etwa 68k. Damit der Transistor sicher durchsteuert nimmt man dann z.B. 47k. Und wie kommt jetzt die Diskrepanz zu dem Wert aus dem Link? Dort hat der Autor als Stromverstärkungsfaktor 620 angenommen. Laut Datenblatt liegt dieser aber zwischen 110 und 800. Wenn man den Stromverstärkunsfaktor nicht konkret kennt, muss man mit dem Minimalwert aus dem Datenblatt rechnen. Alles andere ist Murks (die zweite). gk
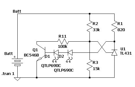
Hi, ich glaub es geht auch mit einfacher zu handhabenden Bauteilen. Grüße
Ich hab einen Schaltplan entworfen und angehängt. Bitte sagt mir, ob diese Widerstandswerte ungefähr das Ergebnis liefern, dass ich erwarte: R1: 220k D1: Zener, 5,1V R2: 100k R3: 80k R8: 20k R6: Vorwiderstand für die LED R4: 30k R5: 1,5M Ergebnis soll sein: bei 11,1V schaltet die LED ein und bei etwas über 12V geht die LED aus. Mit R8 kann ich die Eingangsspannung des OP im Bereich von 1V korrigieren. Voraussetzung ist ein Rail-to-Rail-Op, richtig?
Hi, Rail-to-Rail brauchst du nicht, R1 sollten besser 5K6 sein, der Rest dürfte passen. Grüße
Warum sollte R1 so niederohmig sein? Der Op hat doch eigentlich nen hochohmigen eingang?
> R1 = 220k Mit 31uA für die Z-Diode wird das nichts, die ist für 5mA spezifiziert http://www.vishay.com/docs/85604/bzx55-se.pdf und wird bei 31uA instabil. Daher baut man das nicht mit Z-Dioden, sondern mit Bandgap-Referenzen auf. Im ICL7665 wäre schon eine drin, er kommt mit 3uA aus.
Würde das in etwa so passen? Edit: 100nF zwischen VCC und GND am IC vergessen :/
Hi, vertausche die Werte von R1 und R8, dann müsste es stimen. Grüße
Kei Ner schrieb: > Würde das in etwa so passen? Ja, statt Poti kannst du auch berechneten Festwiderstand nehmen > vertausche die Werte von R1 und R8, dann müsste es stimen. Häh? Lies lieber mal das Datenblatt des ICL7665. Kei Ner hat das wenigstens getan.
Kei Ner schrieb: > Ich habe leider keine Beispiele gefunden. Habt ihr da was? die Forensuche liefert den Batteriewächter Gruß Anja
Anja schrieb: > die Forensuche liefert den Batteriewächter das Wäre aber etwas überdimensioniert für mein Vorhaben, mir reichts zu wissen, wenn der Akku leer ist :) MaWin schrieb: > Ja, statt Poti kannst du auch berechneten Festwiderstand nehmen Hätte aber den Nachteil, dass ich bei den Bauteiltoleranzen vllt auch n paar zehntel-Volt über oder unter der gewünschten Spannung liege. Danke für die Hilfe! :)
Eine Sache habe ich wohl übersehen: Die Unterspannungserkennung muss an SET2, HYST2 und OUT2.
Bitte melde dich an um einen Beitrag zu schreiben. Anmeldung ist kostenlos und dauert nur eine Minute.
Bestehender Account
Schon ein Account bei Google/GoogleMail? Keine Anmeldung erforderlich!
Mit Google-Account einloggen
Mit Google-Account einloggen
Noch kein Account? Hier anmelden.



