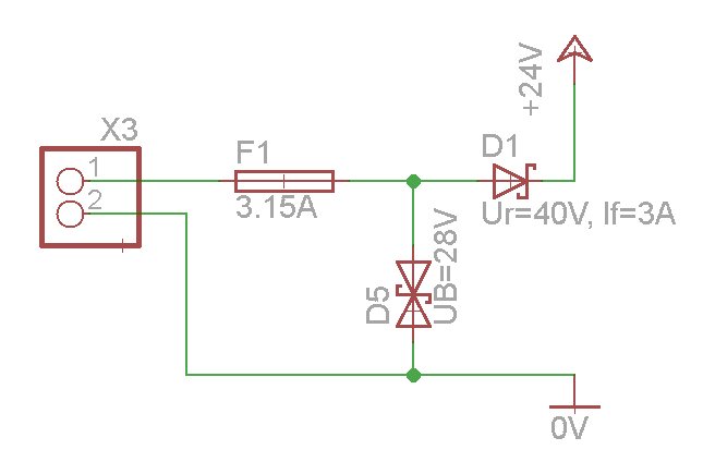
Hallo, anbei meine Schutzschaltung für den 24V (max. ca. 28V) Spannungseingang meiner Schaltung. Abgesichert wird gegen Überspannung, Überstrom und Verpolung. Die nachfolgende Schaltung benötigt max. etwas weniger wie 3A. Ist die Schaltung ein wirkungsvoller Schutz gegen Überspannung, Überstrom und Verpolung? Oder habe ich irgend etwas falsch gemacht? Gibt es noch etwas, was man bei einer solchen Schaltung einbauen sollte? Was mich aktuell bei der Schaltung stört ist die Verlustleistung der Diode (0.7V * 3A = 2.1W). Wahrscheinlich wäre es besser die 2. Variante zu wählen? Hat natürlich den Nachteil, dass bei Verpolung die Feinsicherung zerstört wird. Mich würden eure Gedanken zu diesem Thema interssieren :-) Danke!
Kennst du die Variante mit dem Mosfet als Verpolungsschutz schon? --> http://www.lothar-miller.de/s9y/categories/39-Verpolschutz
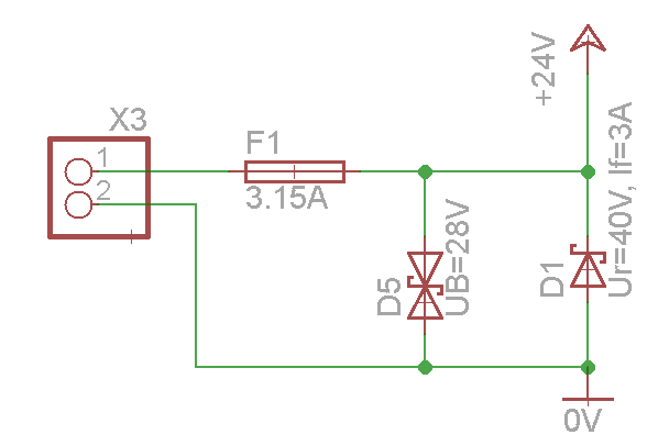
Danke für den Hinweis, kannte ich nicht. Die Variante gefällt mir sehr gut --> Neue Schaltung siehe Anhang. Ich habe die Z-Diode die in dem Link angegeben war durch eine SMD Z-Diode ersetzt. Kann diese verwendet werden, oder habe ich beim Auswählen der Diode etwas falsch gemacht? Datenblatt: http://www.produktinfo.conrad.com/datenblaetter/150000-174999/160583-da-01-en-ZDIODE_BZV55C15_L1_MINIMELF.pdf Cool wäre jetzt noch ein SMD Equivalent für den p-Mosfet...
Dir ist schon klar, dass eine TVS Diode nicht schlagartig bei 28V durchbricht ? schau dir mal die kennlinie an und nimm einen anderen typ..
Ok ich hoffe ich habe das jetzt richtig verstanden: Bei UB (30V bei meinem Exemplar) würde der Strom zu gering sein damit die Feinsicherung auslöst? Welchen anderen Typ soll ich verwenden? Ich dachte immer, Supressor Dioden sind für Überspannungsschutz da...
Mein neuer Ansatz wäre, mit einer Z-Diode eine Referenzspannung zu erzeugen und bei Überschreiten der Referenzspannung die Schaltung von der Versorgung zu Trennen. Leider arbeitet meine Schaltung genau invertiert (bei zu hoher Spannung wird die Versorgung zugeschalten) und ich schaffe es nicht dieses Verhalten umzudrehen... Bitte um Hilfe, leider bin ich Schaltungstechnisch nicht besonders begabt ^^ Bzw. ist die Idee hinter meiner Schutzschaltung generell zu gebrauchen? Oder sollte ich es lieber so machen, das ein definierter Kurzschluss erzeugt wird und die Feinsicherung dabei zerstört wird?
Ok habs doch gerade geschafft, statt dem NPN muss ein PNP rein... Bleib noch die Frage offen, ob die Schaltung von der Idee her überhaupt was taugt?
Peter S. schrieb: > Gibt es noch etwas, was man bei einer solchen Schaltung einbauen sollte? Yepp, Filter gegen Stoerungen von aussen.
Peter S. schrieb: > Bleib noch die Frage offen, ob die Schaltung von der Idee her überhaupt > was taugt? Problem: bei negativer Eingangsspannung ist die Basis-Emitterstrecke von Q1 in Sperrrichtung. Die max. erlaubte Sperrspannung ist aber nicht sehr hoch. Gruß Dietrich
Ja das stimmt, der Verpolungsschutz ist in der Schaltung noch nicht vorgesehen. Dazu würde ich dann die von Leo-andreas gepostete Schaltung mit meiner kombinieren (siehe Anhang). Habe jetzt einmal testweise die Spannung auf 15V limitiert, sieht soweit ganz gut aus finde ich. Was mir allerdings nicht gefällt sind die Verluste durch den FET und den PNP Transistor. Kann man die beiden Bauteile irgendwie kombinieren?
In manchen Schaltungen findet man auch Thyristoren, die über eine Z-Diode gezündet werden. Hat der Thyristor einmal gezündet, produziert er einen Kurzschluss und dann spricht die Sicherung an. Die Schaltung wäre im Normalbetrieb "verlustarm". Bernhard
Bernhard S. schrieb: > Hat der Thyristor einmal gezündet, produziert er einen Kurzschluss und > dann spricht die Sicherung an. > > Die Schaltung wäre im Normalbetrieb "verlustarm". Im Ernstfall macht ein kleiner Thyristor den Deckel auf. Deshab Crowbar wartungsfreundlich montieren. Denn eine 3A-T-Sicherung braucht ihre Zeit zum schmelzen.
@Peter >Ist die Schaltung ein wirkungsvoller Schutz gegen Überspannung, >Überstrom und Verpolung? Wie häufig treten diese Fehlerfälle auf? - sehr selten, eigentlich nie oder sehr häufig Wie gut muss die Überspannungsfestigkeit sein? - soll sie die ev. zu hohe Versorgungsspannung nur begrenzt oder total abschaltet werden? - wie gut sollen Spannungsspitzen im µs-Bereich am Eingang verarbeitet werden (z.B. Gewitter + Freileitung) Wie soll der Überstrom behandelt werden? - nur auf Maximum begrenzen, oder zuerst auf Maximum begrenzen und dann den Strom auf einen niedrigeren Wert herunterfahren (Auto Fallback), oder total Abschaltung - soll sich nach einem Überstromfehlerfall und anschließender Unterbrechung der Eingangsspannung die Schaltung automatisch wieder zurücksetzen? Wie soll eine Verpolung behandelt werden? - darf die Ausgangsspannung ca. -1V erreichen, oder sind negative Spannungen nicht zulässig? Gib uns bitte noch ein paar Details, um so präziser können wir antworten. Bernhard
Bitte melde dich an um einen Beitrag zu schreiben. Anmeldung ist kostenlos und dauert nur eine Minute.
Bestehender Account
Schon ein Account bei Google/GoogleMail? Keine Anmeldung erforderlich!
Mit Google-Account einloggen
Mit Google-Account einloggen
Noch kein Account? Hier anmelden.






