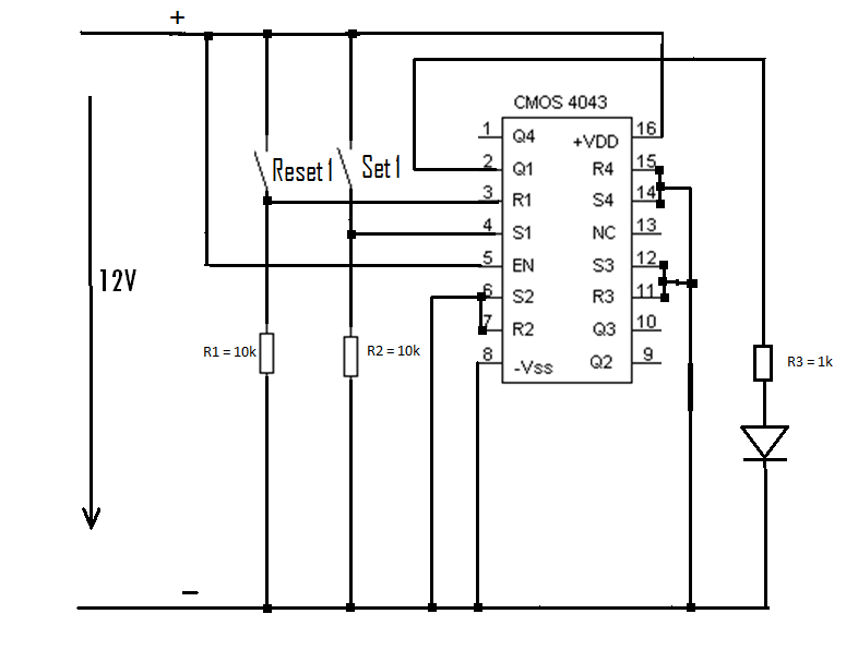
Hallo, erstmal bitte ich um Nachsicht.Ich kenne mich mit der Elektronik/Elektrotechnik (noch) nicht wirklich aus, mache also grade meine ersten "Gehversuche" was Schaltungen etc. angeht. Jetzt zu meinem Problem: Ich wollte eine einfache LED per Taster(nicht Schalter sondern Taster) mit Hilfe eines RS-NOR IC's(CD4043) schalten. Habe hierzu auch Gott sei Dank eine sehr ähnliche Schaltung hier im Forum gefunden und sie für mich angepasst (Danke an dieser Stelle an den Zeichner des Schaltplans, hoffe das ist ok wenn ich diesen hier abgeändert verwende; Quelle: Beitrag "IC RS-FlipFlop Schaltung!"). Habe das ganze auch mal auf einem Labor-Steckbrett nachgebaut. Das Problem dabei ist: Die LED leuchtet die ganze Zeit. Egal ob ich set/reset drücke. Komischerweise scheinen alle Ausgänge (Q1-Q4) auf High zu liegen. Jedenfalls leuchtet die LED egal an welchem Port ich sie anschließe. Habe ich einen kolossalen Denkfehler in meiner Schaltung oder liegt es an irgendetwas anderem? Vielen Dank schonmal LG Guildejo
Guildejo schrieb: > Die LED leuchtet die ganze Zeit. Egal ob ich > set/reset drücke. Komischerweise scheinen alle Ausgänge (Q1-Q4) auf High > zu liegen. Jedenfalls leuchtet die LED egal an welchem Port ich sie > anschließe. Hast du mal die Spannung an Q1-Q4 gemessen, auch ohne LED? Sind die wirklich alle auf High? Hast du einen Abblock-Kondesator (10-100nF) parallel und nahe an der Speisung Pin 8/16? Wie sieht die Speisung überhaupt aus?
So, erstmal Vielen Dank für die Antwort und entschuldigung, dass es so lange gedauert hat, bis ich hier wieder antworte. Ich hatte einen 100nF Kondensator so wie du gesagt hast geschaltet, aber es hat nicht funtioniert. Habe dann aus Verzweiflung einfach mal einen kleineren( in meinem Fall einen 15nF) Kondensator genommen und siehe da, es funktioniert! Vielen Dank :) LG Guildejo
Guildejo schrieb: > Ich hatte einen 100nF Kondensator so wie du gesagt hast geschaltet, aber > es hat nicht funtioniert. > Habe dann aus Verzweiflung einfach mal einen kleineren( in meinem Fall > einen 15nF) Kondensator genommen und siehe da, es funktioniert! Die Größe des Kondensators kann aber nicht die Ursache gewesen sein. Der blockt ja nur die Versorgungsspannung und wenn die von vorne herein schon einigermassen in Ordnung ist, dann wirkt sich das auf die Funktion nicht so krass aus. Ich denke mal, du hattest irgendeinen Schaltfehler am Steckbrett oder einen Wackelkontakt und hast den beim Umbau auf 15nF beseitigt, ohne es zu merken.
Karl Heinz schrieb: > Ich denke mal, du hattest irgendeinen Schaltfehler am Steckbrett oder > einen Wackelkontakt und hast den beim Umbau auf 15nF beseitigt, ohne es > zu merken. Da hast du wahrscheinlich Recht, wobei in meiner Schaltung allgemein irgendwo der Wurm zu stecken scheint, habe nämlich nun folgendes Problem: Wenn ich die Pins S3/R3/Q3 zusätzlich so beschalte wie S1/R1/Q1, werden alle Q Ausgänge auf irgendwas zwischen Low und High geschaltet( keine wirkliche Zwischenstufen, sie liegen auf High, da die LED am Ausgang leuchtet, aber die Spannung ist nicht so hoch wie bei einer "normalen" High-Stellung des Ausgangs), sobald ich die Taster an R1 oder S1 betätige(Sie bleiben solange auf diesen Level, bis der Taster losgelassen wird, der eigentliche Set/Reset vorgang an R1/S1 funktioniert aber parallel). Wenn ich den Taster an S3 oder R3 betätige, funktioniert alles problemlos und die anderen Ausgänge nehmen keine anderen komischen Zustände an, solange der Taster gedrückt ist. Habe den IC auch mal probehalber ausgetauscht, um zu vermeiden dass der Fehler evtl. am Bauteil selbst liegt.(Hab damit ja jezt auch schon viel "rumgespielt", dachte es wäre evtl. beschädigt) Allerdings habe ich bei den drei anderen die ich zum Testen hier habe das ursprünglich beschriebene Problem,d.h. alle Ausgänge liegen standardmäßig auf High, egal was ich drücke... Bin grade echt am verzweifeln. Wackelkontakte kann ich (so gut wie) ausschließen, habe alles mehrmals geprüft... Habt ihr noch ne Idee? Ich versuche wirklich so gut wies geht mein Problem zu beschreiben, bin aber wie gesagt bei weitem kein Profi, möchte aber gerne lernen :) LG Guildejo PS: Achja, falls es hilfreich ist. Die Spannungsquelle ist ein Steckernetzteil mit 12V(1,5A)
Die gepostete Schaltung ist so weit OK. Der Vorwiderstand der LED ist etwas niederohmig, die 4000-er können keine so arg hohen Ströme treiben. Dieser Q-Ausgang erreicht dann nicht das Niveau von VCC.
Bitte melde dich an um einen Beitrag zu schreiben. Anmeldung ist kostenlos und dauert nur eine Minute.
Bestehender Account
Schon ein Account bei Google/GoogleMail? Keine Anmeldung erforderlich!
Mit Google-Account einloggen
Mit Google-Account einloggen
Noch kein Account? Hier anmelden.
