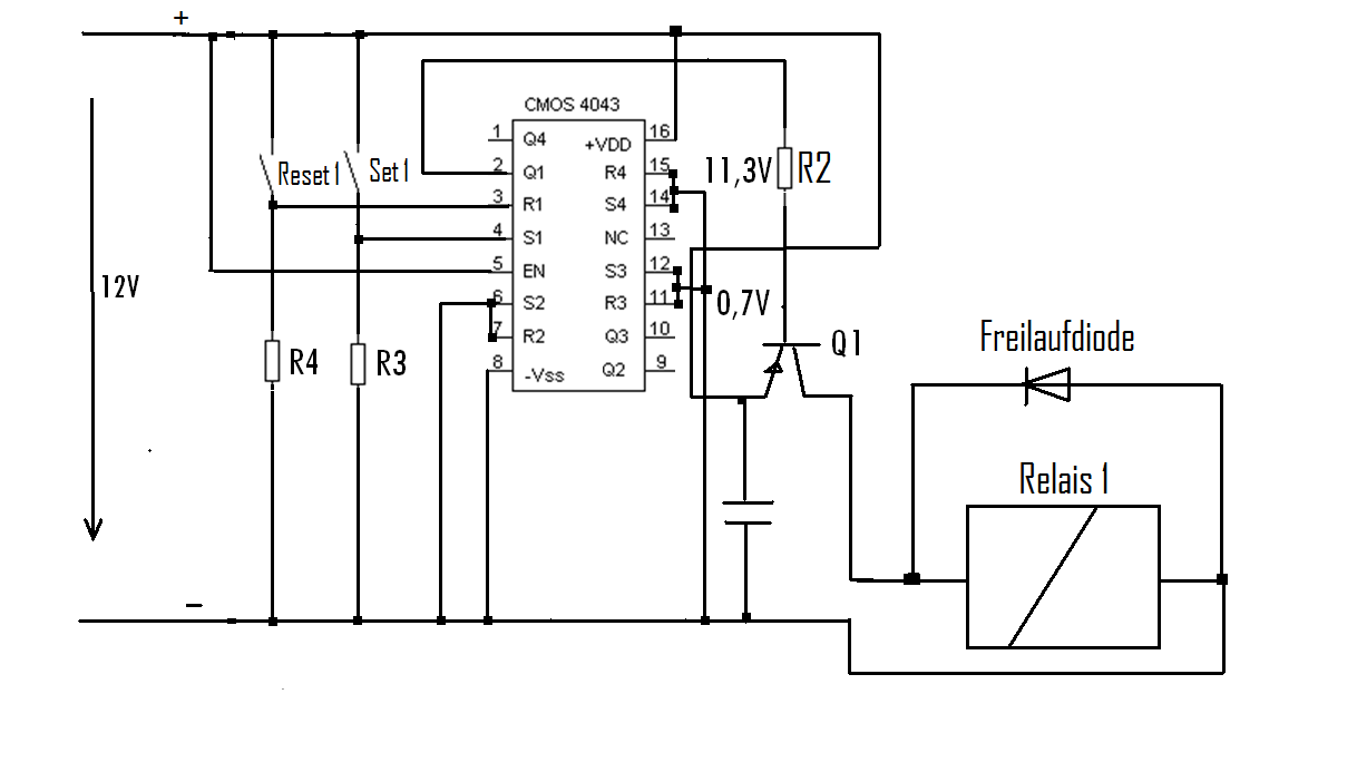
Hallo Leute, ich habe nicht soviel erfahrungen auf der elektronische bauelemente habe aber dennoch etwas wissen darüber. Ich weiß das Thema gab es mal 2009 Da meine Schaltung etwas anders aussieht und etwas brauche damit ich es verstehe, dachte ich es neu zu machen. Ich glaube mein Vorhaben ist schon eindeutig, dennoch werde ich aber was dazu sagen! Die Z-Diode habe ich eingesetzt damit meine Spannung stabil bleibt. Die Taster Set1, Reset1 sollen den IC 4043 ansteuern. Der Ausgang vom IC soll damit mein transistor einschalten und somit das Relais ansteuern. Wofür brauche ich das? Ich wollte somit meine Eisenbahn automatisch Hin und Her fahren lassen. Das besondere dabei es verläuft alles automatisch. Bauteile die ich einsetzen will: IC: 4043 (RS Flip Flop) Transistor: A733 Diode: 4001 Meine Fragen an euch! 1. Ist die Schaltung realisierbar? 2.Wie bestimme ich die Widerstände R1 R2 ? (Ich weiß zwar wie viel Volt abfallen soll, aber mehr leider nicht :( ) 3.Wie berechne ich den Widerstand R3 und welche Z-Diode darf/ muss ich verwänden? 4.Sind beim IC alle Ein- Ausgänge mit 5V? Ich bitte euch um eure Hilfe Vielen Dank im Vorraus
HI -Ohne EN=H läuft nichts -Was soll R1? Ein CD4043 läuft problemlos mit 12V -An den Eingängen fehlen Pull-Up-Widerstände. -.... MfG Spess
spess53 schrieb: > -Was soll R1? Ein CD4043 läuft problemlos mit 12V Das Relais müßte dann ein 12V-Typ sein und R3 und die Z-Diode haben so keine Funktion.
Die Heizung (R3+Z-Diode) kann entfallen wenn Die Schaltung nicht unter -50°C eingesetzt werden soll :)
Salvatore M. schrieb: > Die Z-Diode habe ich eingesetzt damit meine Spannung stabil bleibt. So geht das nicht. Die konstante Spannung ist an der Kathode der Z-Diode zu finden. Du hast noch immer 12V an deiner Schaltung. Das macht übrigens gar nichts aus. Der 4043 verträgt 15V. Vergiss die Z-Diode und suche dir ein 12V-Relais. > Die Taster Set1, Reset1 sollen den IC 4043 ansteuern. Was für ein Pegel liegt denn an R1 und S1 an, wenn kein Taster gedrückt ist? Es fehlen PullDowns! > Der Ausgang vom IC soll damit mein transistor einschalten und somit das > Relais ansteuern. Ja, geht so. Salvatore M. schrieb: > 1. Ist die Schaltung realisierbar? Im Prinzip ja. > 2.Wie bestimme ich die Widerstände R1 R2 ? (Ich weiß zwar wie viel Volt > abfallen soll, aber mehr leider nicht :( ) R1 ist Quatsch. Da fallen kein 7V ab. VCC gehört an die Kathode der Z-Diode oder, siehe oben, direkt an die 12V. R2 ist erst sicher zu bestimmen, wenn klar ist, welches Relais verwendet wird (welcher Strom durch das Relais fließt bzw. welchen Wicklungswiderstand es hat. Und, welcher Transistor verwendet wird. Ein A733 ist mir in 40 Jahren Elektrotechnik noch nicht begegnet. > 3.Wie berechne ich den Widerstand R3 und welche Z-Diode darf/ muss ich > verwänden? Weglassen. Andernfalls: R3 = (12V-5V) / (Iges + 5mA). Leistung der Z-Diode: 5V * (Iges+5mA). Iges hängt natürlich maßgeblich vom Wicklungswiderstand des Relais ab. > 4.Sind beim IC alle Ein- Ausgänge mit 5V? Wenn du an VCC 5V anlegst, ja. In deiner gezeichneten Schaltung: nein! Salvatore M. schrieb: > meine Eisenbahn Bist du sicher, dass die 12V auch Gleichspannung sind und nicht Wechsel- oder pulsierende Gleichspannung?
Hi danke für die schnelle Antwort Sind Pullupwiderstände gewöhnliche widerstände? Wenn ja wie hoch müssen sie sein? Was bedeutet EN=H?
EN=H bedeutet, dass dieser "enable" pin auf einem definierten HIGH level liegt. Hier z.B. 12V mit einem 1-10k Vorwiderstand. LOW wäre dann GND.
Der A733 ist übrigens ein PNP-Transistor. Das in deinem Schaltplan ist aber ein NPN.
Erst einmal Vielen Dank das so viele mir helfen! Kann mir vielelicht jemmand eine Zeichnung zeigen wie es aussehen müsste? Viellicht mit ein paar Werte damit ich das nachvollziehen kann Danke Leute ihr seit klasse
Salvatore M. schrieb: > Kann mir vielelicht jemmand eine Zeichnung zeigen wie es aussehen > müsste? Korrigiere deine Zeichnung mit den Infos von hier und stell sie erneut zur Diskussion. Es wird dir dann schon gesagt, was noch nicht stimmt bzw. auf konkrete Fragen geantwortet. Außerdem, bemühe dich um die Informationen: - Daten des Relais (Wicklungswiderstand, 5V oder 12V) - Ist deine Spannungsquelle wirklich 12V Gleichspannung?
Ok Kann ich den transistor A733 dafür verwenden? R1= 1- 10K Ohm richtig? woher weiß ich das denn? wie groß muss R4 R3 sein? Warum müssen die beiden widerstände dahin? ich verwände 12v gleichspannung (für die eisenbahn spielt die Gleichspannung keine Rolle,da die Fahrtrichtung von meinem Relais angesteiert wird und der ist Potetialfrei) Relais werde ich noch aussuchen. Ist alles soweit richtig umgesetzt worden? Danke
Salvatore M. schrieb: > Ist alles soweit richtig umgesetzt worden? Fast. Die Freilaufdiode ist jetzt verkehrt herum gezeichnet. > Kann ich den transistor A733 dafür verwenden? Das hängt vom gewählten Relais ab. Da du das noch nicht ausgesucht hast, ist die Frage noch nicht zu beantworten. Auch R2 kann erst dann berechnet werden. Er es können, wenn der Spulenwiderstand des Relais größer als ca. 200Ω ist. Dann wird R2 mit 3.3kΩ ... 4.7kΩ passen. > R1= 1- 10K Ohm richtig? woher weiß ich das denn? Das weiß man aus Erfahrung :-). Du musst nur sicherstellen, dass HIGH (hier also 12V) am EN-Eingang anliegt. Da der Strom in den EN-Pin praktisch Null ist, spielt der Wert des Widerstandes fast keine Rolle. Ich hätte EN einfach mit +12 verbunden. An deinem IC sollten auch die anderen unbenutzten Eingänge, wie S2, R2 ... auf festest Potential gelegt werden. Einfach alle zusammen mit Pin 8 (-VSS) verbinden. CMOS-ICs mögen es gar nicht, wenn die Eingänge offen sind. Sie bewegen sich dann irgendwie zwischen -VSS und +VDD und der IC nimmt viel mehr Strom auf. > > wie groß muss R4 R3 sein? Warum müssen die beiden widerstände dahin? 1. CMOS-ICs mögen es gar nicht, wenn die Eingänge offen sind (ich sagte es schon). 2. Wenn der Taster geöffnet ist, dann soll doch der Eingang auf LOW gehen. Da die Eingänge eben sehr hochohmig sind, tun sie das nicht von alleine. Da hilft der Widerstand nach. Nimm für R3 und R4 3.3kΩ...10 kΩ. Wieder Erfahrungswerte: ein zu kleiner Widerstand würde beim Drücken der Taste viel Strom ziehen und dann heiß werden. Das ist unnötig. Ein zur großer Widerstand hält bei offenen Tastern den Eingang nicht sicher auf LOW, vor allem bei Störungen (in Eisenbahnumgebung leicht möglich). Einen Kondensator (z.B. 10µF) zwischen Emitter und (-12V) würde ich dir auch empfehlen.
Da könnte man auch einen Attiny entsprechend programmieren...... Für diese Verwendung würde ich doch ein einfaches Relais in Selbsthaltung verwenden. Evtl. noch ein 2. Relais, wenn es denn unbedingt 2 Schliesser sein müssen.
Hallo, ich finde momentan kein Relais mit einem doppelwechsler damit ich meine Eisenbahn jeweils hin und her fahren lassen kann. zumindestens habe ich mir das so vorgestellt
Salvatore M. schrieb: > zumindestens habe ich mir das so vorgestellt Deine Vorstellung ist prinzipiell richtig. Allerdings musst du damit leben, dass dein Zug dann von Vorwärtsfahrt auf Rückwärtsfahrt direkt und hart umgeschaltet wird. Sieht nicht gut aus und belastet den Schaltkontakt mit einem mehrfachen des normalen Stromes. Wie wäre es mit dem hier: http://www.reichelt.de/Industrierelais/FIN-55-32-9-24V/index.html?;ARTICLE=29136 oder gleich mit einem bistabilen Relais (mit zwei Spulen), wie z.B. hier angeboten: http://wenz-modellbau.eshop.t-online.de/epages/Store_Shop00671.sf/de_DE/?ObjectPath=/Shops/Shop00671/Products/sk0014 auch hier werden welche angeboten: http://stores.ebay.de/Modellbau-Wunderland/Relais-Reedkontakte-Magnete-/_i.html?_fsub=4 Achte auf die Strombelastbarkeit der Kontakte. Beim bistabilen Relais ist es besonders einfach, deine Aufgabe zu erfüllen. Je einen Taster zum Ein- bzw. Ausschalten. Dazwischen hält das Relais dann selber den Zustand.
Habe auch mitlerweile die Schaltung geändert :) Habe mich für ein Relais 12V und 325 Ohm entschieden. Wie berechnet man das? Wie sieht es aus wenn ich ein 5V mit 237 Ohm auswählen wurde? Wenn ich was vergessen habeoder was nicht richtig ist, bitte meckern! :) Danke Leute
Salvatore M. schrieb: > Wie berechnet man das? 12V/325Ω = 37mA. Transistor hat Stromverstärkung minimal 90, mit Sicherheitsreserve Faktor 3 bleiben noch Faktor 30. 37mA / 30 gibt rund 1,x mA. (12V-0,7V) / 1,x mA gibt knapp 10kΩ. Nimm 10k oder 8,2k. > Wie sieht es aus wenn ich ein 5V mit 237 Ohm auswählen wurde? Naja, gleiche Rechnung, nur mit 12/237 ... > Wenn ich was vergessen habeoder was nicht richtig ist, bitte meckern! :) Du hast noch immer vergessen, die Eingänge S2...S4 und R2...R4 an (-12V) zu legen. Keine offenen Eingänge bei CMOS-Bausteinen!
Was ist dem Eingang nc bzw was hat der für eine Funktion? > Wie sieht es aus wenn ich ein 5V mit 237 Ohm auswählen wurde? >Naja, gleiche Rechnung, nur mit 12/237 ... Da der die Spule 237 Ohm hat und nur 5v anliegen brauche ich ja einen Vorwiderstand am Relais. Wie kann ich dies berechnen?Da noch die Diode verschaltet ist. Kennst du vielleicht eine Seite wo ich die Rechnung besser nachvollziehen kann?
nc = not connected, also intern nicht verbunden. Es gibt ja keine 15-Pin Gehäuse :-)
Habe eine Sache vergessen
>Einen Kondensator (z.B. 10µF) zwischen Emitter und (-12V) würde ich dir
auch empfehlen.
was hätte der kondensator dabei für eine Funktion?
  Widerstände berechnen: google "ohmsches Gesetz" Basiswiderstand berechnen: http://www.mikrocontroller.net/articles/Basiswiderstand Der Kondensator dient als Puffer für den Einschaltstrom des Relais. Ein 5V Relais in einer 12V Schaltung macht überhaupt keinen Sinn.
Salvatore M. schrieb: >> Wie sieht es aus wenn ich ein 5V mit 237 Ohm auswählen wurde? >>Naja, gleiche Rechnung, nur mit 12/237 ... > > Da der die Spule 237 Ohm hat und nur 5v anliegen brauche ich ja einen > Vorwiderstand am Relais. Wie kann ich dies berechnen?Da noch die Diode > verschaltet ist. Klaus 2m5 hat ja wesentliches gesagt. Ich bin auch davon ausgegangen, dass du ein 12V-Relais verwendest (weil du eh noch eines beschaffen musst) und habe die 5V überlesen. Sorry. Trotzdem wäre mit Vorwiderstand auch ein 5V-Typ einsetzbar. Man rechnet zunächst den Nominalstrom durch das Relais aus: 5V/237Ω=21mA. Dann bestimmt man für die restlichen 7V den Widerstand: 7V/21mA = 332Ω. 330Ω ist ein Standardwert. Wenn du genau hinschaust, dann ist das Verhältnis der beiden Teilspannungen 5V und 7V gleich dem Widerstandsverhältnis 237Ω und 332Ω. > was hätte der kondensator dabei für eine Funktion? Der Kondensator stützt die Versorgungsspannung beim Umschalten. Durch die Zuleitungswiderstände (induktiv und ohmisch) und Schaltströme können an der Schaltung Spannungsschwankungen auftreten. Die verringert man durch ein solchen Kondensator.
Cool ein großen Dank an alle die mitgewirkt haben!!! habe die Teile schon bestellt muss nur noch abwarten das die ankommen :) ich werde davon nochmals berichten sobald ich die Schaltung aufgebaut habe nochmals danke an alle!!
hallo leute habe ein problem :( die schaltung funktioniert, aber nicht so wie sie soll sobald ich nur die 12 v an dem ic liegen habe schaltet das relais durch und sobald ich die spannug abnehme geht das relais in seine ruhestellung. ich kann weder setzen noch zurücksetzen. Frage: woran kann das liegen?
habe die basis vom transistor getrennt und trozdem fließt strom vom Emitter zum Colector?? Ist vielleicht mein transistor kaputt?
Salvatore M. schrieb: > hallo leute habe ein problem :( die schaltung funktioniert, aber nicht > so wie sie soll Also funktioniert sie nicht ;-) Jetzt wäre es höchstens noch interessant zu wissen, welche Schaltung genau. Dazu gehört ein Schaltplan einschließlich sämtlicher Bauteilbe- zeichnungen bzw. -werte.
hallo also ich habe weiter nach den Fehler gesucht und bin auf dem Transistor gestoßen! Der ist anders nummerriert worden vom Herrsteller. Meine Frage: Habe ich mein Transistor a733 pnp richtig verschaltet von meiner Schaltung? aus dem ic kommt eine positive spannung raus, die Basis verträgt negative Spannung ist das so richtig?
Bist Du sicher, daß dieser A773 ein Transistor ist? Google sagt was von einer Doppeldiode, aber die wissen auch nicht alles. Der Transistor ist an sich richtig verschaltet würd ihm aber noch einen Widerstand zwischen B und E spendieren.
> Habe ich mein Transistor a733 pnp richtig verschaltet von > meiner Schaltung Bis 100mA für das Relais ist der 2SA733 einsetzbar: http://www.radiomods.co.nz/transistors/2sa733.pdf Hast du denn inzwischen auch das richtige 12V Relais und passende Widerstandswerte R2=2k2, R3=R4=10k ?
Hallo und Danke für die schnelle antwort Ich teile euch mit das meine Schaltung mitlerweile Funktioniert JUHHHHUUUUUU!! ich bin serh glücklich^^ Habe mich am ende doch für einen npn Transistor um entschieden. >Der Transistor ist an sich richtig verschaltet würd ihm aber noch einen >Widerstand zwischen B und E spendieren. Was bewirkt das ? was hat das für ein zweck? >Hast du denn inzwischen auch das richtige 12V Relais >und passende Widerstandswerte R2=2k2, R3=R4=10k ? Ja, 1X bc875 transistor R3=R4= 6,5 kOhm R2=5,37 kOhm 1X CD4043 relais= 12V, 190,1 Ohm 1X Diode 1X Elko 10µF Die Schaltung funktioniert :D
Salvatore M. schrieb: >>Der Transistor ist an sich richtig verschaltet würd ihm aber noch einen >>Widerstand zwischen B und E spendieren. > > Was bewirkt das ? was hat das für ein zweck? Soll in der Theorie dazu führen, dass der Transistor schneller sperrt. In der Praxis ist das zum Schalten eines Relais eher überflüssig. Außerdem sorgt der Push/Pull Ausgang des CMOS-ICs schon über den Basiswiderstand für ein ausreichend schnelles Sperren des Transistors.
Bitte melde dich an um einen Beitrag zu schreiben. Anmeldung ist kostenlos und dauert nur eine Minute.
  
  Bestehender Account
  
  
  
  Schon ein Account bei Google/GoogleMail? Keine Anmeldung erforderlich!
Mit Google-Account einloggen
Mit Google-Account einloggen
  Noch kein Account? Hier anmelden.








 Thread beobachten
 Thread beobachten Seitenaufteilung abschalten
 Seitenaufteilung abschalten