Kann mir einerein gutes Tutorial empfehlen(oder es mir so erklären), wie man eine Grafische Oberfläche mit dem Arduino "kommunizieren" lässt. Man muss doch für diese Aktion nur den Serial Port auslesen und verarbeiten? Aber leider weiß ich net wie das praktisch möglich ist. PS: Ich hab ein Uno und das bevorzugte OS ist Linux, Windows geht aber zur Not auch. PPS: Die Programmiersprache ist mir egal(VB, C, C++ ...), mir geht es hauptsächlich ums Prinzip.
Das Prinzip hast Du ja schon beschrieben, via RS232.... Mach fertig...
Abend, Wenn du eine grafische Interaktionsmöglichkeit suchst, schau dir mal Processing an. Da ist es möglich in Sketches organisiert zustände zu visualisieren bzw. Auch zu interagieren. Die Programmierung ist sehr nah an der Arduino IDE. Daher sollte es kaum Probleme geben. MfG
Ich versteh das ganze RS232-getue nicht. Das war/ist duch die Serielle Schnittstelle am PC?? Processing: Hat jemand mal Links? Ich war auf Titelwww.processing.org , aber da hab ich nichts gefunden.
Hallo, Also RS232 ist die andere Bezeichnung (normierte) für die Serielle Schnittstelle des PC. Der hat definierte Pegel und es gibt einen festen "Datenpaketaufbau"... Zusätzlich ist definiert wie Sender und Empfänger arbeiten. Es gibt synchrone und asynchrone Übertragung (mit und ohne Dataclock). Wenn man seriell kommunizieren will, muss man meist nur wissen wo RX (recieve) und TX (trancive) sind, bei 2 Leitungen nicht schwer, und die Baudrate und Parität kennen. Seriell ist die "einfachste" Übertragungsart nach paralleler Kommunikation. Für Grundlagen empfehle ich die Wikipedia Seite oder die Infos in der Wissensdatenbank hier auf der Seite. MfG
Anmerkung asynchron/synchron: es gibt ein Start und stopbit, mit dem die Kommunikation gestartet wird. Fernsehen lenkt doch iwie ab... Hier nen schöner Oldschool Link: http://www.hsg-kl.de/faecher/inf/netze/material/bitfuerbit.html MfG
12V DC schrieb: > Processing: > Hat jemand mal Links? http://lernprocessing.wordpress.com/2010/01/18/processing-links/
EGS schrieb: > RX (recieve) und TX (trancive) Die Sache mit den hippen englischen Fachworten will auch gelernt sein ;-(
Danke für die Links, aber das ganze RS232-Getue ist mir schleierhaft. Ich schließe doch an mein Arduino keine RS232 an. Soll das eine virt. Schnittstelle darstellen??
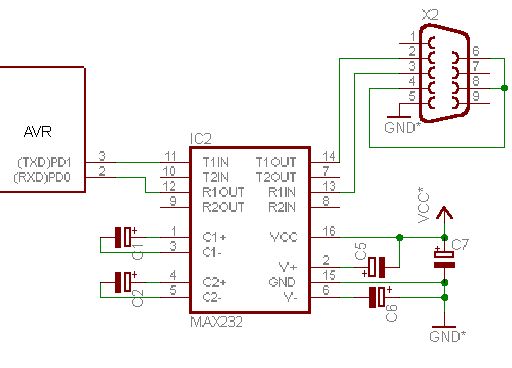
12V DC schrieb: > Danke für die Links, aber das ganze RS232-Getue ist mir schleierhaft. > Ich schließe doch an mein Arduino keine RS232 an. Soll das eine virt. > Schnittstelle darstellen?? Also wenn du solche basics nach mehrfachen erläuterungen und google nicht verstehst, dann wir es etwas eng für dich. Dein Atmega hat eine serielle, asynchrone schnittstelle mit 5 (3,3V) volt pegel. rs232 ist genau das gleiche, nur mit anderen spannungspegeln. dafür gibt es dann standard ics wie dan max232 von maxim welche die reine pegelkonvertierung durchführen. das sollte doch jeder verstehen der lesen kann!!
Ich habe übewr die Links mal drübergeschaut, aber die benutzen alle irgendwelche Processing-plugins/libs für die Arduino IDE (oder seh ich da was falsch?). Ich dachte eher an das auslesen und schreiben über den seriellen Monitor.
12V DC schrieb: > PS: Ich hab ein Uno und das bevorzugte OS ist Linux, Windows geht aber > zur Not auch. > PPS: Die Programmiersprache ist mir egal(VB, C, C++ ...), mir geht es > hauptsächlich ums Prinzip. Wow, jemand der mehr als 3 Programmiersprachen und 2 Betriebssysteme beherrscht, das muss ein Profi sein. Unter Linux nimmst du am besten VB.
Günther schrieb: > Wow, jemand der mehr als 3 Programmiersprachen und 2 Betriebssysteme > beherrscht, das muss ein Profi sein. Unter Linux nimmst du am besten VB. 1.) Man kann fast jeden sourcecode einigermaßen verstehen, wenn der nur annähernd kommentiert ist. C++ kann ich selber nicht. 2.)Unter Linux nimmt man am besten C, da VB(visualbasic) unter Linux gar net geht(is von Microsoft).
12V DC schrieb: > Ich habe übewr die Links mal drübergeschaut, aber die benutzen alle > irgendwelche Processing-plugins/libs für die Arduino IDE (oder seh ich > da was falsch?). Ich dachte eher an das auslesen und schreiben über den > seriellen Monitor. Welchen 'seriellen Monitor'? Egal. Wenn du das selber machen willst, dann wirst du nicht umhin kommen, dir ein Protokoll bzw. Kommandos auszudenken, mit denen 2 Programme (eines auf dem Arduino, eines auf dem PC) miteinander kommunizeren. Dann schickt halt das Programm auf dem Arduino dem Programm auf dem PC den Befehl 'mal eine Texteingabebox an deine Fensterposition 10,10. Die Textbox soll 40 Zeichen breit sein' 'mal den Text an die Fensterposition 10, 0. Und zwar den Text "Eingabe Name"' 'mal einen Knopf an die Fensterposition 30, 40 und schreib 'OK' drauf' Das Programm auf dem PC dekodiert die Befehle und führt sie aus. Dann hat dein Benutzer auf dem PC ein Fenster (das Frontend deines Arduino-Programms) in dem auf Anweisung vom Ardiuno diese 3 Elemente auftauchen. Er gibt den Namen ein, drückt auf OK, und das PC-Programm schickt wieder ein Kommando zum Arduino zurück: "Benutzer hat ok gedrückt". Woraufhin der Arduino ein Kommando zum PC Programmschickt "Gib mir den Inhalt der Textbos" und das PC-Programm antwortet darauf mit dem Inhalt, warauf der Arduino wieder ein Kommando an das PC-Programm schickt "Fenster löschen" Du bist der Programmierer (und zwar beider Programme). Du denkst dir was zu diesem Thema aus.
hier........ ach was solls , ich glaube wir reden aneinander vorbei
dorian schrieb: > hier........ > > ach was solls , ich glaube wir reden aneinander vorbei Im Prinzip nicht falsch, aber sein Ardunio hat bereits eine serielle Datenverbindung zum PC. Schliesslich arbeitet ja der Bootloader bzw. dieses 'Processing' auch da drüber.
Mhh, also Arduino und RS232, das ist ein kompliziertes Thema. Wurde das überhaupt schon erforscht???
da soll es einen Nobellpreis für geben, dann mal ran an die Raketentechnik ;-)
Mit meinem Programm geht das auf anhieb: Beitrag "Projekt: Virtuelle Instrumente an serielle Schnittstelle" Lade Dir einfach die letzte Version 0.41a runter und lies Dir die Hilfe durch. Damit kannst Du wahrscheinlich alles das grafisch darstellen was Du möchtest. In der Hilfe gibt es auch Beispiele für Arduino. Zum Test häng ich da auch immer einen Arduino dran, allerdings programmier ich den mit Luna (über den Bootloader). Wenn Deine Daten schneller kommen probier es hiermit: Beitrag "Daten von der seriellen Schnittstelle einfach darstellen" Da nimmst Du die Version 0.66
Meint ihr mit der seriellen Schnittstelle des Arduino den USB Port? Das ist das einzige, wasch mit dem PCS verbinde. @Dorian Vielen Dank ich habs verstanden. Ich wollte eher wissen wie man das programmier-technische macht.
@Albert M Genau so meine ich es. Da ist auch meine Frage wie sendet man und wie empfängt man?? -Ja gut via USB, aber wie empfange ich die gesendeten Daten vom Arduino und wie sende ich die? -via serial.print? Muss ich ans Arduino ne extra Schnittstelle ranhängen, wie dorian bewschrieben hat?
Nein Du musst an den Arduino keine extra Schnittstelle hängen. Der PC erkennt den über USB angeschlossenen Arduino als virtuelle serielle Schnittstelle. Unter Windows greifts Du dann mit der Programmiersprache Deiner Wahl (C, C#, VB, Delphi ...) auf diese virtuelle Schnittstelle zu. Wie das dann genau im Einzeln geht, steht bestimmt im Manual der Programmiersprache. Da fängt dann Deine Eigeninitiative an ...
Ich würde sagen: Die Anzahl an grafischen Oberflächen - was auch immer Du darunter Verstehst - die RS232 sprechen, ist recht gering. Meistens sind dann Terminals gemeint oder intelligente Touch-Screens. Viele haben ihr eigenes Format (Befehlssatz) und werden über einen parallel Bus, einen "halben" Bus oder auch I²C und CAN angesprochen. Auch findet man hier oft Billigschnittstellen wie TTL-RS232 und verschiedene andere serielle Protokolle. Vielleicht kannst Du uns ein wenig, zu Deiner Vorstellung von einer grafischen Oberfläche, erleuchten. Dann sind so Antworten wie: >>Es gibt<<, >>Du brauchst<< usw. leichter zu Formulieren. Vor allem: Brauchst Du einen Rückwärtsgang? Also nur Anzeige von Irgendwas, oder auch Bedienung (Rückmeldung).
@AlbertM Ok schon mal verstanden, aber das wird doch nicht in den Manuals stehen, da braucht man doch Libs oder irre ich mich? @Amateur Ich meine so Oberflächen, wie du sie als 'normale' windowsfenster kennst, also mit Buttons, Labels & Co. Unter Linux meine ich dann Gtk Fenster. Im Prinzip soll das Programm so aussehen: Button wird gedrückt, LED am Arduino geht an.
@12V Dann brauchst Du das volle Programm, bestehend aus Schlüsselbefehlen und Strukturierten Antworten. Wenn es nicht eilt, macht man so etwas natürlich am Besten in ASCII. Da kann man dann auch ein einfaches Terminal für den Test verwenden. In wie fern sich die USB-Schnittstelle (Emulator) hierfür verwenden lässt weiß ich nicht. Auf Seite des Arduino gibt es einen ausreichenden Befehlssatz zur Steuerung der seriellen Schnittstelle. Auf PC-Seite kommt es natürlich auf die Programmierumgebung an. Sowohl Linux als auch Windoof sind hier ausreichend bestückt.
Mein Rat. Vergiss erst mal die ganzen grafischen Oberflächen. Du hast mit dem Arduino eine einfache vorkonfigurierte Möglichkeit, wie du am PC ein Textfenster aufmachen kannst und per Serieller Schnittstelle (die intern über USB geführt wird) auf dieses Terminal Text ausgeben und von dort Text einlesen kannst. Beschäftige dich erst mal damit. Dafür gibt es auch jede Menge Tutorien am Netz. Und wenn du da dann erst mal firm bist, dann kommt der nächste Schritt. Das lernen, wie man auf dem PC unter einem bestimmten Betriebssystem ein Programm mit grafischer Oberfläche aufbaut. Aber im Moment willst du zu viel. Das kannst du nicht mehr stemmen. Jetzt noch nicht.
12V DC schrieb: > @AlbertM > Ok schon mal verstanden, aber das wird doch nicht in den Manuals stehen, > da braucht man doch Libs oder irre ich mich? Kommt auf Deine bevorzugte Programmiersprache an. So viel ich mich erinnere geht das z.B. in VB direkt, in Delphi immer über zusätzliche Components, in anderen Sprachen über Lib's. Für alle Programmiersprachen gibt es gute deutsche Foren. Einfach da nachfragen. Im Allgemeinen ist es relativ einfach die serielle Schnittstelle anzusprechen. Da Du Dich aber nicht festlegen magst, unter welcher Umgebung und welcher Programmiersprache Du was machen willst, wirst Du hier keine passende Antwort bekommen. Eine Gehhilfe zur Fragestellung z.B.: Wie spreche ich unter Windows 7 mit C die serielle Schnittstelle an.
@karl heinz Gut dann halt ohne Grafische Oberfäche. Aber das Problem bleibt:Wie lasse ich das ganze miteinander kommunizieren? Schreibe ich auf Arduino-Seite einen Skech, der auf Signale von der seriellen Schnittstelle Wartet(nebenbei: wie würde da der befehl lauten 'Serial.read'?)? PS: Ich lege mich fest: C + Linux(Windows ist aber auh kein Problem)
12V DC schrieb: > Aber das Problem bleibt:Wie > lasse ich das ganze miteinander kommunizieren? Das denkst DU dir aus, etwas mehr Kreativität bitte :)
Hier geht es nicht um Kreativität. Hier sollte mir jemand sagen, der das schon mal gemacht hat, wie man das macht, oder wo es ein gutes Tutorial gibt. Klar irgendwie serielle Kommunikation, aber wie??
12V DC schrieb: > Hier geht es nicht um Kreativität. Doch natürlich. Weil DU dir für deine Anwendung ein Protokoll ausdenken musst. Deine Anwendung gibt es nämlich nur einmal. Darum gibts dafür kein fertiges Protokoll. > Hier sollte mir jemand sagen, der das > schon mal gemacht hat, wie man das macht, oder wo es ein gutes Tutorial > gibt. Tutorial für was? Wie man die serielle Schnittstelle benutzt? Findest du reichlich für AVR, Arduino und noch mehr für sämtliche Programmiersprachen am PC. Alles weitere ist DEIN Protokoll. Welche Daten werden gesendet? Pakete, Länge, Header? Checksumme?. Welche Kommandos gibt es. Welche Argumente für welches Kommando usw usw. Das alles läuft oberhalb der seriellen Verbindnung. Dein Problem wird aber sein, du kannst das mit der seriellen Verbindung noch gar nicht. Und dafür gibts aber reichlich Infos im Netz. Also üben üben. Erstmal die Basics dann kommt deine Anwendung. gruß cyblord
12V DC schrieb: > Hier geht es nicht um Kreativität Doch genau darum gehts. Dein Computer und der Arduino "reden" mit einander und wie genau das bestimmst du alleine. Stell dir doch mal vor du hast vier LEDs an den Arduino angeschlossen und hast ein ganz einfaches Programm auf dem PC laufen. Einfach ein Fenster mit 4 Buttons die mit 1,2,3 und 4 beschriftet sind. Mit jedem Button kannst du eine LED am Arduino an oder aus schalten. Du klickst auf einen Button (z.b. den der mit 1 beschriftet ist) dann sendet bein PC das Byte 0b00000001 an den Arduino. Der liest das und "weiß" (weil du das so programmiert hast) dass er jetzt LED 1 anschalten soll. bei den Buttons 2 3 und 4 sendet der PC halt jeweils 0b00000010, 0b00000011 oder 0b00000100. Fertig ist das simple serielle Protokoll.
@ 12V DC Albert M. schrieb: > Mit meinem Programm geht das auf anhieb: > Beitrag "Projekt: Virtuelle Instrumente an serielle Schnittstelle" > Lade Dir einfach die letzte Version 0.41a runter und lies Dir die Hilfe > durch. Damit kannst Du wahrscheinlich alles das grafisch darstellen was > Du möchtest. In der Hilfe gibt es auch Beispiele für Arduino. Anscheinend bist Du auch Hilfe-Resistent. Also nochmal: Die von Dir gewünschten Beispiele für verschiedene Programmiersprachen ( C, C für Arduino, Bascom, Luna ) findest Du in der Hilfe meines Programms. Da kannst Du sehen wie die Schnittstelle auf der MC-Seite angesprochen wird. Aber das ist wahrscheinlich wieder in den Wind gesprochen. Aber ich habe langsam auch so das Gefühl wie die anderen hier, dass Du besser ganz klein bei den Grundlagen anfängst.
>Anscheinend bist Du auch Hilfe-Resistent.
Es könnte aber auch sein, der Poster "12DC" die Beiträge in diesem
Thread noch nicht verstehen konnte.
Hier eine vereinfachte Anleitung:
1. das Programm von Albert auf den PC laden
2. Den Arduino an den PC mit einem USB-Kabel anschließen
3. die Arduino IDE starten
4. die Arduino Beispiele von Alberts Programm auf Arduino laden
5. das PC-Programm von Albert starten
@Eumel Ja aber ich kann mir nichts ausdenken, wenn ich nicht weiß, wie ich signale via USB ans Arduino sende(mit C). genau das möchte ich wissen. @Albert, chris_ Ich bin nicht hilferesistent, aber ich finde in den viuelen Beiträgen halt die Sources net(nur den setup(das sind doch net die sources?)). Wenn ihr mir einen ungefähren Zeitraum sagen könnt, wann das gepodstet wurde, wäre ich schon zufrieden. ;)
12V DC schrieb: > @Eumel > Ja aber ich kann mir nichts ausdenken, wenn ich nicht weiß, wie ich > signale via USB ans Arduino sende(mit C). genau das möchte ich wissen. Welchen Teil des Satzes "Vergiss USB, du hast damit nichts zu tun." verstehst du nicht? Welchen Teil des Satzes "Du musst dich damit beschäftigen, wie eine serielle Datenverbindung mit dem Arduino System Software-mässig funktioniert. Dazu gibt es Tutorien im Netz" verstehst du nicht?
12V DC schrieb: > Ich bin nicht hilferesistent, aber ich finde in den viuelen Beiträgen > halt die Sources net(nur den setup(das sind doch net die sources?)). Schon ausprobiert? Also wenn ich ein Zip File downloade, in dem lediglich ein EXE drinnen ist, dann führe ich das halt mal aus (wenn ich dem Autor vertraue). Und dann schau ich nach, was dieses Setup mir alles auf die Festplatte kopiert hat. Ich geb dir recht, dass es im gegenständlichen Fall netter wäre, wenn im Zip-File die einzelnen Dateien direkt enthalten wären. Aber so hat das auch seine Berechtigung. Man hat ein EXE und ist sich sicher, dass man beim weiterkopieren dieses einen EXE keine Datei vergessen haben kann.
Ich hab das Programm installiert! Keine Sources gefunden! Aber ich lasse mich da eines besseren belehren. "Vergiss USB" USB ist die einzige Schnittstelle, die das Arduino hat, also vergesse ich sie nicht. "Tutorien im Netz" ich würde ja hier wohl nicht fragen, wenn ich welche gefunden hätte. Also ich benötige einfach eine Anleitung, da ich auf dem Gebiet(Grafik fürs Arduino) komplett neu bin. So schwer zu verstehen?
12V DC schrieb: > Ich hab das Programm installiert! Keine Sources gefunden! Aber ich lasse > mich da eines besseren belehren. Wäre das erste mal. Du bist Beratungs- und Bildungsresistent. > "Vergiss USB" USB ist die einzige Schnittstelle, die das Arduino hat, > also vergesse ich sie nicht. Du kapierst nicht, dass es nicht um USB geht, sondern um die serielle Schnittstelle, welche hier über eine USB-Verbindung aufgebaut wird. Aber für dich ist es eine serielle Schnittstelle. Egal ob echt oder virtuell. > Also ich benötige einfach eine Anleitung, da ich auf dem Gebiet(Grafik > fürs Arduino) komplett neu bin. So schwer zu verstehen? Um Grafik gehts hier noch gar nicht. So schwer zu verstehen? Erstmal musst du mit dem Grafischen System (z.B. PC) kommunizieren können. Du bist hoffnungslos. Werd Gärtner. So schwer zu verstehen?
12V DC schrieb: > Ich hab das Programm installiert! Keine Sources gefunden! Aber ich lasse > mich da eines besseren belehren. > > "Vergiss USB" USB ist die einzige Schnittstelle, die das Arduino hat, > also vergesse ich sie nicht. Doch. Vergiss sie. Denn du hast mit USB nichts zu tun. Auf der Arduino Seite sprichst du die Datenverbindung als ganz normale serielle Verbdinung an. Auf der PC Seite kommen die Daten wieder aus einer ganz normalen seriellen Verbdinung raus. Dass die Daten zwischendurch mal auf einem USB Kabel waren, ist nichts, was dich interessieren müsste. Sie hätten auch per Brieftaube befördert werden könnnen. Das alles ist für dich nicht relevant. Für dich als Programmierer der Arduino Seite steckst du deine Daten in eine serielle Schnittstelle rein und für dich als Programmierer der PC-Seite kommen sie wieder aus einer seriellen Schnittstelle raus. Um den Transport dazwischen musst du dich nicht kümmern. Jetzt klarer? > "Tutorien im Netz" ich würde ja hier wohl nicht fragen, wenn ich welche > gefunden hätte. Ah geh. In 10 Sekunden kann ich mit Google haufenweise Tutorien finden, die haarklein auf das Thema "Arduino serielle Schnittstelle" eingehen. > > Also ich benötige einfach eine Anleitung, da ich auf dem Gebiet(Grafik > fürs Arduino) komplett neu bin. So schwer zu verstehen? Vergiss erst mal "Grafik für Arduino". Erst mal musst du die Kommunikation hinkriegen. Denn die Grafik findet nicht am Arduino statt. Die Grafik findet am PC statt. Dein Arduino ist ein Kiebitz am Pariser Mont Matre, der dem eigentlichen Zeichner Kommandos zuruft, was er zeichnen soll. Dazu muss er aber erst Reden und dann Französisch lernen. Bei dir eben "der UMgang mit der seriellen Schnittstelle und der Vereinbarung von Kommandos". Aber erst kommt der Umgang mit der seriellen Schnittstelle.
Also, irgendwie funktioniert das mit dem HTTP-Protokoll auch rund um die Welt und letztlich werden da nur Textblöcke über eine quasi-serielle Leitung (was das Analogon TCP im IP darstellt) hin und her geschoben. Wenn du schon einmal grafische Oberflächen programmiert hast, weißt du auch, das der Button-Click als Ereignis-Botschaft in deiner Click-Routine ankommt, und wenn du das schon öfters gemacht hast, auch, dass die Click-Routine die Erledigung zurückgibt. So ähnlich passiert das im HTT-Protokoll. Also auf Arduino-Seite hast du einen Kommando-Interpreter, der solange Ziechen in einen Puffer sammelt, bis die Befehlsbestätigung Linefeed kommt. Dann wird der Puffer-Inhalt interpretiert. Wenn er nicht verstehbar ist (weil keine Ausführungsroutine für hinterlegt ist) gibt er sicherheitshalber "NOK" (für nicht verstanden) abgeschlossen mit einen LF zurück. Alle verstehbaren Befehle werden entweder mit OK oder einen passenden Wert beantwortet (und natürlich mit LF anbgeschlossen). In der grafischen Oberfläche übersetzt du deine Ereignisse als Befehle in die serielle Schnittstelle (deine Ereignisbehandlung übersetzt in die serielle Schnittstelle). An die serielle Schnittstelle (welche in .net z.B. als Objekt einrichtbar ist) hängst du ebenfalls eine Ereignisbehandlungsroutine, die die Antworten deines Arduino auszuwerten im Stande ist. Geschickt in dem Fall ist, wenn dein Arduino Antworten gibt, die auf den ursprünglichen Befehl zurückschließen lassen. Denn dann braucht deine Routine an der seriellen Schnittstelle nichts von den übergebenen Befehlen zu wissen. So weit die Skizze, Inhalte musst du selber erfinden. Was ich noch ausprobieren wollte, war die SLIP-Client-Implementierung mit Port-Server auf dem Arduino. Dann braucht dein SLIP-Host nämlich nur noch eine Route ins Netz und dein Arduino kann von jeden beliebigen Netzwerk-Rechner angesprochen werden. Aber das schluckt natürlich ordentlich Speicher im Arduino.
12V DC schrieb: > Ich hab das Programm installiert! Keine Sources gefunden! Aber ich lasse > mich da eines besseren belehren. Was an meinem Satz: "In der Hilfe gibt es auch Beispiele für Arduino." verstehst Du nicht? Also nochmal für Dich: Im Programm klick auf "Hilfe". Dann öffnet sich die Hilfe/Anleitung (als PDF-File). Darin findest Du die Programmierbeispiele, unter anderem auch für Arduino. ... und ich bin jetzt hier raus.
Vielen Dank genauso hätte es doch auch am Anfang sein können. Ich hab halt das Hilfe auf irgendeinen File bezogen, der in der zip herumliegen sollte. sorry. Danke Karl Heinz und pst, jetzt habe ich auch verstanden wonach ich suchen muss. War halt mich so auf die serielle aus.
Die Seriell-Emulation über USB scheint nur veraltet, sie ist aber die universellste Anbindungsmöglichkeit. Auch deswegen weil sie seit langen in der Computertechnik eingesetzt wird (siehe SLIP). Zur Beruhigung: Auch die COM-Emulation über USB überträgt mit der Verfügung stehenden USB-Geschwindigkeit von 1,5 oder 12 MBit/s. Die in diesen Emulationen implementierten "Übertragungsgeschwindigkeiten" (z.B. 9600 Baud) dienen lediglich der Mitteilung dem Client auf der Gegenseite, der das ggfls. auf eine reale dran angeschlossene serielle Schnittstelle übersetzen kann. Wenn der Host bei der Übertragung "zu schnell" wird, gibt es auch im USB-Protokoll das "Nicht verstanden" Signal, welches so lange zurückgegeben wird, bis wieder Daten verarbeitet werden können. Der im Arduino Leonardo oder Micro (Atmega32u4) enthaltene Stack kann das aber direkt weiterverarbeiten. Die effektive Übertragungsrate hängt eher von der Verarbeitungsgeschwindigkeit des Arduino ab, denn von der eingestellten Übertragungsrate. Durch Erfindung eines eigenen USB-Protokolls erreichst du keinen Geschwindigkeitsvorteil, eher im Gegenteil, nämlich jeden Pipifax im USB-Protokoll selbst feintunen zu müssen, bis hin zum Treiber im Host selber.
Interessant währe villeicht auch die Verwendung der remote display funktion von µGFX. Als Interface würde man halt einfach seriall statt TCP/IP implementieren. http://ugfx.org
Bitte melde dich an um einen Beitrag zu schreiben. Anmeldung ist kostenlos und dauert nur eine Minute.
Bestehender Account
Schon ein Account bei Google/GoogleMail? Keine Anmeldung erforderlich!
Mit Google-Account einloggen
Mit Google-Account einloggen
Noch kein Account? Hier anmelden.
