Forum: Mikrocontroller und Digitale Elektronik LED Reihe 2 aus 10


von Rene S. (Firma: BfEHS) (rschube)


Lesenswert?

Hallo,

kann mir jemand von euch helfen? Ich will aus einem kleinen ATtiny 
einige LEDs ansteuern. Es sollen immer zwei (die nebeneinander liegen) 
leuchten.
Ich kann aber die LEDs nicht direkt aus dem uC ansteuern, soviele Pins
habe ich nicht frei.

Ich wollte einen TTL Zähler nehmen und ggf. noch mit ein paar Dioden.
Nur komme ich damit nicht klar.
1
Zähler | LED1 | LED2 | LED3 | LED4 | LED5 | LED6 | LED7 | LED8 | LED9 | LED10
2
-------+------+------+------+------+------+------+------+------+------+------
3
  1    |  1   |  1   |  0   |  0   |  0   |  0   |  0   |  0   |  0   |  0
4
  2    |  0   |  1   |  1   |  0   |  0   |  0   |  0   |  0   |  0   |  0
5
  3    |  0   |  0   |  1   |  1   |  0   |  0   |  0   |  0   |  0   |  0
6
  4    |  0   |  0   |  0   |  1   |  1   |  0   |  0   |  0   |  0   |  0
7
  5    |  0   |  0   |  0   |  0   |  1   |  1   |  0   |  0   |  0   |  0
8
  6    |  0   |  0   |  0   |  0   |  0   |  1   |  1   |  0   |  0   |  0
9
  7    |  0   |  0   |  0   |  0   |  0   |  0   |  1   |  1   |  0   |  0
10
  8    |  0   |  0   |  0   |  0   |  0   |  0   |  0   |  1   |  1   |  0
11
  9    |  0   |  0   |  0   |  0   |  0   |  0   |  0   |  0   |  1   |  1
Ich habe nur 3 Pins für Clock, Up/Down, Reset zur Verfügung.
Geht das und wenn ja wie? Ich würde mich über etwas Hilfe freuen,

Grüße aus Berlin

von Max H. (hartl192)


Lesenswert?

Rene Schube schrieb:
> Geht das und wenn ja wie?
Porterweiterung mit SPI
Wenn du keine SPI-Pins frei hast kannst du natürlich auch Soft-SPI 
machen.

von Mike (Gast)


Lesenswert?

Rene Schube schrieb:
> Ich habe nur 3 Pins für Clock, Up/Down, Reset zur Verfügung.
> Geht das und wenn ja wie?

Damit kannst du einen anderen µC steuern, der dann deine LEDs steuert. 
Wenn du dort nicht wieder auf das gleiche Problem stoßen willst, nimmst 
du entweder einen µC mit mehr IO-Pins oder du entscheidest dich bei 
deinem jetzigen die Up/Down Leitung als Datenleitung zu verwenden und 
hängst da zwei kaskadierte 74HC595/TPIC6a595, oder was sonst deinen 
LED-Strom treiben kann, dran.

von Bernd N (Gast)


Lesenswert?

4094 Schieberegister.

von Markus (Gast)


Lesenswert?

4017 und Ausgänge ODER verknüpfen.

von Christian R. (ceperiga)


Lesenswert?

4094, wie bereits geschrieben oder PCF8574 über I²C. MAX 7219 geht auch

von Werner S. (wernertrp)


Lesenswert?

Zwei Schieberegister 2x8 Ouputs, dann sind noch 6 Ausgänge übrig.
Welch eine Verschwendung.
Aber alles ist sehr flexibel.
Natürlich könntest Du auch zwei Leds zusammenfassen, dann genügt 1 
Schieberegister.

Wie kommst Du auf Zähler verwenden. ?

von Rene S. (Firma: BfEHS) (rschube)


Lesenswert?

Werner Schubert schrieb:

> Wie kommst Du auf Zähler verwenden. ?

Hallo, erstmal vielen Dank für das Feedback.

auf Zähler bin ich gekommen weil ich zuerst über einen 'decade up/down 
counter' nachgedacht habe. Nur bin ich nicht mit den zwei LEDs versetzt 
klar gekommen. Hab verschiedene Varianten mit Dioden versucht, aber so 
hat es nicht funktioniert.

mfg Rene

von Mike (Gast)


Lesenswert?

Rene Schube schrieb:
> Hab verschiedene Varianten mit Dioden versucht, aber so
> hat es nicht funktioniert.

Dann war da was falsch dran. Wenn du einen Zähler mit Dekoder hast und 
jede LED über jeweils eine Dioden an zwei Ausgänge hängst, muss das 
funktionieren. Der Tip von Markus war da schon richtig.

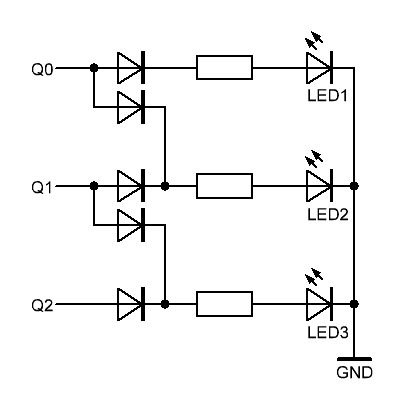
von Markus (Gast)


Angehängte Dateien:

Lesenswert?

Rene Schube schrieb:
> Nur bin ich nicht mit den zwei LEDs versetzt
> klar gekommen.

Nach dem Prinzip geht es.

Bitte melde dich an um einen Beitrag zu schreiben. Anmeldung ist kostenlos und dauert nur eine Minute.
Bestehender Account
Schon ein Account bei Google/GoogleMail? Keine Anmeldung erforderlich!
Mit Google-Account einloggen
Noch kein Account? Hier anmelden.