Im Datenblatt des PIC16F819 als max. zulässige Spannung an allen Pin's etwa 5.5V. Kann ich dennoch über einen (großen) Widerstand einen Eingabeport (ohne PullUp) an 15V anschließen und mit dem MC die Spannung nach unten ziehen? Gruß Helle
Die max. Spannung an den Pins ist -0.3V to (VDD+0.3V). Da CMOS Eingänge interne Schutzdioden habe, siehe Datenblatt S. 40 und Folgende, kannst du die 15V über einen Widerstand an die Pins anhängen. Die Dioden halten laut Absolute Maximum Ratings 20mA aus.
hheck schrieb: > Im Datenblatt des PIC16F819 als max. zulässige Spannung an allen Pin's > etwa 5.5V. > > Kann ich dennoch über einen (großen) Widerstand einen Eingabeport (ohne > PullUp) an 15V anschließen und mit dem MC die Spannung nach unten > ziehen? Können schon. Der PIC wird das aber nicht mögen. Ein kleiner NPN-Transistor mit Basis-Vorwiderstand ist die Lösung. fchk PS: Nicht mit den Absolute Maximum Ratings im Datenblatt planen. Das sind die Werte, bei denen der Chip zuverlässig gerade noch nicht sofort beschädigt wird. Ein Dauerbetrieb bei diesen Werten wird NICHT garantiert. Du designst mit den Werten aus den Recommended Ratings, um auf der sicheren Seite zu sein.
Danke, euch Beiden, habs kapiert! Ich wollte einen NPN-Darlington als Spannungsfolger ansteuern. Hätte aber an PortA wegen der Schutzdioden sowieso nicht funktioniert. An PortB sind die zwar wohl nicht vorhanden, aber dann stehen die 15V an den internen Komponenten an, was die sicher nicht ertragen. Also doch die PullDown-Transistoren, die ich eigentlich wegrationalisieren wollte. Also: Erst denken, dann schreiben! Danke, Helle
Eine Spannung von 15V an einen Eingangsport anschließen - kein Problem - schalte 100k Ohm davor. Die dann auf 0V schalten - geht nicht, ist ja ein Eingangspin. Schreib mal besser, was Du WIRKLICH willst.
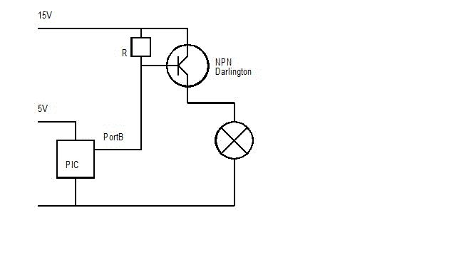
hheck schrieb: > Eigentlich wollte ich sowas machen, > > Gruß > Helle Warum um alles in der Welt willst du das so machen? Das ist doch der klassische Fall von Open-Collector. Nimm den R von den 15V weg, hänge ihn zwischen Port-Pin und Basis und fertisch! Dann ist nix mit zu viel Spannung am PIC. ;-)
Michael L. schrieb: > Das ist doch der klassische Fall von Open-Collector. Nimm den R von den > 15V weg, hänge ihn zwischen Port-Pin und Basis und fertisch! Und wie, bitte, kommt der Ausgang vom Darlington über 4V ?
Mach es einfach so und gut ist. http://www.bristolwatch.com/ele/img/tr9.gif Zum Highside Schalten würde ich keinen NPN-Darlington verwenden, da du so immer ca. 1.4V Spannungsabfall am Transistor hast. hheck schrieb: > Und wie, bitte, kommt der Ausgang vom Darlington über 4V ? Kommt er bei denen Schaltung auch nicht wirklich. Durch die internen Schutzdioden hast du maximal ca. 5.7V am Pin und am Emitter des PNP Darlington maximal ca. 4.3V.
Vielleicht will er aber unbedingt High-Side schalten? Auch das geht anders besser.
Nachtrag: Wenn's unbedingt ein NPN Highside sein muss dann könnte man es so wie im Anhang machen. Besser wäre aber mit dem NPN Lowside oder mit einem PNP Highside zu schalten.
Bleib noch die Frage wieso du mit einen NPN-Darlington Highside schalten willst.
hheck schrieb: > Michael L. schrieb: >> Das ist doch der klassische Fall von Open-Collector. Nimm den R von den >> 15V weg, hänge ihn zwischen Port-Pin und Basis und fertisch! > > Und wie, bitte, kommt der Ausgang vom Darlington über 4V ? Ups, so spät ... und nicht richtig hingeguckt. Die Lampe ist ja "unten". - Tut das Not? Wenn du unbedingt so schalten willst, dann nimm einen PNP-Darlington, und setze einen NPN davor. Edit: http://www.elektronik-kompendium.de/public/schaerer/powsw1.htm
Ok. Das ist Teil einer H-Schaltung für die Scheibenwischermotoren, die ich als Servo betreibe für die Drehzahlstellung meiner Dieselmotoren in meinem Boot! Diese Motoren haben einige gravierende Vorteile: Billig, robust, hohes Drehmoment, selbstsperrend. Aber auch einen massiven Nachteil: hohes Schwungmoment! Also zum schnellen Stoppen kurzschließen. Das funktionierte mit Standard-H-Schaltung (PNP/lowside und NPN/highside) nicht. Also NPN auf allen vier Quadranten. Das funktioniert nun seit 1994 mit einer Ansteuerung über Komperatoren, erfordert aber immer noch relativ große Hysterese, was es erschwert, beide Motoren auf gleiche Drehzahl zu bekommen. Ich will das jetzt optimieren, indem ich die vier Transistoren über MC ansteuere. Alles klar? Gruß Helle
Hallo, das geht zwar, ist aber nicht empfehlenswert: 1. sind die "absolute maximum" ratings kein zulässiger Betriebszustand - der µC kann sich undefiniert verhalten (beim Port allerdings nicht sehr wahrscheinlich). Bitte die Entsprechenden Hinweise im Datenblatt beachten. 2. haben nicht alle Ports Clampingdioden. Die 5V-Toleranten z.B. eher nicht (wie auch...). 3. können Ströme in die 3V3 die Spannung hochdrücken. schließlich fließt ein Strom von den 15V in die 3V3. Das kann bei diversen Stromsparmodi (deep-sleep) auch bei einem sehr hohen Widerstand passieren, wenn der Strom nicht irgendwo verbraucht wird. Daher würde ich eher einen Spannungsteiler nehmen. der eine Widerstand ist jetzt nicht so wahnsinnig teuer und die Lösung ist sauber.
hheck schrieb: > Im Datenblatt des PIC16F819 als max. zulässige Spannung an allen > Pin's > etwa 5.5V. > > Kann ich dennoch über einen (großen) Widerstand einen Eingabeport (ohne > PullUp) an 15V anschließen und mit dem MC die Spannung nach unten > ziehen? > > Gruß > Helle Willst du jetzt nen Eingang mit 15V ansteuern (wegen "Eingabeport") oder willst du 15V schalten (wegen "die spannung nach unten ziehen"). 15V schalten: Bei ner simplen Lampe würde ich die Lampe an 15V hängen und mit einem NPN-Transistor inkl. Basiswiderstand oder N-Ch. MOSFET "die Masse schalten". Eingang mit 15V schalten: Ansich tut es ein Spannungsteiler. Z.B. 2k2 und 1k1.
hheck schrieb: > Ok. > Das ist Teil einer H-Schaltung für die Scheibenwischermotoren, die ich > als Servo betreibe für die Drehzahlstellung meiner Dieselmotoren in > meinem Boot! [...] > > Alles klar? > Gruß > Helle Waren soviele Fragen/Antworten nötig um die Wahrheit aus Dir zu entlocken ? Viele ernsthafte Schreiber haben jetzt nämlich die Lust verloren, diesen sinnlosen Thread weiter zu verfolgen oder sinnvolle Antworten zu geben. Merke Dir: So wird das nix !!! BTW: Ich habe jetzt auch keine Lust mehr...
hheck schrieb: > Das ist Teil einer H-Schaltung für die Scheibenwischermotoren, die ich > als Servo betreibe für die Drehzahlstellung meiner Dieselmotoren in > meinem Boot! Ah, kenn ich. Wie bei dem Ausflugsboot das letzte Tage in den Kai gekracht ist.
Bernd Rüter schrieb: > Waren soviele Fragen/Antworten nötig um die Wahrheit aus Dir zu > entlocken ? Nein, die wären nicht nötig gewesen. Hättest du dich z.B. gleich mit meiner Frage beschäftigt, statt zu nörgeln, wozu ich das denn wissen will (was dich eigentlich gar nichts angeht), wären wir schneller zum Ziel gekommen. Danke nochmal für alle konstruktiven Antworten, Helle
hheck schrieb: > Bernd Rüter schrieb: >> Waren soviele Fragen/Antworten nötig um die Wahrheit aus Dir zu >> entlocken ? > > Nein, die wären nicht nötig gewesen. > > Hättest du dich z.B. gleich mit meiner Frage beschäftigt, statt zu > nörgeln, wozu ich das denn wissen will (was dich eigentlich gar nichts > angeht), wären wir schneller zum Ziel gekommen. > > Danke nochmal für alle konstruktiven Antworten, > Helle Du hast doch einen Vogel! Was hat: --- Kann ich dennoch über einen (großen) Widerstand einen Eingabeport (ohne PullUp) an 15V anschließen und mit dem MC die Spannung nach unten ziehen? --- mit einer H-Brücken-Ansteuerung für einen Motor zu tun ? An den Admin: Sowas lasse ich nicht an mir kleben !
Bitte melde dich an um einen Beitrag zu schreiben. Anmeldung ist kostenlos und dauert nur eine Minute.
Bestehender Account
Schon ein Account bei Google/GoogleMail? Keine Anmeldung erforderlich!
Mit Google-Account einloggen
Mit Google-Account einloggen
Noch kein Account? Hier anmelden.


