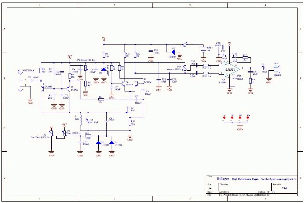
Auf http://scitec.hubpages.com/hub/High-Performance-Regen-Receiver und http://www.theradioboard.com/rb/viewtopic.php?f=4&t=4656 gibt es einen Geradeaus-Empfänger in dem einen ProduktDetektor zum Demodulieren des Hochfrequenzsignals verwendet wird. Es händelt hier sich um eine Long Tailed Pair-Schaltung (T3, T4, T5) in der das Hochfrequenzsignal mit sich selbst mischt und das NF-signal am Ausgang des Mischers entsteht. Zum Verbessern der Selektivität und der Empfindlichkeit wird auch eine Entdämpfungsschaltung (Q-Multiplier mit T2 und T3) verwendet.
Der Aufwand ist schon recht groß. Zudem fehlt ein HF-Regler und zwei Kollektoren bedämpfen die Grundgüte des Schwingkreises. Das bedeutet auch eine erhöhte Drift. Mit zwei BJTs ist die Bedämpfung wenigstens nicht so groß, als bei zwei J310. Deshalb scheint die Schaltung doch einigermaßen zu funktionieren. Es macht Sinn, den Q-Multiplier und den Detektor voneinander zu trennen. Das verringert eine gegenseitige Beeinflussung. Ein HF-Verstärker zwischen dem Schwingkreis und dem Detektor verbessert die Empfindlichkeit für AM, reduziert Fading und macht die Bedienung bequemer. Trotz der aufwändigen Detektorschaltung ist sie nicht besonders empfindlich. Bei einem unempfindlichen Detektor muss man bei schwachen Signalen mit der Rückkopplung eine ganz schwache Schwingung einstellen und den AM-Träger darauf einrasten lassen. Der Klirrfaktor ist zwischen 50mV und 300mV am Schwingkreis recht niedrig. Der Vorverstärker muss also das Signal ordentlich verstärken, was einen sauberen Klang bei AM-Signal ergibt. Damit ist der Schwingkreis für CW und SSB überladen und wie am Anfang erwähnt, wäre dann dringend ein HF-Regler erforderlich.
B e r n d W. schrieb: > Ein HF-Verstärker zwischen dem Schwingkreis und dem Detektor verbessert > die Empfindlichkeit für AM, reduziert Fading und macht die Bedienung > bequemer. Trotz der aufwändigen Detektorschaltung ist sie nicht > besonders empfindlich. Bei einem unempfindlichen Detektor muss man bei > schwachen Signalen mit der Rückkopplung eine ganz schwache Schwingung > einstellen und den AM-Träger darauf einrasten lassen. Siehe oberstehend Schaltbild, man muß eine Verstärkerstufe benützen der das Signal vom Schwingkreis L1/C5 abnimmt, verstärkt und die Modulationsseitenbänder des Signals entfernt. Das Signal wird dan weiter an die Basis des T5s zugefürht und wird gemischt mit dem Signal von L1/C5 und T3. Hier kann mann mehr lesen über Synchrondemodulation http://www.radio-electronics.com/info/rf-technology-design/am-reception/synchronous-demodulator-demodulation-detector.php
Hallo Mast Eine Synchrondemodulation funktioniert doch nur, wenn sich schon eine Schwingung aufgebaut hat, was man dann als Regenerodyne bezeichnet. Er beschreibt aber die AM-Demodulation vor dem Schwingungseinsatz. Schaltungsbeschreibung als pdf: http://www.theradioboard.com/rb/download/file.php?id=176 Die Schaltung ist sicher nicht schlecht, aber sie ist für AM optimiert und wird ohne HF-Regler mit SSB nicht klarkommen. Auf theradioboard.com wird die Verwendung der beiden 1N4007 bemängelt. Wechselt man den Dioden-Hersteller, wird die Kapazität deutlich abweichen. http://www.hanssummers.com/varicap/varicapled.html Als Demodulator sieht das hier interessant aus: http://archive.siliconchip.com.au/cms/A_110651/article.html Beide Personen sind auch in der regenrx-Group zugange: https://groups.yahoo.com/neo/groups/regenrx/conversations/topics/16911
Mir gefällt diese Schaltung, obwohl sie noch Verbesserungspotential hat: http://qrp-popcorn.blogspot.jp/2015/04/regen-5.html
Bitte melde dich an um einen Beitrag zu schreiben. Anmeldung ist kostenlos und dauert nur eine Minute.
Bestehender Account
Schon ein Account bei Google/GoogleMail? Keine Anmeldung erforderlich!
Mit Google-Account einloggen
Mit Google-Account einloggen
Noch kein Account? Hier anmelden.
