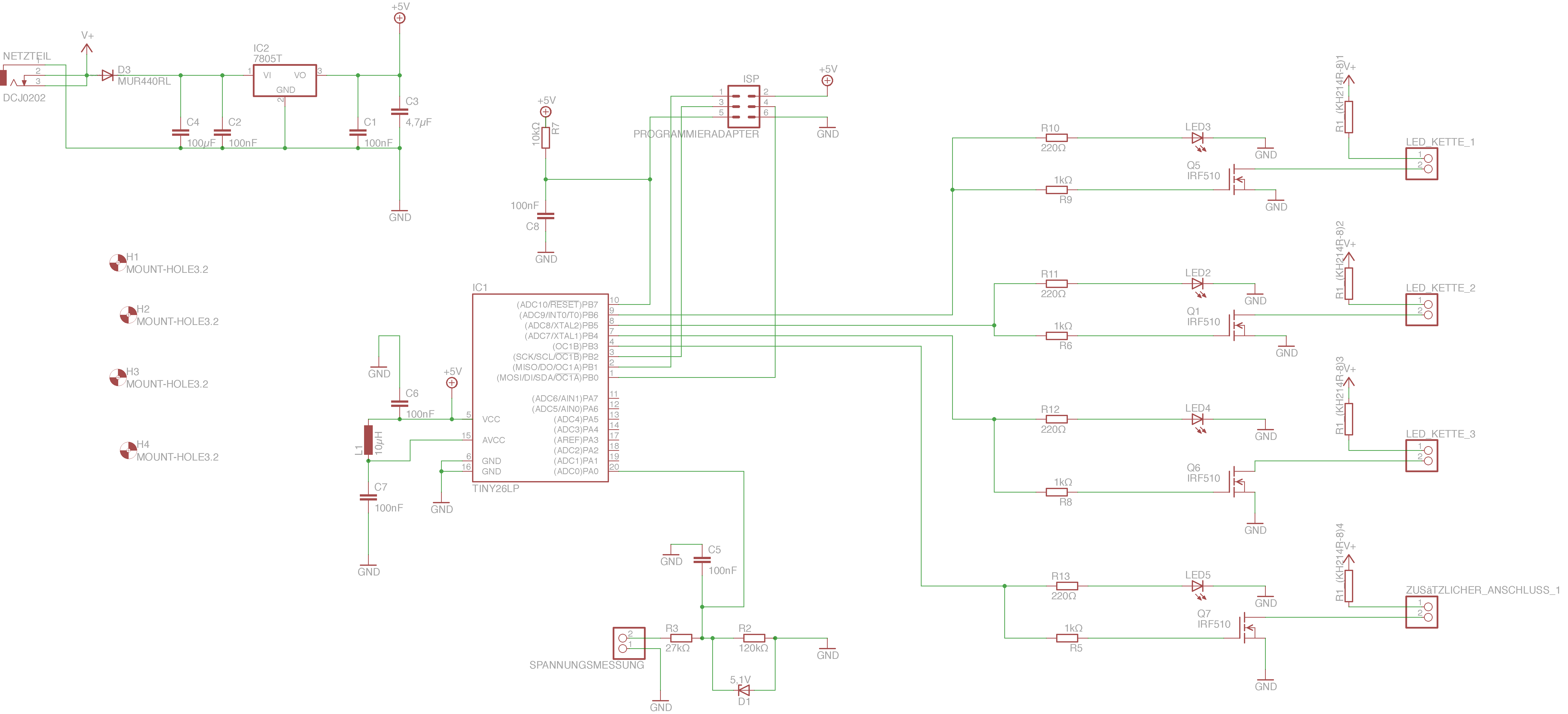
Hallo @ all ich bräuchte mal eure Hilfe. Ich bin noch ein Anfänger was MC angeht. Ich habe hier mal an einem Schaltplan rumgebastelt. Die nötigen Infos wie man den MC beschaltet habe ich hier aus dem Forum geholt, bin mir nun aber noch recht unsicher und würde gerne eure professionelle Meinung einholen. Und zwar will ich den MC als Steuergerät einsetzen. Spannung soll gemessen werden und dann über den Spannungsteilen auf den A/D-Eingang des MC gelegt werden. Dann will ich je nachdem welche Spannung anliegt einen der 5 Ausgänge aktivieren um später eine LED-Kette oder sonst was anzuschließen (deswegen die Pinheads). Also Kontrolle welcher der 5 Ausgänge gerade schaltet habe ich parallel zu den jeweiligen Leitungen eine LED verbaut die dann aufleuchtet und mir aufzeigt welcher Ausgang auch gerade aktiviert ist. Ich habe mir wie gesagt beste mühe gegeben alle richtige Ports zu wählen. Aber bin mir noch ziemlich unsicher. Das was ich hier im Forum so gelesen habe mögt ihr es nicht wenn jemand euch bittet sich seinen Schaltplan anzusehen aber ich appelliere einfach mal auf euer Mitgefühl :-):-) Ich bedanke mich schon einmal für eure Hilfe!!!!
Was mir ad hoc auffällt: - C3 am Ausgang des 7805 ist recht groß - LED1 leuchtet nie - die Basiswiderstände 3.3 k sind recht klein, je nach zu schaltender Last (Ib sollte 1/20..1/10 sein) - D1 könnte verfälschen (mit den 27 k davor), je nach zu messender Spannung
Nachtrag: den letzten Punkt erstmal ignorieren, ich hatte mir bei dem Messanschluss eine Masseverbindung eingebildet, jetzt aber ist mir die Funktion völlig unklar.
Hallo Chris, Atmel biete einige Application Notes zu unterschiedlichen Themen an. Die würde ich zuerst lesen und umsetzen. Dann ist der tiny26 eher klein. Warum verwendest Du keinen atmega328p ? Damit hätte man noch genügend Reserven.
Uwe S. schrieb: > Warum verwendest Du keinen atmega328p ? > Damit hätte man noch genügend Reserven. für 5 LEDs reicht der Tiny26 schon aus bei den LED-Ketten-Anschlüssen verstehe ich nicht warum da GND mit rausgeführt wird nachdem die Transistoren ja auf Gnd schalten?
Hallo Chris, Bevor jemand den Plan ernsthaft betrachten kann solltest du ihn neuzeichnen und Grundlagen der technischen Kommunikation beachten. Das soll kein Vorwurf sein, nur ein Tipp. 1) man zeichnet i.d.R. von links (Eingänge) nach rechts (Ausgänge) 2) i.d.R. werden positive Spannungsversorgungsnetze oben und negative unten geführt 3) Eagle bietet für spannungsversorgungen besondere Symbole in der "supply" Bibliothek. Es erhöht die Lesbarkeit enorm, wenn du überall wo "Masse" hinkommt ein einzelnes "GND" Symbol hinmachst, anstatt diese langen, kreuzenden Linien. Gleiches gilt für +5V. Gruß, Alex
Jo, das wird eine längere Liste. - Die Masse an den Ausgängen ist Unsinn, dort muss die Versorgungsspannung für die LEDs herausgeführt werden. - Der Reset-Pin ist komplett falsch beschaltet. - Abblock-Kondensator Vcc in der Nähe des µC fehlt. - Die Messanordnung für die Spannung ist mir ebenfalls nicht klar. Da fehlt der Massebezug (gegen die der µC messen soll) und die vermutlich zur Absicherung eingesetzte Z-Diode scheint an falscher Stelle zu sitzen. - Ich weiß jetzt nicht wie schnell Du schalten möchtest, aber wenn die Transistoren an den Ausgängen in Sättigung betrieben werden dürfen, dann kann man den gesamten Strom der Knotroll-LED durch deren Basis schicken. Das spart ein paar Widerstände und ein wenig Strom. - LED1 gehört mit der Kathode auf Masse. Nicht auf ISP Pin 2 Vcc. - Wenn möglich würde ich die LEDs lieber auf PortB betreiben anstatt auf PortA. Ich meine gelesen zu haben, daß die Port-Pins während einer laufenden A/D-Wandlung nicht umgeschaltet werden sollten. Mit den LEDs an PortB bekommt man da mit Sicherheit kein Problem.
Walter schrieb: > bei den LED-Ketten-Anschlüssen verstehe ich nicht warum da GND mit > rausgeführt wird nachdem die Transistoren ja auf Gnd schalten? Falls du hier tatsächlich 5V und Masse an den LED-Anschlüssen verwedenden willst, sollte der Strom durch den 7805 beachtet werden. Besonders der Ausdruck "LED-Kette" bei 5V und der BC 639 lässt vermuten du willst da mehrere LED parallel betreiben. Bei einigen 100mA wird so ein 7805 schon richtig heiß! Evtl. ist ein fertiges Schaltregler-Modul hier sinnvoller.
Hallo, erst einmal vielen danke für die Hilfreichen Tipps. Ich habe versucht alle Fehler zu beheben. Kurz vorab, ich weiss das man bei Egal GND und VCC Symbole einfügen kann. Diese finde ich aber eher abschreckend, da ich gerne die Leitung vor mir habe um zu sehen und zu verstehen was genau passiert. Das der Schaltplan deswegen unübersichtlich ist weiss ich, aber irgendwie macht es für mich so Sinn und komme damit "klar". Wenn es euch nichts ausmacht würde ich gerne mit diesem Schema weitermachen.... 1) Ich habe die Diode D1 aus dem Schaltplan genommen. Diese war dafür gedacht wenn ich den ISP Adapter einstecke leuchtet Sie auf um mir zu sagen, dass eine Verbindung besteht. 2) Es wurde gesagt, dass der Reset-Eingang falsch beschaltet wurde. In einem anderen Beitrag habe ich gelesen, dass zur Sicherheit ein 10kOhm Widerstand vorzuschalten ist. Hoffe das Stimmt so...Eine Änderung die ich vorgenommen habe ich das RESET mit VCC geschaltet wird. 3) C3 habe ich kleiner gemacht. Das müsste so nun passen :-/ 4) Also ich finde das der ATtiny26 ausreichen sollte um die Ketten zu betreiben. Ich habe mir schon 3 zugelegt also muss es passen :-) 5) Dann bezüglich des Statements "Abblock-Kondensator Vcc in der Nähe des µC fehlt". Da habe ich doch L1 und C6 verbaut, reicht das nicht?!?! 6) Habe die LED auf Port B gelegt, sodass die angesprochenen möglichen Fehler mit dem A/D-Wandler nicht auftreten. 7) Bezüglich der Z-Diode stehe ich ein wenig auf dem Schlauch. Ich habe die zur Absicherung verbaut. Was genau soll da falsch sein? Ich habe einen Spannungsteiler gebaut, weil ich dachte die Werte bzw. anliegende Spannung kann durch den A/D-Wandler gelesen werden?!?!
Einfacher? Dann hättet du sofort sehen müssen, dass der GND Anschluss von deinem µC gar nicht angeschlossen ist, genauso der Rest. Dein Netzteil hängt gleichspannungsseitig in der Luft bei deinem aktuellen Schaltplan. Gewöhn dich an die Versorgungsspannungssymbole, dieser erleichtern einem sofort zu erkennen was gemacht wird. Bei den Emitterstufen kann so niemand direkt sehen gegen was die Tranistoren gemeinsam schalten. Wenn man hier die Versorgungsspannung als Linie haben möchte, dann setzt man oben/mittig GND an, und oben und ggf. unten +-Vcc. Dadurch sieht man sofort was wie angeschlossen ist. Besser sind jedoch die Symbole. Erleichtern dir auch die Arbeit. Dadurch kannst du die Ausgangsstufen als fast komplette Einheit kopieren.
Hi >Diese finde ich aber eher abschreckend, da ich gerne die Leitung >vor mir habe um zu sehen und zu verstehen was genau passiert. Dann benutzt halt Labels an den Leitungen. Dann muss man wenigstens eine Leitung nicht quer über den ganzen Schaltplan verfolgen um zu sehen was sie macht. >Das der >Schaltplan deswegen unübersichtlich ist weiss ich, aber irgendwie macht >es für mich so Sinn und komme damit "klar". Das ändert sich schlagartig falls du mal mehr als eine 'Spielzeugschaltung' entwirfst. Übrigens ein GND vom ATTiny hängt in der Luft und deine LED-Ketten werden einpolig angeschlossen? MfG Spess
GND natürlich unten und für eine sym. Versorgung mittig. Da hat sich ein Verdreher eingeschlichen, wie du siehst sind die Symbole einfach praktisch. ;)
Chris schrieb: > Eine Änderung die > ich vorgenommen habe ich das RESET mit VCC geschaltet wird. Und wie soll der arme ISP Reset auf Vss ziehen zum Programmieren? Soll er den Ausgang vom 7805 niederbügeln? [[http://www.mikrocontroller.net/articles/AVR_Checkliste#Reset-Pin_korrekt_beschaltet.3F]]
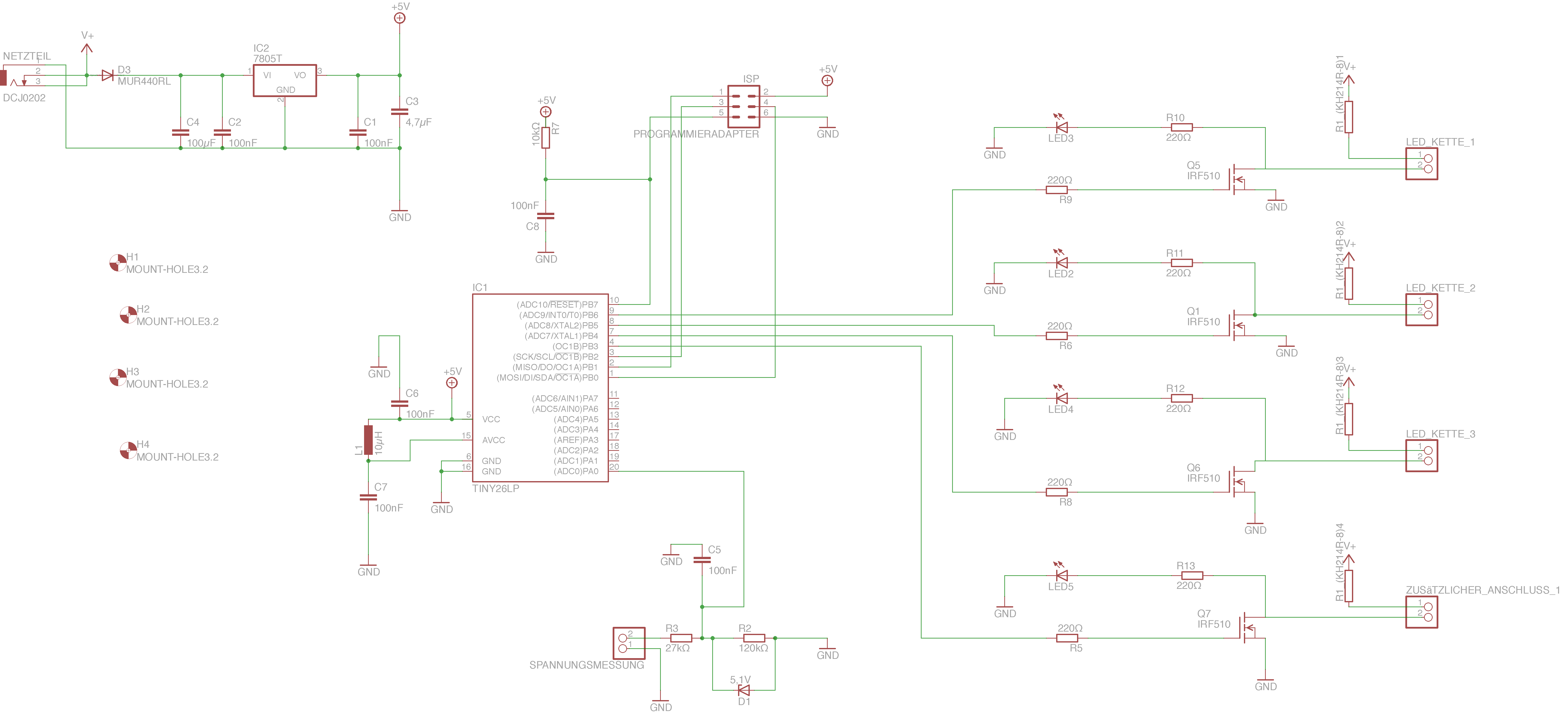
Hallo, also ich merke schon das ich den Überblick verloren habe bzw. das sich jetzt gerade bei der Korrektur Fehler einschleichen und man es gar nicht merkt. Ich habe euren Rat angenommen und habe die Symbole verwendet. Ich hoffe nun ist es Übersichtlicher. Was meint Ihr zu meinem neuen Schaltplan :-)
Chris schrieb: > Was meint Ihr zu meinem neuen > Schaltplan :-) Lustig! Lese dir die Tipps vom Anfang an durch, und hake jeden ab, den Du erfüllt hast. Dann siehst Du was übrig bleibt. So lernst Du am meisten.
Hallo Chris, erkläre mal wie Du da eine Spannung messen willst. Du hast zwar zwei Eingänge, die sind mit Widerständen und einer Zenerdiode beschaltet, gehen aber letztlich beide auf den AD-Eingang. Wo ist der Bezug zu Masse? Und was soll diese Beschaltung? Wenn es etwas mit Überspannungsschutz zu tun hat, dann muss man dies etwas anders aufbauen. mfg klaus.
Chris schrieb: > Was meint Ihr zu meinem neuen Schaltplan :-) - R7 muss ein Pullup-Widerstand von Reset nach Vcc sein. - Reset (PB7) soll direkt an den Programmieradapter gehen. - Pin 5 braucht ein eigenes Abblock-C
Klaus Ra. schrieb: > erkläre mal wie Du da eine Spannung messen willst. Ich habe es so verstanden das der A/D Eingang Werte Messe kann. Wenn also durch den Spannungsteiler ein Wert entnommen wird, kann ich diesen dann in einem Register speichern und dann vergleichen oder sonst was damit machen.... Route 66 schrieb: > Lese dir die Tipps vom Anfang an durch, und hake jeden ab, den Du > erfüllt hast. > Dann siehst Du was übrig bleibt. Ich habe jetzt gedacht das ich schon die Tipps abgearbeitet hatte (alle?!?). Aber nach der Aussage bin ich mir sicher das ich was übersehen habe. Wäre jemand noch so freundlich mich aufzuklären was genau noch zu machen ist ich sehe vor lauter Bäumen den Wald nicht mehr. Dachte echt ich hätte "alles" erfüllt :-( - Habe den RESET richtig verschaltet - ISP Reset verschaltet - GND der Dioden gesetzt - C-Abblock für VCC - Symbole eingefügt usw.
C3 hängt vermutlich in der Luft (keine Junctions). Mach mal einen ERC (Electric Rule Check).
Chris schrieb: > Ach ja ganz vergessen, hier der aktuelle Schaltplan An beiden Anschlüssen von allen LEDKettenVerbindern liegt beidseitig GND. Da wird nie was leuchten.
Chris schrieb: > Ach ja ganz vergessen, hier der aktuelle Schaltplan Hier der ADC - Eingangsteil richtig .... (über die Grösse von C5 kann man diskutieren)
WOW ok danke. Ich hab das gar nicht gesehen das ich die Transistoren falsch angeschlossen habe...und das mit dem Spannungsteiler verstehe ich auf anhieb noch nicht warum das so gemacht wird aber ich setze mich damit nochmal auseinander. Habe diese Änderungen übernommen. Bin die ganze Zeit auch am doppel und dreifach Überprüfen ob auch ja alles richtig verschaltet ist. Die Pins richtig belegt sind usw. aber da kommt immer das Problem mit den vor lauter Bäume seht man den Wald nicht mehr. Weiss es echt zu schätzen das Ihr mir mit Rat und Tat beiseite steht und mir Hilft :-)
Chris schrieb: > Ach ja ganz vergessen, hier der aktuelle Schaltplan Hier mal exemplarisch ein LED-Ausgang korrigiert. Ob das mit dem Strom klappt (ausreicht) wage ich nicht zu beurteilen.
Chris schrieb: > Weiss es echt zu schätzen das > Ihr mir mit Rat und Tat beiseite steht und mir Hilft :-) Solange du Schaltpläne so chaotisch zeichnest werden auch deine Gedanken dazu so chaotisch bleiben. Versuch doch mal die heisse Luft zwischen den Bauelementen herauszunehmen (--> Kompaktheit, einen Ansatz dazu habe ich dir geliefert) und lerne die Rotations-Funktionen deines Schaltplan-Programms zu nutzen.
Hmm ok...also das mit dem Transistor ist mir gar nicht klar, warum das nun so geschaltet werden soll/muss.... Ich habe gedacht, da der Strom der aus dem MC zu klein ist, ich den Transistor hinzufüge um diesen Anzuheben, sodass die LED-Kette mehr "Saft" bekommt und "intensiver" strahlt. Kann gut sein das ich hiermit komplett Falsch lege. Ich kenn mich nicht sooooo gut aus und hab mir die Information so selbst beigebracht bzw. wo gelesen usw...
Wie gesagt, man kann die Transistoren für die LED-Ketten wahrscheinlich in Sättigung betreiben und deswegen die Basis einfach in den Stromkreis der LED (im Beispiel LED3) schalten. Das spart den 3,3k Widerstand.
> Ob das mit dem Strom klappt (ausreicht) wage ich nicht zu beurteilen. 1A, mehr kann dein BC nicht. Das ist arg knapp für einen LED Stripe. Meine brauchen ca 5A. Tipp: Den BC durch einen logik level FET ersetzen. > Das spart den 3,3k Widerstand. Der ist sowieso zu groß. Bei einem Verstärkungsfaktor von ca 100, brauchts ja mindestens 10mA durch die Basis.
Nachtrag: Eine LED-Kette hängt immer noch an PortA. So macht der Umzug nach PortB keinen Sinn. Wahrscheinlich kannst Du ein Pin von PortB für das ISP-Interface und eine LED-Kette gleichzeitig verwenden. Wenn das beim Programmieren Schwierigkeiten macht, hilft ein Jumper, um die LED-Kette temporär abzuhängen. Bislang hatte ich aber keine Probleme mit belasteten Ausgängen am ISP. Man muß nur aufpassen, daß die restliche Schaltung durch die beim Programmieren anliegenden Signale nicht gestört wird - düfte den LEDs herzlich egal sein. Stützkondensator an RESET fehlt. Wieso schaust Du Dir keine bestehenden Schaltungen mit AVRs an?! Da ist doch mehr als deutlich zu sehen, wie der RESET am besten beschaltet wird, damit er sich keine Störungen einfängt. Wenn die LED-Ketten über den 7805 betrieben werden, beachte dessen Verlustleistung und Erwärmung. Leider hast Du noch keine Angaben zur Belastung der Ausgänge gemacht oder was Du da für LED-Ketten anschließen möchtest.
Ulrich F. schrieb: > 1A, mehr kann dein BC nicht. > Das ist arg knapp für einen LED Stripe. > Meine brauchen ca 5A. Also das sind nur kleine LED-Stripes von ca. 7-10cm und haben so 15-21 kleine LED verbaut. 1A reicht mir dicke aus...habe die Kette schon ausgetestet mit 5V und 1A und die "Helligkeit bzw. Stärke" reicht dicke. magic smoke schrieb: > Eine LED-Kette hängt immer noch an PortA. So macht der Umzug nach PortB > keinen Sinn. Das wäre sowieso nur ein Reserve Anschluss gewesen. Ich hab den einfach rausgenommen. Den C für den Reset ist gesetzt, habe mal nachgeschaut 10µF müssten hier reichen.
Reichen die 5V am Ausgang um die LED eines LED-Streifen ausreichend zum leuchten zu bringen? Die LED-Streifen die ich kenne brauchen alle eine höhere Versorgungsspannung.
> Den C für den Reset ist gesetzt, habe mal nachgeschaut > 10µF müssten hier reichen. Du hast Dir immer noch keine anderen Schaltungen angeschaut... ;( So, Preisfrage: Was passiert mit einem 7805, an dem 5 LED Ketten mit je 5V/1A gleichzeitig leuchten?
aGast schrieb: > Reichen die 5V am Ausgang um die LED eines LED-Streifen ausreichend zum > leuchten zu bringen? OK war wohl zuuuu langsam. Die Frage ist ja beantwortet.
magic smoke schrieb: > So, Preisfrage: Was passiert mit einem 7805, an dem 5 LED Ketten mit je > 5V/1A gleichzeitig leuchten? :) Qoole Frage bei dem Nickname.
aGast schrieb: > magic smoke schrieb: >> So, Preisfrage: Was passiert mit einem 7805, an dem 5 LED Ketten mit je >> 5V/1A gleichzeitig leuchten? > > :) Qoole Frage bei dem Nickname. Bei dem Basisstrom von je ca 1mA sehe ich da keine große Gefahr für den Regler. 1A schaffen die Transistoren so nicht. Sollte er schaffen. Aber um die Transistoren habe ich ein wenig Angst.
magic smoke schrieb: > So, Preisfrage: Was passiert mit einem 7805, an dem 5 LED Ketten mit je > 5V/1A gleichzeitig leuchten? Er Überhitzt?!?! Also es ist noch zu erwähnen das nicht alle gleichzeitig brennen. Ich will je nach gemessener Spannung das Kette 1 oder 2 oder 3 blinken und während diese Blinken will ich das Ausgang 4 dauerhaft an ist....ich glaube nicht das es hierbei zu einer Überhitzung kommt :-/ Glaube nicht das er bei dieser Anwendung stark zu schaffen hat... Hmm also ich habe mal auf dem Steckbrett den Transistor, 5V und mit dem Vorwiderstand die LED zum leuchten gebracht...waren halt nur Minuten keine Stunden oder so....aber der Transistor hat durchgehalten.
Ulrich F. schrieb: > Sollte er schaffen. Aber nur wenn die Transistoren nicht unglücklicherweise die im Datenblatt angegebene maximale Stromverstärkung von 250 haben. 4 x 250 mA und noch 4 x 20 mA für die LED dazu noch das bisschen das sich der uC genehmigt. Dann war es das. Den Basisstrom von 4 x 1 mA hab ich da noch gar nicht berücksichtigt. Abgesehen davon die spannende Frage, was kommt vom Netzteil rein. Da wird es dann ganz schnell eng für den 7805.
aGast schrieb: > Den Basisstrom von 4 x 1 mA hab ich da noch > gar nicht berücksichtigt. Die sind aber sehr furchtbar wichtig (sprich Gewicht(ig))!
Mitlesa schrieb: > aGast schrieb: >> Den Basisstrom von 4 x 1 mA hab ich da noch >> gar nicht berücksichtigt. > > Die sind aber sehr furchtbar wichtig (sprich Gewicht(ig))! Mist, da sollte doch ein ;) dahinter.
Drehe bitte mal alle Anschlüsse von GND und +5V so, dass GND unten und +5V oben ist. Das erhöht die "/lesbarkeit/" enorm. Versuche außerdem unnötige Kreuzungen zu vermeiden, indem du die Bauteile anders drehst (z.B. die Spannungsversorgungsbuchse am Eingang). Warum sollen deine LED-Ketten eigentlich aus dem 7805 versorgt werden? Typischerweise greift man die Versorgung für externe Bauteile in so einer Schaltung vor der MCU-Versorgung ab. Du wirst das ja sicherlich mit einem halbwegs stabilen Netzteil (z.B. 12 V ?) versorgen. Brauchen deine LED-Ketten keinen Vorwiderstand? Gruß, Alex
Alex22 schrieb: > Drehe bitte mal alle Anschlüsse von GND und +5V so, dass GND unten und > +5V oben ist. Das erhöht die "/lesbarkeit/" enorm. Versuche außerdem > unnötige Kreuzungen zu vermeiden, indem du die Bauteile anders drehst > (z.B. die Spannungsversorgungsbuchse am Eingang). Diesbezüglich scheint der Thread-Ersteller sehr beratungsresistent wenn nicht störrisch zu sein. Auch scheint das verwendete Programm keine Funktion zum Rotieren von Schaltplan-Elementen zu besitzen. So wie das jetzt läuft wird das noch sehr unterhaltsam werden.
zu D1, wie Klaus Ra. schon andeutete > Wenn es etwas mit Überspannungsschutz zu tun hat, dann muss man dies > etwas anders aufbauen. Messen Sie einmal den Strom durch D1 bei der höchsten Spannung (und Temperatur), die mit dem Messanschluss erfasst werden soll, und rechnen Sie nach, was das bei dem verwendeten Spannungsteiler bedeutet. Ich messe hier für eine ZF 5,1 bei 2.5 V 1 uA, bei 3.0 V 6 uA, bei 14.5 °C.
Alex22 schrieb: > Warum sollen deine LED-Ketten eigentlich aus dem 7805 versorgt werden? > Typischerweise greift man die Versorgung für externe Bauteile in so > einer Schaltung vor der MCU-Versorgung ab. Du wirst das ja sicherlich > mit einem halbwegs stabilen Netzteil (z.B. 12 V ?) versorgen. Ja anfangs habe ich auch die Spannung aus dem MC verwendet nur wurde mir geraten das so zu schalten....bin mir bei der Sache auch recht unsicher.....der Pinport würde ja die nötige Spannung liefern. Hab ich das nun falsch verstanden gehabt, oder wo liegt gerade mein Denkfehler?!? Und ich habe mich mal außeinander gesetzte mit den Vorwiderständen zu den Transistoren. 3,3kOhm ist recht groß. Ich habe mal mit nem 1kOhm getestet und habe 4,7mA rausbekommen. Das langt mir für die LED locker.
So langsam wird der Schaltplan lesbar. Nur noch wenige GND-Symbole hängen "von oben" an den Netzen. Wenn du jetzt noch an die ganzen Emitter der Ausgangstransistoren jeweils ein kleines GND setzt, anstatt der langen Linie von oben nach unten sieht es schon recht gut aus. Woraus wird deine Schaltung versorgt? Was liegt aussen am Hohlstecker an? Ein Netzteil? Mit fester (bekannter) Spannung (z.B. 12V)? Wenn ja, dann könntest du jeweils auf Pin 1 deiner zwei-poligen Anschlüsse für die "LED-Ketten" diese feste Spannung anlegen. Dann müssten die externen LEDs nicht über den 7805 versorgt werden, sondern würden direkt aus dem Netzteil versorgt. Du könntest außerdem mal überlegen einen Verpolschutz (Schottky-Diode oder MOSFET), Überstromsicherung (z.B. Polyfuse MINISMDC050F) und Transienten-Schutz (TVS-Diode) vorzusehen. Gruß, Alex
Mal 10 µF am Reset-Pin, dann 47 pF - du liebst das Extreme. Übliche Werte sind zwischen 10 und 100 nF.
Alex22 schrieb: > Woraus wird deine Schaltung versorgt? Was liegt aussen am Hohlstecker > an? Ein Netzteil? Mit fester (bekannter) Spannung (z.B. 12V)? Also hab ein Netzteil das mir 12V rausgibt. Alex22 schrieb: > Wenn ja, dann könntest du jeweils auf Pin 1 deiner zwei-poligen > Anschlüsse für die "LED-Ketten" diese feste Spannung anlegen. Dann > müssten die externen LEDs nicht über den 7805 versorgt werden, sondern > würden direkt aus dem Netzteil versorgt. Das Problem welches ich gerade noch habe ist, das ich eigentlich die LED-Ketten mit den MC steuern will und dementsprechend auch über den MC versorgen will. Nun bin ich mir aber nicht sicher ob das diese Schaltung nach meinem aktuellen Plan auch macht. Im Moment werden die Ketten doch vom VCC versorgt und nicht über die jeweiligen Pins, oder sehe ich da was falsch? Würde die LED-Kette gerne blinken lassen später und dafür müssten diese doch von den Pins versorgt werden um ein Takt vorzugeben...
Hi >Das Problem welches ich gerade noch habe ist, das ich eigentlich die >LED-Ketten mit den MC steuern will und dementsprechend auch über den MC >versorgen will. Was hat das eine mit dem anderen zu tun? MfG Spess
spess53 schrieb: > Hi > >>Das Problem welches ich gerade noch habe ist, das ich eigentlich die >>LED-Ketten mit den MC steuern will und dementsprechend auch über den MC >>versorgen will. Ich will ja mein Taktsignal geben, also AN-AUS-AN usw...da dachte ich mir das muss auch vom dementsprechend PIN kommen und deshalb auch von dort die Versorgung....sozusagen alles vom dementsprechendem PIN und nicht extern...
Hi >Ich will ja mein Taktsignal geben, also AN-AUS-AN usw...da dachte ich >mir das muss auch vom dementsprechend PIN kommen Richtig. Bei einem passenden Steuerstrom in die Basis schaltet der Transistor zwischen Kollektor und Emitter durch und ein Strom kann fließen. Woher aber die Spannung für diesem Strom kommt ist dem Mikrocontroller ziemlich egal. Diese Spannung muss nur den gleichen Massebezug wie die 5V haben. Du kannst deine LEDs also auch mit z.b. 12V betreiben. MfG Spess
Ahh ok, danke für die Erklärung. Ich war mir halt nicht sicher. Habe inzwischen so viele Änderungen vorgenommen und Versuche halt alles so gut wie möglich zu verstehen warum/wie/wozu man die Änderung machen muss/soll. Also ich habe die Leitungen alle Überprüft, ob ja alles am richtigen PinPort angeschlossen ist usw. Durch die Symbole GND und 5V zeichnet mir das Programm ja automatisch die Verbindungen ein wenn ich auf das Platinendesign wechsele.... Die große Frage die ich mir stelle ist, ob der Schaltplan so "richtig ist" sprich auch das macht was ich will :-/ Fragt mich nicht warum aber irgendwie habe ich ein komisches Gefühl (wahrscheinlich weil es seit meines ersten Entwurfs mehrere Änderungen gab).
Chris schrieb: > Die große Frage die ich mir stelle ist, ob der Schaltplan so "richtig > ist" Dann lade doch am besten die aktuelle Version noch mal hoch. Die Tipps: Alex22 schrieb: > Du könntest außerdem mal überlegen einen Verpolschutz (Schottky-Diode > oder MOSFET), Überstromsicherung (z.B. Polyfuse MINISMDC050F) und > Transienten-Schutz (TVS-Diode) vorzusehen. hast du dir auch mal angeschaut? Gruß, Alex
Alex Bürgel schrieb: > hast du dir auch mal angeschaut? Ja habe mir das Thema Verpolungsschutz angeschaut. Für Geräte, die immer wieder an wechselnden Gleichspannungsquellen (Akkus, Batterien, Netzteile...) betrieben werden, lohnt sich ein Verpolungsschutz ja, aber ich habe ja einen Stecker für die Spannungsversorgung an dem ich die Polarität einmal festlege und dann ist das doch getan?!? Oder verstehe ich das irgendwie falsch?
Chris schrieb: > Oder > verstehe ich das irgendwie falsch? Prinzipiell natürlich richtig. Bei vielen dieser Steckernetzteile kann man die Polarität des Hohlsteckers einstellen. Natürlich ist es dir überlassen die Tipps zu befolgen. Wenn für dich der niedrigste Preis und die kleinstmögliche Platine die Haupt-Aspekte sind und du versehentliche Verpolung ausschließen kannst, dann lass die Diode weg. Andererseits kostet so eine Diode wenige Cents und verbraucht kaum Platz. Da musst du halt abwägen. Ist deine Entscheidung. Gruß, Alex
Chris schrieb: > Also es ist noch zu erwähnen das nicht alle gleichzeitig brennen. Ich > will je nach gemessener Spannung das Kette 1 oder 2 oder 3 blinken und > während diese Blinken will ich das Ausgang 4 dauerhaft an ist....ich Dann sind ja waerend des blinkens bereits 2 LED-Ketten eingeschaltet. Das waeren dann ja schon 2A ... und das kann der normale 7805 nicht. Bei 12V Eingangsspannung und nur einer LED-Kette (also 1A) muss der 7805 bereits 7 Watt "verheizen". Hoffentlich goennst Du ihm einen Kuehlkoerper. Guenstiger waere es die LED-Ketten wirklich aus der "Rohspannung" zu versorgen, und den 7805 nur fuer Deinen µC und die Kontroll-LEDs zu benutzen. Der Spannungsregler wird es Dir danken. Die dann erforderlichen Vorwiderstaende muessen dann aber auch richtige "Klopper" sein. Gruss Asko.
Asko B. schrieb: > ... und das kann der normale 7805 nicht. Also ich habe es mal geändert, zur Entlastung des 7805.... Alex Bürgel schrieb: > Wenn für dich der niedrigste Preis und > die kleinstmögliche Platine die Haupt-Aspekte sind und du versehentliche > Verpolung ausschließen kannst, dann lass die Diode weg. Eigentlich geht es mir weniger um den Preis, dachte nur einfach daran ob ich Ihn wirklich brauche oder nicht. Klar zur Sicherheit kann man das schon machen, so viel Mehraufwand ist es nun auch wieder nicht. Ich hab mal eine Verbaut, bin mir aber über die Platzierung nicht so sicher....
Jetzt duerfte aber die Versorgungsspannung der Led-Ketten viel zu hoch sein. Also musst Du noch Vorwiderstaende vorsehen. So etwas wie die hier: http://www.reichelt.de/7-Watt-axial/7W-AXIAL-6-8/3/index.html?&ACTION=3&LA=2&ARTICLE=110652&GROUPID=5269&artnr=7W+AXIAL+6%2C8 Gruss Asko.
Asko B. schrieb: > Jetzt duerfte aber die Versorgungsspannung der > Led-Ketten viel zu hoch sein. > Also musst Du noch Vorwiderstaende vorsehen. Hab einen gesetzt. In der Eagle Library habe ich nur den 9W gefunden aber das ist ja eigentlich kein grosses Problem, Hauptsache die Abstände stimmen später. Wie sieht es eigentlich mit der Diode zum Verpolungsschutz aus, hab ich die richtig verbaut?
Hi
>Hab einen gesetzt.
An jede 'Kette' gehört ein Widerstand. Also jeweils zwischen V+ und den
Buchsen.
MfG Spess
Chris schrieb: > Wie sieht es eigentlich mit der Diode zum Verpolungsschutz aus, hab ich > die richtig verbaut? meinst Du die nutzlose Diode D2 die auch die Funktion des 100µF Kondensators lahmlegt ??
Einfach eine Diode >2A an den Spannungseingang. Anode an Deine Buchse und Kathode Richtung Spannungsregler. Positiver Nebeneffekt: Die Eingangsspannung sinkt um den Wert der Flussspannung der Diode. (also um ca. 0,7V) Gruss Asko.
Danach tauscht Du die Kleinleistungstransistoren BC 639 gegen "richtige" Leistungstransistoren. Dieser Typ hat eine maximale Verlustleistung von 800mW = 0,8W Deine LED-Stripes haben aber bei 5V 1A, also 5 Watt !! Da wuerden sich MOSFETs wie IRLZ34N schon ganz gut machen. Gruss Asko.
Asko B. schrieb: > Jetzt musst Du Deine D3 (BAT54) nur noch gegen eine austauschen > die mindestens 2A aushaelt. Hab eine MUR440RL in der Library von Eagle gefunden die mit 4A auskommt. spess53 schrieb: > Was soll der Eingang 'Spannungdregler' messen? Ja unten der Spannungsteiler, mit dem will ich Messen und zwar Spannung. Je nachdem wie hoch die Spannung gerade ist bzw anliegt möchte ich einen der Ausgänge freischalten... Asko B. schrieb: > Da wuerden sich MOSFETs wie IRLZ34N schon ganz gut machen Danke für den Tipp
Der verwendete FET IRF510 ist wenig geeignet. Die nötige Gate-Drain Spannung ist zu hoch(zu kanapp) um den FET mit TTL Pegeln sicher auf zu steuern. Der vorgeschlagene IRLZ34N ist besser. Auch ein IRL3705N würde es tun. Der Widerstand, zwischen Port und Gate, ist mit 1K recht groß. 220 Ohm wäre angemessener. Auch fehlt noch ein großer Widerstand (10K, oder mehr) von Gate zu GND
Mich würden die inzwischen angefallenen virtuellen Entwicklungskosten dieser Schaltung mal interessieren (wenn die hier gegebenen Tipps als "Arbeitszeit" abgerechnet worden wären). Chris: Die Schaltung sieht inzwischen recht passabel aus. Vielleicht haben wir alle das Pferd völlig von hinten aufgezäumt und hätten dich lieber erst mal nach deinem gewünschten Einsatzzweck gefragt. Mit deiner Spannungsmessung wirst du Spannungen von ca. 0 bis 6,125 V messen können. Der Eingang ist dabei geschützt vor zu hohen und negativen Spannungen (innerhalb gewisser Grenzen). Das ist schon mal gut. Mit den Schaltausgängen wirst du Ohm'sche Lasten schalten können. Ich habe mir nicht das ganze Thema durchgelesen. Deine LED-Ketten: werden die mit konstantem Strom oder mit konstanter Spannung betrieben? Ich gehe davon aus, dass du die Schaltung auf einer Lochraster-Platine aufbauen möchtest (?). Du sprichst davon, dass die Schaltung aus einem 12 V-Steckernetzteil versorgt wird. Hast du den maximalen Ausgangsstrom davon berücksichtigt? Sprich, werden alle deine Verbraucher zusammen (vor allem die LEDs) weniger Strom aufnehmen als das Netzteil liefern kann? Du könntest noch die Ausgänge des Mikrocontrollers entlasten, in dem du die LEDs LED2, LED3, LED4, LED5 ebenfalls über den Kollektor (bzw. Drain) der Ausgangstransistoren ansteuerst. So hättest du auch ein "echtes" Feedback, ob der Ausgang wirklich aktiv ist. Ferner könntest du noch einen Widerstand (z.B. 10 kOhm) zwischen Gate und Source der Ausgangstransistoren einbauen, damit sie im Reset-Zustand sicher inaktiv sind. Gruß, Alex
Ulrich F. schrieb: > Der vorgeschlagene IRLZ34N ist besser. > Auch ein IRL3705N würde es tun. Der Vorgeschlagene IRLZ34N ist nicht in Eagle aber der verwendete IRF510 hat die selbe Steckerbelegung bzw. Abstände. Also so habe ich es gelesen, hoffe auch mal das das Stimmt. Alex22 schrieb: > Mit deiner Spannungsmessung wirst du Spannungen von ca. 0 bis 6,125 V > messen können. Also laut meinen Berechnungen kann ich mit dem Spannungsteiler max. 27V Messen?!? R1= 120k, R2=24k, U2max=5V-->U1max=27V.... Alex22 schrieb: > Mit den Schaltausgängen wirst du Ohm'sche Lasten schalten können. Ich > habe mir nicht das ganze Thema durchgelesen. Deine LED-Ketten: werden > die mit konstantem Strom oder mit konstanter Spannung betrieben? Also die werden nun mit konstanter Spannung beliefert. Und die jeweiligen Ports geben dann das Taktsignal (Strom) aus und die Ketten leuchten bzw. blinken. Alex22 schrieb: > Ich gehe davon aus, dass du die Schaltung auf einer Lochraster-Platine > aufbauen möchtest (?). Nein ich wollte die Platine erstellen lassen und später die Komponenten drauflöten. Alex22 schrieb: > Du sprichst davon, dass die Schaltung aus einem 12 V-Steckernetzteil > versorgt wird. Hast du den maximalen Ausgangsstrom davon berücksichtigt? > Sprich, werden alle deine Verbraucher zusammen (vor allem die LEDs) > weniger Strom aufnehmen als das Netzteil liefern kann? Also mein Netzteil ist einstellbar, 5V, 6V, 7,5V, 9V oder 12V....ich bin einfach mal von 12V ausgegangen. Der 7805 kommt mit all diesen Werten gut aus. Die LED-Ketten selbst habe ich mit 5V und 5mA getestet. Der Strom bleibt ja gleich und die Spannung ist auch noch im Rahmen da die LED-Kette auf 12V DC ausgelegt (http://www.led-wunderland.de/LED-Streifen-rot-FS-35-120-R-65-5) Alex22 schrieb: > Du könntest noch die Ausgänge des Mikrocontrollers entlasten, in dem du > die LEDs LED2, LED3, LED4, LED5 ebenfalls über den Kollektor (bzw. > Drain) der Ausgangstransistoren ansteuerst. So hättest du auch ein > "echtes" Feedback, ob der Ausgang wirklich aktiv ist. OOOh gar nicht beachtet, stimmt. Ich habe die ja extra wegen dem Feedback eingeplant. Passt das nun so?!?
> Passt das nun so?!?
Weiterhin fehlen die GS Widerstände.
Deine Kontrollleds haben jetzt eine inverse Logik.
Es wird im ausgeschalteten Zustand der, für die Kontrollleds nötige,
Strom durch den Stripe fließen.
Das kannst du nicht beabsichtigt haben.
Oder?
Chris schrieb: > OOOh gar nicht beachtet, stimmt. Ich habe die ja extra wegen dem > Feedback eingeplant. Passt das nun so?!? Die Schaltung der Kontroll-LEDs sollte analog zu der Schaltung der externen LEDs sein. Also: V+ -> Vorwiderstand (ca. 2,2 kOhm) -> LED (Anode) -> MOSFET (Drain). Gruß, Alex
Chris schrieb: > Also mein Netzteil ist einstellbar, 5V, 6V, 7,5V, 9V oder 12V....ich bin > einfach mal von 12V ausgegangen. Der 7805 kommt mit all diesen Werten > gut aus. Ab 7,5 V wird die Schaltung auch vernünftig laufen. Darunter nicht (7805 braucht ca. 2 V Differenz zwischen Ein- und Ausgang zum Regeln). Chris schrieb: > Die LED-Ketten selbst habe ich mit 5V und 5mA getestet. Der > Strom bleibt ja gleich und die Spannung ist auch noch im Rahmen da die > LED-Kette auf 12V DC ausgelegt Ich habe mir die verlinkten Teile mal angeschaut. Leider konnte ich der Beschreibung nicht sicher entnehmen, ob die Teile für Konstantstrom- oder Konstantspannungsbetrieb gedacht sind. Da steht etwas von 12 V. Das würde auf Konstantspannung hindeuten. In dem Fall bräuchtest du gar keine Vorwiderstände an den Ausgängen... Chris schrieb: > Nein ich wollte die Platine erstellen lassen und später die Komponenten > drauflöten. Dann könntest du dir mal überlegen SMD-Komponenten zu verwenden (Kleinere Bauteile, bessere Wärmeableitung, kleinere Platine etc.). Chris schrieb: > Also laut meinen Berechnungen kann ich mit dem Spannungsteiler max. 27V > Messen?!? R1= 120k, R2=24k, U2max=5V-->U1max=27V.... Wenn ich mich nicht vertan habe, dann müsstest du die beiden Widerstände dafür vertauschen (den 120 kOhm und den 27 kOhm). Chris schrieb: > Der Vorgeschlagene IRLZ34N ist nicht in Eagle aber der verwendete IRF510 > hat die selbe Steckerbelegung bzw. Abstände. Also so habe ich es > gelesen, hoffe auch mal das das Stimmt. Dann solltest du zumindest im Schaltplan über die Funktion "Value" den "echten" Namen des Bauteils eintragen, welches du verwenden möchtest. Sonst ist der Schaltplan inkonsistent. Gruß, Alex
Tja, was denn nun ? Einmal schreibst Du so: Chris schrieb: > Also das sind nur kleine LED-Stripes von ca. 7-10cm und haben so 15-21 > kleine LED verbaut. 1A reicht mir dicke aus...habe die Kette schon > ausgetestet mit 5V und 1A und die "Helligkeit bzw. Stärke" reicht dicke. und einmal so: Chris schrieb: > Die LED-Ketten selbst habe ich mit 5V und 5mA getestet. Der > Strom bleibt ja gleich und die Spannung ist auch noch im Rahmen da die > LED-Kette auf 12V DC ausgelegt > (http://www.led-wunderland.de/LED-Streifen-rot-FS-35-120-R-65-5) Was stimmt denn nun ? Ohne definitiv exakte Angaben ist das hier nur rumeiern. Wegen der anfangs 5V und 1A bin ich davon ausgegangen, das Du die LED-Streifen selbst zusammengestellt/geloetet hast. Jetzt schreibst Du aber, das Du fertig vorkonfigurierte benutzt, die zudem noch mit 12V betrieben werden koennen. Wenn Du die Streifen auf 15/18/21 oder so ablaengst, wird sich ein Strom unter 1A einstellen. Jedoch ueber !! 5mA. Also einfach Strom messen wenn 5V angelegt sind, nicht raten ! Uebrigens ist Deine Diode am Spannungseingang an der verkehrten stelle, sie schuetzt jetzt nur den µC, die LEDs sind nicht gegen verpolung geschuetzt. Also den Spannungsanschluss der LEDs auf die Kathode der Diode bringen. Gruss Asko.
Alex22 schrieb: > Dann solltest du zumindest im Schaltplan über die Funktion "Value" den > "echten" Namen des Bauteils eintragen, welches du verwenden möchtest. > Sonst ist der Schaltplan inkonsistent. Habe ich gemacht, ist mir später erst eingefallen das es auch so geht. Alex22 schrieb: > Wenn ich mich nicht vertan habe, dann müsstest du die beiden Widerstände > dafür vertauschen (den 120 kOhm und den 27 kOhm). Hmm Stimmt ganz übersehen, das ändere ich gleich.
Wenn Du genau die LED-Stripes aus dem Link verwendest, und dann davon nur Stuecken mit 21 LEDs, ergibt das eine Last von 1,68 Watt. Bei 12 Volt fliessen dann dort 140mA und bei 5V waeren es 336mA. Somit koennte das alles "kleiner und leichter" aufgebaut werden koennen. Deine anfangs verwendeten Transistoren wuerden aber da auch nicht ausreichen. Bleibst Du jedoch bei den IRLZ34N kannst Du bequem auch je eine ganze Rolle von den LEDs anschliessen. Gruss Asko.
Asko B. schrieb: > Wenn Du genau die LED-Stripes aus dem Link verwendest, und dann > davon nur Stuecken mit 21 LEDs, ergibt das eine Last von 1,68 Watt. Also so groß sind die LED-Stripes nicht einmal...würde sagen ich bewege mich in einem Spielraum von 6 bis max. 21 LED´s. Aber ich lasse den IRLZ34N drinnen, du hast mich überzeugt :-) Ulrich F. schrieb: > Weiterhin fehlen die GS Widerstände .... Was genau ist unter GS zu verstehen? Ich weiss gerade nicht was du meinst?
GS = Gate-Source Widerstaende von 100kOhm von Gate nach Source an den FETs
Hallo Chris. Ich kenne deinen Hintergrund nicht (deinen Kenntnisstand). Ich möchte dir ein Lob aussprechen. Du verfolgst das Thema seit Tagen regelmäßig und versuchst die angesprochenen Vorschläge umzusetzen. Das ist hier oft anders. So hilft man auch gerne weiter! Hattest du dir mal Gedanken zum Thema SMD gemacht? Die Vorwiderstände für die "Ausgangs-Status-LEDs" sind noch zu niederohmig, da sollten 2,2 kOhm reichen (das sind bei 2 V Flussspannung ca. 5 mA für die LED). Kannst du die hier gebrachten Vorschläge denn nachvollziehen? Lernst du hier etwas (für's nächste Mal)? Gruß, Alex
Dein "V+" Anschluss muss immernoch von der Anodenseite auf die Kathodenseiter von D3 umgelegt werden. Die Gatewiderstaende von 220 Ohm kannst Du auch in 100 Ohm aendern. Da jetzt Deine Kontroll-LEDs nicht mehr an der stabilisierten 5V-Schiene haengen, sondern an der Stromversorgung Deiner LED-Streifen ist der Vorwiderstand von 220 Ohm dort zu klein. Die LEDs halten die 50mA sicher nicht aus. 2,2 kOhm waeren da schon angebracht. Gruss Asko.
Alex22 schrieb: > Hattest du dir mal Gedanken zum Thema SMD gemacht? Habe ich. Nur ist das "Problem", dass ich viele der Komponenten schon bekommen habe (so eine Box mit Widerständen usw. vom Kollegen) und klar nicht alles aber zum größten Teil.
Alex22 schrieb: > Hattest du dir mal Gedanken zum Thema SMD gemacht? Das ist ja jetzt die Frage: Chris moechte bei den grossen IRLZ bleiben um universeller zu sein. (So habe ich es jedenfalls aufgefasst) Bei den max 350mA pro 21er Streifen koennte man ja auch die Vorwiderstaende verkleinern. Wenn er nun (universell) auch mal eine laengere LED-Rolle anschliessen moechte geht das aber nicht. Aber Achtung ! eine ganze Rolle hat laut Daten im Link 48 Watt !! Das sind schon mal 4 A . Der IRLZ34N kann das, aber auch die Vorwiderstaende muessen das abkoennen. Da iss nix mit "klein". Da der 7805 jetzt nur noch den ATtiny zu versorgen hat wuerde dort mit sicherheit auch ein 78L05 reichen. Gruss Asko.
Asko B. schrieb: > Aber Achtung ! eine ganze Rolle hat laut Daten im Link 48 Watt !! Also ich werde nie ne ganze Rolle anschließen, wenn dann nur max. ein 10cm langer Streifen mit 21 LED, ach sagen wir einfach max. 30 LED´s. Die Anordnung müsste meiner Meinung so passen. Ich bin gerade dabei das Platinenlayout zu machen. Was meint ihr, sollte ich den Autorouter verwenden oder doch lieber alles selbst einzeichnen? Ich würde halt gerne in der dicke der Leitungen variieren. GND-Bahnen sollten sicherheitshalber "dicker" sein wie VCC, wobei V+ "dicker" sein sollte wie VCC....Leider gibt es den Befehl nicht das ich Eagle sagen kann, alle GND Leitungen 66 "dick"....
Chris schrieb: > Ich bin gerade dabei das Platinenlayout zu machen. Was meint ihr, sollte > ich den Autorouter verwenden Nein! oder doch lieber alles selbst einzeichnen? Ja. > Leider gibt es den Befehl nicht das ich Eagle sagen > kann, alle GND Leitungen 66 "dick".... Direkt kenne ich es nicht. Aber unter Change / Width einfach Breite einstellen und dann alle GND-Leiterbahnen anklicken geht auch schnell. Noch ein Tipp: Du hast viele ungenutzte Portpins an deinem Atmega. Wenn auf deiner Platine noch Platz ist, führe ein paar davon doch einfach noch auf eine handvoll Solderpads heraus. Dazu noch ein GND-Pad und man kann später evtl. noch Taster oder sonst was anschliessen.
Chris schrieb: > Was meint ihr, sollte > ich den Autorouter verwenden oder doch lieber alles selbst einzeichnen? Damit du dabei auch etwas lernst solltest du es händisch machen... Den Auto-Router würde ich ohnehin nur empfehlen bei einfachsten Schaltungen, oder wenn man wirklich weiß was man macht (wie man ihn richtig einzustellen hat). Du kannst auch "halbe halbe" machen: Du routest erst die wichtigsten Netze manuell und startest anschließend den Autorouter. Chris schrieb: > Leider gibt es den Befehl nicht das ich Eagle sagen > kann, alle GND Leitungen 66 "dick".... Du kannst über "Bearbeiten" -> "Netzklassen" die Dicke einzelner Netze bzw. Netzklassen definieren. Der Autorouter hält sich auch daran. Gruß, Alex
Eagle sagt mir nun ne Fehlermeldung im Schaltplan und zwar soll am Eingang 5 (VCC) mit 5V was falsch sein?!? Und ebenso am AVCC...ach hier wird die Verbindung angemeckert, aber ich habe beides nochmal überprüft und finde den Fehler nicht :-/ Ja das mit dem selber Zeichnen wollte ich schon machen, gerade weil ich die Leitungen in verschiedenen dicken Einzeichnen will usw. Wollte einfach mal eure Meinung hören, da Ihr mir so gut geholfen habt bis jetzt ist mir eure Meinung auch so wichtig :-) Sonst irgendwelche Tips wenn es darum geht das Platinenlayout zu zeichnen?
Er meckert darueber, das Du Dein Signal "+5V" genannt hast, in der Eagle-Bibliothek aber standardmaessig "VCC" eingetragen ist. Das kannst Du also ignorieren und fuer ok erklaeren. Gruss Asko.
Chris schrieb: > Eagle sagt mir nun ne Fehlermeldung im Schaltplan und zwar soll am > Eingang 5 (VCC) mit 5V was falsch sein?!? Das sind WARNUNGEN. Keine FEHLER. Steht auch genau so da. Bitte genau lesen. Diese Warnungen kannst du "billigen".
Chris schrieb: > Sonst irgendwelche Tips wenn es darum geht das Platinenlayout zu > zeichnen? Es gilt das Kiss-Prinzip (http://de.wikipedia.org/wiki/KISS-Prinzip). Achte darauf so wenige Leitungs-Kreuzungen wie möglich zu haben, halte die Leiterbahnen (insb. Spannungsversorgung und GND) so kurz wie möglich. Chris schrieb: > Nur ist das "Problem", dass ich viele der Komponenten schon > bekommen habe (so eine Box mit Widerständen usw. vom Kollegen) und klar > nicht alles aber zum größten Teil. Ein Widerstand kostet "ein paar Cent" (vielleicht fünf). Das ist bei deiner Platine dann ein Euro oder so. Wenn dafür die Platine selbst wesentlich kleiner ist, dann sparst du Größenordnungen mehr... Wenn du dir SMD aber wiederum nicht zutraust, dann mach es ruhig mit THT. Gruß, Alex
Zur Vervollständigung unseres Themas dachte ich zeige euch mein Layout für die Platine. Habe alle Leitungen mal auf 40mil gesetzt das müsste denk ich mal reichen, oder was meint Ihr? Evtl. GND-Leitung & V+ dicker machen??
Bei den meißten Hohlstecker-Buchsen die ich kenne sind die Lötanschlüsse länglich (nicht rund). Stimmt da bei dir der Footprint? Die Widerstände würde ich kürzer "biegen" (die Anschlussdrähte näher am Gehäuse nach unten biegen). Die Kondensatoren sehen in wirklichkeit anders aus. Du hast überall Folienkondensatoren eingebaut, die 100 uF sind aber sicher elektrolytisch. Die ganzen Signale kannst du viel kleiner machen (z.B. 12 mil). Die thermische Anbindung des Spannungsreglers und der Endstufen-Transistoren ist schlecht. Obwohl dein 7805 direkt neben der Hohlstecker-Buchse liegt ist die Leiterbahn dorthin sehr lang und verläuft durch mehrere Vias! Gruß, Alex
Alex22 schrieb: > Obwohl dein 7805 direkt neben der Hohlstecker-Buchse liegt ist die > Leiterbahn dorthin sehr lang und verläuft durch mehrere Vias! ..und die Diode D3 ist nicht wie in Deinem letzten Schaltplan eingebaut. ..die Vorwiderstaende fuer die Kontroll-LEDs sind auch noch falsch. ..freistehende Durchkontaktierungen sind ja "riesig" ..dagegen die Loetaugen der Widerstaende "mickrig" ..Isolationsabstaende der Leitungen untereinander wuerde ich vergroessern Denke immer dran, das Du das selbst loeten willst, also mach es Dir so leicht als moeglich. Gruss Asko.
Die Leiterplatte willst Du ja herstellen lassen. Dann wird sie vermutlich durchkontaktiert sein. Sollte sie das nicht sein, wirst Du Probleme haben Deine DC-Buchse oder die ISP-Buchse anzuloeten. Genauso wie Deine Ein- und Ausgangsanschluesse sofern Du da auch Stecker/Buchsen verwenden moechtest. Die kleine Drossel kann man auch flach legen, dann kommt man beim loeten auch besser an beide "Beine" ran. Platz ist da jedenfalls genug. Auch koennte man den 7805 und die IRLZ stehend anordnen, spart nicht nur Platz, sondern man koennte im Notfall sogar noch einen Kuehlkoerper anschrauben, wenn man einen benoetigt. Gruss Asko.
Alex22 schrieb: > Bei den meißten Hohlstecker-Buchsen die ich kenne sind die Lötanschlüsse > länglich (nicht rund) OOh das habe ich gar nicht bemerkt, ja die sind länglich. Asko B. schrieb: > Die Leiterplatte willst Du ja herstellen lassen. > Dann wird sie vermutlich durchkontaktiert sein. Ja die sind dann durchkontaktiert Asko B. schrieb: > Auch koennte man den 7805 und die IRLZ stehend anordnen, spart > nicht nur Platz, sondern man koennte im Notfall sogar noch > einen Kuehlkoerper anschrauben, wenn man einen benoetigt. Ach und ich dachte das ist die stehende Ansicht :-/ Hmm muss mal schauen in Eagle wie ich die stehende Anordnung finde...leider habe ich trotz langer suche nichts gefunden.... Alex22 schrieb: > Die thermische Anbindung des Spannungsreglers und der > Endstufen-Transistoren ist schlecht. Wie sollte ich die Anordnung denn machen? Alex22 schrieb: > Obwohl dein 7805 direkt neben der Hohlstecker-Buchse liegt ist die > Leiterbahn dorthin sehr lang und verläuft durch mehrere Vias! Ok dann setze ich die mal nebeneinander... Asko B. schrieb: > und die Diode D3 ist nicht wie in Deinem letzten Schaltplan eingebaut. Also nach Überprüfung ist die Diode wie im Schaltplan verbaut... Asko B. schrieb: > freistehende Durchkontaktierungen sind ja "riesig" Wie ist das denn nun gemeint? Alex22 schrieb: > Die Kondensatoren sehen in wirklichkeit anders aus. Du hast überall > Folienkondensatoren eingebaut, die 100 uF sind aber sicher > elektrolytisch. Mir ist es eigentlich egal welche Kondensatoren verbaut werden. Hauptsache ist das die Ihren Job machen...welchen Typ sollte ich den eurer Meinung nehmen?? In Eagle ist die Auswahl so groß....
Hi >Mir ist es eigentlich egal welche Kondensatoren verbaut werden. >Hauptsache ist das die Ihren Job machen...welchen Typ sollte ich den >eurer Meinung nehmen?? Die 100n Keramik. Die 100µ und 4,7µ sind Elektrolykondensatoren. Die haben aber eine andere Bauform: http://www.reichelt.de/Elkos-radial-85-C/RAD-100-25/3/index.html?&ACTION=3&LA=2&ARTICLE=15102&GROUPID=3143&artnr=RAD+100%2F25 http://www.reichelt.de/Elkos-radial-85-C/RAD-4-7-35/3/index.html?&ACTION=3&LA=2&ARTICLE=15135&GROUPID=3143&artnr=RAD+4%2C7%2F35 Außerdem gehören die Kondensatoren nicht schön gleichmäßig über die Platine verteilt, sondern dorthin wo sie gebraucht werden. Also C6 direkt neben Pin5/6 und C7 neben Pin 15/16. C1, C2 so nah wie möglich an den Spannungsregler. Ebenso C3 und C4. MfG Spess
Chris schrieb: > Asko B. schrieb: >> Auch koennte man den 7805 und die IRLZ stehend anordnen, spart >> nicht nur Platz, sondern man koennte im Notfall sogar noch >> einen Kuehlkoerper anschrauben, wenn man einen benoetigt. > > Ach und ich dachte das ist die stehende Ansicht :-/ Hmm muss mal schauen > in Eagle wie ich die stehende Anordnung finde...leider habe ich trotz > langer suche nichts gefunden.... Stehende Ausführung: Bibliothek "linear" -> "78*" -> "7805TV" bzw. für den IRLZ34N kannst du das Bauteil "transistor-power" -> "IRF512" benutzen und später über "Value" "umbenennen". Gehäuse und Pin-Belegung sind identisch. Korrigiere bitte mal die Bauformen der Kondensatoren und ordne die Kondensatoren (wie von Spess beschrieben) so an, dass die Wege kurz sind. R4 und R11 solltest du im Layout jeweils um 180° drehen (weniger Kreuzungen). L1 und D1 würde ich liegend montieren (nicht stehend). Einen Ein- / Ausschalter brauchst du nicht? Thomas Forster schrieb: > Noch ein Tipp: Du hast viele ungenutzte Portpins an deinem Atmega. Wenn > auf deiner Platine noch Platz ist, führe ein paar davon doch einfach > noch auf eine handvoll Solderpads heraus. Dazu noch ein GND-Pad und man > kann später evtl. noch Taster oder sonst was anschliessen. Den Tipp finde ich z.B. auch gut. Induktive Lasten (kleine Motoren oder Relais) willst du sicher nicht schalten? Chris schrieb: > Alex22 schrieb: >> Die thermische Anbindung des Spannungsreglers und der >> Endstufen-Transistoren ist schlecht. > > Wie sollte ich die Anordnung denn machen? Da gibt es zwei Möglichkeiten: 1) liegende Ausführung: Löcher in Platine vorsehen, durch die man die ICs an der Platine festschrauben kann. Auf der Platine ein entsprechendes (großes) Kupfer-Polygon vorsehen. Die Platine wirkt dann wie ein Kühlkörper. 2) stehende Ausführung: um die ICs entsprechend viel Platz lassen, dass man dort einen Kühlkörper aufstecken oder anschrauben kann. (siehe Kühlkörper) Wenn du aber wirklich nur wenige mA schalten möchtest sind diese Überlegungen unwichtig. Mit dem IRLZ34N solltest du ca. 4 A ohne Kühlkörper schalten können (bei niedriger Schaltfrequenz). Gruß, Alex
Chris schrieb: >> und die Diode D3 ist nicht wie in Deinem letzten Schaltplan eingebaut. > > Also nach Überprüfung ist die Diode wie im Schaltplan verbaut... Dan ueberpruefe das mal, da gibt es eine Diskrepanz. Chris schrieb: >> freistehende Durchkontaktierungen sind ja "riesig" > > Wie ist das denn nun gemeint? Vergleiche mal nur die "Durchkontaktierungen" mit den "Loetpads" der Widerstaende. Gehe mal einfach davon aus, Du wuerdest die Leiterplatte selber aetzen und haettest keine Moeglichkeit selber Durchkontaktierungen herzustellen. Wenn dann alles ok ist, ist alles gut und auch die kommerzielle durchkontaktierte Platine kann nur noch Vorteile bringen. Deine Anwendung, Durchkontaktierungen an Bauelementantschluessen herzustellen gefaellt mir. Spart ne menge Arbeit und vor allem Geld beim Platinenhersteller (und deren Kosten). Versuche mal alle Anschluesse von Buchsen, Schaltern usw. auf einer Seite (der Leiterseite/Unterseite = Bottom) zu platzieren. (wegen der Loetbarkeit) Kreuzende Leitungen kannst Du dann auf die Oberseite (Top) verlagern. Aber das sollte spaerlich erfolgen.. Das meiste der Oberseite kann durchaus als Masseflaeche ausgefuehrt werden. Was wiederum die meisten Stromfuehrenden Leitungen auf der "Unterseite entlastet". Nicht nur vom Stromfluss, sondern mehr vom Platz. Ich habe auch "erst vor kurzem - ;-)" mit Eagle angefangen. Und eine Leiterplatte in Eagle erstellt die einige User benutzt haben ohne je ein Fehler festgestellt zu haben. Damals lag ich fest im Bett und konnte gar nichts ausprobieren. Es hat dennoch funtioniert. Einfach nochmal drueber gucken, und nochmal, und nochmal. Kann ich noch irgendwo eine freistehende Durchkontaktierung sparen? Kann ich die eine oder andere Leitung nicht vielleicht doch auf der Bottom-Seite platzieren ? Komm ich da mit dem Loetkolben ran ( stehende Drossel) ? Sind die Leiterzuege und Loetaugen weit genug voneinander weg, so das ich nicht selbst beim Loeten einen Kurzschluss baue ? Gruss Asko.
spess53 schrieb: > Die 100n Keramik. Die 100µ und 4,7µ sind Elektrolykondensatoren. Die > haben aber eine andere Bauform: Für 100n habe ich den Typ CPOL TT2D6 diameter 6 mm, grid 2.54 mm genommen und für 4,7 den Typ TT2D5 diameter 5 mm, grid 2.54 mm. spess53 schrieb: > Außerdem gehören die Kondensatoren nicht schön gleichmäßig über die > Platine verteilt, sondern dorthin wo sie gebraucht werden. Also C6 > direkt neben Pin5/6 und C7 neben Pin 15/16. C1, C2 so nah wie möglich an > den Spannungsregler. Ebenso C3 und C4. Gemacht Alex Bürgel schrieb: > Einen Ein- / Ausschalter brauchst du nicht? Hmm ne ich zieh einfach den Stecker.... Alex Bürgel schrieb: > Den Tipp finde ich z.B. auch gut. > > Induktive Lasten (kleine Motoren oder Relais) willst du sicher nicht > schalten? Nein die Platine soll eigentlich nur das tun was ich will... Alex Bürgel schrieb: > 2) stehende Ausführung: um die ICs entsprechend viel Platz lassen, dass > man dort einen Kühlkörper aufstecken oder anschrauben kann. Stehende Anordnung ist meine Wahl...hab in Eagle alles soweit geändert... Asko B. schrieb: > Kreuzende Leitungen kannst Du dann auf die Oberseite (Top) > verlagern. Aber das sollte spaerlich erfolgen.. > Das meiste der Oberseite kann durchaus als Masseflaeche ausgefuehrt > werden. Was wiederum die meisten Stromfuehrenden Leitungen > auf der "Unterseite entlastet". > Nicht nur vom Stromfluss, sondern mehr vom Platz. Danke für den Tipp so werde ich es dann machen. Asko B. schrieb: > Dan ueberpruefe das mal, da gibt es eine Diskrepanz. Ich sehe es nicht :-/
Hi >> Die 100n Keramik. Die 100µ und 4,7µ sind Elektrolykondensatoren. Die >> haben aber eine andere Bauform: >Für 100n habe ich den Typ CPOL TT2D6 diameter 6 mm, grid 2.54 mm >genommen und für 4,7 den Typ TT2D5 diameter 5 mm, grid 2.54 mm. Keramikkondensatoren sehen so http://www.reichelt.de/Vielschicht-bedrahtet-X7R-10-/X7R-5-100N/3/index.html?&ACTION=3&LA=2&ARTICLE=22865&GROUPID=3162&artnr=X7R-5+100N aus. Elektrolykondensatoren wie die Links von hier Beitrag "Re: Frage zu ATtiny26 als Steuergerät" Merkst du etwas? MfG Spess
spess53 schrieb: > Merkst du etwas? Ja klar merk ich etwas. Die Eagle Lib ist aber zu enorm und man verliert leicht den Überblick. Habe nun bei den 100ern den Typ C-EU025-025X050 verwendet. Dieser soll laut Recherche ein Keramik-Kondensator sein...
Hi >Habe nun bei den 100ern den Typ C-EU025-025X050 verwendet. Sagt mir nichts. Ich schrieb: >C1, C2 so nah wie möglich an den Spannungsregler. Was hast du an 'so nah wie möglich' nicht verstanden? Setze C1 unter C2 und C3 unter C4. Aber so, das die Masseanschlüsse in die Mitte zeigen. C6/C7 können auch näher an den Controller. MfG Spess
spess53 schrieb: > Was hast du an 'so nah wie möglich' nicht verstanden? Dachte nur nicht an soooo nahe....
Hi Chris, deine Schaltung und das PCB werden immer besser. Lässt du im PCB-Layout auch einen "Design Rule Check" (DRC) laufen? Du köntest die freien Flächen auf Ober- und Unterseite noch mit einem GND-Polygon auffüllen. Gruß, Alex
Alex Bürgel schrieb: > Du köntest die freien Flächen auf Ober- und Unterseite noch mit einem > GND-Polygon auffüllen. Sehr zu empfehlen. Immerhin hast du jetzt Mosfets die mehrere Ampere schalten können: Schau dir mal den Weg an, den der Strom von den LED, besonders von Q5 aus, zurück zum Anschluss nehmen muss. Das geht kreuz und quer über die Platine und unter dem Atmega durch. Sowas versaut unter anderem die Spannungsmessung mit dem AD-Wandler. Führe besser eine dicke Masse-Leiterbahn direkt von den Transistoren zurück zum Anschluss. Wenn du noch die Datenleitungen etwas dünner, dafür die V+ Zuleitung etwas dicker ausführst, liest sich der Plan noch besser. Insgesamt wirds ja immer besser.
Alex Bürgel schrieb: > Du köntest die freien Flächen auf Ober- und Unterseite noch mit einem > GND-Polygon auffüllen. Also der Check hat keine Fehler ergeben, aber was ist ein GND-Polgon denn?? Thomas Forster schrieb: > Schau dir mal den Weg an, den der Strom von den LED, besonders von Q5 > aus, zurück zum Anschluss nehmen muss. Das geht kreuz und quer über die > Platine und unter dem Atmega durch. Sowas versaut unter anderem die > Spannungsmessung mit dem AD-Wandler. > Führe besser eine dicke Masse-Leiterbahn direkt von den Transistoren > zurück zum Anschluss. Muss zugeben das ich mit dem was Ihr mir versucht an Tipps zu geben etwas überfordert bin...weiss nicht wirklich welche Bahnen ihr genau meint da es ja sooo viele sind...mal ne andere Frage wenn ich das so lassen würde wie auf dem Layout Bild im Anhang würde es komplett falsch sein bzw. nicht gehen. Klar könnte man Optimierungen machen mit den verschiedenen dicken an Leiterbahnen und hier und da mal ein besser Weg....ich Frage halt weil ich das Teil schon so oft geändert habe und langsam die Lust verliere...ich weiss hört sich gerade blöd an aber ist irgendwie so :-/ Wie gesagt ich ändere es schon da ich ja will das alles einwandfrei später Funktionieren soll, nur würde ich gerne wissen ob das was ich bis jetzt gemacht habe komplett falsch ist oder nicht...die Überlegung ist halt ob ich komplett ein neues Design anfange oder im bestehenden die Änderungen vornehme, sprich hier und da paar Leitungen ändern oder alles neu einzeichnen (also die Route neu machen nicht die Bauteile umändern...)
Noch als Nachtrag... Chris schrieb: > Asko B. schrieb: >> und die Diode D3 ist nicht wie in Deinem letzten Schaltplan eingebaut. Ist jemand noch der Meinung das D3 nicht richtig verbaut ist?? Ich hab es mir jetzt mehrere Male angeschaut bin aber irgendwie der Meinung das es so passt...
Hallo Chris, ich hatte dir ja weiter oben schon ein Lob ausgesprochen. Ich kann mir gut vorstellen, wie du dich fühlst. Wer möchte sich schon gerne ständig belehren lassen. Dennoch hast du bisher stets versucht alle Ratschläge die dir gegeben wurden konstruktiv umzusetzen und in der Tat, sowohl dein Schaltplan als auch dein PCB-Layout haben sich im Laufe der Zeit deutlich verbessert. Zu deiner Frage: Chris schrieb: > mal ne andere Frage wenn ich das so > lassen würde wie auf dem Layout Bild im Anhang würde es komplett falsch > sein bzw. nicht gehen? Ein kritischer Fehler hat sich - meiner Meinung nach (d.h. 100 % sicher bin ich auch nicht) - eingeschlichen. Vielleicht steht das auch in Verbindung mit der vermeintlich falsch eingebauten Diode von Asko B.: Die Belegung der Hohlstecker-Einbaubuchse ist meiner Vermutung nach falsch. Ich vermute, dass bei dir GND am Hohlstecker außen ist und V+ in der Mitte, korrekt? Wenn ja, dann müsste die Belegung der Buchse auf der Platinenseite meiner Meinung nach so sein: 1: V+ 2: offen (nicht anschließen) 3: GND (die "Pfeilspitze" soll andeuten, dass dieser Kontakt von außen auf den Hohlstecker "drückt". (siehe auch hier: Beitrag "Pinbelegung Hohlstecker") Abgesehen davon kann ich nichts an deiner Schaltung finden, welches entgegen den von dir genannten Anforderungen steht. Du könntest mal damit "ins Rennen gehen"... Chris schrieb: > Also der Check hat keine Fehler ergeben Super! Chris schrieb: > aber was ist ein GND-Polgon > denn?? Du könntest dir dieses Video angucken: https://www.youtube.com/watch?v=O5aZQLSJajI Die Theorie hier breit zu erklären wäre zu viel des Guten. Kurz gesagt: im Moment ist auf deiner Platine noch viel "Luft" (Flächen ohne Kupfer). Diese Flächen können mit Kupfer aufgefüllt werden. Üblicherweise verbindet man dieses zusätzliche Kupfer dann mit GND. Das hat dann auch den Vorteil, dass die GND-"Leitungen" sehr "dick" sind, denn der GND-Strom fließt durch die ganze Fläche und nicht nur durch die dünnen Leiterbahnen. *) Wenn du möchtest kannst du auch hier noch bisschen lesen: Richtiges Designen von Platinenlayouts. Muss aber nicht unbedingt sein. Grüße & viel Erfolg! Alex P.S.: Wenn es dann an die Inbetriebnahme / Programmierung geht kannst du ja mal schreiben wie es so läuft... *) man möge mir diese vereinfachte Minimaldarstellung ohne tiefere Ausführung der Randbedingungen entschuldigen.
Hallo Chris Chris schrieb: > Also der Check hat keine Fehler ergeben Das kann nicht sein. Denn... Deine Verpolschutzdiode ist im Schaltplan richtig, es laufen "V+" und ueber den 7805 auch "+5V" drueber. Im Layout jedoch nur der 7805 mit dem daran angeschlossenen Mikrokontroller. Deine Leuchtdioden sind somit nicht gegen verpolung geschuetzt. Wenn Du das wolltest, koenntest Du das auch so lassen. Jedoch wird dann nicht so eine riesige Diode benoetigt. Ich vermute ganz stark, Du hast zum erstellen Deines Layouts eine alte Version (zumindest eine andere) des Schaltplanes benutzt. Denn auch im Schaltplan sind die Vorwiderstaende der Kontroll-LEDs 2,2k und im Layout sind sie auf einmal wieder 220 Ohm. (R10 bis R13) Gruss Asko.
Hallo Chris Ich hab leider nicht genau solche DC-Buchse bei mir als Muster gefunden. Aber eine aehnliche. Und da ist mir was aufgefallen. Der kleine Schalter an der Buchse (Pin2 und Pin3) wird ja beim hereinstecken mechanisch betaetigt (durch das "auseinanderdruecken") beim hereinstecken des Steckers. Meistens haben zB Steckernetzteile mit Hohlstecker aussen den negativen Anschluss und in der Mitte den positiven Anschluss. Aber Achtung !! meistens...leider nicht immer. Ich hab hier ein Steckernetzteil 12V 2A von einer externen Festplatte, da ist auch "Plus" innen. Solch ein Netzteil wuerde ich Dir auch empfehlen. Wuerde fuer Deine Anforderungen an Leistung fuer die LED-Streifen bei vernuenftiger laenge voellig ausreichen. Also solltest Du in Deinem Schaltplan die Pins 2/3 gegen Pin 1 tauschen (DCJ0202) Gruss Asko.
Asko B. schrieb: > Ich vermute ganz stark, Du hast zum erstellen Deines > Layouts eine alte Version (zumindest eine andere) des > Schaltplanes benutzt. Chris, du musst bei EAGLE immer beide Fenster gleichzeitig (Board und Schaltplan) geöffnet haben, du darfst nie eines schließen. Kommt bei dir die Fehlermeldung "Board und Schaltplan sind nicht mehr synchron"? Wenn ich dir noch ein paar Tipps geben darf: -Widerstände biegt man am schönsten mit einer Biegelehre: http://www.reichelt.de/1-4W-5-1-0-Ohm-9-1-Ohm/BIEGELEHRE/3/index.html?ACTION=3&GROUPID=3062&ARTICLE=5595&SEARCH=biegelehre&OFFSET=500&WKID=0& -Den Mikrocontroller am besten in einen Sockel: http://www.reichelt.de/IC-Sockel/GS-20/3/index.html?ACTION=3&GROUPID=3215&ARTICLE=8212&OFFSET=500&WKID=0& -Praktischer als "Pinheads" zum Anschließen von Leitungen an PCBs finde ich Print-Anschlussklemmen: http://www.reichelt.de/RIA-Stecksystem/AKL-101-02/3/index.html?ACTION=3&GROUPID=5754&ARTICLE=36605&SEARCH=akl%20101&OFFSET=16&WKID=0& (bei EAGLE z.B. CON-PHOENIX -> 5.08). Gruß, Alex
So da bin ich wieder, hatte die letzten Tage etwas viel Stress in der Arbeit und mein kleines Nebenprojekt musste darunter leiden... Asko B. schrieb: > Meistens haben zB Steckernetzteile mit Hohlstecker > aussen den negativen Anschluss und in der Mitte den > positiven Anschluss. Aber Achtung !! meistens...leider nicht immer. Also ich habe so einen Netzstecker an dem man die Polarität ändern kann....aber ich habe es jetzt doch geändert da deine Variante die gängigste ist. Asko B. schrieb: > Ich vermute ganz stark, Du hast zum erstellen Deines > Layouts eine alte Version (zumindest eine andere) des > Schaltplanes benutzt Das kann gut sein das ich was im Schaltplan verändert habe und kein neues Designlayout erstellt habe....bin da wohl etwas durcheinander gekommen :-/ Asko B. schrieb: > Also solltest Du in Deinem Schaltplan die Pins 2/3 gegen > Pin 1 tauschen (DCJ0202) Wurde somit gemacht ;-) Alex Bürgel schrieb: > Kommt bei dir die Fehlermeldung "Board und Schaltplan sind nicht mehr > synchron"? Normalerweise sind beide immer offen aber kann sein (wie oben schon beschrieben) das da etwas durcheinander gekommen ist....und ja dieser Fehler sich eingeschlichen hat... Jetzt zeichne ich erst mal das Layout neu und füge die Polygons ein. Nach kleiner Recherche was das sind und was die machen finde ich diese Option ganz cool!! Also bis gleich mit dem Layout :-)
Chris schrieb: > Also bis gleich mit dem Layout :-) Sooooo ich hab mich mal wieder herangetraut und was "neues" entworfen. Zur info, ich habe Abstand 32 für die Option "isolate" verwendet...
Hallo Chris Jetzt sind in Deinem Schaltplan wieder R10 - R13 220 Ohm - sollten aber 2,2 kOhm haben und R9, R6, R8, R5 auch 220 Ohm - sollten aber 100 Ohm haben die Stromversorgung der LEDs wird wieder "vor" der Diode abgegriffen Du solltest mal alles abspeichern (*.sch) und dann neu aufrufen. Und dann das *.brd-File aus dem Schaltplan heraus aufrufen. Bei Dir geht ja alles drunter und drueber. So wird das nix. Ich hab mal ein Beispiel der Stromversorgung angehaengt. (noch ohne Ground-Polygon) Gruss Asko.
Asko B. schrieb: > So wird das nix. Ganz so schlimm sieht es doch auch wieder nicht aus. Klar, die Vorwiderstände der LEDs sollten mehr als 220 Ohm haben, sonst gehen die LEDs kaputt. Aber ansonsten gibt es keine fatalen Fehler. Besser geht immer... aber ich finde, dass Chris es schon gut macht. Und entmutigen wollen wir ihn ja auch nicht. Außerdem: "learning by doing". Noch zu deinem PCB, Chris: Bei uns auf der Arbeit würde man sagen: "da kann man noch drauf tanzen" :-) Du hast oben rechts noch ein "air wire". Ich sehe, dass du ein paar quadratische Vias auf dem PCB verteilt hast. Ich vermute du möchtest damit die GND-Polygone oben/unten miteinander verbinden? Der Ansatz ist gut. Ich persönlich stelle dafür das Raster auf 5,08 mm und setze dann an jedem Rasterpunkt (wo es ohne Kollisionen möglich ist) ein Via (z.B. 0,6 mm Bohrlochdurchmesser, rund). So sind die beiden Seiten ordentlich miteinander verbunden. Weißt du, bei dir könnte es sonst sein, dass der ganze Strom durch so ein einzelnes kleines Via fließen muss. Noch ein Tipp: Über "Datei" -> "ULP ausführen" kannst du ganz am Ende noch "teardrops.ulp" starten, dann werden die Leitungen kurz vor einem Via ein bisschen aufgedickt. Gruß, Alex
Alex Bürgel schrieb: > Ganz so schlimm sieht es doch auch wieder nicht aus. > Klar, die Vorwiderstände der LEDs sollten mehr als 220 Ohm haben, sonst > gehen die LEDs kaputt. Aber ansonsten gibt es keine fatalen Fehler. Im Prinzip mag´s Du Recht haben. Wenn jedoch wiederholt "alte" Schaltplaene und neue Layouts zusammen (oder umgekehrt) gepostet werden, zeugt es doch davon, das irgendwas faul im Busch ist. Soll er sich das so angewoehnen , alles falsch zu machen ? Der "aktuelle Schaltplan" gehoert zum "aktuellen Layout". Und nich irgendwas zwischen Himmel und Wolke. Ich mach ja auch Chris keinen Vorwurf, aber irgendwas stimmt da nicht. Gruss Asko. PS: Chris, hast Du Schaltplan und Layout auf zwei verschiedenen Rechnern ?
Asko B. schrieb: > Jetzt sind in Deinem Schaltplan wieder R10 - R13 220 Ohm > - sollten aber 2,2 kOhm haben > und R9, R6, R8, R5 auch 220 Ohm > - sollten aber 100 Ohm haben OOOOh mann...wie hat sich den dieser Fehler wieder eingeschlichen... Asko B. schrieb: > Du solltest mal alles abspeichern (*.sch) und dann neu aufrufen. > Und dann das *.brd-File aus dem Schaltplan heraus aufrufen. > Bei Dir geht ja alles drunter und drueber. So wird das nix. Asko B. schrieb: > Im Prinzip mag´s Du Recht haben. > Wenn jedoch wiederholt "alte" Schaltplaene und neue Layouts > zusammen (oder umgekehrt) gepostet werden, zeugt es doch > davon, das irgendwas faul im Busch ist. > Soll er sich das so angewoehnen , alles falsch zu machen ? > Der "aktuelle Schaltplan" gehoert zum "aktuellen Layout". > Und nich irgendwas zwischen Himmel und Wolke. Asko B. schrieb: > PS: Chris, hast Du Schaltplan und Layout auf zwei verschiedenen > Rechnern ? Also ich weiss auch nicht aber ich habe immer beide Sachen offen und es ist halt öfters vorgekommen, dass ich die Layout Datei gelöscht habe um dann später eine neue zu erstellen....aber ich pass nun besser auf!!! Alex Bürgel schrieb: > Noch ein Tipp: > Über "Datei" -> "ULP ausführen" kannst du ganz am Ende noch > "teardrops.ulp" starten, dann werden die Leitungen kurz vor einem Via > ein bisschen aufgedickt. Hab das gemacht, sehe aber irgendwie keine Veränderungen Alex Bürgel schrieb: > Der Ansatz ist gut. Ich persönlich stelle dafür das Raster auf 5,08 mm > und setze dann an jedem Rasterpunkt (wo es ohne Kollisionen möglich ist) > ein Via (z.B. 0,6 mm Bohrlochdurchmesser, rund). So sind die beiden > Seiten ordentlich miteinander verbunden. das verstehe ich nicht so ganz was du meinst mit "wo es ohne Kollision..."
Chris schrieb: > Alex Bürgel schrieb: >> Noch ein Tipp: >> Über "Datei" -> "ULP ausführen" kannst du ganz am Ende noch >> "teardrops.ulp" starten, dann werden die Leitungen kurz vor einem Via >> ein bisschen aufgedickt. > > Hab das gemacht, sehe aber irgendwie keine Veränderungen Bei dir sehe ich in der Tat auch keinen Unterschied. So sollte es aussehen: http://wiki.fed.de/index.php/Teardrop Chris schrieb: > Alex Bürgel schrieb: >> Der Ansatz ist gut. Ich persönlich stelle dafür das Raster auf 5,08 mm >> und setze dann an jedem Rasterpunkt (wo es ohne Kollisionen möglich ist) >> ein Via (z.B. 0,6 mm Bohrlochdurchmesser, rund). So sind die beiden >> Seiten ordentlich miteinander verbunden. > > das verstehe ich nicht so ganz was du meinst mit "wo es ohne > Kollision..." Stelle das Routing-Raster auf einen beliebigen Wert (z.B. 5,08 mm) und setze auf jeden Gitterpunkt ein GND-Via. Setze kein Via auf Gitterpunkte an denen ein von GND verschiedenes Netz oder sonstiges Hindernis verläuft. Das kann dann so aussehen wie hier: http://cmosedu.com/jbaker/students/kendrick/ViasGND/ViasGND.htm Gruß, Alex
wie sollen am 7805 oder an den Trasis Kühlkörper ran bei Bedarf wenn die Anschlüsse für die Kühlkörper nach innen zeigen? Ich würde statt den 7805 einen Schaltregler R785 von Recom oder Trako wählen, da braucht man meist keinen Kühlkörper, gibt es von 0,5A bis 1,5A wobei der 1,5A bei mir nur 1,2A brachte.
Joachim B. schrieb: > wie sollen am 7805 oder an den Trasis Kühlkörper ran bei Bedarf wenn die > Anschlüsse für die Kühlkörper nach innen zeigen? > > Ich würde statt den 7805 einen Schaltregler R785 von Recom oder Trako > wählen, da braucht man meist keinen Kühlkörper, gibt es von 0,5A bis > 1,5A wobei der 1,5A bei mir nur 1,2A brachte. Dein Tipp zum R-78C5.0 in allen Ehren (er ist sachlich natürlich korrekt), aber in Chris' Schaltung wird sich der gewöhnliche 7805TV schon langweilen. Bei 5 V Versorgung und 8 MHz Taktrate braucht er laut Datenblatt max. 15 mA. Mehr muss der 7805TV gar nicht versorgen. Verlust (maximal) beträgt:
Bei einem R_thJA für TO-220 von 65 K/W ergibt sich eine Erwärmung von knapp 7 °C gegenüber Umgebungstemperatur. Gruß, Alex
Alex Bürgel schrieb: > Stelle das Routing-Raster auf einen beliebigen Wert (z.B. 5,08 mm) und > setze auf jeden Gitterpunkt ein GND-Via. Setze kein Via auf Gitterpunkte > an denen ein von GND verschiedenes Netz oder sonstiges Hindernis > verläuft. > > Das kann dann so aussehen wie hier: > http://cmosedu.com/jbaker/students/kendrick/ViasGND/ViasGND.htm Danke für die Zusatzinfos....habe es dadurch besser verstanden und es auch so umgesetzt...hoffe es passt so :-)
Chris schrieb: > Danke für die Zusatzinfos....habe es dadurch besser verstanden und es > auch so umgesetzt...hoffe es passt so :-) Solltest Du einen Leiterplattenhersteller haben, dem es egal ist wie viele "VIA´s" da drauf sind, dann mag das ok sein. Ansonsten werfe ich mal den "Einwurf" in den Raum, das bei Dir mehr leiterzuege auf der Bauelementeseite sitzen und die eigentliche "Leiterseite" stiefmuetterlich behandelt ist. Das ganze ist eher ein Layoutentwurf fuer eine SMD-bestueckte Platine. ...und SMD´s finde ich bei Dir nicht ... Gruss Asko.
Asko B. schrieb: > Solltest Du einen Leiterplattenhersteller haben, dem es egal ist > wie viele "VIA´s" da drauf sind, dann mag das ok sein. Naja nicht wirklich für jede Bohrung muss man zahlen...mir wurde halt der Tipp gegeben ich soll "so viele" machen...wenn weniger auch geht wäre es ein Kostenvorteil für mich.... Asko B. schrieb: > Ansonsten werfe ich mal den "Einwurf" in den Raum, das bei Dir > mehr leiterzuege auf der Bauelementeseite sitzen und die eigentliche > "Leiterseite" stiefmuetterlich behandelt ist. > Das ganze ist eher ein Layoutentwurf fuer eine SMD-bestueckte Platine. > > ...und SMD´s finde ich bei Dir nicht ... Das wiederum verstehe ich nicht, also was du damit genau meinst. Ist mein Entwurf für die Katze oder?!?!
Noe, nicht fuer die Katz... aber sieh Dir das doch mal genau an (selber). Blende die Groundplanes mal aus, und Du erhaelst das eigentliche Layout. Dann ist zu sehen, das auf der "Leiterseite" (Bottom = Blau) kaum Leiterzuege vorhanden sind, sich jedoch auf der "Bauelementeseite" (Top = Rot) das wirkliche Leben abspielt. Ich hatte nicht umsonst geschrieben, das Durchkontaktierungen an eh vorhandenen THT-Bauelementen das Mass der Dinge sind. Und ich hatte auch geschrieben, das bei Dir saemtliche Buchsen die Leiterbahnen auf der "Oberflaeche" haben. Bei einer teuren kommerziellen Platine sicher kein Problem. Was aber, wenn Du selbst schnell mal ein "Muster" aetzen moechtest - zum Testen. Dann kriegst Du Deine Buchsen nie sinnvoll angeloetet/kontaktiert. ...und ein Muster Testen ist sehr von Vorteil, man spart sich den teuren Kauf einer tueren kommerziellen Platine, die man selber versaubeutelt hat. Wegen Thema Muster ... ein kleines Steckbrett zum ausprobieren waere an Deiner stelle nicht unangebracht. zB: http://www.reichelt.de/STECKBOARD-SB-1/3/index.html?&ACTION=3&LA=446&ARTICLE=139506&artnr=STECKBOARD+SB-1&SEARCH=Steckboard ...ist nur ein Beispiel. Bei dir kommt ja noch NACH der Leiterplatte das Programmieren dazu. Also wuerde ich das erst auf solchem Steckbord ausprobieren, und DANACH, wenn alles laeuft, wie gewuenscht die Leiterplatte machen. Gruss Asko. PS: Was aber auch sein kann, Du steckst uns alle in Fragen der Programmierung in die Tasche und es nur eine Frage des Aufbaus.
Alex Bürgel schrieb: > Dein Tipp zum R-78C5.0 in allen Ehren (er ist sachlich natürlich > korrekt), aber in Chris' Schaltung wird sich der gewöhnliche 7805TV > schon langweilen. > > Bei 5 V Versorgung und 8 MHz Taktrate braucht ach da blicke ich nicht mehr durch, es fing an mit ein Haufen LEDs mit 220 Ohm aus Ports versorgt, das letzte Layout hat nicht mal den zugehörigen Schaltplan, nö so macht das keinen Spass mitzusprechen. OK der 7805 passt mit allen unbekannten Strömen ;-)
Joachim B. schrieb: > ach da blicke ich nicht mehr durch, es fing an mit ein Haufen LEDs mit > 220 Ohm aus Ports versorgt, das letzte Layout hat nicht mal den > zugehörigen Schaltplan, nö so macht das keinen Spass mitzusprechen. > > OK der 7805 passt mit allen unbekannten Strömen ;-) Du hast Recht, am Anfang wurde alles aus den 5 V versorgt... jetzt ergibt dein Tipp auch richtig Sinn! :-) Chris schrieb: > Naja nicht wirklich für jede Bohrung muss man zahlen...mir wurde halt > der Tipp gegeben ich soll "so viele" machen...wenn weniger auch geht > wäre es ein Kostenvorteil für mich.... Diese "Randbedingung" war mir nicht bekannt, in dem Fall kannst du ruhig ein paar Vias weglassen. Ich habe dir noch mal drei Sachen markiert in deinem Layout die du prüfen solltest... Gruß, Alex
Jetzt kommt noch die Kür, sofern du noch Lust hast: Ich habe mal zwei Leiterbahnen von den Portpins zu den Gate-Widerständen bunt markiert. Wenn du jetzt einfach die Portpins für die Ansteuerung dieser beiden Transistoren austauschst lassen sich die Leiterbahnen eleganter verlegen. Auch könnten die 100R und 100kR Widerstände den Platz tauschen. Das könnte die Platine nochmal vereinfachen....
Ich habe mal ein paar vias weggenommen....wollte den Auftrag abschicken zum erstellen der Platine meint Ihr das passt??
Chris schrieb: > wollte den Auftrag abschicken > zum erstellen der Platine meint Ihr das passt?? "Versuch macht kluch." Beim groben "drüberschauen" habe ich nichts gefunden was die Platine gänzlich unbrauchbar machen würde... was nicht heißen soll, dass sich nicht doch Fehler eingeschlichen haben, die ich schlicht übersehen habe. Gruß, Alex
Hallo Chris Mir persoenlich waeren Die Leiterzuege der +12V Versorgung zu duenn. Nicht die an den Kontroll-LEDs, sondern die von DC-Buchse -> Diode -> Anschlussstifte LED-Ketten und wieder zurueck von Anschlussstifte LED-Ketten -> MosFet Masse haste ja ganzflaechig. Die Drossel L1 koenntest Du auch horizuntal platzieren. Damit kommste dann sogar noch ueber einen leiterzug "drueber". Vielleicht auch den ganzen Block Widerstaende/MosFet/Kontroll-LEDs weiter nach links schieben. Dann erhaelst Du am rechten Rand mehr Platz fuer einen dickeren +12V-Leiterzug. Gruss Asko.
Bitte melde dich an um einen Beitrag zu schreiben. Anmeldung ist kostenlos und dauert nur eine Minute.
Bestehender Account
Schon ein Account bei Google/GoogleMail? Keine Anmeldung erforderlich!
Mit Google-Account einloggen
Mit Google-Account einloggen
Noch kein Account? Hier anmelden.






































