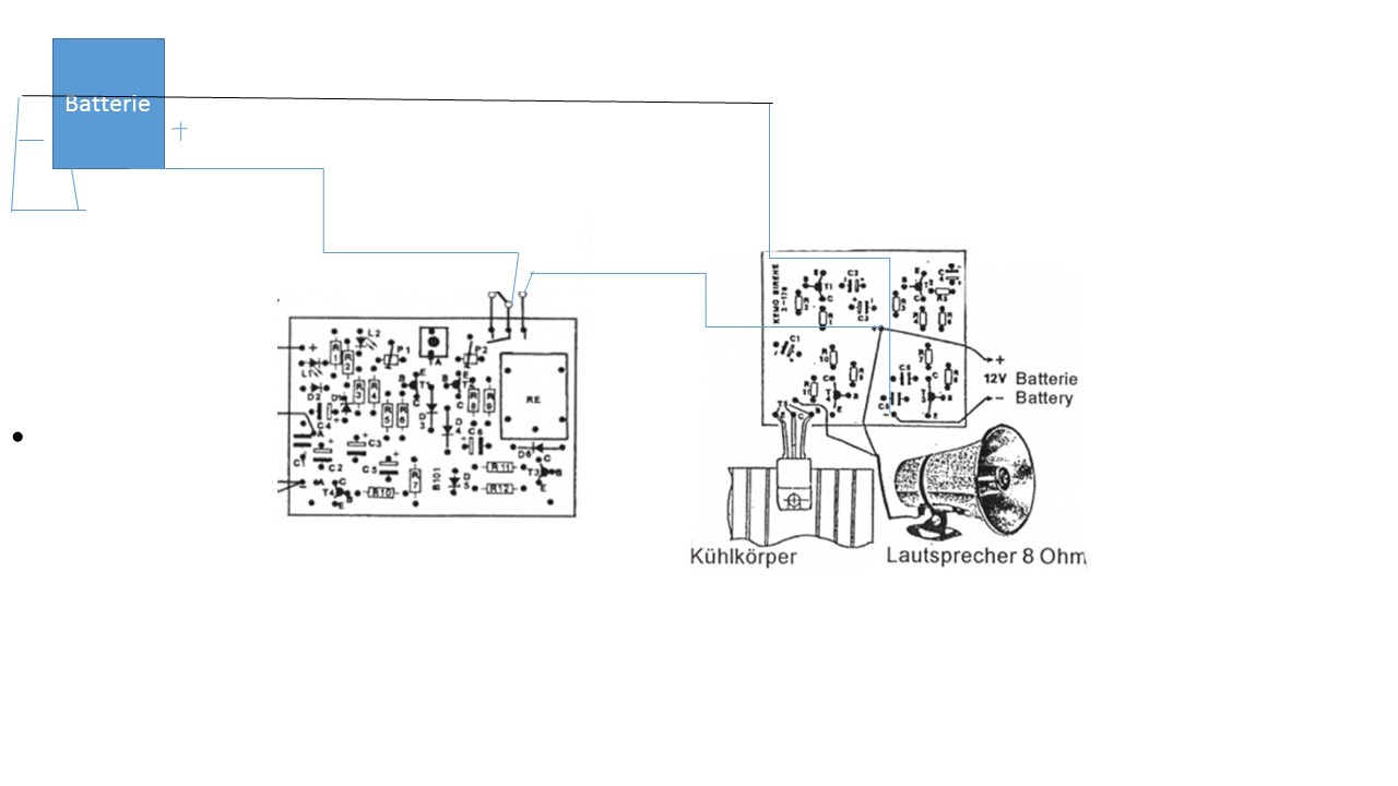
Hallo, bin neu im Forum. Hab mal ne Frage zu einem Spannungsfreiem Unterbrecherkontakt. Ich habe eine Alarmanlage von Kemo und Eine Sirene von Kemo. Diese möchte ich miteinander verbinden, also wenn Alarm ist die Sirene das Häulen beginnt. Der Anschluss dazu: Plus vom Netzteil an Schaltkontakt 1, Plus von Sirene an Schaltkontakt 2, Minus Sirene direkt ans Netzteil Minus. Danke im Vorraus ;-)
Fabian F. schrieb: > Hab mal ne Frage Welche? Hinweis: Anhänge im Powerpoint-Format sind keine gute Idee, da nicht jeder unbedingt die nötige Software installiert hat. Besser als Bild(er) anhängen.
Oder PDF, das kann man ebenfalls im Browser öffnen.. Selbst mit passender Software, werden die wenigsten Leute Lust haben, das erst herunterzuladen, dann mit Office zu öffnen, nur um überhaupt zu wissen, worum es geht.
Sven L. schrieb: > Und wo war jetzt die Frage? Auf der Autobahn zwischen Halle-Süd und Kreuz Rippachtal im Stau. Die kommt später... MfG Paul
Im Prinzip funktioniert das so. Die Platine (Platine1) welche die Sirene (Platine2) anschaltet sollte dabei aber potentialfreie Kontakte haben. Das heißt, die Schaltkontakte sollten keinen kontakt zur Spannungsversorgung von Platine1 haben.
Vielen dank feuerstein7 Könntest du vielleicht eine Grafik erstellen wie ich es richtig machen muss. Wehre super nett. Danke im Vorraus fabino
Bitte melde dich an um einen Beitrag zu schreiben. Anmeldung ist kostenlos und dauert nur eine Minute.
Bestehender Account
Schon ein Account bei Google/GoogleMail? Keine Anmeldung erforderlich!
Mit Google-Account einloggen
Mit Google-Account einloggen
Noch kein Account? Hier anmelden.
