Hallo, ich würde gerne ein Schmitt Trigger dimensionieren. Aber alles was ich bis jetzt gesehen habe ist eine symmetrische Schmitt trigger. Ich will ein Schmitt trigger, der bei 6,3V einschaltet und bei 6,8V ausschaltet. die Ausgangsspannung soll ca.3,3V sein. Könnte jemand mir bitte helfen. Danke Wilfried
Wilfried M. schrieb: > Könnte jemand mir bitte helfen. wohl niemand, denn einen Schmitt-Trigger mit einer Ausgangsspannung gibts nicht. Ein Schmitt-Trigger hat zwei Ausgangsspannungen: eine beim low-Zustand und eine beim high-Zustand. Ein Tipp: Man rechnet so etwas "von rückwärts". Nimmt zuerst eine der beiden Ausgangsspannungen an, rechnet entsprechende Widerstände aus und dann die für den andren Fall. Noch ein Tipp: Die Hysterese (hier 0,5V) hat etwas mit der Rückkopplung zu tun. Ironie: Es gibt hunderte mögliche Schaltungen, welche darf man Dir vorrechnen?
Peter R. schrieb: > Ironie: > Es gibt hunderte mögliche Schaltungen, welche darf man Dir vorrechnen? Ich denke, daß ihm EINE reicht. Wähle einfach die Dir Genehme aus und rechne ihm die Dimensionierung vor. Ach, das willst Du gar nicht? Du willst nur Stänkerei und eigenes Dummstellen als Ironie verpackt loswerden? Na dann...
Hallo, ja hab vergessen. Der Op wird mit 3,3V und 0V versorgt. So die Ausgangsspannungen sollen eigentlich 3,3V oder weniger und ca. 0V sein.Könnten Sie mir Helfen hab gerade schon versuch. aber es klappt nicht, da die Schaltung nicht symmetrisch ist. Danke
Wilfried M. schrieb: > Könnten Sie mir Helfen Die Asymetrie erreichst Du durch einen weiteren Widerstand gegen + oder -, um die Pegel zu "verschieben". Wenn Du einen Schaltplan machst, von dem, was Du hast, könnte man leichter sagen, was Du verändern müsstest.
> Ich will ein Schmitt trigger, der bei 6,3V einschaltet > und bei 6,8V ausschaltet. Hmmm... das klingt eher nach einem Fensterkomperator: Output high wenn Input zwischen 6.3V und 6.8V. Oder meinst du einen invertierenden Schmitt-Trigger, der bei fallender Flanke unter 6.3V ein- und bei steigender Flanke über 6.8V ausschaltet? Wie auch immer, wenn dein OPAMP mit 3.3V betrieben wird, musst du das Eingangssignal erstmal in dessen Arbeitsbereich bringen - mit 6V kann der nicht viel anfangen.
Hallo hier kriege ich keine einschalt und ausschalt bei 6,3V und 6,8V. Danke
ich meine ein Schmitt Trigger egal invertiert oder nicht-invertiert der unter 6,3V ausschaltet und über über 6,8V einschaltet. Was meinen Sie genaue mit Arbeitspunkt anfahren?meinen Sie mit 3,3V kann ich es(6,6) nicht erreichen könnte?. Danke
Die Größe des erforderlichen Widerstandes kann man durch Auspropieren oder Berechnung ermitteln.
Torsten C. schrieb: > Die Größe des erforderlichen Widerstandes kann man durch Auspropieren > oder Berechnung ermitteln. Den invertierenden Eingang sollte man vielleicht auf die Mitte zwischen den Umschaltschwellen legen und nicht auf Gnd ;-)
> Was meinen Sie genaue mit Arbeitspunkt anfahren? Ich sagte in seinen Arbeitsbereich bringen. Ein OpAmp mit 3.3V Versorgungsspannung kann keine 6V-Signale verarbeiten. Du musst das Signal so herunterteilen, dass der Maximalpegel in dessem erlaubten Eingangsbereich liegt. Btw, dein OP27 arbeitet bei 3.3V gar nicht...
ja könnte sein aber was ist dann die Empfehlung und können Sie mir ein bsp geben für diesen Fall, egal was für op Sie benutzen haben, so könnte ich auf meine Schaltung anpassen
asdfasd schrieb: > Ein OpAmp mit 3.3V > Versorgungsspannung kann keine 6V-Signale verarbeiten. Quatsch, dazu sind ja die Spannungsteiler da. Es dürfen keine 6V-Signale an den Eingängen anliegen, das stimmt. asdfasd schrieb: > Btw, dein OP27 arbeitet bei 3.3V gar nicht... Für die Simulation ist das offenbar egal. Dann muss er halt einen AD8063 oder so nehmen. Vielleicht hat der TO dafür kein Spice-Modell?
in LTSpice hab ich nicht gesehen. Aber ich meine wie muss ich es beschaltet wenn ich der op mit 3,3V Versorgungsspannung arbeitet. Ich brauche es echt zur Erfüllung meiner Aufgabe. Danke
V2 = V3 = 1,5V. Hatte ich übersehen. Wer kommt auch auf die Idee, V2 auf 0V zu setzen. ;-)
ich komme auf die Idee weil in meiner kompletten Schatung steht mir keine negative Spannung aus. ich habe nur 3,3v; 1,2V und wenn ich noch eine Anschluss hinzufügt, steht kein andere Pin dafür zur verfügung
Hier ist je ein Beispiel für einen invertierenden und einen nichtinvertierenden Schmitt-Trigger mit den Schaltschwellen bei etwa 6,3V und 6,8V für eine Versorgungsspannung von 3,3V. Die Diode D1 ist optional und dient dem Schutz des Opamp-Eingangs. Sie sollte vorgesehen werden, wenn die Eingangsspannung beim invertierenden Schmitt-Trigger 10,5V und beim nichtinvertierenden 13V überschreiten kann. Man kann auch für höhere Eingangspannungen auf die Diode verzichten, wenn man die Widerständen anders dimensioniert. Statt des LTC6082 kannst du auch einen anderen Rail-to-Rail-Opamp verwenden.
Wovor schützt denn eine "einbeinig" angeschlossene Schottky- Diode?
Hallo, wie steht die Widerstände R1,R2 und R5 zueinander da ich der Strom kleine halten würde. d.h großere Widerstand R1 und R2. Wenn möglich kannst du mir kurz sagen wie du die dimensionieren hast. ist da Datenblatt hilfsfreich? danke
Wilfried M. schrieb: > ie steht die Widerstände R1,R2 und R5 zueinander d Hier steht alles: http://www.mikrocontroller.net/articles/Schmitt-Trigger
ja aber ich kriege es nicht hin, hab schon mitgerechnet aber kriege keine richtige werte bei der simulation
Wilfried Monthe schrieb:
>ja aber ich kriege es nicht hin
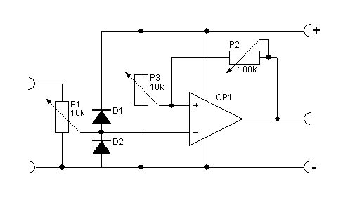
OldMan hat ja schon den Hinweis gegeben wie man
es berechnet. Wenn du nicht rechnen möchtest,
dann bau die Schaltung so auf. Mit P2 stellst du
die Hysterese, also den Abstand der beiden
Schaltschwellen ein. Mit P3 kannst du beide
Schaltschwellen nach oben und unten verschieben.
Mit P1 bringst du die Eingangsspannung in den
Arbeitsbereich des OP. Wenn du möchtest, kannst
du danach P1 P2 und P3 mit einem Ohmmeter
ausmessen und durch Festwiderstände ersetzen.
ich bekomme mit der Berechnung negative werte raus. deswegen ist die Schaltung von Yalu X. (der Moderator) eine gute option aber dort würde ich R2 und R1 große machen. sieh anhang
Wilfried M. schrieb: > aber dort würde ich R2 und R1 große machen. R1 und R2 bilden einen Spannungsteiler, der die Eingangsspannung der Schaltung so herunterteilt, dass sie vom 3,3V-Opamp verarbeitet werden kann. Warum willst du die Widerstände größer machen? Geht es darum, bei ansonsten gleichem Verhalten der Schaltung den Eingangstrom zu reduzieren? Dann vergrößere die beiden Widerstände einfach um der gleichen Faktor.
diese Schaltung meine ich sorry. ich will dadurch der Strom so klein wie möglich halten
Wilfried M. schrieb: > diese Schaltung meine ich sorry. ich will dadurch der Strom so klein wie > möglich halten Ja, beim nichtinvertierenden Schmitt-Trigger ist die Berechnung etwass komplizierter. Mit dem Spannungsteiler aus R3 und R4 definierst du die Referenzspannung am invertierenden Eingangs des Opamps. Du kannst sie fast beliebig wählen, sie sollte nur nicht zu dicht an 0V oder der Versorgungsspannung Ub liegen. Der Schmitt-Trigger springt dann vom Low- in den High Zustand, wenn die Spannung Up am nichtinvertierenden Eingang des Opamps die Spannung Un am invertierenden Eingang überschreitet. Up entsteht aus der Eingangs- und der Ausgangsspannung durch den Spannungsteiler aus den drei Widerständen R1, R2 und R5. Mehr zum Spannungsteiler aus drei Widerständen findest du hier: https://www.mikrocontroller.net/articles/Spannungsteiler#Spannungsteiler_mit_Offset.2C_passiv Damit kannst du die Gleichung für die obere Schaltschwelle aufstellen. Umgekehrt springt der Schmitt-Trigger vom High- in den Low-Zustamd, wenn die Spannung Up am nichtinvertierenden Eingang des Opamps die Spannung Un am invertierenden Eingang untererschreitet. Damit kannst du die Gleichung für die untere Schaltschwelle aufstellen. Einen der drei Widerstände R1, R2 und R5 darfst du frei wählen, bspw. R1, da dieser maßgeblich den Eingangsstrom bestimmt. Aus den beiden Gleichungen und deinen Vorgaben für die Schaltschwellen kannst du nun die beiden anderen Widerstände (R2 und R5) berechnen.
1 | Vorgegebene Werte: |
2 | |
3 | Ub = 3,3 V Versorgungsspannung |
4 | Uah = Ub High-Ausgangsspannung |
5 | Ual = 0.0 V Low-Ausgangsspannung |
6 | Ueh = 6.8 V obere Schaltschwelle |
7 | Uel = 6.3 V untere Schaltschwelle |
8 | |
9 | Gewählte Werte: |
10 | |
11 | R1 = 36kΩ |
12 | R3 = 56kΩ |
13 | R4 = 62kΩ |
14 | |
15 | Allgemeine Formeln für die Berechnung: |
16 | |
17 | Uref = Ub · R4 / (R3 + R4) |
18 | ΔUe = Ueh – Uel |
19 | ΔUa = Uah – Ual |
20 | R2 = ΔUa · Uref · R1 / (Ueh · Uah – Uel · Ual – (ΔUe + ΔUa) · Uref) |
21 | R5 = ΔUa · R1 / ΔUe |
22 | |
23 | Ergebnisse: |
24 | |
25 | Uref = 1,734 V |
26 | R2 = 13,00 kΩ |
27 | R5 = 237,6 kΩ |
Wie in den obigen Formeln siehst, sind R2 und R5 beide proportional zu R1. Wenn du also nur den Eingangswiderstand erhöhen möchtest, ohne die Schaltschwellen zu verändern, brauchst du nur R1, R2 und R5 jeweils mit dem gleichen Faktor zu multiplizieren. Oder du setzt alle Parameter bis auf R1 in die Formeln ein und erhältst
1 | R2 = 0,361 · R1 |
2 | R5 = 6,600 · R1 |
Wenn du einen extrem hohen Eingangswiderstand möchtest, ist es aber sinnvoller, statt der riesigen Widerstände einen zweiten Opamp als Impedanzwandler zu verwenden.
hallo, danke sehr ich habe jetzt verstanden und mitgespielt und kann jetzt eigenes dimensionieren. Dank sehr für die Hilfe
Bitte melde dich an um einen Beitrag zu schreiben. Anmeldung ist kostenlos und dauert nur eine Minute.
Bestehender Account
Schon ein Account bei Google/GoogleMail? Keine Anmeldung erforderlich!
Mit Google-Account einloggen
Mit Google-Account einloggen
Noch kein Account? Hier anmelden.







