Hallo, eine Schaltung soll mit einem 12 V DC Netzteil betrieben werden. Der Eingang soll vor Überspannung und Verpolung geschützt sein (falls jemand den Stecker an ein falsches Netzteil frickelt). Ich dachte an eine Beschaltung entsprechend der Zeichnung: 18 V Suppressor Diode (max. clamp 25,5 V) und Sicherung gegen Überspannung und Mosfet (max. V_ds -30 V) als Verpolschutz. Die Schaltung nach dem Eingang verträgt max. 30 V und benötigt bei 12 V maximal knapp 1 A, im Schnitt etwa 500 mA. Ein 12 V 1 A Netzteil reicht also für normalen Betrieb aus. Problem: Überspannung Ein 24 oder 48 V 1 A Netzteil z.B. schafft es nicht die Sicherung zu "zerschießen" und statt dessen wird sich die Suppressor Diode auflösen (und eine Teilmenge der restlichen Schaltung). Wie kann man das Problem elegant lösen?
:
Verschoben durch User
@Jörg K. (joergonaut) >eine Schaltung soll mit einem 12 V DC Netzteil betrieben werden. Der >Eingang soll vor Überspannung und Verpolung geschützt sein (falls jemand >den Stecker an ein falsches Netzteil frickelt). Würde ich anders machen, >Problem: Überspannung >Ein 24 oder 48 V 1 A Netzteil z.B. schafft es nicht die Sicherung zu >"zerschießen" und statt dessen wird sich die Suppressor Diode auflösen >(und eine Teilmenge der restlichen Schaltung). Eben. >Wie kann man das Problem elegant lösen? Mit einem Crowbar und einer einfachen inversen Diode. Eine Polyfuse-Sicherung macht das Ganze auch nicht-zerstörend. Siehe Anhang. Bei 24V und mehr Auslösespannung kann man die Crowbar auch noch deutlich vereinfache, es reicht eine Z-Diode am Gate. http://axotron.se/index_en.php?page=26
Wie wäre es mit einem Transistor die Sicherung zu schießen, wenn die Spannung zu hoch wird? Wenn du das so machen willst, anstatt eine Spannungsregelung. Die Basis wird durch eine Zenerdiode aktiviert.
@ F. Fo (foldi) >Wie wäre es mit einem Transistor die Sicherung zu schießen, wenn die >Spannung zu hoch wird? Wenn du das so machen willst, anstatt eine >Spannungsregelung. >Die Basis wird durch eine Zenerdiode aktiviert. Das klappt nicht, denn das wirkt nur wie eine große Z-Diode. Ein Crowbar ist da anders, der kippt in den harten Kurzschluss.
Ja ok, sehe ich ein. Aber mit nem entsprechenden Fet? Gut, die paar Bauteile mehr, machen den Kohl auch nicht fett.
:
Bearbeitet durch User
@ F. Fo (foldi)
>Aber mit nem entsprechenden Fet?
Funktioniert noch weniger. Das Problem ist alt und wird sein Urzeiten
erfolgreich mit einem Crowbar gelöst.
Falk B. schrieb: > wird sein Urzeiten erfolgreich mit einem Crowbar gelöst. Oft wird im Fehlerfall durch einen DAU eine ANDERE Sicherung eingesetzt, die später auslöst. In diesen Fällen macht ein schwächlicher Thyristor seinen Deckel auf.
Warum mit Crowbar die Sicherung zerschießen wenn man das Ganze auch ohne Zerstörung lösen kann in dem ein FET sperrt? Hier ist ein Beispiel für 5V USB: Beitrag "Re: Verpolungs- und Überspannungsschutz mit P-MOSFET" Das überlebt in der Dimensionierung natürlich noch keine 48V. Aber es gibt ja auch durchaus gute FETs die 60V oder mehr abkönnen. Und der TL431 kann max. 37V, da müsste man sich noch was für überlegen.
Mir geht es ja gerade um den Fall, wo das Netzteil mit der zu hohen Spannung zu schwach ist, die Sicherung bzw. Polyfuse zu "treiben". Und das hält dann auch eine Crowbar nicht auf Dauer aus. Ich werde mal der Idee von Gerd nachgehen. Schutz bis 60 V sollte wohl ausreichen. Im Zweifelsfall kann man ja ein Relais statt der Mosfets nutzen.
Ich würde gern an Stelle der beiden Mosfets ein PhotoMOS-Relais (PVG612A, 60 V, 2 A) verwenden. Ich komme nicht drauf, wie ich LED des PhotoMOS in die Schaltung von Gerd einpassen muss damit sie bis ca. 15 V leuchtet, darüber aber nicht. Muss nicht genau sein, Zener Diode statt TL431 reicht völlig. Kann mir da jemand helfen?
@ Jörg K. (joergonaut) >Ich würde gern an Stelle der beiden Mosfets ein PhotoMOS-Relais Welche beiden MOSFETs? Und wozu Photo-MOS? Die galvansiche Trennung brauchst du nicht und ein normaler MOSFET ist deutlich preiswerter und leistungsfähiger. >PhotoMOS in die Schaltung von Gerd einpassen muss damit sie bis ca. 15 V >leuchtet, darüber aber nicht. Muss nicht genau sein, Zener Diode statt >TL431 reicht völlig. Du willst eine Edelluxusversion bauen, die man nicht wirklich braucht.
Ich möchte die von Gerd E. etwas weiter oben verlinkte Schaltung benutzen, also ohne Sicherung. Beitrag "Re: Verpolungs- und Überspannungsschutz mit P-MOSFET" Dort werden 2 Mosfets benutzt um bei Überspannung und Verpolung abzuschalten. Für das PhotoMOS sprechen folgende Gründe: - ich habe welche da, im Gegensatz zu 60V P-Kanal Fets - es wird nur eine Schaltung geben, keine Serie, daher sind die Kosten zweitrangig - kleiner als ein Relais - kompaktes Gehäuse - kann bis 60 V bei 2A, sollte also ausreichen
:
Bearbeitet durch User
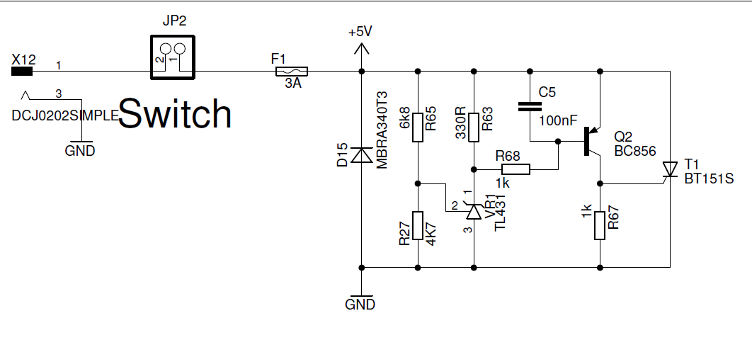
@ Jörg K. (joergonaut) >Ich möchte die von Gerd E. etwas weiter oben verlinkte Schaltung >benutzen, also ohne Sicherung. Dann mach das doch einfach. Wozu der Photo-MOS? >- ich habe welche da, im Gegensatz zu 60V P-Kanal Fets >- es wird nur eine Schaltung geben, keine Serie, daher sind die Kosten >zweitrangig >- kleiner als ein Relais >- kompaktes Gehäuse >- kann bis 60 V bei 2A, sollte also ausreichen OK. Dann musst du aber die Ansteuerung komplett umbauen. Siehe Anhang, ist aber nicht getestet! Bei R1 muss man bei höheren Spannungen aufpassen, dass er die Leistung aushält. GGf. kann man den auch kleiner machen, ich weiß im Moment nicht, wieviel Strom die Photomos brauchten (3mA++?)
:
Bearbeitet durch User
Das sieht schon super aus, vielen Dank für die schnelle Hilfe. Der PVG612A braucht mind. 5mA. Wird die Emitter-Basis Spannung nicht zu hoch für den Transistor?
@Jörg K. (joergonaut)
>Wird die Emitter-Basis Spannung nicht zu hoch für den Transistor?
Nö, da liegt 1k parallel. Bei richtiger Polung kein Problem, bei
Verpolung sperrt D3.
Ähhh, Mist. Da ist noch ein Fehler drin!
Korrektur siehe Anhang.
Bei 60 V (Vorwärts wie Rückwärts) könnte dem R1 etwas warm werden, daher würde ich zu nem 5W-Typ raten. Die Schaltung hat keine Hysterese. Als ich meine oben verlinkte Schaltung ausprobiert hatte, war ursprünglich auch ne Z-Diode vorgesehen. Die hat aber im Zusammenspiel mit dem Transistor sehr sehr weich geschaltet. Dadurch waren die FETs über nen deutlichen Spannungsbereich im Linearbetrieb. Wenn man in diesem Bereich der Eingangsspannung dann etwas mehr Strom gezogen hätte, wären die durchgebrannt. Ich bin daher dann auf den TL431 gewechselt, weil ich dort ganz einfach die Hysterese hinzufügen konnte. Bau das Ding mal so in der Praxis auf (im LTSpice konnte ich das nicht sehen) und teste, wie groß der Bereich des linearen Betriebs ist.
@Gerd E. (robberknight) >weich geschaltet. Dadurch waren die FETs über nen deutlichen >Spannungsbereich im Linearbetrieb. Stimmt. Aber hier ist es ein Bipolartransistor, da ist der Bereich deutlich kleiner. Aber im Extremfall schafft man es schon, was abzufackeln. Man könnte den Transistor durch einen Mini-Thyristor ersetzen, der schaltet schlagartig. Man müsste dann aber einen mit kleinem Haltestrom nutzen. Oder einen selbstgebauten Thyristor aus 2 Transistoren nutzen. R1 und R2 sollten 2W Typen sein.
Falk B. schrieb: > Oder einen selbstgebauten Thyristor aus 2 Transistoren nutzen. ja, das sieht gut aus so.
Hallo Falk. Falk B. schrieb: > Das klappt nicht, denn das wirkt nur wie eine große Z-Diode. Ein Crowbar > ist da anders, der kippt in den harten Kurzschluss. Bei einem Crowbar oder "Klemmvorrichtung" sollte aber darauf geachtet werden, was passiert, wenn die Quelle so hochomig ist. dass die Sicherung nicht, oder nicht schnell genug auslöst. Wenn dann der Crowbar Thyristor oder Transistor heiss wird und durchbrennt, und dabei öffnet, ist der Schutz weg. Darum nimmt man ja gerne den Thyristor, der bleibt auf, auch wenn die Spannung klein wird. Ein Transistor müsste mit einer Fremdspannung offengehalten werden. Mit freundlichem Gruß: Bernd Wiebus alias dl1eic http://www.l02.de
Bitte melde dich an um einen Beitrag zu schreiben. Anmeldung ist kostenlos und dauert nur eine Minute.
Bestehender Account
Schon ein Account bei Google/GoogleMail? Keine Anmeldung erforderlich!
Mit Google-Account einloggen
Mit Google-Account einloggen
Noch kein Account? Hier anmelden.





