Hallo Zusammen, ich suche eine Schaltung, die bei einem sehr kurzen positiven Impuls von ca. 5V am Eingang, den Ausgang auf 5V schaltet und hält. Erst wenn ein negativer Impuls von ca. -5V am Eingang ankommt, soll der Ausgang wieder auf 0V schalten. Ich denke eine bistabile Kippstufe wäre geeignet, finde aber keine Schaltung, mit der ich das gewünschte Ergebnis erreiche. Schonmal vielen Dank für eure Unterstützung. Grüße, Oliver
Oliver schrieb: > Ich denke eine bistabile Kippstufe wäre geeignet, Ja, Du kannst ein RS-Flipflop nehmen. Die beiden Eingänge werden über je einen RC-Diskriminator für die positive und negative Flanke angesteuert.
Danke für die Antwort. Leider sagt mir der Begriff RC-Diskriminator nichts. Könntest du das bitte noch etwas genauer beschreiben oder eventuell sogar eine kleine Skizze dazu zeichnen?
Der RC-Diskriminator ist im Prinzip ein Hochpass, also eine Reihenschaltung von einem Kondensator und Widerstand nach Masse. Zwischen Kondensator und Widerstand greifst du dann die Impulse ab. Man sagt dazu auch Differenzierglied. Es werden damit nur Impulse aber keine Statischen Spannungen durchgelassen.
Das verstehe ich immer noch nicht so richtig. Ich habe ja bereits saubere, sehr steile Impulse von +5V und -5V auf derselben Signalleitung. Wozu dann noch einen Hochpass? Eigentlich müsste ich doch die +5V Impulse von den -5V Impulsen trennen und dann die -5V Impulse invertieren bevor ich sie dem Reseteingang zuführe. Oder kann ich bei einem RS-Flipflop am Reseteingang einen negativen Impuls anlegen, wenn ich am Set-Eingang einen positiven benutze? Gibt es nicht eventuell auch eine Schaltung die das mit nur einem Eingang realisiert? Also: +5V am Eingang -> Schaltung kippt auf high -5V am Eingang -> Schaltung kippt zurück auf 0 Für Ideen wäre ich sehr dankbar.
Nimm eine Stufe vom CD4093 (da sind vier Schmittrigger drinn), schalte die beiden Eingänge zusammen,lege da mit einem Spannungsteiler die halbe Betriebsspannung drauf und schalte noch einen Kondensator vor dem eingang. Fertig. Sicherheitshalber kannst du die Eingänge noch mit einer Diodenklemmschaltung schützen.
Noch ein Hinweis, die Logik der Stufen ist ja einen Negation, wenn das nicht gewünscht ist, einfach noch eine Stufe nachschalten, damit wird die Nagation wieder aufgehoben. Es stehen ja vier zur ferfügung. Und noch was, den CD4093 mit 12V betreiben wenn du mit +-5V ansteuern willst.
Das klingt gut. Gibt es da Typen, die sowohl negative als auch positive Spulenspannungen vertragen?
Eure Ideen zur Flankentriggerung sind nicht geeignet, um die Anforderungen des Threaderstellers umzusetzen, da hierbei nicht unterschieden wird, ob es sich um die steigende Flanke 0=>5 oder -5=>0 bzw. 5=>0 oder 0=>-5 handelt. Stattdessen kann man den negativen Impuls mit einem Bipolartransistor in Basisschaltung mit nachgeschaltetem Inverter/Schmitt-Trigger zu einem positven Löschimpuls eines RS-Flipflops umsetzen. Um zu verhindern, dass der negative Impuls den Set-Eingang des Flipflops beschädigt, sollte der Eingang durch einen Vorwiderstand mit Klemmdiode geschützt werden. Leider schweigt sich der Threadersteller darüber aus, was "sehr kurze" Impulse sind. Ich vermute, dass es hierbei eher um etliche Mikrosekunden oder gar Millisekunden geht und nicht um wenige Nano- oder Picosekunden.
Mampf F. schrieb:
>wie wärs mit einem bi-stabilen relais? :)
Ist auch eine Lösung. Dann aber darauf achten,
daß es Polarisierte bistabile Relais sind.
Genau, bei den positiven Impulsen ist die steigende Flanke exakt 100 Mikrosekunden lang, die fallende 200. Bei den negativen Impulsen entsprechend umgekehrt.
Oliver schrieb: > Genau, bei den positiven Impulsen ist die steigende Flanke exakt 100 > Mikrosekunden lang, die fallende 200. Bei den negativen Impulsen > entsprechend umgekehrt. Bei solch einer geringen Anstiegsgeschwindigkeit der Flanke sollten vorzugsweise Schmitt-Trigger vor das Flipflop geschaltet werden. Wie lang sind denn die eigentlichen Impulse?
Moin, Wenn's eh' schon 'nen Schmitt-Trigger braucht, wie waer's dann mit einem, der eine sehr grosse Hysterese (z.B. fast 10V) hat. Dann brauchts danach kein Flipflop mehr. Muesste doch mit einem OpAmp und einer Handvoll Widerstaenden gehen. Was gibts denn fuer Versorgungsspannung(en)? Gruss WK
Gute Idee mit der großen Hysterese! Frage an Oliver: Muss der Schaltzustand beim Einschalten wohldefiniert sein?
derguteweka schrieb: > Moin, > > Wenn's eh' schon 'nen Schmitt-Trigger braucht, wie waer's dann mit > einem, der eine sehr grosse Hysterese (z.B. fast 10V) hat. Dann brauchts > danach kein Flipflop mehr. Ja, dafür müsste man doch gut einen 555 nehmen können. Der hat eine Hysterese von 1/3 der Betriebsspannung.
Guten Morgen, Danke dass sich doch einige meinem Problem angenommen haben und viele gute Hinweise gegeben haben. Zu euren Rückfragen: Andreas S. schrieb: > Wie lang sind denn die eigentlichen Impulse? 100 Mikrosekunden steigende Flanke 200 Mikrosekunden fallende Flanke das war's. derguteweka schrieb: > Muesste doch mit einem OpAmp und einer Handvoll Widerstaenden gehen. Was > gibts denn fuer Versorgungsspannung(en)? Versorgungsspannungen sind verschiedene vorhanden. Bis jetzt auf jeden Fall 12VDC und 5VDC. Wenn dir eine Schaltung einfällt, mit einem OpAmp und ein paar Widerständen, bitte gern posten. Andreas S. schrieb: > Muss der Schaltzustand beim Einschalten wohldefiniert > sein? Ja bitte, beim Einschalten soll 0 am Ausgang liegen. Harald W. schrieb: > Ja, dafür müsste man doch gut einen 555 nehmen können. Der hat eine > Hysterese von 1/3 der Betriebsspannung. Gute Idee, der 555er ist einer der wenigen ICs die ich sogar vorrätig hab. Hast du eventuell eine passende Beschaltung im Kopf? Bin auch für weitere Ideen und Hinweise offen. Vielen Dank und Grüße
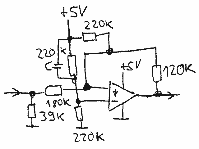
Moin, Dann schmeiss' ich mal diese Schaltung in den Ring... Mit dem Kondensator parallel zu dem einen Widerstand koennte man evtl. sichererstellen, dass nach dem Einschalten am Ausgang 0V anliegen. Gruss WK
Dergute W. schrieb: > Dann schmeiss' ich mal diese Schaltung in den Ring... Welchen OpAmp würdest du dafür benutzen?
Ist die gesuchte Schaltung nicht ganz einfach ein Schmitt Trigger in seiner Grundform? Ich stelle mir einem CD40106 (oder CD4584) vor. VDD an +5V VSS an -5V Ich schalte zwei gatter hintereinander, um die Negation des ersten Gatter aufzuheben.
1 | _______ _____ |
2 | | _ | | | |
3 | In o-----| _// |o-----| 1 |o----o Out |
4 | |_______| |_____| |
Bei etwa +3 bis +5V schaltet der Ausgang auf High. Bei etwa -3 bis -5V schaltet der Ausgang auf Low. In dem Bereich dazwischen bleibt der Ausgang unverändert.
Tag. Ich würde keinen OpAmp für solch eine Schaltung nehmen, weil es ein Job für ein Comparator ist. Die Schaltung ist im Prinzip gut und lässt sich für einen billigen Comparator wie den LM311 adaptieren. Grund keinen OpAmp zu nehmen ist, das die Eingänge eines OpAmps typischerweise keine Spannungsdifferenz über 2V vertragen. Da die Schaltung aber mit positivem Feedback/Hysterese arbeitet ist dies aber leider der Normalzustand. Was passiert wenn man über die typischen 2V geht hängt vom OpAmp ab. Einige saturieren einfach und werden langsam, andere nehmen auf Dauer schaden. Comparatoren haben eben genau dieses Problem nicht.
Sorry, ich muss was korrigieren: > Bei etwa +3 bis +5V schaltet der Ausgang auf High. > Bei etwa -3 bis -5V schaltet der Ausgang auf Low. Richtig wäre eher > Bei etwa +2 bis +5V schaltet der Ausgang auf High. > Bei etwa -2 bis -5V schaltet der Ausgang auf Low.
Stefan U. schrieb: > VDD an +5V > VSS an -5V > Bei etwa +3 bis +5V schaltet der Ausgang auf High. > Bei etwa -3 bis -5V schaltet der Ausgang auf Low. Allerdings kommen dann nicht High und Low raus, sondern +5V und -5V. Harald W. schrieb: > Ja, dafür müsste man doch gut einen 555 nehmen können. Der hat eine > Hysterese von 1/3 der Betriebsspannung. Klingt passend, aber auch der liefert +5V und -5V, nicht die geforderten Oliver schrieb: > Erst wenn ein > negativer Impuls von ca. -5V am Eingang ankommt, soll der Ausgang wieder > auf 0V schalten.
Moin, Serviervorschlag fuer einen OpAmp oder Komperator hab' ich grad' keinen im Aermel stecken, den ich einfach so rausschuetteln koennt'. Die OpAmps, die ich kenne, kommen mit 5V nicht zurecht. Muesst' ich auch erst nachgucken. Zu den Vorschlaegen mit 555 oder CMOS-Schmittriggern: Die +/-5 Volt aus der Eingangsbedingung lassen sich da evtl. genauso wie bei meinem Vorschlag per Spannungsteiler auf +5V/0V verbiegen. Damit koennte das genauso gehen. Man muss halt mit der vorgegebenen Hysterese leben und die ist je nach CMOS-Familie auch noch unterschiedlich. Muss man halt genau im Datenblatt gucken und dann auch genau diesen Chip einsetzen. Gruss WK
> Allerdings kommen dann nicht High und Low raus,sondern +5V und -5V.
Kein Problem:1 | 1N4148 10k Ohm |
2 | +/- 5V o----|>|---+----[===]---| GND |
3 | | |
4 | o |
5 | Ausgang High/Low 5V |
Bitte melde dich an um einen Beitrag zu schreiben. Anmeldung ist kostenlos und dauert nur eine Minute.
Bestehender Account
Schon ein Account bei Google/GoogleMail? Keine Anmeldung erforderlich!
Mit Google-Account einloggen
Mit Google-Account einloggen
Noch kein Account? Hier anmelden.
