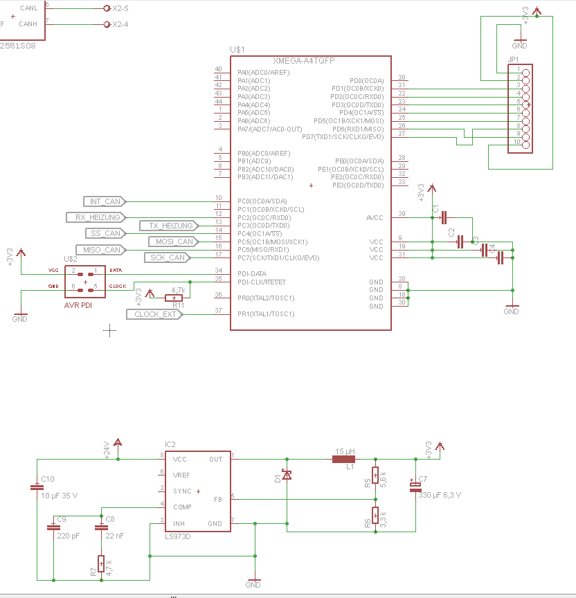
Hallo, anbei ist das Layout und der Schalplan ( in zwei Teilen ) zum auslesen einer Viessmanheizung. Passt das Layout vom Schaltregler oben ? Sind die Leiterbahnen für den CAN-Bus so ok ? Ich würde gerne den Taktausgang des CAN-Controllers für den XMega nutzen. Ist die Verbindung von Pin3 das Controllers zum XTAL1 so ok oder ist die Länge hier zu lang und ich hab nen "guten" Sender ? Ich wollte hier einen 2 MHz Takt haben. An JP1 kommt ein kleines TFT mit einem SD-Kartenslot. Die Versorungsspannung soll zwischen 5 und 24 V liegen. Lohnt es sich bei einem CAN-Bus eine AC-Terminierung zu machen ? Die Werte von den beiden Widerständen um den Bus auf definierte Pegel zu bringen muss ich noch anpassen. Die stehen noch fälschlicherweise auf 120R. Den CAN-Transreciever muss ich noch durch einen ersetzen der mit 3,3V klar kommt. Gruß JackFrost
Bastian W. schrieb: > Passt das Layout Die Platine ist fast leer. Warum willst du die unbedingt zweiseitig bestücken? Die Leiterbahnen auf der Unterseite "zerschneiden" deine Masse in einzelne kleine "Massen" und zwingen irgendwelche Signalströme zu Umwegen. Der R10 gehört nicht unter IC3, sondern drüber, oder besser noch recht oben hin. Die Vias sind viel zu groß. Ich sehe da ein paar potentielle Kurzschlüsse... Ganz wichtig(!): Geht dein DRC ohne Fehler durch? > Passt das Layout vom Schaltregler oben ? Der wird schon tun, aber 1. wie der Rest des Layouts ist das Ding unnötig geräumig. 2. gehört der Feedbackspannungsteiler an den Ausgangskondensator (du willst ja dort die Spannung regeln und nicht an der Spule). 3. ist der Eingang eines Schaltreglers am Eingangskondensator. 4. warum ist dessen Spule so groß? 5. würde ich die Masse unter dem Schaltregler wegmachen (er braucht die nicht und "versaut" sie schlimmstenfalls). Zum Thema Schaltregler hier ein paar Denkanstöße: http://www.lothar-miller.de/s9y/categories/40-Layout-Schaltregler Ich würde dem Eingangskondesator ein wenig mehr Kapazität geben. Oder als Faustformel: Volumen Eingangskondensator = Volumen Spule = Volumen Ausgangskondensator Wobei hier jeweils der Faktor 0,5..2 davorstehen darf... ;-) Aber wenn eines der Bauteile viel größer oder viel kleiner ist, dann sehe ich mir das nochmal genauer an... Mein Tipp zum Layouten: schalte zwischendurch einfach mal "fast" alle Layer aus und sieh dir z.B. nur die Bestückung an: viel Abstand? Dann nur die obere Kupferseite: seltsame Leitungsführung? Dass nur die untere Kupferseite: Masselage "zerschnitten"?
Bastian W. schrieb: > anbei ist das Layout und der Schalplan ( in zwei Teilen ) zum auslesen > einer Viessmanheizung. Passt das Layout vom Schaltregler oben ? Hallo Bastian, Das PCB geht gut halb so groß einseitig zu machen, dann hast Du auch eine schöne Unterseite als Massefläche. ABER: BEVOR Du anfängst Leiterzüge zu legen erst mal richtig PLACEN. Den Stecker nach rechts verlegen und CPU und Transceiver ein bisschen anders anordnen. Viel hat Lothar schon gesagt. Anbindung Ausgangscap des DC-DC an die Spule könnte besser sein und der ganze DC-DC-Wandler kompakter gelayoutet werden. rgds
Und die Versorgungsspannung zu den ICS etwas breiter auslegen. rgds
Willst du den MCP2551 mit 3,3V versorgen? Der will 5V Versorgungsspannung haben. Für 3,3V gibt es SN65HV233. 2MHz Taktfrequenz und ein TFT-Display kommt mir langsam vor. Ein TFT will immerhin viele Daten haben um was anzuzeigen. Warum also den Atxmega nicht schneller takten. Was soll C6 (100nF) zwischen CAN-H und CAN-L?
Poste mal noch die Eagle-Files für diejenigen die Eagle haben! So lässt es sich leichter verfolgen wo welche Leiterbahn läuft!
Hallo Bastian, Wenn es nicht unbedingt ein XMega sein soll kannst Du auch ein Atmega32M1 nehmen, dann sparst Du dir den CAN Controller und den Quarz kannst Du dann direkt an den Atmega32M1 hängen und einen TJA1040 als Transceiver nehmen. Wenn es nicht unbedingt ein Atmel uC sein soll, dann empfehle ich Dir den STM32F04 zu nehmen -> günstig, hat einen CAN Controller und einen internen 48MHz Taktgeber, und den TJA1040 kannst Du direkt ranhängen Wenn Du es richtig klein und fein haben willst, dann kann Du einen LPC11C24 nehmen, da ist ein CAN Controller und auch ein CAN Transceiver mit drinne, brauchst ihn nur noch takten. VG, Bülent
Schwebt die Baugruppe nachher im Betrieb in der Luft? SMD beidseitig scheint mir unnötig und ist später aufwendiger zu fertigen. Wenn nichts wirklich wichtiges dagegen spricht alles auf eine Seite. Die Clearence zwischen den Pads, vor allem bei den Ovalen könnte etwas größer sein. Mal davon ausgehend, dass du selbst ätzt... Der Pad von X2-1 wird sich nicht löten lassen, weil der Isolierkörper im Weg sein wird. Daher Leitung von Top nach Bottom verlegen und daneben eine Via setzen, die dann beidseitig zugänglich lötbar ist. Das gleiche gilt dann auch für JP1 und U$2. Vias die mit der Massefläche sollten als Thermals ausgeführt werden weil die Massefläche die Löthitze schluckt und keine Schmelze zustande kommt. ...bei industriell gefertigten Platinen wäre es bedeutungslos und könnte so bleiben. Die Versorgung für den Prozessor oben kurz und unten einmal als Schleife gegen dem Uhrzeigersinn quer über das Board zu verlegen ist auch suboptimal. Entweder unter dem Chip verlegen oder kurz einmal drum herum.
Lothar M. schrieb: > Die Platine ist fast leer. Warum willst du die unbedingt zweiseitig > bestücken? Ich will die Platine selbst fertigen, und ich hab keine Durchkontatierungen für die Stecker X1 und X2 daher muss ich hier über die untere Lage gehen. Daher dachte ich es ist besser wenn ich den Transreciever gleich auf diese Lage setze. Lothar M. schrieb: > Die Vias sind viel zu groß. Ich sehe da ein paar potentielle > Kurzschlüsse... Ich hab die so groß gemacht, das ich mit den Bungard Durchkontaktiernieten kein Problem hab. Mal sehen ob ich die nocht gut verlötet bekomme wenn die kleiner werden. Ich hab die Pads von 20 Mil auf 16 Mil reduziert. Lothar M. schrieb: > Ganz wichtig(!): Geht dein DRC ohne Fehler durch? Ich hab noch ein paar Clearance Meldungen bei denen diese < 10 Mil ist. Das werde ich aufjedenfall verbessern. Lothar M. schrieb: > Ich würde dem Eingangskondesator ein wenig mehr Kapazität geben. Ich hab diese beiden Posts aus dem Thread gefunden. Reicht es wenn ich hier einen 100 µF Elko parallel lege um das beschriebene Problem mit dem Schaltreger nicht zu haben. Ich muss mal schauen ob ich einen Kerko mit 35V und mehr als 10 µF beim C finde. Beitrag "Re: Schaltregler hat Platine zerschossen Warum ?" Beitrag "Re: Schaltregler hat Platine zerschossen Warum ?" Machen die Supressordioden hier Sinn ? Oder ist das dann eher wie Hosenträger zum Gürtel. Preislich sollte das nicht so viel machen. Ich hätte dann eine 28V Supressordiode an den Eingang gesetzt und eine 5V an den Ausgang. Lothar M. schrieb: > 4. warum ist dessen Spule so groß? Ich hatte mir diese Spule ausgesucht https://www.reichelt.de/bis-82-H/L-PISM-15-/3/index.html?&ACTION=3&LA=2&ARTICLE=73021&GROUPID=7226&artnr=L-PISM+15%C2%B5 Gibt es kleinere die noch vernünftig mit der Hand lötbar sind ? Thomas F. schrieb: > Willst du den MCP2551 mit 3,3V versorgen? Der will 5V > Versorgungsspannung haben. Für 3,3V gibt es SN65HV233. Nein, ich hatte erst nachdem ich den eingefügt hatte gesehen das der Transreciever nur mit 5 V geht. Ich hatte im Eingangspost geschrieben das ich den noch durch einen 3,3 V Typ ersetzen werden. Aber Danke für den Typ den du mir genannt hast. Thomas F. schrieb: > 2MHz Taktfrequenz und ein TFT-Display kommt mir langsam vor. Ein TFT > will immerhin viele Daten haben um was anzuzeigen. Warum also den > Atxmega nicht schneller takten. Ich wollte bei der Verbindung nicht eine so hohe Frequenz das ich keine Probleme mit elektrisch langen Leitungen bekomme. Die Frequenz vom xMega werde ich über die PLL aber auf 16 oder 32 MHz anheben. Thomas F. schrieb: > Was soll C6 (100nF) zwischen CAN-H und CAN-L? Ich hatte gelesen, das mit einer AC-Terminungern weniger Strom über die Transreciever benötigt wird. Ich wollte das probieren ob das Sinn macht. Ich hab aber den DIP-Schalter eingebaut das ich den Kondensator brücken kann falls es nicht geht. Wenn das mit der AC-Terminierung hier keinen Sinn macht, dann nehm ich den Kondensator raus. Bülent C. schrieb: > Wenn es nicht unbedingt ein XMega sein soll kannst Du auch ein > Atmega32M1 nehmen, dann sparst Du dir den CAN Controller und den Quarz > kannst Du dann direkt an den Atmega32M1 hängen und einen TJA1040 als > Transceiver nehmen. Ich muss schauen ob ich den Atmega32M1 bei Reichelt oder Conrad bekomme. Atmel habe ich gewählt weil ich damit schon zurecht komme und auch einen JTAGICE 3 habe. nemesis... schrieb: > Der Pad von X2-1 wird sich nicht löten lassen, weil der Isolierkörper > im Weg sein wird. Daher Leitung von Top nach Bottom verlegen und > daneben eine Via setzen, die dann beidseitig zugänglich lötbar ist. > Das gleiche gilt dann auch für JP1 und U$2. Das bei dem X2-1 hab ich übersehen, das bei den anderen beiden war absicht. Ich hatte das schon bei einer anderen Platine gemacht und beim löten die "Plastikhalterung" der Pins nach oben geschoben, verlötet und dann wieder runtergeschoben. Das ging bis jetzt. Ist sicher nicht sehr professionell, hat bis jetzt aber funktioniert. 6a66 schrieb: > ABER: BEVOR Du anfängst > Leiterzüge zu legen erst mal richtig PLACEN. Den Stecker nach rechts > verlegen und CPU und Transceiver ein bisschen anders anordnen. Da muss ich noch Erfahrung sammeln. Gruß JackFrost
Wenn von Schema und Layout nur die Dateien eingestellt werden, sind einige hier raus, weil keiner deswegen Eagle installieren wird. Dann gibts auch keine weitere Revision.
nemesis... schrieb: > Wenn von Schema und Layout nur die Dateien eingestellt werden, > sind einige hier raus, weil keiner deswegen Eagle installieren > wird. Dann gibts auch keine weitere Revision. Die geposteten Dateien sind die von meinem ersten Post, da in einem danach gefragt wurde. Gruß JackFrost
Bastian W. schrieb: > 6a66 schrieb: >> ABER: BEVOR Du anfängst >> Leiterzüge zu legen erst mal richtig PLACEN. Den Stecker nach rechts >> verlegen und CPU und Transceiver ein bisschen anders anordnen. > > Da muss ich noch Erfahrung sammeln. Das ist die erste und kritische Arbeit, damit versaust Du - wenn falsch gemacht - Dir Dein ganzes Layout. Kopf hoch :) rgds
Bastian W. schrieb: > Thomas F. schrieb: >> Was soll C6 (100nF) zwischen CAN-H und CAN-L? > > Ich hatte gelesen, das mit einer AC-Terminungern weniger Strom über die > Transreciever benötigt wird. Ich wollte das probieren ob das Sinn macht. Dazu weiß ich nichts. Wenn du was vorhalten willst dann könnte man etwas in dieser Richtung machen: http://www.embedded.com/print/4019182 Für Quarze nehme ich jetzt immer sowas: http://www.reichelt.de/Quarze-SMD-Keramikgehaeuse/16-000000-MJ/3/index.html?ACTION=3&GROUPID=4003&ARTICLE=85005&OFFSET=16& Die sehen im Vergleich zum Rest auf der Platine nicht so klobig aus wie das von dir verwendete.
nemesis... schrieb: > Wenn von Schema und Layout nur die Dateien eingestellt werden, > sind einige hier raus, weil keiner deswegen Eagle installieren > wird. Dann gibts auch keine weitere Revision. Der TO hat Eagle.
Tang schrieb: > Der TO hat Eagle. Sieh an... Was gemeint war: Neben .sch und .brd ist es gut auch ein .pdf, .jpg oder .png einzustellen. Dann können die Eagle-Nutzer das ganze in Eagle ansehen und die Nicht-Eagle-Nutzer die Bilder im Browser ansehen. Alle mitbekommen?
Ich hab die Platine überarbeitet. Die Verbindung für den externen Takt habe ich nun weggelassen. Bei der Länge die diese Leitung nun hätte, mach ich mir Sorgen das ich hier zu viel bei 2 MHz abstrahlen könnte. Ich hab einen Drehencoder und zwei LEDs hinzugefügt. Thomas F. schrieb: > Für Quarze nehme ich jetzt immer sowas: > http://www.reichelt.de/Quarze-SMD-Keramikgehaeuse/16-000000-MJ/3/index.html?ACTION=3&GROUPID=4003&ARTICLE=85005&OFFSET=16& > Die sehen im Vergleich zum Rest auf der Platine nicht so klobig aus wie > das von dir verwendete. Ich hab leider keinen Reflowofen, daher muss ich den größeren nehmen. Gruß JackFrost
Bastian W. schrieb: > Ich hab leider keinen Reflowofen, daher muss ich den größeren nehmen. Ich auch nicht. Die lassen sich problemlos von Hand verlöten wenn das Pad seitlich etwas über das Quarzgehäuse herausragt.
Thomas F. schrieb: > Ich auch nicht. Die lassen sich problemlos von Hand verlöten wenn das > Pad seitlich etwas über das Quarzgehäuse herausragt. Dann muss ich die mal probieren, die sind ech schön klein im Gegensatz zu denen die ich verplant habe. Gruß JackFrost
Bitte melde dich an um einen Beitrag zu schreiben. Anmeldung ist kostenlos und dauert nur eine Minute.
Bestehender Account
Schon ein Account bei Google/GoogleMail? Keine Anmeldung erforderlich!
Mit Google-Account einloggen
Mit Google-Account einloggen
Noch kein Account? Hier anmelden.





