Hallo Forum, Kann mir jemand einen Hinweis geben, wo ich zu den MACOM PIN-Dioden: MA4P1250NM-1072T MA4P7102F-1072T Ein Modell für LT-Spice finde. Vereinzelt habe ich gelesen, dass man PIN-Dioden mit Spice nicht simulieren könnte und das es deshalb keine entsprechenden Modelle gibt, was mir aber nicht ganz einleuchtet. Ich habe mal meine Schaltung angehängt und das zugehörige LT-Spice File mit dem Endung .txt, die entfernt werden muss. Dabei geht es darum die gegeben Schaltung, die mit 5V versorgt wird auf 12V zu hieven, da der ursprüngliche DC-Treiber nicht genügend Strom liefern kann. Siehe die Angehängten Bilder PIN-DC-Driver und PIN-Switch-Original. Danke für Eure Mühe im Voraus. Markus DL8MBY
Hallo Markus Ich vermute, daß das Signal ANT_TX_ON auch nach unten Strom ziehen muss. Sonst würde D4 das Rx-Signal kurzschließen. Der Strom sollte währen Rx nur durch D3 fließen. Die Simulation bildet dies jedoch nicht ab. Gruß, Bernd
Mir scheint die Schaltung Muell zu sein. Ich nehm jeweils normale 1N4148 dioden bis ein paar 100MHz. Sie leiten wenn ein DC Strom fliesst. Nochmals, was soll die Funktionalitaet sein ? Was soll RX und TX bewirken?
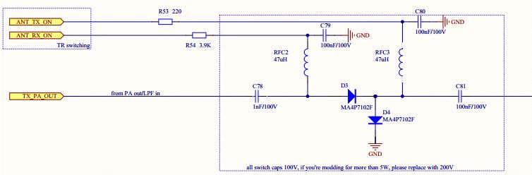
Hallo Ihr Lieben, die Schaltung sollte wie folgt funktionieren. Wenn RX_ACT (Empfänger aktiv ist, 5V Pegel am R5 von Basis Q1) auf High ist, ist gleichzeitig TX_ACT (Sender still, 0V am R6 von Q2) auf Low. Dabei Leitet D2 das HF-Empfangssignal an den Widerstand RX, der symbolisch für den Empfangsteil steht. Im umgekehrtem Fall ist D2 gesperrt und D1 schließt das HF-Signal von der PA kurz, damit der Empfänger vom Sendersignal entkoppelt ist. In der Simulation sieht man in der ersten ms ein 50uV Signal an D2 anliegen in der zweiten ms ein 10V Signal, welches nicht zu RX durchdringen sollte. Die Simulation funktioniert in LT-Spice soweit und ist schlüssig. Was mir fehlt ist ein geeignetes Modell der PIN-Dioden, deshalb meine Frage an Euch. Gruß Markus DL8MBY
:
Bearbeitet durch User
@Oh Doch Das ist die Rx / Tx Umschaltung des mcHF-SDR. @Markus Im Schaltbild habe ich andere Werte für die Widerstände entdeckt. Möglicherweise gab es da eine Änderung. Durch Einfügen einer Schottkydiode bei TX_ACT kann während Rx die Pindiode D4 besser gesperrt werden. Dadurch verbessern sich die Widerstands-Verhältnisse. Die Verwendung von 12 Volt als Schaltspannung hat bei der Simulation keine deutlichen Vorteile gebracht. Um besser zu sperren, müßte D3 negativ vorgespannt werden.
Markus W. schrieb: > Die Simulation funktioniert in LT-Spice soweit und ist schlüssig. > Was mir fehlt ist ein geeignetes Modell der PIN-Dioden, deshalb meine > Frage an Euch. Was erwartest du denn von einem PIN-Modell gegenüber einer normalen Silizium-Diode? In dieser einfachen Schaltung wird es wohl nicht viel Unterschied machen.... Oh D. schrieb: > Sie leiten wenn ein DC Strom fliesst.
Hallo Markus Die Pindiode gegen GND muss während Rx sperren. Dazu muss der Spannungsabfall über dieser Diode deutlich unter 0,5V fallen, die Spannung muss also aktiv nach GND gezogen werden. Würde TX_ACT floaten, fließt der Strom von RX_ACT durch beide Dioden. Würde noch ein geringer Strom durch D4 fließen, wäre das ein hervorragender Mischer.
:
Bearbeitet durch User
> Die Simulation funktioniert in LT-Spice soweit und ist schlüssig. > Was mir fehlt ist ein geeignetes Modell der PIN-Dioden, deshalb meine > Frage an Euch. Nimm eine 1N4148. Die passt schon. Von welchen Frequenzen reden wir ? Dh welches sind die Schaltzeiten, und welches ist die Signalfrequenz?
Hallo Bernd, so wie ich Dich verstanden habe, sollten die Punkte A und B in meinem neuen Entwurf jeweils von zwei Halbbrücken zwischen 12V und 0V (konkret 0,2V bis 0,3V) umgeschaltet werden. Eine negative Spannung steht mir nicht zur Verfügung und mit einem Inverter sie zu erzeugen, würde wohl zu viel Noise im RX produzieren. Die beiden Bilder der Simulation zeigen einmal die HF (z.Z. 100kHz) die an den Dioden anliegt (einmal Empfangsfall in der ersten Millisekunde und einmal Sendefall in der zweiten Millisekunde). Das zweite bild zeigt was am Punkt B und C (RX Seite) noch von der HF übrig bleibt. @Oh Doch Bitte den Unterschied zwischen einem PN und einem PIN Übergang betrachten. Die Frequenzen liegen im KW-Wereich zuzüglich 6m und 4m Band d.h. in etwa zwischen 1MHz und 75MHz. Die Sendeleistung liegt bei ca. 30W in der Spitze (75Vpp). Und wenn schon eine 1N4xxx Diode, dann eine 1N4007, die kommt dem Verhalten von quasi PIN-Dioden am nächsten. Schönes WE Markus DL8MBY
Hier ein Spice Model mit Beschreibung von Microsemi: http://www.microsemi.com/document-portal/doc_view/13985-umx5601-spice-model-pdf Hier gibt es eine Pin-Diode mit Spice Model: http://www.rohm.com/web/eu/products/-/product/RN142S
:
Bearbeitet durch User
Interessant wäre IMO schon, was vom Empfangssignal noch übrig bleibt. Die Linke Seite benötigt diesen Q5 nicht. Beim Senden fängt die Längsdiode an, gleichzurichten, es stellt sich eine negative Spannung ein. Um das Sendesignal nicht zu verbraten, sollte dabei der Knoten A floaten können. Der Transistor Q3 sollte deshalb >=80V aushalten.
:
Bearbeitet durch User
Hier weist Helmut Sennewald auf Pin-DIoden Models hin: https://groups.yahoo.com/neo/groups/LTspice/conversations/topics/82189
Hallo Bernd, Danke für die Links und Deine Hinweise zur Gestaltung der Schaltung. Interessant ist auch die Aussage: "They simply use the normal SPICE diode model with a high recovery time 'TT' plus some inductance and capacitance for the package." Ich wollte mit der Simulation prinzipiell die Originalschaltung verstehen und den Unterschied zu der 12V Version Betrachten. Nach dem Aufbau auf einer Testplatine, kann ich ja die Dämpfung des RX-Signals messen. Ich habe die ursprüngliche Schaltung auf meinem RF-Board des mcHF's in der Form modifiziert, dass ich die Längsdiode D3 durch eine Serienschaltung aus zwei Dioden und die Querdiode D4 durch eine Parallelschaltung aus zwei Dioden erstellt habe, um den Widerstand von D4 zu reduzieren und die Spannungsfestigkeit von D3 zu erhöhen. (in Bezug auf Fehlanpassung, d.h. doppelte Spannung). Mir standen nämlich nur die MA4P1250NM-1072T als PIN-Dioden zur Verfügung, die nur mit 100V spezifiziert sind. Das Modell MA4P7102F-1072T hält 200V aus. Zudem ist mir aufgefallen, dass der Treiber maximal für alle Ausgänge zusammen nur 50mA liefert, was bei weiten zu wenig ist. Die PIN-Diode D4 muss unter 0,2 Ohm kommen (d.h. I > 100mA) um das PA-Signal in einem 50 Ohm System um 40dB zu dämpfen. Bei 10 Watt sind das immer noch 1mW am RX-Eingang. Die mcHF Gemeinde hat teilweise den TX/RX-Switch durch ein Relais ersetzt. Ich wollte diesen Weg nicht gehen und habe mich für das Beibehalten der PIN-Dioden entschieden. Im K2 von Elecraft gab es die TX/RX Umschaltung mittels eines Transistors, der aus einer Ladungspumpe mit 150V versorgt wurde und ohne PIN-Dioden ausgekommen ist. Gruß Markus DL8MBY
Hallo Bernd, mir ist erst jetzt aufgefallen, das Du ja ein eigenes asc File angehängt hast. Dass ist mir gestern beim Lesen via Spartphone entgangen. Danke nochmals für die Mühe und Anregung. Markus DL8MBY
Hallo Bernd, noch eine Anmerkung zu Deiner Schaltung. Die Anbindung an die 12V hatte nur den Vorteil, dass man wesentlich mehr Strom durch die Dioden treiben kann. Der HCT02 ist dazu nicht im Stande. Aus Deiner Simulation entnehme ich einen Strom im Sendefall von 50mA I(L1) der durch D1 fließen kann. Mit der Ansteuerung aus dem Gatter wäre das nicht möglich. Vielleicht sollte wir die Spannungsquellen V2/V3 durch Stromquellen mit den jeweiligen Werten von sagen wir 10,20,30,...100mA ersetzen und dann das Verhalten des Schalters beobachten. Gruß Markus DL8MBY
:
Bearbeitet durch User
Hallo Bernd, so sieht die Sache mit Stromquellen aus. Anbei die modifizierte Schaltung und die Ergebnisse dür einen Strom von 40mA durch die PIN-Dioden. Wie kann ich in einem Bild die Ströme der Quellen für die Werte von 10 - 100 mA simulieren? Gruß Markus DL8MBY
> so sieht die Sache mit Stromquellen aus In der Realität müssen die Stromquellen halt auch genügend Spannung liefern können. > Wie kann ich in einem Bild die Ströme der > Quellen für die Werte von 10 - 100 mA simulieren? Wie bei den Spannungen 3 Ströme nacheinander anklicken, bei Bedarf die Skalierung manuell einstellen. Oder rechte Maustaste, dann "Add Plot Plane".
Nochmal eine Variante. Mir scheint, dass die 20-25mA ausreichen, die ein normaler TTL-Baustein treiben kann, um den Rx beim Senden wegzuschalten. Der Trick hierbei steckt in der Back-To-Back Anordnung der beiden Längsdioden. Während dem Senden können sich diese ungestört auf die Spitzenspannung des Sendesignals aufladen. Der 2N5401 hält 150V aus, ein Kollektorstrom fließt nur beim Empfang.
Hallo Bernd, interessante Variante. Danke für den Input und die Anregung. Werde gleich mit dem Simulieren anfangen. Ich habe irgend wo in eienr Appnote gelesen, dass PIN-Dioden garnicht so große DC-Spannungen brauchen um ein Vielfaches an HF-Sendespannung auszuhalten. An den PIN Übergängen erzeugt sich die PIN-Diode selber ihre "quasi"-DC Spannung durch die Ladungsträgheit in der I-Schicht. Übrigens meinte ich mit der gleichzeitigen Darstellung ver- schiedener Stromstärken eine parametrisierung der Quellen, wie es ja auch bei Widerständen möglich ist. Dabei zeichnet LT-Spice eine Kurvenschar für die einzelnen Werte. Ich habe das schon mal an einem Beispiel gesehen, habe aber nicht mehr die .op-Anweisung parat. Gruß Markus DL8MBY
> dass PIN-Dioden garnicht so große DC-Spannungen brauchen
Aber nach unten wird es immer schlechter. Bei 100 kHz verhält sie sich
praktisch fast wie eine normale Diode.
Hallo Bernd, richtig, ist bekannt, deshalb muss man auf die minimals Einsatzfrequenz achten, die aber meist in den Datenblättern angegeben ist. Die von mir genannten MACOM Typen können bis 1MHz hinunter eingesetzt werden. Danke für Deine Hilfe. Jetzt werde ich die Schaltung mal auf einer Test-Platine aufbauen und den RX-Durchlass und die TX-Unterdrückung messen. vy73 Markus DL8MBY
Hallo Bernd und Forum, habe noch eine Anmerkung zu dem weiter oben erwähnten TT Parameter im Diodenmodell, dessen Modifikation aus dem Verhalten einer PN-Diode eine PIN-Diode annähert, wenn dieser vergrößert wird. Kann man über den Daumen gepeilt sagen, daß wenn eine PIN Diode als unterste nutzbare Frequenz z.B. 1MHz im Datenblatt stehen hat, TT dann < 1/f ist, also in diesem Fall irgendwas im einstelligen us-Bereich. (z.B. 0,5 - 2,0 us als Richtwert) Gruß Markus DL8MBY
Hallo Bernd, anbei Deine Variante des PIN-Schalters um einen HCT02 ergänzt. Ich muss nur noch die PIN Dioden mit entsprechenden Modell belegen. Arbeite noch dran. Gruß Markus DL8MBY
Meine Interpretation "Carrier Lifetime" verhält sich nicht wirklich proportional zum Vorwärtsstrom. Ein Strom >> 10mA scheint keinen Sinn zu machen. Damit sind Frequenzen herunter bis 250 kHz erreichbar. Auch das Verhältnis "Series Resistance" vs "Forward Current" flacht ab. Ein Vorwärtsstrom von 6-8mA scheint zu reichen, um auf ~1 Ohm zu kommen, viel mehr macht keinen Sinn. Die Frage ist hier aber eher, wie gut die Diode ohne aktiven Vorwärtsstrom sperrt. Man darf der Diode auch während der 70V Spitzen des Sendesignals keinen durch das Signal verursachten, relevanten Vorwärtsstrom erlauben, denn damit würde die "Carrier Lifetime" erneut starten. Und deshalb sollte IMO die Längsdiode floaten können. Nachtrag zur Schaltung Ich habe den Widerstand R54 auf 4,7k geändert und einen zweiten mit 2,2k von der Basis zum Emitter eingefügt. Grund: Erreicht der TTL-Pegel kein 5,0V, würde der Transistor evt. nicht mehr richtig abschalten. Die Dioden-Vorwiderstände könnte man noch anpassen, um auf die erwähnten 6-8mA Vorwärtsstrom zu kommen.
:
Bearbeitet durch User
> Wie sieht es mit der Dämpfung bei Empfang aus? > Der Empfänger sollte durch den TX/RX-Switch nicht taub werden. In der Originalschaltung ist C78 zu klein. Dabei handelt es sich wohl um einen Kompromiss. Ansonsten komme ich auf ~1dB Dämpfung. Mit "richtigen" Pindioden wird das sicherlich noch besser. Beim der Simulation komme ich während des Empfangs auf 5mV am Rx bei 10 Watt Sendeleistung. Beim Senden kann man ein paar mA mehr investieren, aber beim Empfang/Akkubetrieb sollte der Stromverbrauch nicht ausufern.
:
Bearbeitet durch User
Hallo Bernd, und Forum, ... Habe gerade ein Problem meinen Beitrag zu posten - Server nimmt diesen nicht an ? :-( ... falls noch nicht bekannt. Interessante Lektüre zu PIN-Dioden. https://www.ieee.li/pdf/essay/pin_diode_handbook.pdf Kannst Du bitte begründen, warum es keinen Sinn macht unter 1 Ohm zu gehen. Erst bei 0,5Ohm wird das Sendesignal um 40 dB unterdrückt. Möglicherweise verträgt der mcHF am Eingang auch 10mW, (30dB Att) aber ob das bereits grenzwärtig ist was den HF-Eingang angeht kann ich nicht mit Bestimmtheit sagen. Die 10 bis 15 dB Verstärkung der Vorstufe langen aber bereits um den Transistor und den DSP in die Begrenzung zu fahren. Um die 0.5 Ohm zu bekommen wären die 50mA erforderlich (z.B. für die MA4P1250-1072T Diode). Wie sieht es mit der Dämpfung bei Empfang aus? Der Empfänger sollte durch den TX/RX-Switch nicht taub werden. Danke für Deine Geduld und Erläuterungen. Gruß Markus DL8MBY
Hallo Forum, habe noch ein Problem beim Einbinden eines PIN-Dioden Models von UMX5601. LT-Spice Error siehe Bild. Lib und Sym sind wie folgt erstellt - Anhang. Asc- und Log-File liegt ebenfalls bei. Danke! Markus DL8MBY
Das Anhängen eines sehr kleinen Serienwiderstandes hat das Problem auch nicht behoben, so ein Vorschlag aus dem MC-Forum Archive :-( ??? Markus
> LT-Spice Error siehe Bild. Bei mir bricht es zwar nicht ab, aber es erscheint ein Peak mit 1,6 kV. Das ist ein Problem mit dem Modell. > Beim der Simulation komme ich während des Empfangs auf 5mV am Rx > bei 10 Watt Sendeleistung. Falscher Feheler, muss lauten: komme ich während des Sendens auf 5mV am Rx bei 10 Watt Sendeleistung.
Hallo Bernd, eigentlich wollte ich so etwas machen: siehe Bild. Dabei variiert der Widerstandswert den Strom durch die PIN-Diode (ersatzweise eine 1N4007) Wenn das geklappt hätte, würde ich die TX/RX-Switch Schaltung um das Modell erweitern. .model 1N4007 D(is = 1.43733E-008 n = 1.80829 rs = 0.0414712 eg = 1.11 xti = 3 tnom = 27 cjo = 2.8119E-011 vj = 0.700053 m = 0.346714 fc = 0.5 tt = 4.10886E-006 bv = 1100 ibv = 10 af = 1 kf = 0 mfg=Vishay type=silicon) Zeile eingefügt in .../lib/cmp/standard.dio Leider hänge ich noch an dem UMX5601 Modell Problem. Gruß Markus
:
Bearbeitet durch User
B e r n d W. schrieb: > Ein Vorwärtsstrom > von 6-8mA scheint zu reichen, um auf ~1 Ohm zu kommen, viel mehr macht > keinen Sinn. Das ist ein Trugschluss. Das Gegenteil ist der Fall: Ströme unter 10mA machen keinen Sinn! Und zwar aus Gründen der Linearität. Wer schon mal praktisch und nicht nur in der Simulation einen Diodenschalter gebaut und gemessen hat weiß: nur wenn der Vorwärtsstrom mindestens 10 mA, besser 20 mA beträgt, trägt die Diode nichts mehr negativ zum Großsignalverhalten bei. Bei kleineren Strömen erzeugen die Dioden mehr Intermodulation als der Rest der Schaltung. Untersuchungen mit Messwerten hierzu: http://www.robkalmeijer.nl/techniek/electronica/radiotechniek/hambladen/radcom/1995/07/page67/index.html
@Kelvin Klein
> Ströme unter 10mA machen keinen Sinn!
Alles ist relativ. In der vorherigen Variante wurde im mcHF-Sdr für die
Längsdiode ein 22k Vorwiderstand verbaut, in der aktuellen ein 3,9k.
Dies entspricht 180µA und 1mA. Dagegen sind 8mA schon relativ viel und
die Diode schon relativ großsignalfest. Wird das Gerät nur am Netzteil
betrieben, spricht nichts gegen 20 mA.
Ich würde inzwischen auch eher zu einem Reed-Relais tendieren.
B e r n d W. schrieb: > @Kelvin Klein >> Ströme unter 10mA machen keinen Sinn! > > Alles ist relativ. In der vorherigen Variante wurde im mcHF-Sdr für die > Längsdiode ein 22k Vorwiderstand verbaut, in der aktuellen ein 3,9k. > Dies entspricht 180µA und 1mA. Dagegen sind 8mA schon relativ viel und > die Diode schon relativ großsignalfest. Wird das Gerät nur am Netzteil > betrieben, spricht nichts gegen 20 mA. > > Ich würde inzwischen auch eher zu einem Reed-Relais tendieren. Ja, zwei Haare auf dem Kopf sind relativ wenig, zwei Haare in der Suppe sind relativ viel. ;-) Wenn bekannt ist, dass man eine HF-Schaltdiode mit mindestens 10mA öffnen soll um im sicher linearen Bereich zu arbeiten, muss man sich nicht ohne zwingenden Grund nur mit "relativ großsignalfest" zufriedengeben. Kein vernünftiger Mensch treibt Aufwand, um einen guten Empfänger zu bauen um sich dann dessen Empfangseigenschaften mit einem unterdimensionierten Diodenumschalter als schwächstem Glied in der Kette "relativ" zu verhunzen. Wenn es die geforderte Umschaltgeschwindigkeit erlaubt, ist tatsächlich ein Relais einer Diodenumschaltung vorzuziehen. Es muss auch kein Reed Relais sein. DIL8 Subminiatur Signalrelais mit zwei Umschaltern wie z.B. OMRON G6K Serie kommen mit 12V/<9mA aus und sind in ihren HF-Eigenschaften spezifiziert. https://www.omron.com/ecb/products/pdf/en-g6k.pdf
Hallo OM's und Foristen, leider ist ein Relais für QSK (hören zwischen den Telegraphie-Zeichen) und bei digitalen Übertragungsmethoden, die der mcHF möglicherweise bald haben wird, suboptimal wegen der Umschaltzeit > 2-3 ms. Markus alias DL8MBY
:
Bearbeitet durch User
Bitte melde dich an um einen Beitrag zu schreiben. Anmeldung ist kostenlos und dauert nur eine Minute.
Bestehender Account
Schon ein Account bei Google/GoogleMail? Keine Anmeldung erforderlich!
Mit Google-Account einloggen
Mit Google-Account einloggen
Noch kein Account? Hier anmelden.




















