Hallo, vorweg möchte ich sagen, dass ich noch blutiger Anfänger in Sachen Elektronik und Mikrocontroller Programmierung bin und gerade mein erstes richtiges Projekt umsetzen möchte. ich habe mit einem Digispark folgendes vor: Der Digispark soll über einen Masseschalter eingeschaltet werden und eine Selbsthaltung mittels eines Transistors ansteuern. Außerdem soll er ebenfalls über Masse eine Last steuern. Beim Aufbau der Schaltung bin ich nun auf folgendes Problem gestoßen: sobald ich die Masse vom Digispark trenne, leuchten die LEDs dennoch weiter, da er offenbar über die I/O Pins noch eine Masseverbindung hat. Ich habe mir folgende Lösung überlegt: Der Masseschalter, der den Digispark einschalten soll wird mit einem pnp Transistor verbunden und schaltet somit Vin am Digispark. Entsprechend würde die Selbsthaltung dann auch über einen pnp Transistor laufen und die Steuerung der Masse geschalteten Last über einen npn Transistor. Ist das eine vernünftige Lösung oder gibt es da elegantere Möglichkeiten? Grüße, Otis
Elektronische Bauteil über Masse schalten, ist meist keine gute Idee. Da werden die Signalleitungen etc. schnell mal zu Versorgungsleitungen, zB. Klemmdioden...
Teo D. schrieb: > Elektronische Bauteil über Masse schalten, ist meist keine gute Idee. > Da werden die Signalleitungen etc. schnell mal zu Versorgungsleitungen, > zB. Klemmdioden... Das klingt einleuchtend. Könntest du mir die Lösung mittels Klemmdioden genauer erleutern? Funktioniert mein Ansatz nicht, mit dem Masseschalter einen Transistor anzusteuern, der dann letztlich am Digispark Vcc durchschaltet? Frager schrieb: > Wer oder was ist denn der Digispark? Ein Digispark ist ein kleines Entwicklerboard mit einem Attiny85 Controller
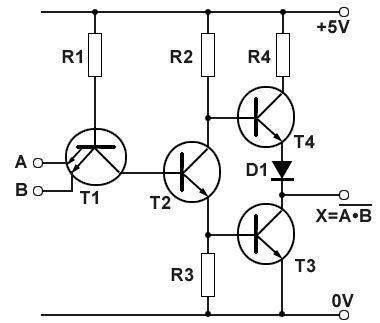
O___ K. schrieb: > Könntest du mir die Lösung mittels Klemmdioden > genauer erleutern? Das ist keine Lösung, sondern Teil des Problems. Ich denke der Thread könnte hilfreich sein, in puncto Klemmdiode (nur überflogen mit M5!) Beitrag "Klemmdiodenfunktionsweise" Für den Rest, schau dir mal obiges Schaltungs-Schema eines 7400 an!
Bitte melde dich an um einen Beitrag zu schreiben. Anmeldung ist kostenlos und dauert nur eine Minute.
Bestehender Account
Schon ein Account bei Google/GoogleMail? Keine Anmeldung erforderlich!
Mit Google-Account einloggen
Mit Google-Account einloggen
Noch kein Account? Hier anmelden.
