Hallo Leute, es gibt hier schon einige ähnliche Themen dazu, vielleicht auch das selbe. Habe es nicht gefunden. Ich möchte (wie immer) mit geringen Kosten detektieren ob Strom fließt. Es geht um Raffstore/Rolladen, Strom im Bereich von 0,1 bis 5A. Vorgestellt hätte ich mir einen Stromwandler (1:1000), Gleichrichter und 50k Widerstand dahinter. Das sollte bei 0,1A auf der 230V Seite 5V auf dem Lastwiderstand ergeben. In Serie noch einen Widerstand, wegen höherer Ströme auf der 230V Seite und dann auf einen Interrupt-Pin (in dem Fall ein PIC18). Würde das zuverlässig funktionieren bzw. überhaupt funktionieren?
Geringe kosten... Wieso kein einfacher Optokoppler mi Vorwiderstand und Paralleldiode? Detektieren geht, aber ohne Strommessung.
Hallo Stefan ^^ Was ich vergessen habe zu sagen: Es soll vor den Relais gemessen werden, um gleich mehrere Raffstore/Rolladen abzudecken. Deswegen auch der große Strombereich. Soweit ich mir das vorstellen kann, bleibt da nur die Messung über den Strom.
Erklär das bitte genauer. Hab es nicht verstanden. Willst du den Strom messen oder nur detektieren ob Strom fließt? Eine Skizze würde helfen.
Stefan R. schrieb: > Stefan U. schrieb: >> Eine Skizze würde helfen. > > Hoffentlich ist es halbwegs erkennbar. Das ist unverkennbar eine Skizze, ja. Darauf sind Dinge zu erkennen. Soll L1 sowas wie ein Stromwandler sein?
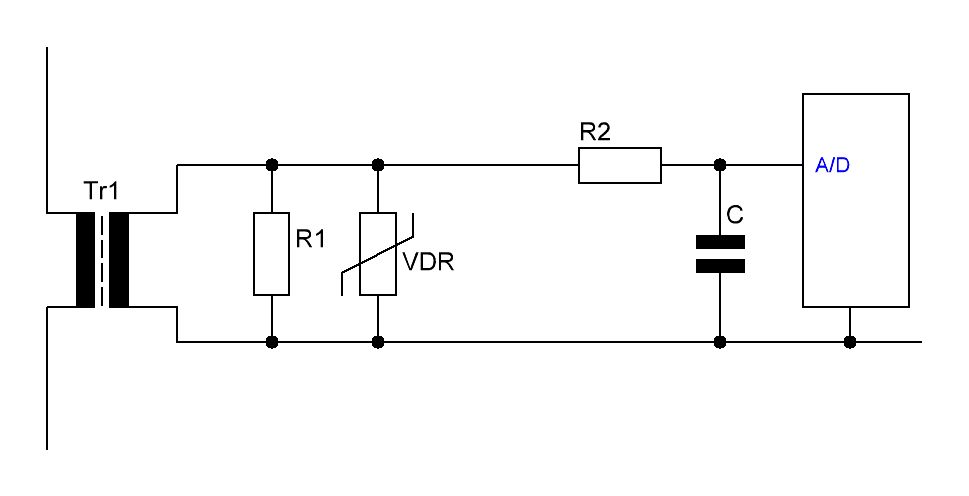
THOR schrieb: > Das ist unverkennbar eine Skizze, ja. Darauf sind Dinge zu erkennen. > > Soll L1 sowas wie ein Stromwandler sein? Sry, für die schlechte Skizze... Ja L1 soll ein Stromwandler sein ^^ Oben sind einfach nur Relais eingezeichnet die die 230V Last schalten. Würde das so funktionieren bzw. kann man das so direkt auf einen µC Pin legen? Oder gibt es noch eine andere Variante?
Naja, von TALEMA gibt es z.B. den Stromsensor AC1005, für Wechselströme bis max 5 A. Die Ausgangsspannung (AC!) ist proportional zum Wechselstrom und der ohmschen Belastung des Sensor-Ausgangs - siehe Datenblatt. So einfach auf einen Interrupt-Pin wirst du das nicht legen können, aber über einen ADC-Eingang lässt sich da bestimmt was machen: µC-ADC: Uref = Vcc Einen Sensor-Ausgang an einen Spannungsteiler je X kOhm (*) nach Vcc und GND und an einen ADC-In des µC, den anderen Ausgang an Masse vom µC. (*) X/2 nach Vpp des Wandlers < Vcc bei Max-Strom berechnen. Und ein bissel Strommessung programmieren... Ist lösbar, belastet den µC auch nur zu wenigen %. WENN man etwas Hirnschmalz investiert. ALSO: Wirst du das nicht machen wollen. ;-) Viel Glück bei der Suche nach Alternativen!
Ja kannst du machen. Ich würde noch Schutzdioden einbauen. Also nach vcc und gnd. Dann, ohne Garantie, würde es gehen. Achja. Ein Kondensator nach R2 würde auch nicht schaden (als Tiefpass). Der Wandler ist aber nicht gerade kostengünstig!?
Stefan U. schrieb: > Ich würde noch Schutzdioden einbauen. Also nach vcc und gnd. Allenfalls mit Schottky-Dioden wird man eine Chance haben, den im µC integrierten Dioden zuvor zu kommen. Bei entsprechender Begrenzung des Stromes durch geeignete Wahl der Größe des Widerstandes R2 gibt es dazu aber keinen Grund. Atmel nutzt die in der App-Note AVR182 beispielsweise genau für diesen Zweck.
Stefan R. schrieb: > Stefan U. schrieb: >> Eine Skizze würde helfen. > > Hoffentlich ist es halbwegs erkennbar. Die "Brücke" würde ich herauslassen, R1 so wählen dass der Wandler auch wirklich als Stromwandler funktioniert. R2 dient dann als Strombegrenzer für die internen Schutzdioden im µC. Dieser verarbeitet, mit Hilfe eines Analogeinganges, die positiven Halbwellen. Kurt
Ich würde auf erprobte Sensoren der Fa. LEM oder Allegro zurückgreifen und nicht groß anfangen, zu basteln (z.B. ACS712ELCTR-05B-T) http://www.lem.com/hq/en/component/option,com_catalog/task,advancedsearch/Itemid,221/ http://www.allegromicro.com/en/Products/Current-Sensor-ICs/Zero-To-Fifty-Amp-Integrated-Conductor-Sensor-ICs.aspx
Wolfgang schrieb: > Ich würde auf erprobte Sensoren der Fa. LEM Hatte doch weiter oben einen recht günstigen (außer der Versand, aber der kommt vom Händler ja auch drauf) vorgeschlagen. Lem funktioniert sehr gut und zuverlässig. In all unseren Staplern verbaut. Noch nie einen Ausfall wegen defektem Stromsensor gehabt.
Stefan U. schrieb: > Ja kannst du machen. Ich würde noch Schutzdioden einbauen. Also nach vcc > und gnd. Dann, ohne Garantie, würde es gehen. > > Achja. Ein Kondensator nach R2 würde auch nicht schaden (als Tiefpass). > > Der Wandler ist aber nicht gerade kostengünstig!? Danke. Kondensator hab ich vergessen. Der hier vorgeschlagene AC1005 kostet um die 3€. Kurt B. schrieb: > Stefan R. schrieb: >> Stefan U. schrieb: >>> Eine Skizze würde helfen. >> >> Hoffentlich ist es halbwegs erkennbar. > > Die "Brücke" würde ich herauslassen, R1 so wählen dass der Wandler auch > wirklich als Stromwandler funktioniert. > > R2 dient dann als Strombegrenzer für die internen Schutzdioden im µC. > Dieser verarbeitet, mit Hilfe eines Analogeinganges, die positiven > Halbwellen. > > Kurt Wie gesagt, würde ich das gerne an einem Interrupt Pin nutzen. Mich interessiert nur, ob der Raffstore/Rolladen läuft oder nicht. Hallsensoren von LEM oder Allegro, sind mir für diesen Einsatzzweck doch etwas übertrieben. Ich brauche ab einem Strom von 0,1A auf der 230V Seite, mindestens ein Ausgangsignal von 4V. Dann kann ich sauber die steigende und fallende Flanke erkennen (so stelle ich mir das zumindest vor).
Stefan R. schrieb: > > Ich brauche ab einem Strom von 0,1A auf der 230V Seite, mindestens ein > Ausgangsignal von 4V. Dann kann ich sauber die steigende und fallende > Flanke erkennen (so stelle ich mir das zumindest vor). Beim AD-Eingang reicht dir eine Spannung von 5/1024 V Es reicht doch wenn du nur eine Flanke, die positive, auswertest. Lass den µC über einen A/D mehrere Zyklen (z.B. 110 ms) im <ms-Bereich erfassen und stelle fest ob mindestens drei dabei sind die über deinem Schwellwert, z.B. 0.5V, liegen. Kurt
Stefan R. schrieb: > Ich brauche ab einem Strom von 0,1A auf der 230V Seite, mindestens ein > Ausgangsignal von 4V. Dann wirst Du einen Zusatzverstärker (OPV) brauchen. Wenn Du zum Strommessen einen Spannungsabfall von ca.1,5V tolerieren kannst, reicht auch ein Optokoppler.
Harald W. schrieb: > Dann wirst Du einen Zusatzverstärker (OPV) brauchen. Wenn Du zum > Strommessen einen Spannungsabfall von ca.1,5V tolerieren kannst, > reicht auch ein Optokoppler. Mit einem Lastwiderstand von 50k sollte man bei 0,1A auf der Primärseite 5V haben. Nur bin ich mir nicht ob die Spannung nicht einbricht, wenn ich das dann auf einen µC Pin anschließe. Meinst du ohne OPV wird es nicht ausreichen?
Hallo, ich habe ein ähnliches Problem und bin auch auf der Suche nach einer passenden Lösung. Ich möchte an einer 230V AC Netzleitung einen Stromfluss im Bereich von ca. 0.1-0.2A detektieren. Eine genaue Messung der Stromgröße ist nicht erforderlich. Dazu kommt noch, dass der Stromleiter nicht aufgetrennt werden kann, weshalb die meisten Stromsensoren nicht in Frage kommen. Meine Idee war jetzt ähnlich wie die von dem Autor des Themas. Ein Stromwandler 1000:1 über einen Widerstand von 10kΩ ergibt eine Spannung von 2V bei einem Stromfluss von 0.2A. So weit so gut. Nur habe ich in vielen Bereichen über Stromwandler gelesen, dass die Last (Bürde) am Sekundärkreis nicht so groß sein darf, weil dann der Stromwandler in Sättigung geht. Dies habe ich noch nicht ganz verstanden. Ich dachte der Stromwandler geht nur in Sättigung, wenn der Primärstrom zu groß wird. Wäre das auf Dauer für den Stromwandler schädlich oder stimmt dann einfach nur das Übersetzungverhältnis nicht mehr? Kann mir da jemand auf die Sprunge helfen. Vielen Dank!
Peter schrieb: > Dazu kommt noch, dass der Stromleiter nicht aufgetrennt werden kann, Dann bekommst du einen normalen Stromwandler ja nicht drüber gefädelt->Rogowski-Spule.
Peter schrieb: > Ein Stromwandler 1000:1 über einen Widerstand von 10kΩ ergibt eine > Spannung von 2V bei einem Stromfluss von 0.2A. So weit so gut. > Nur habe ich in vielen Bereichen über Stromwandler gelesen, dass die > Last (Bürde) am Sekundärkreis nicht so groß sein darf, weil dann der > Stromwandler in Sättigung geht. Genau, daher waren die 50k im Posting weiter oben auch grober Unsinn und auch deine 10k gehen nicht, eher 100 Ohm mit 0.02V. > Dies habe ich noch nicht ganz verstanden. Maximale Volt/Windung hängen vom Kernmaterial ab, die primäre Windungsanzahl ist 1.
ich würde es ja mit einer Greatzbrücke min 5A im Strompfad machen, im Brückenzweig 2x min 5A Dioden in Reihe und parallel einen Opto mit Rv. Sobald Strom fliesst wird sich im Brückenzweig an den beiden seriellen Dioden die Uf einstellen so 1,4V - 2V reicht für die IR Diode + kleinen Rv die 2V weniger auf der 230V~ machen nichts, die Verluste sind ja nur da wenn min. 1 Motor läuft.
Peter schrieb: > Ich möchte an einer 230V AC Netzleitung einen Stromfluss im Bereich von > ca. 0.1-0.2A detektieren. > Ein Stromwandler 1000:1 über einen Widerstand von 10kΩ ergibt eine > Spannung von 2V bei einem Stromfluss von 0.2A. So weit so gut. > Nur habe ich in vielen Bereichen über Stromwandler gelesen, dass die > Last (Bürde) am Sekundärkreis nicht so groß sein darf, weil dann der > Stromwandler in Sättigung geht. Das stimmt zwar im Prinzip, welche Bürde (=höchstzulässiger Widerstand) aber wirklich zulässig ist, sollte im Datenblatt des Stromwandlers stehen. Reicht die Spannung am Widerstand dann nicht aus, muss man sie verstärken. > Dazu kommt noch, dass der Stromleiter nicht aufgetrennt werden kann, > weshalb die meisten Stromsensoren nicht in Frage kommen. Es gibt auch Stromwandler mit trennbarem Eisenkern. Das funktioniert dann ähnlich wie bei den Stromzangen zum Messen.
Diese Schaltung funktioniert auf alle Fälle.Nur mit Lastwiderstand ,ohne OPV funkt. ebenfalls mit PIC.Habe es selbst in einer Torsteuerung mit 230V AC-Motor eingeaut.Defacto ab R2 alle weiteren Bauelemente weglassen.
Die folgende Schaltung funktioniert bis ca 160 Watt,wegen Verlustleistung der Dioden.Strom x 2,1V = Verlustleistung.Anstelle der Led Optokoppler.
Bitte melde dich an um einen Beitrag zu schreiben. Anmeldung ist kostenlos und dauert nur eine Minute.
Bestehender Account
Schon ein Account bei Google/GoogleMail? Keine Anmeldung erforderlich!
Mit Google-Account einloggen
Mit Google-Account einloggen
Noch kein Account? Hier anmelden.



