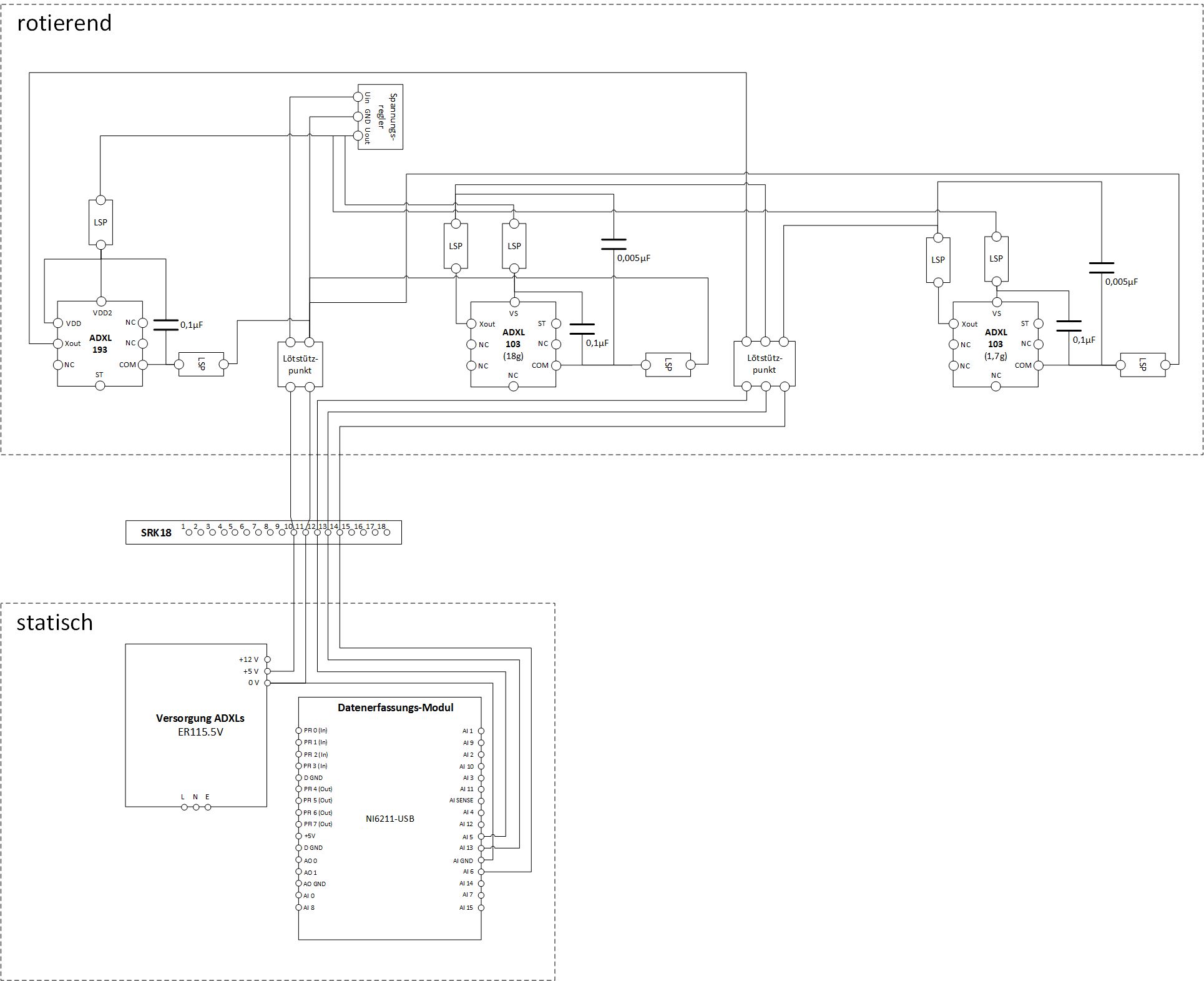
Hallo zusammen, kürzlich habe ich hier bereits einen Thread zur Anwendung von ADXL Beschleunigungssensoren erstellt: Beitrag "Problem Beschleunigungssensoren ADXLs" In diesem wurde dazu geraten, zu meiner konkreten Anwendung einen gesonderten Faden auf zu machen, was ich hiermit tun möchte. Die Situation gestaltet sich wie folgt: 1.) Auf ein rotierendes Bauteil sollen drei ADXLs mit unterschiedlichen Messbereichen. 2.) Die verfügbare Applikationsfläche ist gekrümmt und sehr begrenzt. Daher möchte ich die Sensoren sowie weitere (SMD)-Komponenten „auf dem Rücken“ auf die Fläche kleben und mit Kupferlackdraht verdrahten. Als Kleber möchte ich HBM X60 nutzen und zur Versiegelung HBM PU-140. 3.) Versorgungsspannung erfolgt über ein Linearnetzteil ER115.5V. Die Signalauswertung erfolgt über ein National Instruments 6211-USB. 4.) Die Übertragung von Versorgungsspannung und Signalen zwischen rotierendem und statischem System erfolgt über einen Schleifringübertrager. Hierbei handelt es sich um einen SRK18 von Columbus Contact. Relevante Datenblätter: ADXLs: http://www.analog.com/media/en/technical-documentation/data-sheets/ADXL193.pdf http://www.analog.com/media/en/technical-documentation/data-sheets/ADXL103_203.pdf Netzteil: http://de.rs-online.com/web/p/einbau-linearnetzteile/0592076/ Datenerfassung NI 6211-USB: http://www.ni.com/pdf/manuals/375195c.pdf Schleifring: http://www.columbus-contact.de/Prospekt-PDFs/SchleifringuebertragerohneGehaeuseaxialeBauart.pdf Ich habe einen Schaltplan gemacht und angehängt. In diesem habe ich versucht, die Hinweise aus dem vorigen Thread umzusetzen. Hierzu folgende Anmerkungen: 1.) Die Komponenten und Verbindungen habe ich grob so angeordnet, wie ich es auch auf dem Bauteil applizieren würde. 2.) Die Lötstützpunkte (tlw. Mit LSP abgekürzt) habe ich eingeplant, um nicht mehrere Litzen an einen ADXL-Pin löten zu müssen sowie die Versorgung besser verteilen zu können. Ich denke, das ist so einfacher. Hierbei handelt es sich um Applikationszubehör aus der DMS-Messtechnik: https://dms-technik.de/index.php?option=com_content&view=article&id=708&Itemid=631 3.) Bei allen ADXLs ist momentan ein Abblockkondensator von 0,1µF vorgesehen. Kann hier aber gleich auch noch einen 1µF parallel schalten. 4.) Die beiden 103er ADXLs sind mit einem Kondensator zur Bandbreiteneinstellung versehen. Der 193er braucht keinen. Folgende Fragen habe ich derzeit: 1.) Ist das erst mal grob so okay? Oder habe ich irgendwo einen gravierenden Schnitzer drin? 2.) Zu den Kondensatoren: Welche soll ich da nehmen? Analog Devices schreibt, dass irgendwelche „Poly“-Typen am besten sind: http://www.analog.com/en/analog-dialogue/articles/capacitance-and-capacitors.html Ich habe jetzt an solche gedacht: http://de.rs-online.com/web/p/polyethylennaphthalat-folienkondensator/9203328/ Wenn ich diese auf meine Applikationsfläche klebe, werden die allerdings gebrückt (Alu). Das könnte ich vermeiden, indem ich zuerst eine Folie o.ä. zur Isolierung aufbringe. 3.) Zum Spannungsregler: Welchen sollte ich da nehmen? Die 5V-Versorgung des Netzteils kann ich bis 5,8V einstellen. Wenn ich dabei bliebe, hätte ich diesen im Auge: http://de.rs-online.com/web/p/ldo-spannungsregler/6695095/ Im vorigen Thread war allerdings die Rede davon, dass eine höhere Eingangsspannung in Verbindung mit dem Schleifringübertrager von Vorteil wäre. Dafür könnte ich den 12 V Ausgangs des Netzteils verwenden und z.B. diesen Spannungsregler nehmen: http://de.rs-online.com/web/p/ldo-spannungsregler/5455742/ 4.) Gibt es im Hinblick auf den Schleifringübertrager noch etwas zu beachten? Oder ist der Spannungsregler das entscheidende Bauteil? Bedanke mich im Voraus für jegliche konstruktive Hinweise zu dem Vorhaben.
Hi, Ich kenne mich nicht mit DMS oder deinen speziellen Sensoren aus, aber habe gerade eine Schaltung zum betätigen von Tasten auf einem abnehmbaren Lenkrad von einem Auto gebaut. Nachdem ich anfangs auch an den Schleifring gedacht habe, bin ich schnell zu einer Übertragung per Funk auf 433 MHz gegangen. Das funktioniert richtig gut. In meiner Anwendung konnte ich auch auch die externe Spannungsversorgung durch eine Knopfzelle ersetzen. Vielleicht ist das ja auch was für dich.
Was für ein Funksystem hast du? Als ich mich mal mit Funksystemen zur Messsignalübertragung beschäftigt habe, habe ich den Gedanken schnell verworfen, da diese ein Vielfaches des Schleifringes kosten. Den Schleifring habe ich auch schon angeschafft...
Du solltest sinnvollerweise die Masseleitung zur Stromversorgung von der Signalmasse trennen, d.h. diese beiden Massen erst auf dem rotierenden Teil miteinander verbinden. Die Messdatenerfassungskarte sollte vorzugsweise differenzielle Eingänge verwenden, wobei als gemeinsames Bezugspotential aller Kanäle eben die zurückgeführte Signalmasse dient. Die Kondensatoren zur Bandbreitenanpassung sollten sich vorzugsweise nicht auf dem rotierenden Teil befinden, sondern direkt an den Eingängen der Messdatenerfassungskarte. Diese vereinfacht zum einen die Montage und unterdrückt zum anderen auch noch Störungen, die durch Aussetzer der Schleifkontakte verursacht werden können. Auch der dritte ADXL sollten dann solch einen Kondensator bekommen.
Warum willst du den ganzen Krempel fädeln. Platinen kosten doch fast nix.
Andreas S. schrieb: > Du solltest sinnvollerweise die Masseleitung zur Stromversorgung von der > Signalmasse trennen, d.h. diese beiden Massen erst auf dem rotierenden > Teil miteinander verbinden. Du meinst im statischen Teil nicht die Masse von Netzteil zu NI6211 ziehen, sondern die COM-Ausgänge der ADXLs auf dem rotierenden Teil zusammen führen, über den Schleifring zurück und dann erst auf AI GND von NI6211 legen? > Die Messdatenerfassungskarte sollte vorzugsweise differenzielle Eingänge verwenden, wobei als gemeinsames > Bezugspotential aller Kanäle eben die zurückgeführte Signalmasse dient. > Mhh... wollte differenziell eigentlich vermeiden. Habe die anderen Kanäle schon alle belegt. Dann müsste ich für verschiedene Messungen immer umverdrahten. > Die Kondensatoren zur Bandbreitenanpassung sollten sich vorzugsweise > nicht auf dem rotierenden Teil befinden, sondern direkt an den Eingängen > der Messdatenerfassungskarte. Diese vereinfacht zum einen die Montage > und unterdrückt zum anderen auch noch Störungen, die durch Aussetzer der > Schleifkontakte verursacht werden können. Auch der dritte ADXL sollten > dann solch einen Kondensator bekommen. Das habe ich ursprünglich auch so gedacht. Dann hatte im anderen Thread wer davon abgeraten und gesagt, dass die möglichst nahe an die Sensoren müssten. Ich hätte jetzt auch eher gedacht, dass das eher bei den Abblockkondensatoren für die Versorgung relevant ist.
Chris K. schrieb: > Warum willst du den ganzen Krempel fädeln. Platinen kosten doch fast > nix. wegen Platz, gekrümmter Fläche und Ausrichtproblemen, wenn ich die Sensoren nicht exakt auf die Platine gelötet kriege
Um welche Datenraten/Mengen geht es denn? Vielleicht wäre eine IR-Übertragung der Daten sinnvoll und nur die Stromversorgung über die Schleifringe?
H.Joachim S. schrieb: > Um welche Datenraten/Mengen geht es denn? Vielleicht wäre eine > IR-Übertragung der Daten sinnvoll und nur die Stromversorgung über die > Schleifringe? Die Sensoren liefern ein Analogsignal.
Ich habe jetzt an solche gedacht: http://de.rs-online.com/web/p/polyethylennaphthala... Wenn ich diese auf meine Applikationsfläche klebe, werden die allerdings hast Du Dir angesehen, wie groß ein 1µF/250V Kondensator ist? Das gehört ordentlich auf einen kleinen 120µ Flexprint und nicht kopfüber gefädelt. Was sagt denn dein Chef dazu? Würde ich auf jeden Fall nochmal drüber nachdenken ... StromTuner
Stromtuner schrieb: > > hast Du Dir angesehen, wie groß ein 1µF/250V Kondensator ist? > Ne, will ja 0,1 und 0,005µF einbauen. Der eine ist 6 x 5 mm, der andre 3,3 x 1,1mm. Wo ist das Problem? > Das gehört ordentlich auf einen kleinen 120µ Flexprint und nicht > kopfüber gefädelt. Wasn das? Solche Folien mit Leiterbahnen? Ist doch wahrscheinlich viel zu aufwändig, das für ne einmalige Aktion zu machen!!? > Was sagt denn dein Chef dazu? Würde ich auf jeden > Fall nochmal drüber nachdenken ... > Nein. Mit dem rede ich über solche Themen nicht. Wird er auch nix zu sagen können.
Bitte melde dich an um einen Beitrag zu schreiben. Anmeldung ist kostenlos und dauert nur eine Minute.
  
  Bestehender Account
  
  
  
  Schon ein Account bei Google/GoogleMail? Keine Anmeldung erforderlich!
Mit Google-Account einloggen
Mit Google-Account einloggen
  Noch kein Account? Hier anmelden.
