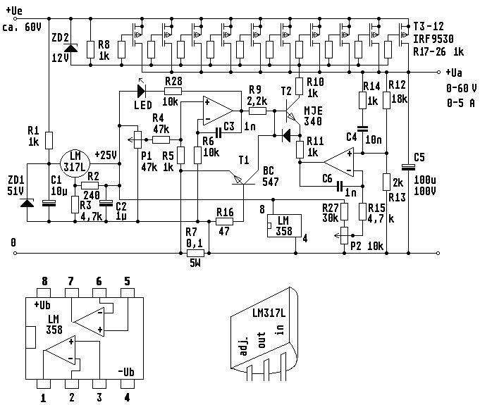
Guten Abend, ich habe den Schaltplan im Anhang aufgebaut, ein Labornetzgerät für 30V/3A. Leider schwingt das Netzteil mit und ohne Last sehr stark. Es sind analoge Messinstrumente verbaut, man kann beobachten das trotz der Trägheit der Messinstrumente die Spannung von 10-20 Volt schwingt (mit 15V eingestellt). Die I Regelung funktioniert gar nicht, wahrscheinlich weil sie auch schwingt. Was ich bereits Ausprobiert habe: -C6 und C7 auf bis zu 1nF erhöhen -C9 auf 2nF verdoppeln Hat beides nichts verändert. Wenn ich C10 ganz entferne, schwingt die Spannung zumindest ohne Last nicht so stark das es auf dem Analogen Messinstrument sichtbar ist. Wenn ich dann auch noch mit einer Messleitung meines Multimeters (anderes Ende nicht im Multimeter) "Output -" berühre funktioniert alles wunderbar, kein sichtbares schwingen, die I- und U-Regelungen funktionieren. Ist C10 zu groß? Das dürfte doch gar nicht gehen das ein Ausgangselko zu groß ist? Hat jemand eine Idee wie ich das Ding stabil kriege? freundliche Grüße :)
Felix schrieb: > ich habe den Schaltplan im Anhang aufgebaut Als Drahtigel oder mit einer Platine? Zeig doch mal ein paar Bilder. Woher ist die Schaltung?
Felix schrieb: > Was ich bereits Ausprobiert habe: > -C6 und C7 auf bis zu 1nF erhöhen > Hat jemand eine Idee wie ich das Ding stabil kriege? versuche es mal mit bis zu 100 nF
Felix schrieb: > > Hat jemand eine Idee wie ich das Ding stabil kriege? Die beiden OPs arbeiten quasi mit ihrer vollen Leerlauf-Verstärkung. Das bringt wohl die Probleme. Kurt
Lothar M. schrieb: > Als Drahtigel oder mit einer Platine? Zeig doch mal ein paar Bilder. > Woher ist die Schaltung? Alles auf einer Platine, außer die beiden Widerstandsnetzwerke bei den vier Potis, die sind auf dem Steckbrett. Die Schaltung kommt aus irgendeinem Youtube Video, habe sie schon vor einer ganzen Weile abgezeichnet, ich arbeite schon lange an dieser Schlatung. Kevin K. schrieb: >> Was ich bereits Ausprobiert habe: >> -C6 und C7 auf bis zu 1nF erhöhen >> Hat jemand eine Idee wie ich das Ding stabil kriege? > versuche es mal mit bis zu 100 nF Wird das dann nicht viel zu langsam? Ich fand 1nF ist schon zu hoch. Aber ich kenne mich damit auch nicht aus. Joe F. schrieb: > Und AC-IN hängt direkt am Netz? > Lebensgefahr! AC-IN ist nicht Netzspannung sondern die Sekundärspule eines Trafos. Der TIP-142 kann ja nur 100V.
Kurt B. schrieb: > Die beiden OPs arbeiten quasi mit ihrer vollen Leerlauf-Verstärkung. > Das bringt wohl die Probleme. Sorry, aber ich weiß nicht was du meinst, was fehlt denn deiner Meinung nach? Ich habe vorher noch nicht viel mit Op-Amps gemacht.
4700uF 450V haette schon was ... Der Schaltplan macht mich stutzig. Mir fehlt hier die Ruckkopplung der Ausgangsspannung an den OP u3.2 zum Vergleichen mit U-Referenz.
Das Schwingen kommt höchstwahrscheinlich von C9. Das kenne ich. Nimm den mal weg und das Schwingen ist weg.
Dieter schrieb: > Der Schaltplan macht mich stutzig. Mir fehlt hier die Ruckkopplung der > Ausgangsspannung an den OP u3.2 zum Vergleichen mit U-Referenz. Der Negative Eingang von U3.2 liegt über 10k auf dem Ausgang+ Funktionieren tut es ja, es schwingt nur ganz schön. Warum das funktioniert habe ich um ehrlich zu sein auch noch nicht verstanden :)
Felix schrieb: > Hat jemand eine Idee wie ich das Ding stabil kriege? Vielleicht indem du die ganzen Stabilität bildenden Maßnahmen aus dem original Conrad Schaltplan anstatt sie wegzulassen lieber wieder hinzufügst? Oder meist du die wären alle "Humbug"?
Felix schrieb: > ich habe den Schaltplan im Anhang aufgebaut, ein Labornetzgerät für > 30V/3A. Leider schwingt das Netzteil mit und ohne Last sehr stark Ja nun, nicht ohne Grund hat die Schaltung bei ELV haufenweise Kondensatoren und sogar Spulen http://www.produktinfo.conrad.com/datenblaetter/175000-199999/190180-as-01-de-Hochleistungsnetzplatine_Bausatz.pdf Durch die Leistungsdarlingtons regelt sie sehr langsam und ist damit fürchterlich instabil weil bei Abweichungen immer über die OpAmps nachgeregelt werden muss. Am besten, zu zeichnest die Schaltung in LTSPice ab, sammelst die zu den Bauteilen passenden Modelle, und simulierst, bis du ein stabiles Netzteil zusammenbekommst, dabei beachten daß in der Simulation auch die Leitungsinduktivitäten deines Aufbaus mit eingehen. Du wirst merken, daß das Netzteil schlimmer wird wenn der ESR des Ausgangselkos kleiner wird, und besser wird, wenn die Last (derzeit 10k) mehr Strom ableitet.
Felix schrieb: > Kurt B. schrieb: >> Die beiden OPs arbeiten quasi mit ihrer vollen Leerlauf-Verstärkung. >> Das bringt wohl die Probleme. > > Sorry, aber ich weiß nicht was du meinst, was fehlt denn deiner Meinung > nach? Ich habe vorher noch nicht viel mit Op-Amps gemacht. Die Verstärkung der OP ist sehr hoch, die kleinen Cs bringen da auch nicht viel. Jede winzige Abweichung führt zu einer "Schockreaktion" der OP und die drehen voll auf. Die Leistungstransistoren und der Ausgangselko können dem nicht schnell genug folgen, das ganze Schwingt. Ich würde es mit Widerständen parr zu den kleinen Kondensatoren versuchen und diese auch viel grösser machen. Die Widerstände verringern die Verstärkung und die Kondensatoren bringen eine zeitliche Verzögerung. Es ist halt ein Kompromiss zwischen Regelverhalten (Geschwindigkeit) und stabilem Verhalten zu suchen. Kurt
Felix schrieb: > Dieter schrieb: >> Der Schaltplan macht mich stutzig. Mir fehlt hier die Ruckkopplung der >> Ausgangsspannung an den OP u3.2 zum Vergleichen mit U-Referenz. > > Der Negative Eingang von U3.2 liegt über 10k auf dem Ausgang+ > Funktionieren tut es ja, es schwingt nur ganz schön. > Warum das funktioniert habe ich um ehrlich zu sein auch noch nicht > verstanden :) Ist nicht zu schwer zu verstehen. Da der OPV keinen Spannungsunterschied an den Eingängen sehen möchte. Erhöht er die Ausgangspannung bis sie soweit angestiegen ist, daß der Spannungsteiler zusammen mit der Spannungsreferenz diese Bedingung erfüllt, also die Spannungsteilerspannung relativ zum Ausgangsnullpunkt gleich Null ist. Rechne mal den Spannungsteiler durch und Du wirst sehen, daß es dann Sinn ergibt.
Gerhard O. schrieb: > Das Schwingen kommt höchstwahrscheinlich von C9. Das kenne ich. Nimm den > mal weg und das Schwingen ist weg. Habe es gerade ausprobiert, schwingt leider immernoch. Alles Humbug schrieb: > Vielleicht indem du die ganzen Stabilität bildenden Maßnahmen aus dem > original Conrad Schaltplan anstatt sie wegzulassen lieber wieder > hinzufügst? > > Oder meist du die wären alle "Humbug"? Michael B. schrieb: > Ja nun, nicht ohne Grund hat die Schaltung bei ELV haufenweise > Kondensatoren und sogar Spulen Das ist doch nicht das gleiche Netzteil. Michael B. schrieb: > Du wirst merken, daß das Netzteil schlimmer wird wenn der ESR des > Ausgangselkos kleiner wird, und besser wird, wenn die Last (derzeit 10k) > mehr Strom ableitet. Also R24 verkleinern? 5k? 1k?
Nach dem angefügten Schaltbild, würde auch die Endstufe nur 0-3.5V Ausgangsspannung schaffen. Da wurde anscheinend einiges weggelassen.
Felix schrieb: > habe es gerade ausprobiert, schwingt leider immer noch. Auf welcher Frequenz? Ist es ein Zwischending zwischen Sinus und Sägezahn?
Dieter schrieb: > Nach dem angefügten Schaltbild, würde auch die Endstufe nur 0-3.5V > Ausgangsspannung schaffen. Da wurde anscheinend einiges weggelassen. Wie gesagt, die Schaltung funktioniert im Prinzip, schwingt aber mitlerweile. Ich habe eigentlich alles abgezeichnet. Ich dachte ich müsste nur die Kapazitäten etwas anpassen.
Gerhard O. schrieb: > Felix schrieb: >> habe es gerade ausprobiert, schwingt leider immer noch. > > Auf welcher Frequenz? Ist es ein Zwischending zwischen Sinus und > Sägezahn? Habe leider kein Oszilloskop, kann ich dir nicht sagen.
Dieter schrieb: > Nach dem angefügten Schaltbild, würde auch die Endstufe nur 0-3.5V > Ausgangsspannung schaffen. Da wurde anscheinend einiges weggelassen. Das geht schon. Der Basis Strom der Endstufe fließt ja relativ vom Ausgang via die BE Strecken zur Stromquelle die an 5V liegt und auch auf den Ausgang bezogen ist. Es muß nur genug Basisstrom fließen um die Leistungstransistoren entsprechend anzusteuern. Der Schaltungsbezugspunkt ist nicht NT Minus sondern der Plus Ausgang.
Gerhard O. schrieb: > Das Schwingen kommt höchstwahrscheinlich von C9. Das kenne ich. Nimm den > mal weg und das Schwingen ist weg. @Gerhard O. Hast du so ein oder ein ähnliches Gerät bereits gebaut? Ein Schaltplan wäre super.
Felix schrieb: > Gerhard O. schrieb: >> Felix schrieb: >>> habe es gerade ausprobiert, schwingt leider immer noch. >> >> Auf welcher Frequenz? Ist es ein Zwischending zwischen Sinus und >> Sägezahn? > > Habe leider kein Oszilloskop, kann ich dir nicht sagen. Löte mal die Diode vom Strom OpV Ausgang ab, oder Dreh das Poti voll auf. Ändert sich das Schwingen dann? Wie macht sich das Schwingen ohne Oszi bemerkbar. Pfeifen?
Die Kombination R19 und C9 ist Mist. Am besten R19 fest auf ca. 20...30k, dem entsprechen R21-R23 auf Verstärkungsfaktor 6 anpassen. Die soll Spannung dann variieren zwischen 0..5V statt 5V fest. C6 und C7 1nF...22nF probieren, oder schnellere OPV statt LM324. Die minimale Last vlt. auf 5mA setzen.
Felix schrieb: > Gerhard O. schrieb: >> Das Schwingen kommt höchstwahrscheinlich von C9. Das kenne ich. Nimm den >> mal weg und das Schwingen ist weg. > > @Gerhard O. > Hast du so ein oder ein ähnliches Gerät bereits gebaut? Ein Schaltplan > wäre super. Im Forum gibts ein paar Threads. Von mir ist das LNG30 und etwas über das Funkschau 12/73 was aber ein schon sehr altes Design ist. Von anderen gibt es etliche Beiträge hier. Such unter Analog und Elektronik Rubrik. Das LNG30 ist ein von mir kopiertes Industrie Design mit allen Unterlagen.
Gerhard O. schrieb: > Löte mal die Diode vom Strom OpV Ausgang ab, oder Dreh das Poti voll > auf. Ändert sich das Schwingen dann? Nein, ändert sich nichts Gerhard O. schrieb: > Wie macht sich das Schwingen ohne Oszi bemerkbar. Pfeifen? Ich habe ein analoges Dreheisen Einbaumessgerät am Ausgang, der Zeiger schwingt von 10-20V
Felix schrieb: > Dreheisen Einbaumessgerät... Drehspul vermutlich;-) Nach Bildern vom Aufbau wurde ja schon gefragt....
Felix schrieb: > Gerhard O. schrieb: >> Löte mal die Diode vom Strom OpV Ausgang ab, oder Dreh das Poti voll >> auf. Ändert sich das Schwingen dann? > > Nein, ändert sich nichts > > Gerhard O. schrieb: >> Wie macht sich das Schwingen ohne Oszi bemerkbar. Pfeifen? > > Ich habe ein analoges Dreheisen Einbaumessgerät am Ausgang, der Zeiger > schwingt von 10-20V Könnte es ein langsames Pendeln sein? Normalerweise schwingen die meisten Schaltungen dieser Art um 30-300kHz. Ohne Oszi ist das schwer zu erkennen. Dreheiseninstrumente haben oft auch sehr lange Einschwingverhalten. Es ist möglich, daß die meisten hier dann auf die falsche Fährte gehetzt wurden:-) Ich würde Dir raten irgendwie Hilfe von einen Bekannten mit Oszi oder Uni, Firma zu bekommen weil es ohne Meßmittel sehr schwer ist zur korrekten Diagnose zu gelangen. Bei mir schwangen Netzteilschaltung bisher immer nur mit hoher Frequenz. Irgendwie habe ich den Eindruck, daß Du irgendeinem anderen Phenomen zum Opfer gefallen bist. Ein langsames Pendeln kann ich mir eigentlich nicht richtig vorstellen.
Felix schrieb: > Habe leider kein Oszilloskop, kann ich dir nicht sagen. Das ist schlecht. Ohne Oszi wirst du nicht gescheit beurteilen können, wann die Schaltung nach Modifikation brauchbar arbeitet.
Guter Hinweis Gerhard O., hab doch glatt die Masse dort übersehen. Man könnte noch die dynamische Verstärkung der OP's reduzieren. Als Rückkopplung von Ausgang des OP's auf den Eingang jeweils einen Kondensator und Widerstand in Reihe geschaltet. Ein solcher Schaltplan war vor wenigen Tagen hier in dem Blog zu finden.
Felix schrieb: > Das ist doch nicht das gleiche Netzteil. Doch, schon, deine weggelassenen Bauteile Alles Humbug schrieb: > Vielleicht indem du die ganzen Stabilität bildenden Maßnahmen aus dem > original Conrad Schaltplan anstatt sie wegzulassen lieber wieder > hinzufügst? sind dort natürlich dabei. Das Prinzip, +/-5V für Steuerteil mit LM324, TIP142 parallel als Längstransistoren, veroderung per Dioden und pull up per Konstantstromquelle (die überflüssig ist, ein Widerstand tut es), ist dasselbe, und die Probleme auch. Die Schaltung ist wirklich übel, und hat man sie mal stabil, schwingt sie bei anderer Last gleich wieder. Felix schrieb: > Also R24 verkleinern? 5k? 1k? Besser noch kleiner. Bei 30V wäre 0.16A mit niederinduktiven 180R zu erreichen, halt auch 5W. Felix schrieb: > Habe leider kein Oszilloskop Wirst du besorgen müssen. Aber erst mal LTSpice.
Ich bin auch der Meinung das bei den OV die Gegenkopplung fehlt. So wie die beschaltet sind arbeiten die mit voller Verstärkung und wirken eher wie Komperatoren. Sobald die Regelgröße von der Stellgröße abweicht hält der OPV voll dagegen. Also Ausgangsspannung etwas zu groß der zugehörige OV registriert das und geht auf Grund der hohen Verstärkung sofort in die Sättigung. Die Ausgangsspannung wird verringert und sinkt unter den Sollwert der OV hält sofort dagegen und schaltet um, höchstwahrscheinlich auch wieder in die Sättigung. Jetzt läuft der Vorgang in die andere Richtung. Das Ganze schwingt also zwischen diesen beiden Zuständen hin und her. Kurt hat es ja schon gesagt man muß einen Kompromiß zwischen Regelverhalten und Stabilität finden.
Felix schrieb: > Wie gesagt, die Schaltung funktioniert im Prinzip, schwingt aber > mitlerweile. Ich habe eigentlich alles abgezeichnet. Wovon denn? Schau dir mal die Widerstände und Kondensatoren rund um die OPV an. Die sind da nicht zum Spaß! https://files.elv.com/Assets/Produkte/2/225/22532/Downloads/22532_Universelle_Netzteilplatine_um.pdf
Gerhard O. schrieb: > Könnte es ein langsames Pendeln sein? Normalerweise schwingen die > meisten Schaltungen dieser Art um 30-300kHz. Ohne Oszi ist das schwer zu > erkennen. > > Dreheiseninstrumente haben oft auch sehr lange Einschwingverhalten. > Es ist möglich, daß die meisten hier dann auf die falsche Fährte gehetzt > wurden:-) > > Ich würde Dir raten irgendwie Hilfe von einen Bekannten mit Oszi oder > Uni, Firma zu bekommen weil es ohne Meßmittel sehr schwer ist zur > korrekten Diagnose zu gelangen. Bei mir schwangen Netzteilschaltung > bisher immer nur mit hoher Frequenz. Irgendwie habe ich den Eindruck, > daß Du irgendeinem anderen Phenomen zum Opfer gefallen bist. Ein > langsames Pendeln kann ich mir eigentlich nicht richtig vorstellen. Naja langsam ist das eigentlich nicht, es schwingt schon 3-5 mal/sekunde von 10V bis 20V. Ich erwähne es nochmal, ohne C10 und mit meiner Multimeter Messleitung (nicht ins DMM eingesteckt) am "Output -" funktioniert das ganze. Gibt es dann nicht eine einfachere Lösung?
Eine Schaltung über Kondensator angekoppelt, dahinter mit AA119 Dioden ein BrückenGleichrichter oder Spannungsverdopplerschaltung, so kann man mit dem primitiven Multimeter messen, ob es Schwingt (zumindest über 0,5V schwingt).
Michael B. schrieb: > Die Schaltung ist wirklich übel, und hat man sie mal stabil, schwingt > sie bei anderer Last gleich wieder So übel ist sie nicht. Es kommt auf richtige Dimensionierung an.
Alles Humbug schrieb: > Felix schrieb: >> Wie gesagt, die Schaltung funktioniert im Prinzip, schwingt aber >> mitlerweile. Ich habe eigentlich alles abgezeichnet. > > Wovon denn? > > Schau dir mal die Widerstände und Kondensatoren rund um die OPV an. Die > sind da nicht zum Spaß! > > https://files.elv.com/Assets/Produkte/2/225/22532/... R33, C15, C17, C19 R34, C16, C19, C20
Alles Humbug schrieb: > Schau dir mal die Widerstände und Kondensatoren rund um die OPV an. Die > sind da nicht zum Spaß! > > https://files.elv.com/Assets/Produkte/2/225/22532/Downloads/22532_Universelle_Netzteilplatine_um.pdf Selbst wenn alle vorhanden sind, wird's nicht besser.
Schau Dir bei dem Schaltplan C11 und R4 an. Beitrag "Labornetzgerät - Fragen zum Schaltplan" Die sind genau gegen das Schwingen da. PI- Regler um mal ein Schlagwort einzuwerfen.
Tany schrieb: > Alles Humbug schrieb: >> Schau dir mal die Widerstände und Kondensatoren rund um die OPV an. Die >> sind da nicht zum Spaß! >> >> > https://files.elv.com/Assets/Produkte/2/225/22532/... > > Selbst wenn alle vorhanden sind, wird's nicht besser. Woher weißt du das? Kennst du seinen Aufbau? Der Aufbau bedingt maßgeblich auch die Stabilität. Immerhin ist das ein seit Jahren verkaufter Bausatz von dem man die Funktion zu recht erwarten kann.
Alles Humbug schrieb: > Woher weißt du das? Kennst du seinen Aufbau? Der Aufbau bedingt > maßgeblich auch die Stabilität. Immerhin ist das ein seit Jahren > verkaufter Bausatz von dem man die Funktion zu recht erwarten kann Nö. Über den Bausatz gibt es reichlich Beileidsbekundungen. Die Kondensatoren/Induktivitäten hrlfrn nur bei Originalbauteilen auf Ofiginalllatine, und selbst dann nur bei ohmscher Last. Das Prinzip, schnarchlangsame Darlingtons mit einer Konstantstromquelle durchzusteuern und ihr über einen Strom- und einen SpannungsreglerOpAmp Ansteuerspannung wegzunehmen, schnellen Durchsteuern bei lethargischem Ausgangselkoentladen über 10k, ist halt ungünstig.
MaWin schrieb: > Über den Bausatz gibt es reichlich Beileidsbekundungen. Sagt noch gar nix, solange nicht genau klar ist wie aufgebaut wurde und genau da fängt meistens der Ärger schon an. > Die > Kondensatoren/Induktivitäten hrlfrn nur bei Originalbauteilen auf > Ofiginalllatine, und selbst dann nur bei ohmscher Last. Der von mir verlinkte ELV Bausatz hat gar keine Induktivitäten und die "Originalbauteile" sind auch nicht exotisch. Das Platinenlayout lässt sich zur Not abkupfern. > Das Prinzip, schnarchlangsame Darlingtons mit einer Konstantstromquelle > durchzusteuern und ihr über einen Strom- und einen SpannungsreglerOpAmp > Ansteuerspannung wegzunehmen, schnellen Durchsteuern bei lethargischem > Ausgangselkoentladen über 10k, ist halt ungünstig. Dann muss er eben ein paar Anpassungen vornehmen. Entweder man will sowas entwickeln oder man kauft sich besser was Fertiges. Beim Chinamann gibt's für rund 30 Ocken auch schon Fertiges. Da drinnen werden nur auch keine ultratollen Schaltungen stecken. Ohne Oszi wird das sowieso nix.
Hallo, also bei mir hat die Schaltung auf Anhieb funktioniert, allerdings nur mit einem einzelnen Darlington aufgebaut. Evtl hilft es, zwischen B und E an den Darlingtons 330 bis 1000 Ohm parallel zu schalten. Die geregelte Plusleitung und die Minusleitung sollten aus nicht zu dünnem Leitermaterial bestehen. MfG
Alles Humbug schrieb: > MaWin schrieb: >> Über den Bausatz gibt es reichlich Beileidsbekundungen. > Sagt noch gar nix Du willst die Realität nicht akzeptieren? > Woher weißt du das? Aus der Praxis.
Dieter schrieb: > Der Schaltplan macht mich stutzig. Mir fehlt hier die Ruckkopplung der > Ausgangsspannung an den OP u3.2 zum Vergleichen mit U-Referenz. Paßt schon, denn es ist die "klassische" LNG Spannungsregelung die wir hier des öfteren zitieren. Vgl. FS 12/73 bzw. die enstsprechenden HP-Netzteil Schaltungen z.B. AN99
Felix schrieb: > Ich dachte ich müsste nur die Kapazitäten etwas anpassen. Schau Dir bitte mal als Beispiel die Kompensation in z.B. FS 12/73 an. Ich vermisse in Deiner Schaltung die Kapazität direkt an den Endtransistoren (AFAIR ca. 4,7 nF).
Felix schrieb: > Hast du so ein oder ein ähnliches Gerät bereits gebaut? Ein Schaltplan > wäre super. Hier im Forum sind jede Menge Labornetzteile ausreichend beschrieben. Da muss man nicht auf irgendwelche dubiosen Youtubequellen zurück greifen. Grundsätzlich sind Netzteile mit Darlingtons in der End- stufe schwingfreudiger aLs andere Schaltungen.
Dieter schrieb: > Der Schaltplan macht mich stutzig. Wie soll das überhaupt funktionieren? Die Darlingtons gehen über je 0,55 Ohm nach GND - Kurzschluss. Q5 kommt von +5Volt und liefert irgendwas zu den Basen der Endstufe, jedenfalls nicht genug, mehr als knapp 4V am Ausgang zu erzeugen. Nachvollziehbare Regelkreise, wo sind die?
Ich würde so vorgehen: * Erst mal die I-Regelung abklemmen und die U-Regelung stabil bekommen. * Die stromquelle durch einen einfachen Widerstand ersetzen * Die LED am Ausgang des OP durch eine 1N4148 o.ä. ersetzen. -> Beides zusammen soll verhindern, dass bei der geringen Speisespannung der OPs die Spannungsabfälle in der Stromquelle und an den LEDs die Problemursachen sin. * Die Anzahl Darlingtons reduzieren und jeweils mit einem 220Ohm Widerstand anschließen Dann nochmal messen und die oben vorgeschlagenen Maßnahmen am OP (PI Glied, Kondensator erhöhen) testen. Und ein Oszi zum Messen würde sicherlich helfen.
Lothar M. schrieb: > Felix schrieb: >> ich habe den Schaltplan im Anhang aufgebaut > Als Drahtigel oder mit einer Platine? Zeig doch mal ein paar Bilder. > Woher ist die Schaltung? ELV hatte in Heft 14/1981 ein sehr ähnliches NT herausgebracht NT 20/5 MfG Eppelein
"Wie soll das überhaupt funktionieren? Die Darlingtons gehen über je 0,55 Ohm nach GND - Kurzschluss." Der GND der symmetrischen Hilfsspannung wandert mit der geregelten Ausgangsspannung mit. So haben die OPVs immer die Möglichkeit, die Transistoren abzuregeln. Es sind zwei Trafos anzuschließen oder getrennte Wicklungen. mfG
Danke für eure Antworten! Der konsens scheint zu sein, dass das Design ganz oben ziemlich schlecht ist. Ich glaube nicht das ich es schaffe das gerät ohne Oszi stabil zu bekommen. Ich habe mich mal nach alternativen umgesehen (LNG30 etc.), diese Schaltpläne sind aber alle viel komplizierter. Das LNG30 finde ich ganz gut, obwohl es auch recht umstritten ist. Es wäre super wenn es mal einen ganzen Schaltplan zum LNG30 geben würde, so mit unterschiedlichen Schaltplänen für jede Platine ist es schwer die funktion nachzuvollziehen. Etwas zu bauen was mann nicht ganz versteht kann ja nicht funktionieren :) Nochmal Danke für eure Hilfe :D
Felix schrieb: > Das LNG30 finde ich > ganz gut, obwohl es auch recht umstritten ist. Beleg für Deine Aussage? > Es wäre super wenn es mal > einen ganzen Schaltplan zum LNG30 geben würde, und Du ihn Dir einfach ansieht: https://www.mikrocontroller.net/articles/Datei:LNG30_2_Regelschaltung_R2.pdf Oder anders gesagt: Es gibt einen Schaltplan der das LG30 zeigt, was Du meinst sind die einzelnen Stufen der schrittweisen Erarbeitung dieses Plans. Genau das ist aber normale Hardwareentwicklung - gewöhne dich also schon mal daran. Das ist Tagesgeschäft.
Alles Humbug schrieb: > Der von mir verlinkte ELV Bausatz hat gar keine Induktivitäten Der hat ja auch nur 2 Transistoren und weniger Leistung. Der Schaltplan Michael B. schrieb: > http://www.produktinfo.conrad.com/datenblaetter/17... Liegt näher dran und ist (nicht ohne Grund) aufwändiger kompensiert.
Ganz so schlecht ist das Design nicht. Es ist halt der klassische LDO Regler mit fliegender Versorgung des Reglers. Die Einstellung der Spannung ist allerdings ungünstig gewählt. So wie oben gezeigt ändert sich mit der Spannung die Schleifenverstärkung und entsprechend schwer ist es eine Brauchbare Kompensation zu finden. Auch der Kondensator C12 kann störend wirken. Wie Tany schon schon weiter oben beschrieben hat: sollte man den Teiler über R19 + R23 besser fest haben und die Spannung über den Teil von der Ref. Spannung (R20) einstellen. Passend gewählt und mit dem konstanten Teiler ist C9 für die Stabilität auch schon hilfreich, etwas mehr als 1 nF wären ggf. angebracht. C7 ist mit 22 pF zu klein - passend dürften eher so 100 pF - 1nF sein. Die Auslegung ist nicht so ganz einfach, da wäre eine Simulation schon hilfreich. Bei C10 am Ausgang kommt es ggf. auch noch auf den Typ. Für den langsamen LM324 braucht man ggf. etwas mehr Kapazität. Sehr einfache Elkos haben ggf. zu viel ESR - man will einen ESR Wert so im Bereich von etwa 0.1 - 1 Ohm. Etwas mehr an Ruhestrom würde sicher auch helfen.
Lurchi schrieb: > Sehr einfache > Elkos haben ggf. zu viel ESR - man will einen ESR Wert so im Bereich von > etwa 0.1 - 1 Ohm. Hier zwar off topic, ich wollte das aber zum Banggood LNG schon mal fragen, habe es dann aber doch vergessen: Welcher Kondensator-Typ ist dort für den 10µ Ausgangselko empfehlenswert? Gilt die Empfehlung 0,1 - 1 Ohm auch beim BG?
Erwin E. schrieb: > Hier zwar off topic, ich wollte das aber zum Banggood LNG schon mal > fragen, habe es dann aber doch vergessen: Welcher Kondensator-Typ ist > dort für den 10µ Ausgangselko empfehlenswert? Gilt die Empfehlung 0,1 - > 1 Ohm auch beim BG? Bei meinen Simulationen zeigt es ein Schwingen wenn der Ausgangselko unter 0.1 Ohm geht. Da Simulationen nicht perfekt sind, würde ich von so niedriger Impedanz Abstand halten, eher 0.5 oder 1 Ohm als 0.1 oder 0.2 Ohm. Wenn dann 50cm Kabel am Netzteil sind und in der Zielschaltung ein lowESR Elko, sollte es ja auch besser nicht schwingen.
Beim ESR des Ausgangselekos kann man nicht einfach so rechnen, dass ein weiterer Elko den ESR noch senken kann. Das gilt so einfach nur bei gleichem ESR * C. Auch wenn da an der last noch Elko mit weniger oder in der Simulation ohne ESR parallel kommt wirkt der Kondensator als Dämpfungslelement im passenden Frequenzbereich. Im Zweifelsfall kann man auch ein Kombination aus 2 verschiedenen Elkos / Kondensatoren nutzen. Das verbreitert die Dämpfung noch etwas. Als Faustregel ist der Emitterwidestand bzw. Shunt ein Anhaltspunkt für den passenden ESR Wert. Für das Netzteil hier sollte der Ausgangskondensator eher größer werden. 47 µF sind schon recht wenig - viele kommerzielle Netzteile nutzen bei vergleichbarer Schaltung eher 500-1000µF.
Lurchi schrieb: > Passend gewählt und mit dem konstanten > Teiler ist C9 für die Stabilität auch schon hilfreich, etwas mehr als 1 > nF wären ggf. angebracht. C7 ist mit 22 pF zu klein - passend dürften > eher so 100 pF - 1nF sein. Felix schrieb: > Was ich bereits Ausprobiert habe: > -C6 und C7 auf bis zu 1nF erhöhen > -C9 auf 2nF verdoppeln > Hat beides nichts verändert. Es ist immer das gleiche mit diesen Schaltungen.
Lurchi schrieb: > Für das Netzteil hier sollte der Ausgangskondensator eher größer werden. > 47 µF sind schon recht wenig - viele kommerzielle Netzteile nutzen bei > vergleichbarer Schaltung eher 500-1000µF. Dann wäre die Schaltung aber reichlich unbrauchbar. Schau dir mal das Original aus ELV an https://files.elv.com/Assets/Produkte/2/225/22532/Downloads/22532_Universelle_Netzteilplatine_um.pdf Hat zwar wie MaWin zu recht anmerkte nur 2 Transen, also weniger Leistung, aber kommt laut Hersteller mit 10µ am Ausgang aus. Ich würde lieber auf Leistung verzichten anstatt mit aller Gewalt und x Tausend µF am Ausgang Stabilität herbeizuprügeln. Aber all das Herumrätseln über die Schaltung des TE führt sowieso zu nichts solange er kein Bild vom Aufbau seiner Schaltung postet. Muss wohl ein großes Geheimnis sein ..
Alles Humbug schrieb: > Lurchi schrieb: >> Für das Netzteil hier sollte der Ausgangskondensator eher größer werden. >> 47 µF sind schon recht wenig - viele kommerzielle Netzteile nutzen bei >> vergleichbarer Schaltung eher 500-1000µF. > > Dann wäre die Schaltung aber reichlich unbrauchbar. > > Schau dir mal das Original aus ELV an > https://files.elv.com/Assets/Produkte/2/225/22532/Downloads/22532_Universelle_Netzteilplatine_um.pdf > > Hat zwar wie MaWin zu recht anmerkte nur 2 Transen, also weniger > Leistung, aber kommt laut Hersteller mit 10µ am Ausgang aus. Ich würde > lieber auf Leistung verzichten anstatt mit aller Gewalt und x Tausend µF > am Ausgang Stabilität herbeizuprügeln. > > Aber all das Herumrätseln über die Schaltung des TE führt sowieso zu > nichts solange er kein Bild vom Aufbau seiner Schaltung postet. Muss > wohl ein großes Geheimnis sein .. Hat er denn nicht einen "Igel"? Das spielt aber alles nur eine untergeordnete Rolle solange seine Soll-Ist-Geschichte nicht anständig arbeitet. Das kann sie nur wenn sie eine moderate Verstärkung des Fehlers macht und die unvermeidbaren zeitlichen Verzögerungen mitberücksichtigt. Masseschleifen sollte der TO aber schon (er)kennen und um deren "Gemeinheiten" wissen. Es bringt nichts am Ausgangselko usw. rumzudoktern, Grund: Die Last kann hoch, niedrig, ohmisch, induktiv, kapazitiv ,schnell wechselnd sein. Die Regelschaltung muss das alles beherrschen. Das geht halt nur wenn ein gewisser Kompromiss zwischen Regelgenauigkeit und Schnelligkeit eingegangen wird. Was keinesfalls geht ist das was jetzt ist, 'leerlaufenden' OPs. (dabei würden es zwei Widerstände und grössere Kondensatoren, als die 22pF, möglicherweise richten) Kurt
Kurt B. schrieb: > Was keinesfalls geht ist das was jetzt ist, 'leerlaufenden' OPs. Ach Kurt, lass es einfach...
Kurt B. schrieb: > Es bringt nichts am Ausgangselko usw. rumzudoktern, Grund: > Die Last kann hoch, niedrig, ohmisch, induktiv, kapazitiv ,schnell > wechselnd sein. > Die Regelschaltung muss das alles beherrschen. Das macht ein gutes LNT bestimmt. Nur sind wir doch mal ehrlich. Wie viele besorgen sich ihr "LNT" heutzutage anstatt selberzubauen lieber via Amazone direkt beim Chinamann und sind anschließend stolz darauf, wenn das ganze Paket kaum mehr kostet als ein guter Ringkerntrafo von Sedlbauer? Werden diese China-Billig-Netzteile dem von dir formulierten Anspruch immer gerecht?
Tany schrieb: > Wer will, kann noch verbessern oder in die Tone schmeißen :-) Zeig die Simu mal mit 100-facher Zeitauflösung und Lastkondensatoren bis 10mF, 50mR sind auch ganz schön viel. Und die Lastanschaltung nicht mit so langsamen Flanken (1k und ein IRFP250).
MaWin schrieb: > Das Prinzip, schnarchlangsame Darlingtons mit einer Konstantstromquelle > durchzusteuern und ihr über einen Strom- und einen SpannungsreglerOpAmp > Ansteuerspannung wegzunehmen, schnellen Durchsteuern bei lethargischem > Ausgangselkoentladen über 10k, ist halt ungünstig. Ich habe auch solch eine Schaltung aufgebaut. Die TIP 142 wurden schneller als sie einen Widerstand über die B-E Stecke bekamen. Dadurch sperren sie schneller. Die Steigerung bestand im Wechsel der Transistoren. Ich habe dann BU806 verbaut, der einzige mir bekannte Darlington Schalttransistor. https://www.reichelt.de/BU-Transistoren/BU-806/3/index.html?ACTION=3&LA=446&ARTICLE=6044&GROUPID=2885&artnr=BU+806&SEARCH=bu806 Er ist recht schnell, kann aber auch Linear wie sich zeigte. Wie ich den LM324 Pi Regler abgestimmt habe weiß ich aktuell nicht. Ist schon eine Weile her.
Die Stromquelle für den Test muss man nicht per MOSFET aufbauen. Dafür hat Spice auch eine Ideale Stromquelle als Element. Mit der idealen Stromsenke als Last (im AC Modus) kann man sich auch gut die Ausgangsimpedanz ansehen, um zu sehen ob der Regler ggf. bei einer gewissen Kapazität instabil wird.
Tany schrieb: > So? Schon besser, aber wegen der 200mR gemogelt. Die Schaltung soll wohl nicht so schlecht aussehen?
Wie meinst du mit "schlecht". Und wie soll's besser werden? Das Laden und Entladen von 10mF mit 3A kostet Zeit.
Tany schrieb: > Das Laden und Entladen von 10mF mit 3A kostet Zeit. Bei den 200mR ESR geht es nicht um das Laden/Entladen des Lastkondensators. Mit einer fast ohmschen Last ist alles stabil.
Mal aus Laiensicht (u. Einräumung v. Schwächen d. Regelkonzepts): Könnte man denn nicht gerade beim Ausgangs-C "doch etwas weiterkommen"? Vielleicht, wenn man einige parallele unterschiedliche (Kapazität und/oder Art) Kondensatoren jeweils einzeln mit Serien-R (größenordnungsmäßig je C gerade in die Richtung, wie bei Tany) kombiniert - und damit sowohl höhere Bandbreite jener C-Kombination als auch positive Einflüsse auf die Stabilität bei allen Frequenzen zu erreichen? Oder ist das völliger Nonsens?
Alles Humbug schrieb: > Kurt B. schrieb: >> Es bringt nichts am Ausgangselko usw. rumzudoktern, Grund: >> Die Last kann hoch, niedrig, ohmisch, induktiv, kapazitiv ,schnell >> wechselnd sein. >> Die Regelschaltung muss das alles beherrschen. > > Das macht ein gutes LNT bestimmt. Nur sind wir doch mal ehrlich. Wie > viele besorgen sich ihr "LNT" heutzutage anstatt selberzubauen lieber > via Amazone direkt beim Chinamann und sind anschließend stolz darauf, > wenn das ganze Paket kaum mehr kostet als ein guter Ringkerntrafo von > Sedlbauer? Klaro, es geht ja hier darum zu verstehen wieso dieses NT schwingt. Selberbauen ist heutzutage bestimmt teurer als ein fertig gekauftes. Das was man dabei lernt kann aber unbezahlbar sein. > > Werden diese China-Billig-Netzteile dem von dir formulierten Anspruch > immer gerecht? Für das was ich sie verwende (als Versorgung für Schaltungen mit eigenem "78xx" usw.) und zur Fehlersuche reichen sie allemal. (ich hab eins stehen mit analogen Anzeigen für Strom und Spannung, die sagen das aus was mir am ehesten hilft) Kurt
Tany schrieb: > Ach jetzt verstehe ich was du mit "zu viel" ESR meinst. Ach Tany, jetzt ist die Zeitauflösung wieder sinnlos, sieht man doch an unteren Linie vom Trapez, die muss doch bis nach oben steigen. Und ich sagte auch nicht nur 10mF, sondern bis 10mF, z.B. dekadisch gestuft, mit passender Zeitauflösung. Aber egal, meinetwegen musst du das nicht machen, ich kenne diese Schaltungen.
@Arno ich versuche mal zu verstehen, wenn du mir mal hilfst....
Tany schrieb: > @Arno > ich versuche mal zu verstehen, wenn du mir mal hilfst.... Poste docb mal die ASC und LIB vom TIP142 und NE5532, dann musst du nicht jeden Wunscb machen, sondern jeder kann selber.
MaWin schrieb: > Poste docb mal die ASC und LIB vom TIP142 und NE5532, dann musst du > nicht jeden Wunscb machen, sondern jeder kann selber Gute Idee. Danke MaWin.
Tany schrieb: > Vielleicht meinst du so? Genau das meinte ich, da sieht man doch schon viel besser was da wirklich los ist. Tany schrieb: > in die Tone schmeißen Du sagst es.
ArnoR schrieb: >> in die Tone schmeißen > > Du sagst es. Danke für deine Meinung. was ist daran zu schlecht? und was soll besser werden?
Tany schrieb: > was ist daran zu schlecht? Nix. Wenn das NT so bei Felix funktionieren würde, hätte er überhaupt kein Problem bemerkt. Die Skala täuscht natürlich riesen Ausschläge vor. Mach die Skalierung mal so, dass der gesamte Spannungsbereich abgebildet wird (0 bis 15 V). Dann sieht die Welt schon anders aus. Außerdem hast du i.d.R. auch nicht immer diese max. hohe Belastung von 3 A. Damit ist der Spannungseinbruch dann nochmal deutlich geringer. Der Rest ist Einstellungssache. Verbessern kann man immer, z.B. mit schnelleren Transen (keine Darlington). Ob deine Simulation auch nur halbwegs der real aufgebauten Schaltung entspricht steht sowieso auf einem anderen Blatt. Wir wissen ja nicht wie Felix seine Schaltung aufgebaut hat. Soll wohl geheim bleiben. Die Chinakracher müssen außerdem erst mal besser sein. Wer an so eine einfache Schaltung überzogene Erwartungen hat, der möchte wohl auch, dass sein Baumarkt DMM mit einem Fluke 87 V gleichzieht.
Wenn ich noch bißchen optimieren dürfte (ESR=1 mOhm, schnellerer OPs) sieht's schon "bißchen" besser aus.
Tany schrieb: > was ist daran zu schlecht? und was soll besser werden? Ich habe die Meinung von ArnoR sehr geschätzt, finde ich allerdings gerade jetzt nicht besonders konstruktiv, die Schaltung schlecht zu verurteilen ohne uns näher zu erläutern. Ist mir jetzt auch egal, finde trotzdem sehr Schade.
Tany schrieb: > Ich habe die Meinung von ArnoR sehr geschätzt, finde ich allerdings > gerade jetzt nicht besonders konstruktiv, die Schaltung schlecht zu > verurteilen ohne uns näher zu erläutern. > Ist mir jetzt auch egal, finde trotzdem sehr Schade. Die Begründung hab ich doch schon so oft in etlichen Threads gegeben, du warst meist auch dabei, und man sieht es doch schön in dem genannten Bild. Dieses Schaltungsprinzip, egal ob mit schwimmendem Regler oder nicht, kann gar nicht bei allen vorkommenden Lasten stabil und gleichzeitig brauchbar schnell sein. Meinst du vielleicht, dass eine etwas veränderte Dimensionierung was am grundsätzlichen Verhalten ändert?
Vielleicht noch ein Wort zur Klarstellung. Mit "stabil" im Sinne eines Labornetzteils meine ich nicht, dass es unter bestimmten Bedingungen nicht von allein oder durch Anregung losschwingt, aber, wie oben zu sehen, mehr oder weniger große Überschwinger oder abklingende Schwingungen zeigen darf, sondern, dass es unter allen Bedingungen überhaupt keine Überschwinger macht. Es soll sich wie eine ideale Quelle verhalten.
ArnoR schrieb: > Vielleicht noch ein Wort zur Klarstellung. >...es unter allen Bedingungen überhaupt keine Überschwinger macht. Es soll > sich wie eine ideale Quelle verhalten. Habe ich was verpasst? Ich würde mich sehr freuen, wenn du mir solche Schaltung oder mal das Prinzip zeigst. Links oder Literatur dazu freue mich besonders. möchte auch mal was lernen/probieren. :-) Bis jetzt habe ich solche noch nicht gesehen, mit oder ohne Strombegrenzung. Vielen Dank im Voraus.
Tany schrieb: > ohne uns näher zu erläutern Wie oft denn noch ? Labornetztrile wurden im Thread Beitrag "Labornetzgerät - Fragen zum Schaltplan"? rauf und runter besprochen. ArnoR schrieb: > Mit "stabil" im Sinne eines Labornetzteils meint man Spannungsstabilität, daher platziert man einen Elko an den Ausgang. Mit Labornetzteil meint man aber ein Ding, das sowohl in Spannungsbegrenzung als Spannungsquelle als auch in Strombegrenzung als Stromquelle verwendet werden kann. Eine Stromquelle bräuchte zur Stsbilisierung am Ausgang eine Drosselspule. Ein Emitterfolger
1 | +------+ |
2 | | | |
3 | VRef---|< NPN | |
4 | | |E VSupply |
5 | | Last | |
6 | | | | |
7 | +------+------+ |
ist spannungsstabil, d.h. ändert sich die Last sinkt die Spannung ohne dass überhaupt gerrgelt wird nur um Millivolt ab und es wird sofort mehr Strom geliefert. Der Regler muss nur die Millivolt ausregeln. Die Schaltung hier
1 | +------+ |
2 | | | |
3 | VRef--|< NPN | |
4 | | |E | |
5 | +----+ VSupply |
6 | | | |
7 | Last | |
8 | | | |
9 | +------+ |
ist aber eine Stromquelle: Steigt hier die Last bleibt der Strom nahezu gleich, die Spannung sackt aber ab. Hier muss schon geregelt werden um die gewünschte Spannungsstabilität zu bekommen und weil das Nachregeln dauert, muss ein grosser Elko hin womit man sich die Stromquellencharacteristik ganz verdirbt und den Strom regeln muss was sie NOCH langsamer macht. Daher taugen diese HP ähnlichen floating Regler als Labornetzgerät eher wenig. Sie habe gar jeine intrinsisch stabile Betriebsart, sondern müssen immer nachregeln und das macht sie langsam und es gibt immer Lasten bei denen sie zu schwingen anfangen. Wenn dann nocb wie beim ELV Teil langsame Darlingtons, fehlende Konstantstromlast, hohe Schleifenverstärkung, OpAmps am Anschlag, dazu kommt, hat man alle Probleme auf ein Mal, und wirft einen Haufen Kondensatoren und Spulen ein, um es überhaupt schon bei resistiven Lasten stabil zu bekommen.
Was haltet ihr denn von diesem Schaltplan? Ist so eine Topologie besser als LNG geeignet? (Quelle: http://www.joretronik.de/Web_NT_Buch/Kap3/Kapitel3_2.html#3.2.7)
Beitrag #5290927 wurde von einem Moderator gelöscht.
Beitrag #5290932 wurde von einem Moderator gelöscht.
Danke MaWin. Die von dir gemalte Prinzipien brauchst du mir nicht zu erklären, danach habe ich auch nicht gefragt. Ich beherrsche die gut, sowohl auf dem Papier als auch in der Praxis. Ich interessiere mich nur, wie eine ideale Quelle (ohne Schwingungen) in der Praxis realisiert wird. 100% wird man wohl nicht hinbekommen, insofern ist die Frage: Wo ist die Grenze? Welche Art und in welcher Höhe sind Schwingungen bei "idealer" Quelle erlaubt. Bezüglich der Geschwindigkeit: für einen ist 10 µS sau schnell, für anderen ne halbe Ewigkeit und hier ist die Frage: Wo ist die Grenze oder Mitellmaß? MaWin schrieb: > Daher taugen diese HP ähnlichen floating Regler als Labornetzgerät eher > wenig Das mag sein, das Konzept in > Beitrag "Labornetzgerät - Fragen zum Schaltplan"? gebautes Labornetzteil ist auch nicht besser, wenn das nicht schlechter ist. Was bleibt uns noch übrig? MaWin schrieb: > Sie habe gar jeine intrinsisch stabile Betriebsart, sondern müssen immer > nachregeln und das macht sie langsam und es gibt immer Lasten bei denen > sie zu schwingen anfangen. Es ist gut, MaWin.
KBR schrieb: > Was haltet ihr denn von diesem Schaltplan? Auch der wurde schon besprochen und kann nur als Prinzipschaltbild gelten. MOSFETs ohne Stromverteilungswiderstände parallel schalten geht gar nicht, die hohe über 1k umgeladene Gate-Kapazität macht die Regelung langsam, zudem ist es natürlich die inhärent instabile Stromquellenschaltung. juergen schrieb im Beitrag #5290927: > Die dort maßgebenden Theoretiker sind inzwischen abgetaucht. > Lassen sich nicht mehr blicken. Dafür taucht Dummschwätzer juergen wieder auf juergen schrieb im Beitrag #5290927: > Leute mit praktischen Erfahrungen im Konstanterbau (dazu zähle ich mich)
Beitrag #5290955 wurde von einem Moderator gelöscht.
MaWin schrieb: > Daher taugen diese HP ähnlichen floating Regler als Labornetzgerät eher > wenig. Vielleicht ist dieses floating Regler Konzept nur einfach in der Praxis gut genug:-) Sonst würde sich HP auch vom Konzept mittlerweile abgewandt haben. Auf DSP beruhende LNGs sind auch (noch) nicht im Main Stream, wenn überhaupt. Viele der SNT NT haben auch ihre Probleme mit großen Ausgangskapazitäten und Schaltartefakten und sind eher besser geeignet zur Versorgung von fertigen Baugruppen anstatt minimalistischen Laboraufbauten. Am Konzept hat sich bei HP seit 1960 nichts mehr geändert. Nur die digitale Steuerung hat sich unserer Zeit angepasst. Vielleicht ist man nur zu pessimistisch weil die Praxis nicht unbedingt die Bedenken praktisch bestätigt. Wie immer im Leben ist alles ein "Trade Off". Neben Nachteilen gibt es bei diesen Konzept auch viele Vorteile wie z.B. keine prinzipielle maximale Spannung. Auch Fernsteuerung, Parallelschaltung, Tracking ist alles leicht zu beherrschen. Auch Widerstandsprogrammierung. Halt alle Gesichtspunkte die in der APP Note 90 beschrieben werden. Man muss doch annehmen, dass HP eine gewisse Erfahrung in der Konzeption von LNGs hat. Die o.g. Probleme konnte ich in meiner langjährigen Praxis nicht nachvollziehen. Ein HP LNG lässt doch in der normalen Laborpraxis (für mich) wirklich keine Wünsche offen. Neben dem E3611A habe ich das FS12/73 seit 1973 im Betrieb. Hat nie Mucken gemacht; es funktioniert einfach. Das LNG30 hat sich jetzt auch schon einige Jahre bewährt. Das Anatek funktioniert ähnlich gut. Mit keiner kapazitiven Last habe ich bisher irgendeines dieser Netzteile zum Schwingen gebracht. Sie sind alle stabil. Das Ein- und Ausschwingverhalten ist wie belegt einander sehr ähnlich. Auch das BG NT ist nach einigen kleineren Modifizierungen sehr brauchbar. Wie viel ist dann also diese LNG Perfektion in der Praxis wert und wie definiert man diese LNG Perfektion? Tut mir leid wenn ich einigen von Euch damit (wieder) mal vor den Kopf stoße. Wir machen hier Threads mit endlosen tausenden Beitragen und diskutieren heiß darüber. Und wie wenig praktisch Brauchbares außer den BG Verbesserungen ist dabei allgemein herausgekommen. Man müsste meinen einige der in der freien Wildbahn vorkommenden Designs könnte ein De-Facto Standard sein den auch Anfänger bedenkenlos nachbauen könnten. Vielleicht wäre es an der Zeit einige brauchbare traditionelle Designs als nachbauwuerdig zu designieren und dokumentieren. Das Banggood Design ist bezüglich der Kosten und Leistung bisher das einzige dankbares Einsteigprojekt. Mit den von Lurchi und anderen vorgeschlagenen Verbesserungen funktioniert es innerhalb gewisser Grenzen sogar sehr gut.
Beitrag #5290962 wurde von einem Moderator gelöscht.
Beitrag #5290966 wurde von einem Moderator gelöscht.
Beitrag #5290999 wurde von einem Moderator gelöscht.
MaWin schrieb: > ArnoR schrieb: >> Mit "stabil" im Sinne eines Labornetzteils > > meint man Spannungsstabilität, daher platziert man einen Elko an den > Ausgang. > > Mit Labornetzteil meint man aber ein Ding, das sowohl in > Spannungsbegrenzung als Spannungsquelle als auch in Strombegrenzung als > Stromquelle verwendet werden kann. Da reden wir wohl von unterschiedlichen Dingen. Die Stabilität, die ich oben meinte, ist die dynamische Stabilität, also die Sicherheit gegen (Über-) Schwingen, nicht die (quasi-) statische (Regel-) Stabilität.
Beitrag #5291010 wurde von einem Moderator gelöscht.
Tany schrieb: > Ich interessiere mich nur, wie eine ideale Quelle (ohne Schwingungen) in > der Praxis realisiert wird. 100% wird man wohl nicht hinbekommen Doch, aber nicht ohne dafür an anderer Stelle zu bezahlen. Man muss dazu bestimmte technische Forderungen aufgeben, die aber die meisten Leute nicht aufgeben wollen. Schau dir doch die ganzen Threads zu Netzteilen an. Die Leute wollen Ausreglungen im µV- oder µA-Bereich aber die dynamische Stabilität ist weitgehend egal. Wenn das Ding irgendwo mal nicht von selbst schwingt, sind die schon zufrieden. Da sind dann auch große Ausgangskondensatoren und langsame Ausregelzeiten plötzlich kein Problem mehr. Gerhard O. schrieb: > Die o.g. Probleme konnte ich in meiner langjährigen Praxis nicht > nachvollziehen. Ein HP LNG lässt doch in der normalen Laborpraxis (für > mich) wirklich keine Wünsche offen. Mag sein, aber für welchen Preis? Haben die nur 1µF oder weniger Ausgangskapazität und regeln die in 1µs jeden Lastsprung ohne Überschwingen aus? Sicher nicht. Ich sag ja nicht, dass man die hier immer wieder diskutierten Schaltungen nicht in bestimmten Grenzen stabil bekommt, ich sag nur, man muss dafür gewisse Nachteile in Kauf nehmen. Gerhard O. schrieb: > Wie viel ist dann also diese LNG Perfektion in der Praxis wert Kommt auf die eigenen Forderungen und die eigene Leidensfähigkeit an.
ArnoR schrieb: > Vielleicht noch ein Wort zur Klarstellung. > > Mit "stabil" im Sinne eines Labornetzteils meine ich .. dass > es unter allen Bedingungen überhaupt keine Überschwinger macht. Es soll > sich wie eine ideale Quelle verhalten. Ein LNT das KEINE Überschwinger produziert (überhaupt keine, bei keiner erdenklichen Lastsituation) wird es real nur nicht geben. Die Chinamann-LNT werden dir dein Wunschkonzert auch nicht liefern und auch kein Gossen-Konstanter. Insofern ist diese Aussage soviel wert wie: "Mein Werkzeug soll sich wie ideales Werkzeug verhalten, nämlich Perfekt funktionieren und überhaupt keinen Verschleiß aufweisen".
ArnoR schrieb: > Schau dir doch die ganzen Threads zu Netzteilen an. Die Leute wollen > Ausreglungen im µV- oder µA-Bereich aber die dynamische Stabilität ist > weitgehend egal. Wenn das Ding irgendwo mal nicht von selbst schwingt, > sind die schon zufrieden. Da sind dann auch große Ausgangskondensatoren > und langsame Ausregelzeiten plötzlich kein Problem mehr. Was die Leute da vorstellen und wollen, ist mir eigentlich egal. In der Threads zu Netzteils waren meistens Halbwissen dabei, die melden gerne nur nach dem Motto: "ah ich weiß was", sonst nichts. Es gibt aber einige davon, derer Meinung ich sehr schätze. Ich muß aber nicht in gleicher Meinung haben. Ich bin kein FAN von solcher utopischen Anforderungen, eben so von einer nur mit großem Aufwand realisierbarer idealer Quelle. Wenn in deiner Trickkiste ein geeigneter besserer Weg gibt, würde ich mich natürlich sehr darüber freuen.
Gerhard O. schrieb: > Tut mir leid wenn ich einigen von Euch damit (wieder) mal vor den Kopf > stoße. Wir machen hier Threads mit endlosen tausenden Beitragen und > diskutieren heiß darüber. Und wie wenig praktisch Brauchbares außer den > BG Verbesserungen ist dabei allgemein herausgekommen. Du hast es auf den Punkt gebracht. Die Perfektionisten hier haben all samt schon vergessen warum der Thread überhaupt eröffnet wurde. Da ging es nämlich nicht um Überschwinger im 300 mV Bereich, sondern darum, dass das NT überhaupt nicht funktionierte. Das ließe sich reparieren, wenn nur alle wollten. Anstatt hier übers Schaltungsprinzip abzulästern, wäre es viel sinnvoller gewesen sich des Aufbaus einmal anzunehmen. Leider hat der TE anscheinend kein Interesse daran diesen hier vorzuzeigen. Das macht es unmöglich hier weiterzuhelfen. Schade, aber auch mal wieder typisch für dieses Forum hier. Es kommt halt nix bei rum außer Unterhaltung für gewisse Spezies.
Beitrag #5291109 wurde von einem Moderator gelöscht.
So schlecht ist das Konzept mit dem LDO nicht, sofern der Abgleich ordentlich gemacht ist. Ganz ohne überschwinger bei jeder Last geht nicht, einfach weil man vom sehr kleinen DC Ausgangswiderstand zum zwangsweise höheren Ausgangswiderstand bei hohen Frequenzen nur kommt mit einem induktiven Verhalten im Übergangsbereich. Bei einer wirklich schnellen Auslegung könnte man auch mit einer kleinen Ausgangskapazität auskommen - irgendwann muss man dann aber auch auf Dinge wie parasitäre Induktivitäten usw. achten. Gerade für einen Aufbau ohne Oszilloskop für einen vernünftigen Test ist das nichts. Bei der Kapazität am Ausgang hilft für die Stabilität vor allem eine Kapazität mit etwas ESR. Eine Kapazität mit zu wenig ESR fördert nur die Überschwinger für den Fall größerer Kapazität. Immerhin wird die ganz schnelle Reaktion besser. Eine Kapazität mit viel ESR (etwa über ca. 1-10 Ohm) macht nur die Regelung langsamer, ohne zu helfen. Es macht schon einen gewissen Sinn da mehr als einen Kondensator am Ausgang zu haben. Etwa 0.1 - 1 µF mit sehr wenig ESR um ganz schnellen Spannungsänderungen entgegen zu wirken, die der Regler nicht ausgleichen kann. Zusätzlich hilft das ggf. gegen HF Störungen. Dazu dann eine Elko mit ESR so im Bereich 0.2-1 Ohm als Dämpfung und Ergänzung der Regelung, so im Bereich einiger 10 kHz. Was da genau passt hängt vom Regler ab. So mit grob 100 µF würde ich schon rechnen. Mit den doch schon relativ vielen Teilen für den Frequenzgang ist die Auslegung nicht so einfach. Heute hilft einem da schon die Simulation etwas weiter, um auch ggf. ohne Messung eine brauchbare Lösung zu finden. Rein aus dem Bauchgefühl geht die Auslegung aber eher nicht. Wenn man es zu schnell will, stören dann parasitäre Effekte - d.h. da müsste man nachmessen. Für die Simulationen im Vergleich sollte man den einen Kondensator mit ESR als Teil des Reglers betrachten und dran lassen, wenn man etwa eine größere Kapazitive Last simuliert. Bei der externen Kapazität darf man dann auch sehr kleine ESR Werte nehmen, denn die sind die kritischen. Viel Kapazität mir ESR macht den Regler langsam und man sieht kaum noch einen Einfluss des Reglers, egal wie der Aussieht. So etwas wie 10 mF mit 200 mOhm braucht man eher nicht zu simulieren - das sieht fast immer gleich aus. Kritische Fälle wäre eher 1 mF mit 1 mOhm - wobei hier die Frage ist ob man so etwas real überhaupt bekommt.
ArnoR schrieb: > Gerhard O. schrieb: >> Die o.g. Probleme konnte ich in meiner langjährigen Praxis nicht >> nachvollziehen. Ein HP LNG lässt doch in der normalen Laborpraxis (für >> mich) wirklich keine Wünsche offen. > > Mag sein, aber für welchen Preis? Haben die nur 1µF oder weniger > Ausgangskapazität und regeln die in 1µs jeden Lastsprung ohne > Überschwingen aus? Sicher nicht. Ich sag ja nicht, dass man die hier > immer wieder diskutierten Schaltungen nicht in bestimmten Grenzen stabil > bekommt, ich sag nur, man muss dafür gewisse Nachteile in Kauf nehmen. > Die Frage besteht dann möglicherweise darin welche Leistungsmerkmale sind dann für ein LNG vernünftig? Alle Qualitäts-LNG Daten die mir bisher bis auf sehr wenige Exoten untergekommen sind, haben ähnliche wie in HP APP Note 90 beschriebene Merkmale und Daten und müssen konsequenterweise als Industriestandard verstanden werden. Dass dedizierte Spannungsregler mit 1uF und 1us dann möglich sind, ist klar und Du hast ja auf dem Gebiet sehr viel unbestrittene Erfahrung und kennst die Grenzen der Möglichkeiten. Man braucht ja auch nur die Datenblätter der Hersteller zu studieren um zu wissen was möglich ist. Also nimm das bitte nicht als persönlichen Angriff. Labornetzgeräte sind dann meiner Ansicht nach eben voller praktischer Kompromisse um den Zweck für 90% aller Anwendungen mehr oder weniger gut zu erfüllen. Wenn es so leicht wäre, dieselben Spannungsregler Leistungsmerkmale auf LNGs zu übertragen würden es die Hersteller bestimmt tun um endlich etwas besseres auf den Markt zu bringen. Sie tun es aber nicht. Auch das letzte Keysight, R&S LNG Produkt hat nur mittelmäßige analog Merkmale. Da spricht sicherlich für sich. > Gerhard O. schrieb: >> Wie viel ist dann also diese LNG Perfektion in der Praxis wert > > Kommt auf die eigenen Forderungen und die eigene Leidensfähigkeit an. Naja, ich bin halt mit Industrie Anforderungen ziemlich zufrieden und bekenne mich hiermit öffentlich meiner Mittelmäßigkeit:-) Gerhard
Alles Humbug schrieb: > Die Perfektionisten hier haben all > samt schon vergessen warum der Thread überhaupt eröffnet wurde. Da ging > es nämlich nicht um Überschwinger im 300 mV Bereich, sondern darum, dass > das NT überhaupt nicht funktionierte. Das ließe sich reparieren, wenn > nur alle wollten. Anstatt hier übers Schaltungsprinzip abzulästern, wäre > es viel sinnvoller gewesen sich des Aufbaus einmal anzunehmen. Leider > hat der TE anscheinend kein Interesse daran diesen hier vorzuzeigen. Das > macht es unmöglich hier weiterzuhelfen. Ich lese noch gespannt mit, habe aber zwischenzeitlich mitbekommen das das Layout so eines Linearen Reglers (vorallen kurze Leitungen an kritischen Stellen) auch sehr wichtig ist (Ich dachte das wäre nur der Fall bei SMPS). Leider habe ich das Layout so verhauen, da ich das Netzteil einfach zu reparieren und leicht mit zusätzlichen C's bauen wollte, das ich ich dieses LNG quasi aufgegeben habe. (Habe ich weiter oben glaube ich schon geschrieben) Gerhard O. schrieb im Beitrag #5291109: > Zumindest ist ein praxisgerechtes Design beleuchtet worden. Als Anfänger > Netzteil ist das BG Kit innerhalb eines vernünftigen Spannungs- und > Strombereichs eine brauchbares dokumentiertes Konzept. Kann jemand die "Banggood Kit" Diskusion verlinken? Hört sich interresant an. Gibt es nicht so etwas wie ein "Go to" Anfänger Schaltplan für ein gutes LNG? "Gut" wird hier ja unterschiedlich definiert, es kann ja mal jeder seinen Vorschalg abgeben :) Vielen Dank an alle :)
juergen schrieb im Beitrag #5290927:
> Nein! Dort wurde ausschließlich hochwissenschaftlich geforscht.
Das ist doch völliger Quatsch. Die haben "ganz normal entwickelt". Da
bin sogar ich als ahnungsloser Dummi, als fachlicher Total-Außenseiter,
völlig überzeugt. Alles ging Zug um Zug vorwärts, in der Logik offen
nachvollziehbar. Und es entstand ein gutes Design für wenig Geld.
(Oder spielst Du schon wieder auf Simulationen an? Ey, das nervt nur.
Simus sind ein funktionierendes Werkzeug - solange man die
Einschränkungen kennt. Und Dein (Nach-)Bau Deines funktionierenden LNGs
hebt Dich in keine "ultimativen, jeder Simu überlegenen
Praktiker-Sphären".
Komm also bitte runter von Deiner imaginären Hoch-Stellung. Dir scheint
gar nicht bewußt zu sein... nein, Du scheinst es ja nicht einmal für
möglich zu halten --- daß unzählige andere User auch schon LNGs und
anderes gebaut haben, jedoch sowohl a.) damit in keinster Weise so
"angeben", als auch b.) zum Teil häufig ständig Simulationen nutzen.
Deutlichst: Daß Du nichts mit Simulationen anfangen kannst, schließt
deren Nutzen für (und zwar viele) andere nicht aus!
Solltest Du aber Kritik an der Verständlichkeit für Anfänger üben:
Okay... Anfänglich stand dort im Thread ein komplettes LNG-Wiki o. ä.
zur Diskussion. Also einschließlich einer Zusammenstellung aller
relevanten Grundlagen zum Verständnis der Regelung auch für Anfänger
(#), um gerade dadurch schon die darin enthaltenen Schaltungsteile
verstehen zu können.
((#): Also nicht "von NULL ---> zu LNG" - das wäre zu viel verlangt.
Sondern eher "von URI, Grundfunktionen diskreter Halbleiter und passiver
BE ---> hin zu Verständnis, was genau welche Schaltgruppe macht, und
auch dahin, zu lernen, wie sich z.B. eine beliebige BE-Wertänderung
auswirkt, ... etc.".)
Gewisse Grundlagen sind schon nötig, um die durchgeführten
Modifikationen, und auch die beistehenden (so ist das zum Glück bei
einer "gemeinsamen Entwicklung") Schritt für Schritt entstandenen und
dokumentierten Ergebnisse von Einzel-und Teamwork der fleißigen
Entwickler überhaupt nachvollziehen zu können.
Ich bin sicher, daß man jene Lücken woanders füllen könnte. Wobei ich
aber nicht wüßte, wo genau man einen leichten Einstieg in exakt das
fehlende Wissen dazu fände - also "2 * OPV ---> U+I Regelung für
Dummies" oder so ähnlich, und dann dasselbe noch mal mit diversen
Modifikationen etc.
Aus dieser Sicht betrachtet wären bei manchen Beiträgen im LNG-Thread da
und dort einige Zeilen mehr wohl für die Entwickler einfacher zu
schreiben gewesen, als sich so eine Suche / Recherche (und dann auch
"das kapieren" und/ oder die "geistige Verschmelzung beider Quellen")
für einen Rookie gestalten kann.
Tatsächlich denke ich nicht, es fehle die Vorstellung davon, wie
schwierig es für (sogar motivierte) Anfänger sein kann, komplexere
Schaltungen zu begreifen. Eher halte ich für ursächlich, daß im Thread
LNG-Entwicklung, und nicht "Analog-Unterricht", der treibende Faktor war
und ist.
Und natürlich, ganz offensichtlich, war das Ganze auch so schon genug
Arbeit - völlig klar. Die höchstens, wenn überhaupt, mit "einem feuchten
Händedruck" vergolten wird.
Also die Forderung nach "sichere, zuverlässige Bauvorlage - Funktion
garantiert" ist vollständig erfüllt - kein Zweifel. Auch die nach
"diverse weitere Verbesserungen + Frontplatten-Serviervorschläge", etc.
Jedoch:
"Perfekter Einstieg in ein neues Hobby: Solides LNG als (erster)
Eigenbau, als Lernprojekt und gleich noch Versorgung künftiger Projekte
- nötige Grundlagen, detaillierte Entwicklung und Funktion"...
...ist in Hinsicht auf den eigentlichen Kern des LNG, die
Regelschaltung, für absolute Anfänger so erst nach etwas Vorarbeit
möglich.
Sonst aber kannst Du daran nichts kritisieren, juergen. Nicht aus für
jeden sofort verständlicher Logik heraus.
Solltest Du also zutreffende Beanstandungen machen können,
konstruktive, hilfreiche Kritik üben können: Los.
Felix schrieb: > Kann jemand die "Banggood Kit" Diskusion verlinken? Hört sich > interresant an. Ja, das ist sie. ;-) Also, gerne: Beitrag "Labornetzgerät - Fragen zum Schaltplan"
Felix schrieb: > Kann jemand die "Banggood Kit" Diskusion verlinken? Hört sich > interresant an. Felix, das ist ein Link in die Mitte des anderen aktiven NT Threads. Ab diesem Zeitpunkt und Link konzentriert sich der Thread auf die Eigenschaften und mögliche Verbesserungen die durch Messungen von mir belegt wurden. Zahlreiche Schalt und Verdrahtungspläne belegen die Details der Originalschaltung und ihrer kleinen Verbesserungen. Das war ein großangelegter Team Effort und hat meiner Meinung nach einen praktischen Charakter. Den NT Kit gibt es bei BG für ein paar Euro. Ich würde nur vorschlagen den Q1 2SD1047 durch einen mit bekannten Stammbaum und Hersteller zu ersetzen weil es sich noch nicht herausgestellt hat inwiefern die Daten mit dem Original übereinstimmen. Ein minderwertiger (Ausland) Klone könnte möglicherweise bei Überlastung Legieren und die volle Spannung auf den Ausgang bringen. Da verlasse ich mich lieber auf Originalteile. Beitrag "Re: Labornetzgerät - Fragen zum Schaltplan" So, lese Dir, was Dich interessiert durch, und dann kannst Du Dir selber eine Meinung bilden. In den nächsten paar Wochen möchte ich das BG NT selber praktisch aufbauen. Bis jetzt ist es nur im fliegenden Laboraufbau in Betrieb gewesen und funktioniert mit den Verbesserungen ausgezeichnet. Das Original Kit funktionierte nach dem Aufbau auf Anhieb ohne irgendwelche Änderungen. Gerhard
Gerhard O. schrieb: > In den nächsten paar Wochen möchte ich das BG NT selber praktisch > aufbauen. Bis jetzt ist es nur im fliegenden Laboraufbau in Betrieb > gewesen und funktioniert mit den Verbesserungen ausgezeichnet. > > Das Original Kit funktionierte nach dem Aufbau auf Anhieb ohne > irgendwelche Änderungen Häh ? Das Originalkit (Stache ? SmartKit ? HiLine ?) hast du also gebaut und es funktioniert. Wie denn, bei zu hoher Betriebsspannung an den OpAmps, nur 1 statt 2 Leistungstransistoren und wie macht es 3A Ausgangsstrom bei 30V wenn es nur einen 30V~/3A oder gar 24V~/3A Trafo vorsieht ? Warum wartest du auf das BG Kit wenn du es doch schon aufgebaut hast ? Oder hast du doch nicht das Originalkit aufgebaut, sondern auf dem Steckbrett eine modifizierte Schaltung, vielleicht mit 24V~/4.2A Trafo, parallelgeschalteten Leistungstransis auf ausreichrndem Kühlkörper und bist zufrieden mit 24V= Ausgangsspannung ? Dein Beitrag hinterlässt Rätsel über Rätsel.
Felix schrieb: > Kann jemand die "Banggood Kit" Diskusion verlinken? Auch: http://electronics-lab.com/community/index.php?/topic/40835-0-30v-0-3a-latest-data/ http://electronics-lab.com/community/index.php?/topic/29563-0-30v-stabilized-power-supply/ https://www.eevblog.com/forum/beginners/bangood-psu-enhancements/ http://www.dse-faq.elektronik-kompendium.de/dse-faq.htm#F.9.1
MaWin schrieb: > dein Beitrag hinterlässt Rätsel Ojeh, das hört sich ja schlimm an. Ich war der Meinung alle pertinenten Punkte wurden im Nachbar Thread schon detailliert behandelt. Damals baute ich das bestellte BG Kit (schon mit Leiterplatte) als fliegenden Aufbau auf dem Tisch (also nicht als fertiges Gerät) auf um leichter die Verbesserungen durchführen zu können und die Messungen. Wie man im anderen Thread verfolgen konnte wurde ja viel erreicht und mit Messungen belegt, so daß jetzt einem richtigen Aufbau nichts im Weg steht. Jetzt will ich die Baugruppe als Kompaktgerät fertig aufbauen. Ich war mir nur noch nicht über das Frontplatten Layout klar. Je nach Arbeitsauslastung wird das noch einige Zeit dauern weil ja auch noch andere Dinge ihren Zoll fordern... Jedenfalls ist das BG Kit Design fertig für einen permanenten Aufbau. Oh ja, Du fragtest nach den Belastungsangaben. Meine Version ist in Anbetracht des vorgesehenen Dual LCD Panel Meter für 0-20V und maximal 2A ausgelegt wie man den gezeigten Frontplatten Entwürfen entnehmen kann. Also ganz im sicheren Bereich. Trafo ist ein kleiner Toroid Typ mit 2x12V und 2A. Wicklungsumschaltung ist vorgesehen. Die Betriebspannung der OPVs wird zusätzlich mit einer Z-Diode auf einen sicheren Wert begrenzt um Netzüberspannungen entgegenzutreten. Für höhere Spannungen habe ich ja schon andere Geräte. Diese Version ist lediglich ein Vorläufer für das geplante Dreifach NT mit Tracking und zum Experimentieren gedacht. Ich hoffe, das bringt etwas Erleuchtung ins dunkle Bild meiner Projekte:-)
Gerhard O. schrieb: > Meine Version ist in > Anbetracht des vorgesehenen Dual LCD Panel Meter für 0-20V und maximal > 2A ausgelegt wie man den gezeigten Frontplatten Entwürfen entnehmen > kann. Also ganz im sicheren Bereich. Trafo ist ein kleiner Toroid Typ > mit 2x12V und 2A. Wie willst du aus 2A Trafostrom denn 2A Ausgangsstrom machen ? Mindestens 3.2A~ wird man brauchen.
Michael B. schrieb: > Wie willst du aus 2A Trafostrom denn 2A Ausgangsstrom machen ? > Mindestens 3.2A~ wird man brauchen. Das könnte hinkommen. Doch es gibt immer noch 2 Möglichkeiten: Entweder tippte Gerhard 'n typo, korrekt wär' "1,2A" (verblüffend nahe an dem von Dir propagierten Faktor - sogar leicht konservativer), oder aber "maximal" war schlicht mit stark untertriebener Akkuratesse behaftet... GN8
Michael B. schrieb: > Gerhard O. schrieb: >> Meine Version ist in >> Anbetracht des vorgesehenen Dual LCD Panel Meter für 0-20V und maximal >> 2A ausgelegt wie man den gezeigten Frontplatten Entwürfen entnehmen >> kann. Also ganz im sicheren Bereich. Trafo ist ein kleiner Toroid Typ >> mit 2x12V und 2A. > > Wie willst du aus 2A Trafostrom denn 2A Ausgangsstrom machen ? > Mindestens 3.2A~ wird man brauchen. In der Praxis hält der Trafo das im intermitterendem Betrieb schon aus, obwohl der Sekundärstrom natürlich für rund 60% der Zeit beim BG stärker belastet ist. Nur bei voller Ausgangsspannung und Strom für lange Zeit müßte man thermisch aufpassen. Da die Wicklungen parallel/seriell geschaltet werden ist das nur im Serienbetrieb ein zu berücksichtigender Faktor. Bei 20VDC dürften 1.5A+ Belastung noch drin sein. Abgesehen davon könnte man noch einen Thermoschalter auf der Wicklungsaussenseite für den Trafo vorsehen. Beim Ringkerntrafo kann man sich im Vergleich mit einen herkömmlichen Trafo wegen des hohen Wirkungsgrads schon einiges erlauben. Der vorhandene 50VA Ringkerntrafo hat 95% Wirkungsgrad im Vergleich zu 83% für einem vergleichbaren M85. (Plitron 02A012201) https://www.plitron.com/transformers/ Für mich selber kann ich damit leben weil mir diese Dinge bekannt sind und das NT nicht tagelang mit Volleistung belasten würde. Das ist eben der Unterschied zwischen einem Hobby Projekt und einem kommerziellem Produkt Design. Solange der interne Trafo Temperatur Anstieg innerhalb erlaubter Grenzen bleibt ist die Sache für mich erledigt. In diesem Fall möchte ich einfach diesen Trafo verwenden weil ich ihn schon habe und das NT nur als Versuchsgerät vorgesehen ist. Hinsichtlich der Strombelastung des Trafos wäre ein Vollweggleichrichter mit einem ieff Verhältnis zum DC-Ausgangsstrom mit 1.1 eigentlich günstiger als die Brückengleichrichterschaltung mit 1.57 bei C-Belastung.
Gerhard O. schrieb: > Für mich selber kann ich damit leben weil mir diese Dinge bekannt sind > und das NT nicht tagelang mit Volleistung belasten würde Warum nicht? Bei voller Belastung ist der Trafo warm, man muß nur die Wärme abführen und gut ist. Die Angsthase rechnen immer mit einem Faktor 1,4 nur um den Trafo "kühl" zu halten.
Tany schrieb: > Gerhard O. schrieb: > Warum nicht? > Bei voller Belastung ist der Trafo warm, man muß nur die Wärme abführen > und gut ist. Tja, aber da sind die Grenzen eng gesteckt. Oder kurz: So einfach wie Du es aussprichst, geht es nicht. > Die Angsthase rechnen immer mit einem Faktor 1,4 nur um den Trafo "kühl" > zu halten. Kreuze an: [ ] Ich trolle [ ] Ich war besoffen, als ich die obige Aussage schrieb [ ] Ich bin total Ahnungsfrei
Tany schrieb: > Warum nicht? > Bei voller Belastung ist der Trafo warm, man muß nur die Wärme abführen > und gut ist. > Die Angsthase rechnen immer mit einem Faktor 1,4 nur um den Trafo "kühl" > zu halten Könnten die Kinder wenigstens bei ihren wünsch-mir-was Festen die physikalischen Grundlagen beachten ? Wenn aus dem 48VA 24V~ 2A~ Trafo nach Gleichrichtung und Siebung 24*1.414=34V werden dürfte klar sein dass man keine 2A= mehr ziehen kann, das wären 68 Watt und eine wundetsame Vermehrung der Leistung die ein oerfektes Perpetuum Mobile ergeben würde. NATÜRLICH sackt der Gleichstrom zumindest auf 2/1.424=1.4A. Dass sogar noch weniger berechnet wird, eher 2/1.57=1.2A hat nichts mit Angst der Rechnenden zu tun sondern dem Wissen dass impulsförmige Stromaufnahme "1/10 der Zeit den 10-fachen Strom, dazwischen nichts" zu mehr Verlusten am Draht führt als 1Arms. Trafos zu überlasten ist doof, sie werden heiss und die Isolation schmilzt.
Beitrag #5291748 wurde von einem Moderator gelöscht.
Beitrag #5291750 wurde von einem Moderator gelöscht.
Beitrag #5291777 wurde von einem Moderator gelöscht.
Beitrag #5291874 wurde von einem Moderator gelöscht.
Beitrag #5291906 wurde von einem Moderator gelöscht.
Bitte gerät Euch wegen mir nicht in die Haare. Ich werde das eben empirisch durch Temperaturmessungen festlegen wo die praktische Grenze für meinen Fall ist. Es dreht sich doch nur um die Tatsache daß ich einen vorhandenen 50VA Ringkerntrafo verwenden möchte und nicht ein kommerzielles Produkt launchen möchte. Da ich der einzige Betreiber bin kann ich diese Belastungsgrenze respektieren. Für mich ist das ein kalkulierbares Risiko. Es stimmt ja, dsß Trafospitzenstrom gleich IDC * 1.57 ist. Das aber auch nur für rund 60% der Zeit. Das bringt die mittlere Belastung des Trafos doch wieder unter 50VA. Nun bleiben hauptsächlich nur noch die Ohmischen Windungsverluste und möglicherweise Sättigung die für zusätzliche Erwärmung sorgen. Die Stromdichte der Sekundärwicklung dürfte bei mindestens 3.2A oder mehr per mm Drahtdicke sein. Ringkerntrafos geraten glücklicherweise nicht so bald in Sättigung im Vergleich zu normalen Trafos. Und wenn man ganz vorsichtig sein möchte kann man immerhin noch einen thermischen Schutzschalter an der Aussenseite des Trafos vorsehen. In solchen Sachen muß man das experimentell festlegen und entsprechend die Belastungsgrenzen festlegen. Für intermittierenden Betrieb besteht da mit Sicherheit keine Gefahr. Aber das läßt sich ja alles messen. Man muss nur sicherstellen, daß der Trafo nicht nennenswert in den Bereich der Sättigung gerät. Abgesehen davon werden die Wicklungen in der unteren Hälfte des Spannungsbereich parallel geschaltet und darüber darf man eben sicherheitshalber dauernd nur vielleicht 1.2-1.5A entnehmen. Das ist immer noch genug. Der Stromlimit ließe sich auch automatisch umschalten. Also wie schon gesagt, laßt das Thema ruhen. Ich komme damit schon zurecht. Ist ja nett von Euch Mir helfen zu wollen. P.S ich habe jetzt wichtigere Probleme im Augenblick wie ein blödes Nasenbluten:-) OK. Bis bald dann, Gerhard
Tany schrieb im Beitrag #5291874:
> Ich zitiere deinen Zitat aus der Vergangenheit
Schön wäre es, wenn man es auch noch verstanden hätte.
Lassen wird die Netzspannungsschwankungen mal aussen vor, die sind
natürlich bei Grenzwertbetrachtungen wichtig.
Ein Trafo produziert einen Sinus und bei 24Vrms Nennspannung liegt
dessen Spitzenwert bei 1.414*24=34V.
Davon gehen 2V an den Dioden des Brückengleichrichters ab, aber das ist
schon Verlust auf Sekundärseite, also vom Trafo zu liefern.
Der Siebelko soll die normalerweise auf 0V absackende Spannung in den
Tälern puffern, wenn er zu klein ist, sackt die Spannung trotzdem weit
ab, z.B. bei genannten 4700uF auf die genannten 16-24V. Eine
nachfolgende Schaltung kann also nur von 16V ausgehen, obwohl die
Spannung in jeder Halbwelle auf 32V hochschbellt, nur nützt ihr das
nichts wenn sie eben auch auf 16V absackt.
Der Trafo muss trotzdem 24V~ mit 34V Spitze liefern.
Bei Überlastung (die da nocb gar nicht eingerechnet wurde) wird ein 48VA
2A~ Trafo, der mit 34V*2A=68VA belastet wird aber keine 24V mit 34V
Spitze mehr liefern. Da so ein Trafo im Leerlauf ca. 20% mehr liefert,
wird er bei 1.5-facher Belastung ca. 10% weniger liefern, also ca.
21.6V~ mit 30.5V Spitzenspannung. Ganz kurzfristig geht das, aber auf
Dauer wird er damit zu heiss.
Aber 30.5V bei 2A= sind immer noch 61W, also klar überlastend für einen
48VA Trafo.
Ok, um das aus der Welt zu schaffen habe ich den betroffenen Trafo getestet. Also hier sind die ersten Beobachtungen: Mit 24 Ohm Last und 2200uF an einer Brücke: 25.6V , ohne Last 37V Der Strom fließt nur 44% der Zeit. Ripple ist 3.5V pk Aussen Trafotemperatur rund 50 Grad mit Thermocouple gemessen. Das Thermocouple ist unter der Aussenisolation. 30Minuten. Von einer Saturation ist nichts zu merken. Der Primärstrom steigt linear mit der Eingangsspannung an. Ich habe bis zu 120% der Sollnetzspannung gemessen. Weiter kann ich mit dem Stelltrafo nicht. Also, so wie es aussieht steht einer Dauerbelastung mit 2ADC nichts im Weg. Für 20V NT Ausgangsspannung hstwhen mir 25V zur Verfügung. Das wärs für jetzt, Gerhard
MaWin schrieb: > Aber 30.5V bei 2A= sind immer noch 61W, also klar überlastend für einen > 48VA Trafo Lassen wir das Thema ruhen.
Gerhard O. schrieb: > Also, so wie es aussieht steht einer Dauerbelastung mit 2ADC nichts im > Weg. Für 20V NT Ausgangsspannung hstwhen mir 25V zur Verfügung Au weia. Wenn der Trafo Gerhard O. schrieb: > 25.6V mit Gerhard O. schrieb: > Ripple ist 3.5V pk kommen, dann stehen natürlich NICHT 25V zur Verfügung aus der das Banggood Netzteil dann 20V Ausgangsspannung machen könnte sondern nur noch 25.6-(3.5/2)=23.85V aus denen das Netzteil nicht mehr als 18.6V geregelte Gleichspannung machen kann. Auch sollte man am Regeltrafo nicht nur mit +10%, sondern aucb mit -10% messen und sich das Ergebnis oer Oszilloskop statt mittelwertbildenden Multimetern angucken.
Hallo, ich habe mir den Banggood LNG Thread durchgelesen, ist sehr interessant :) . Wenn die finale Platine fertig ist werde ich es auf jeden Fall nachbauen. Ich finde den Ansatz ein Doppelnetzteil mit je 20V/2A zu bauen sehr gut, ihr habt ja beschrieben das sich leicht eine "tracking" Funktion einbauen lässt, womit mann dann alle relevanten Leistungsbereiche abdecken kann. Ich freue mich schon drauf wenn es fertig wird. Ist nur schade das manche Leute hier im Forum immer so aggressiv den anderen Leuten ihre Meinung aufdrücken müssen (weiter oben in diesem Thread). Ein bischen freundlicher würde nicht schaden :) . Danke euch für eure Arbeit und einen schönen Tag noch.
Tany schrieb: > Lassen wir das Thema ruhen Noch so ein Au weia. 33.9V bei 2A mit 0.5R ergibt einen Trafo mit (33.9-1.414 x 2 x 0.5)/1.414 = 23Vrms Nennspannung, aus dem dann nach Gleichrichtung eine zwischen 25.2 und 28.5V pendelnde Spannung rauskommt. Passt gut, beim 24Vrms Trafo hätte ich mit 30.5V Spitzenwert gerechnet. Und nun lass es sacken, aus einem 2A~ Trafo kommen nacb Gleichrichtung keine 2A= dauerhaft. Ist eben so. Auch für dich wird man keine freie Energie erfinden.
MaWin schrieb: > Gerhard O. schrieb: >> Also, so wie es aussieht steht einer Dauerbelastung mit 2ADC nichts im >> Weg. Für 20V NT Ausgangsspannung hstwhen mir 25V zur Verfügung > > Au weia. > > Wenn der Trafo > > Gerhard O. schrieb: >> 25.6V > > mit > > Gerhard O. schrieb: >> Ripple ist 3.5V pk > > kommen, dann stehen natürlich NICHT 25V zur Verfügung aus der das > Banggood Netzteil dann 20V Ausgangsspannung machen könnte sondern nur > noch Mit dem Oszi ist die Min. Spannung 23.5V bei Netzsollspannung. Ja das ist etwas knapp. Aber ich kann ja ein paar Windungen draussen anbringen um diese Situation zu verbessern. Die OPV Versorgung kommt von einem separaten Gleichrichter wie von Lurchi vorgeschlagen und hat die nötigen Reserven den Längstransistor ausreichend anzusteuern. Das wird sich alles herausstellen. > > 25.6-(3.5/2)=23.85V aus denen das Netzteil nicht mehr als 18.6V > geregelte Gleichspannung machen kann. Das ist die Mittelwertspannung. Die Vmin ist 23V. > > Auch sollte man am Regeltrafo nicht nur mit +10%, sondern aucb mit -10% > messen und sich das Ergebnis oer Oszilloskop statt mittelwertbildenden > Multimetern angucken. Habe ich ja. Meine Werte sind ja vom Oszi. Ich möchte etwas Perspektive in diese Argumente reinbringen. Obwohl Mawin recht hat, hat er doch nicht ganz recht. Seine Argumente gelten einzig und alleine nur für ein Festspannungsnetzgerät Design das 20VDC bei 2A im Dauerbetrieb unter allen Grenzbedingungen und Umständen liefen soll. Da müßte dann ein anderer Trafo her. Nur unter diesen Voraussetzungen gelten Mawins strenge Randbedingungen. Im Gegensatz zum BG NT Projekt wo ich vorhandene Teile verwenden möchte und deshalb gewillt bin gewisse Einschränkungen (manchmal) in Kauf zu nehmen bin ich gewillt zu akzeptieren, daß die 20VDC bei 2A nicht immer garantiert sind. Mein Schluss ist, daß das NT meistens, aber nicht 100% der Zeit die Maximalleistung erreichen wird. Unter ungünstigen Netzspannungsverhältnissen wird es nicht erreichbar sein und das ist für mich akzeptabel. Im normalen Laborbetrieb wo man meistens kleinere Lasten betreibt braucht man diese Maximalleistung nur selten. Ich bin mir über diese Kompromisse vollkommen im Klaren und erwarte nicht das physikalisch unmögliche. Ich kann nur wiederholen, daß mir die Grenzen des Möglichen bewußt bin und willens in Kauf nehme. Ich hoffe, daß wir damit jetzt einige Streitpunkte zur Ruhe gelegt haben.
Felix schrieb: > Ist nur schade das manche Leute hier im Forum immer so > aggressiv Das stimmt. Die Aggressivität ist zwar menschlich verständlich, aber trotzdem unschön. > den anderen Leuten ihre Meinung aufdrücken müssen Naja, es geht schon um etwas mehr als nur eine persönliche Meinung -- und es ist ziemlich lästig, wenn man altbekannte Fakten wieder und wieder begründen muss. Es geht darum, dass der Strom in Trafo, Gleichrichter und Ladeelko impulsförmig, d.h. mit einem Stromflusswinkel deutlich kleiner als 180° fließt (der Elko wird nur in den kurzen Zeiten geladen, in denen der Momentanwert der Trafo- spannung HÖHER ist als die aktuelle Elko-Spannung). Die Impulsströme fließen zwar nur kurzzeitig, sind aber SEHR viel höher, als der Ausgangsstrom vermuten lässt. Das mag zunächst überraschen, ist aber auch anschaulich klar: Weit weg vom Maximum der Sinusschwingung liefert der Elko den Ausgangsstrom ganz allein (die Trafospannung ist kleiner als die Elko-Spannung und die Dioden sind gesperrt); in der Nähe des Maximums dagegen muss der Trafostrom den Elko wieder komplett aufladen UND den Ausgangsstrom liefern. Der Knackpunkt ist, dass die Trafoverluste mit dem Effektivwert des Stromes zusammenhängen, der ja ein QUADRATISCHER Mittelwert ist, der Ausgangsstrom aber nur ein ARITHMETISCHER Mittelwert ist. Der Trafo erwärmt sich somit stärker, als das Produkt Ua * Ia vermuten lässt. Die Höhe der Stromimpulse hat über alles gesehen stärkeren Einfluss als der Tastgrad, weil der Tastgrad nur linear, die Höhe aber quadratisch in die Verlustleistung eingeht. Deswegen darf Trafos, die direkt mit Gleichrichter und Elko belastet werden, NIE ihre volle Nennleistung als Dauerleistung abverlangt werden. Will man das dennoch tun, braucht man eine PFC (im einfachsten Fall eine Drossel).
Beitrag #5292132 wurde von einem Moderator gelöscht.
Possetitjel schrieb: > Der Trafo erwärmt > sich somit stärker, als das Produkt Ua * Ia vermuten läßt Danke für Deine Ausführungen. Bei meiner Trafountersuchung stellte sich unter der genannten Belastung ein Temperaturanstieg von 30 Grad heraus. Den Hersteller Angaben von Nuvotem entspricht das einer tatsächlichen Belastung von 70%. Bei Vollast soll der Anstieg 70 Grad betragen. Daraus könnte man schliessen, daß der Ringkerntrafo aehr konservativ bemessen ist und magnetisch mit der höheren Impulsbelastung klar kommt. http://www.nuvotem.com/en/products/temprise.shtml Mit dem Oszi gemessen war der Stromfluß 44% der Halbperiode (2.3ms). Also ist der Duty Cycle trotz der höheren Impulsbelastung tragbar. Der Netzstrom bewegte sich linear mit der Netzspannung und es war keine plötzliche Änderung des Stromes mit Spannung fesstellen. Sättigung ist noch kein Thema. Zu diesen Zeitpunkt kann ich nicht besonders Besorgniserregendes anhand der bisherigen Meßdaten feststellen.
Beitrag #5292181 wurde von einem Moderator gelöscht.
Beitrag #5292186 wurde von einem Moderator gelöscht.
Beitrag #5292191 wurde von einem Moderator gelöscht.
Beitrag #5292192 wurde von einem Moderator gelöscht.
Beitrag #5292196 wurde von einem Moderator gelöscht.
Habe vergessen zu bemerken, bei der gemessenen Nennlast war der Primärstrom mit einem Fluke87 gemessen, .585A. Das entspricht einer Leistungaufnahme bei 120VAC von rund 70VA. Und trotzdem überhitzte sich der Trafo mit 30Grad Temperaturanstieg nicht. Man sollte deshalb meinen, praktisch gesehen, daß der Betrieb gerade noch tragbar ist. Es ist klar, daß man, wenn man einen Trafo bestellen müßte, eine 80VA Type mit 3.3A Wicklungen wählen müßte. Hier dreht es sich nur darum ob ich in diesem Einzelfall meine vorhandenen Teile verwenden kann. Dem scheint so... Das vernünftigste wäre halt, da die Wicklungen sowieso umgeschaltet werden, wie beim E3611A, fuer den unteren Spannungsbereich mit Wicklungsparallelschaltung 2A zu erlauben und im Serien Betrieb vielleicht bis zu 1.2 - 1.5A und gleichzeitig den maximalen Strombegrenzungswert mitumzuschalten. Beim E3611A kann man ja beim Hi Range auch nur die Hälfte des Laststroms entnehmen.
Gerhard O. schrieb: > Es ist klar, daß man, wenn man einen Trafo bestellen > müßte, eine 80VA Type mit 3.3A Wicklungen wählen > müßte. Hier dreht es sich nur darum ob ich in diesem > Einzelfall meine vorhandenen Teile verwenden kann. Nee. Hier dreht es sich darum, dass Leute OHNE Ahnung von der Sache andere Leute MIT Ahnung ungestraft als "Angsthasen" bezeichnen dürfen. Natürlich kann ein nominell etwas knapp ausgelegter Trafo ewig und drei Tage funktionieren, wenn man weiss, was man tut -- und das setze ich bei Dir voraus :) Trotzdem würde ich das nicht als Standardmethode propagieren.
Beitrag #5292250 wurde von einem Moderator gelöscht.
Falls es interessiert: Ich habe mal eine AM503 Current Probe an der Trafo Sekundärwicklung angeschlossen und ein Bild eingefügt. Man kann gut den Stromflusswinkel beobachten. 2A/Div. es fliessen als fast 6A Spitzenstrom. Natürlich nicht die ganze Zeit. Bitte beachtet daß mein Netz 60 Hz hat. Den Ripple kann man im zweiten Bild sehen. Das dritte Bild zeigt den Primärstrom mit 1A/Div, 120VAC/60Hz Entschuldigt meine betagten Meßmittel...
Gerhard O. schrieb: > Falls es interessiert Tja, es ist fast identisch mit meiner Simulation. Von 30,5V sind wir noch ein Stück entfernt, geschwiegen von 34V. Danke für die Messung.
Gerhard O. schrieb: > Abgesehen > davon könnte man noch einen Thermoschalter auf der Wicklungsaussenseite > für den Trafo vorsehen. Da man heute Digitalthermometer für <5EUR bekommt, könnte man mit einem solchen in der Frontplatte die Temperatur auch jederzeit im Auge behalten. > Beim Ringkerntrafo kann man sich im Vergleich > mit einen herkömmlichen Trafo wegen des hohen Wirkungsgrads schon > einiges erlauben. Der vorhandene 50VA Ringkerntrafo hat 95% Wirkungsgrad > im Vergleich zu 83% für einem vergleichbaren M85. (Plitron 02A012201) Eigenlich wundert mich das, weil die Spannung pro Windung bei RKTs deutlich niedriger als bei "Viereck"-Trafos ist. Unabhängig davon hat der Wirkungsgrad wenig mit der zulässigen Leistung zu tun, sondern diese ergibt sich allein aus der entstehenden Verlustleistung und deren Abstrahlung über die Oberfläche.
Tany schrieb: > Lassen wir das Thema ruhen. ...sagte der, der von Elektrotechnik keine Ahnung hat. :-)
Harald W. schrieb: > Gerhard O. schrieb: > >> Abgesehen >> davon könnte man noch einen Thermoschalter auf der Wicklungsaussenseite >> für den Trafo vorsehen. > > Da man heute Digitalthermometer für <5EUR bekommt, > könnte man mit einem solchen in der Frontplatte > die Temperatur auch jederzeit im Auge behalten. Das wäre overkill. Sobald man das mal untersucht hat, weiß man woran man ist. > >> Beim Ringkerntrafo kann man sich im Vergleich >> mit einen herkömmlichen Trafo wegen des hohen Wirkungsgrads schon >> einiges erlauben. Der vorhandene 50VA Ringkerntrafo hat 95% Wirkungsgrad >> im Vergleich zu 83% für einem vergleichbaren M85. (Plitron 02A012201) > > Eigenlich wundert mich das, weil die Spannung pro Windung bei RKTs > deutlich niedriger als bei "Viereck"-Trafos ist. Unabhängig davon > hat der Wirkungsgrad wenig mit der zulässigen Leistung zu tun, > sondern diese ergibt sich allein aus der entstehenden Verlustleistung > und deren Abstrahlung über die Oberfläche. Ich habe den Eindruck, daß die Herstellerfirma den Trafo eher sehr konservativ bemessen hat und magnetisch gewisse Reserven hat. Nur der Sekundärwicklungsdraht Durchmesser von 1mm setzt da Stromdichtemäßig Grenzen und seinem I2R Verlust. Beim normalen viereckigen Trafo arbeitet man normalerweise mit einer Stromdichte von 3.2A/mm2. Weiß allerdings nicht wie das beim RKT rechnungsmäßig gemacht wird. ..
Beitrag #5292300 wurde von einem Moderator gelöscht.
Felix schrieb: > Ich finde den Ansatz ein Doppelnetzteil mit je 20V/2A zu > bauen sehr gut, Du solltest nur beachten, das Du dafür typisch einen Trafo mit 24V/3A brauchst, auch wenn das Tany nicht wahrhaben will. Der Ansatz von Gerhard, das man (Eisen-)Trafos kurzzeitig (<15min) stark überlasten kann, ist natürlich richtig. Das sollte man aber nur tun, wenn man genau weiss, was man tut. :-) Bei Gerhard mache ich mir da wenig Sorgen; er schreibt schon recht lange hier im Forum und kennt sich gut aus. > Ist nur schade das manche Leute hier im Forum immer so aggressiv den > anderen Leuten ihre Meinung aufdrücken müssen (weiter oben in diesem > Thread). Ein bischen freundlicher würde nicht schaden :) . Ich finde es aber auch nicht gut, wenn man eindeutig falsche Aussagen einfach ohne Kommentar stehen lässt.
Gerhard O. schrieb: > Ich habe den Eindruck, daß die Herstellerfirma den Trafo eher sehr > konservativ bemessen hat und magnetisch gewisse Reserven hat. Bei RKT oder Vierecktrafos? > Nur der > Sekundärwicklungsdraht Durchmesser von 1mm setzt da Stromdichtemäßig > Grenzen und seinem I2R Verlust. Beim normalen viereckigen Trafo arbeitet > man normalerweise mit einer Stromdichte von 3.2A/mm2. Das ist eigentlich genauso falsch wie die altbekannten "1000µfproA". Da wurden schon in den alten Trafotabellen deutje nach Kerngrösse andere Werte genannt. Durch die deutlich grössere Oberfläche von RKTs würde ich annehmen, das hier höhere Stromdichten möglich sind. Was hälst Du eigentlich von meinem Vorschlag, ein Thermometer fest ins Netzteil einzubauen?
Harald W. schrieb: > Was hälst Du eigentlich von meinem Vorschlag, ein > Thermometer fest ins Netzteil einzubauen? Ich bin zwar nicht Gerhard, aber ich finde das bisschen gefährlich. Ich würde das nur zusammen mit einer automatischen Übertemperaturabschaltung machen -- dann hat es aber den Vorteil, dass man die harte Abschaltung vermeiden kann, wenn man das Thermometer im Auge behält und ggf. eingreift. Für ein hochwertiges Gerät eigentlich eine gute Idee; aber einfacher wird in der Praxis sein, einen größeren Trafo zu verwenden :)
Harald W. schrieb: > Gerhard O. schrieb: > >> Ich habe den Eindruck, daß die Herstellerfirma den Trafo eher sehr >> konservativ bemessen hat und magnetisch gewisse Reserven hat. > > Bei RKT oder Vierecktrafos? Zumindest bei dem untersuchten Exemplar. Ich habe früher oft Trafos selber berechnet und gewickelt. Da verwendete ich die üblichen relevanten Tabellenwerte und für die innere und äussere Stromdichte. Aber das ist schon lange her. Den letzten Trafo den ich nachwickelte war für das LNG30 in den 80er Jahren. Das LNG30 baute ich erst vor fünf Jahren. > >> Nur der >> Sekundärwicklungsdraht Durchmesser von 1mm setzt da Stromdichtemäßig >> Grenzen und seinem I2R Verlust. Beim normalen viereckigen Trafo arbeitet >> man normalerweise mit einer Stromdichte von 3.2A/mm2. > > Das ist eigentlich genauso falsch wie die altbekannten "1000µfproA". Meine alten Trafotabellen gaben mir aber Außenstromdichte von 3.2A/mm-2 > Da wurden schon in den alten Trafotabellen deutje nach Kerngrösse > andere Werte genannt. Durch die deutlich grössere Oberfläche von > RKTs würde ich annehmen, das hier höhere Stromdichten möglich sind. Das würde mich interessieren. Könntest Du mir die bitte publizieren? > Was hälst Du eigentlich von meinem Vorschlag, ein Thermometer fest > ins Netzteil einzubauen? Wenn ich eine uC plus LCD Anzeige verwenden würde, auf alle Fälle ein paar Überwachungen. In diesen kleinen NT würde ich eher einen thermischen Sicherheitsschalter am Trafo für alle Fälle anbringen. Oder eine einfache LED OT Anzeige. ..
Possetitjel schrieb: > Harald W. schrieb: > >> Was hälst Du eigentlich von meinem Vorschlag, ein >> Thermometer fest ins Netzteil einzubauen? > > Ich bin zwar nicht Gerhard, aber ich finde das bisschen > gefährlich. Ich würde das nur zusammen mit einer > automatischen Übertemperaturabschaltung machen -- dann > hat es aber den Vorteil, dass man die harte Abschaltung > vermeiden kann, wenn man das Thermometer im Auge behält > und ggf. eingreift. Ja, eine LED Anzeige würde mir genügen. Oder ein Thermo Breaker an der Trafoaussenseite. > > Für ein hochwertiges Gerät eigentlich eine gute Idee; > aber einfacher wird in der Praxis sein, einen größeren > Trafo zu verwenden :) Das ganze ist doch nur wegen meiner speziellen Situation entstanden weil ich ein kleines NT mit vorhandenen Teilen bauen will. Sonst bestell ich mir natürlich den korrekten Trafo.
Harald W. schrieb: > Du solltest nur beachten, das Du dafür typisch einen Trafo > mit 24V/3A brauchst, auch wenn das Tany nicht wahrhaben > will. Ich hätte angenommen das für 2A Ausgangsstrom + Steuerungselektronik (eigentlich zu vernachlässigen) ein 2A Trafo reicht, jetzt weiß ich es besser :)
Felix schrieb: > Harald W. schrieb: >> Du solltest nur beachten, das Du dafür typisch einen Trafo >> mit 24V/3A brauchst, auch wenn das Tany nicht wahrhaben >> will. > > Ich hätte angenommen das für 2A Ausgangsstrom + Steuerungselektronik > (eigentlich zu vernachlässigen) ein 2A Trafo reicht, jetzt weiß ich es > besser :) Außer man testet jedes Exemplar weil nicht alle Trafo die gleichen Reserven haben. Bei meinen RKT hätte ich jetzt wenig Bedenken weil ich weiß wie er sich benimmt. Beim nächsten Trafo ist das nicht unbedingt der Fall und könnte sich überhitzen. Da bei mir der Temperaturanstieg wesentlich unter der publizierten Werte liegt, weiß ich mit Sicherheit, daß mein Trafo es verkraftet und Reserven hat. Das trifft aber nur für diesen speziellen Fall von mir zu. Beim BG NT nicht vergessen die OPV Versorgung, wie im anderen Thread beschrieben, umzuändern weil die OPVs auch beim 24V Trafo die Spannung im Leerlauf nicht vertragen(37V). (30V Zener Diode mit Vorwiderstand und getrennten Gleichrichter Dioden.) bei Vollast haben die OPVs genug Versorgungsspannung um die Endstufe adequate durchzusteuern. Auch sollte die negative Hilfsspannung etwas reduziert werden. Aber das ist ein Thema für andere Zeit.
Gerhard O. schrieb: > Beim BG NT nicht vergessen die OPV Versorgung, wie im anderen Thread > beschrieben, umzuändern weil die OPVs auch beim 24V Trafo die Spannung > im Leerlauf nicht vertragen(37V). (30V Zener Diode mit Vorwiderstand und > getrennten Gleichrichter Dioden.) bei Vollast haben die OPVs genug > Versorgungsspannung um die Endstufe adequate durchzusteuern. Auch sollte > die negative Hilfsspannung etwas reduziert werden. Aber das ist ein > Thema für andere Zeit. Ich glaube ich warte noch ein bischen, die BG Platine so stark zu modifizieren finde ich unschön, wie ich es verstanden habe ist es ja das Ziel eine eigene Platine zu entwickeln, da warte ich lieber drauf.
Felix schrieb: > Gerhard O. schrieb: >> Beim BG NT nicht vergessen die OPV Versorgung, wie im anderen Thread >> beschrieben, umzuändern weil die OPVs auch beim 24V Trafo die Spannung >> im Leerlauf nicht vertragen(37V). (30V Zener Diode mit Vorwiderstand und >> getrennten Gleichrichter Dioden.) bei Vollast haben die OPVs genug >> Versorgungsspannung um die Endstufe adequate durchzusteuern. Auch sollte >> die negative Hilfsspannung etwas reduziert werden. Aber das ist ein >> Thema für andere Zeit. > > Ich glaube ich warte noch ein bischen, die BG Platine so stark zu > modifizieren finde ich unschön, wie ich es verstanden habe ist es ja das > Ziel eine eigene Platine zu entwickeln, da warte ich lieber drauf. Ich habe das zwar nicht selber vor im Augenblick, aber es wurde im anderen Thread schon damit angefangen. Das wäre dann eine Möglichkeit für Dich. An sich sind die paar Modifizierungen die ich vorhabe nicht zu schwer durchzuführen. Muß jetzt für längere Zeit weg und deswegen von mir Funkstille:-)
MaWin schrieb: > Tany schrieb: >> Warum nicht? >> Bei voller Belastung ist der Trafo warm, man muß nur die Wärme abführen >> und gut ist. >> Die Angsthase rechnen immer mit einem Faktor 1,4 nur um den Trafo "kühl" >> zu halten > > Könnten die Kinder wenigstens bei ihren wünsch-mir-was Festen die > physikalischen Grundlagen beachten ? > > Wenn aus dem 48VA 24V~ 2A~ Trafo nach Gleichrichtung und Siebung > 24*1.414=34V werden dürfte klar sein dass man keine 2A= mehr ziehen > kann, das wären 68 Watt und eine wundetsame Vermehrung der Leistung die > ein oerfektes Perpetuum Mobile ergeben würde. Falscher Vergleich. Mit einem "Perpetuum Mobile" hat das gleich gar nichts zu tun, nicht mal ansatzweise, da dein Trafo sich das mehr an Leistung aufgrund seiner sekundärseitigen Überlastung auf der Primärseite wiederholt. > Trafos zu überlasten ist doof, sie werden heiss und die Isolation > schmilzt. Was heißt denn "heiß"? Werde mal genauer. Und wann schmilzt denn die Isolation? Und was passiert wenn geeignete Kühlmaßnahmen das Heißwerden verhindern? Schmilzt deine Isolation dann noch immer? Glaubst du alle jemals in kommerziellen Geräten verbauten Transformatoren wurden bei jedwedem Betriebsbedingungen immer korrekt auf 25° C Raumtemperatur gehalten? Schon mal in alten HIFI-Endstufen die Trafotemperatur gemessen, während die so richtig Leistung abgaben?
Alles Humbug schrieb: > Glaubst du alle jemals in kommerziellen Geräten > verbauten Transformatoren wurden bei jedwedem > Betriebsbedingungen immer korrekt auf 25° C > Raumtemperatur gehalten? Nein, warum sollte? Die NENNLEISTUNG, die auf dem Typenschild des Trafos steht, wird i.d.R. im NENNARBEITSPUNKT ermittelt (zumindest kenne ich das von Motoren so). In den Nennarbeitspunkt gehen normalerweise Dinge wie die maximal zulässige Umgebungstemperatur, die zulässige Übertemperatur der Wicklung (die Isolations- klasse), die Aufstellhöhe (auf den Alpen ist die Luft dünner und daher die Kühlung schlechter) ein. Außerdem wird rein ohmsche Belastung, d.h. cos_phi=1 vorausgesetzt. Die (Durchgangs-)Leistung, die der Trafo unter diesen Bedingungen dauerhaft erträgt, ist die Nennleistung. Davon, dass der Trafo "kalt" bleibt, ist hier keine Rede -- er fackelt lediglich mit Sicherheit nicht ab. Wenn man von den Bedingungen des Nennarbeitspunktes abweicht (weil z.B. der cos_phi < 1 ist), muss man die Leistung entsprechend anpassen (i.d.R. vermindern).
Du verwendest in der Zeichnung zwei "Massen": Eingang TAB und die 0V-Beine der 7805/7905 und des OP Ausgang des Netzteiles OUTPUT+ Sind deine Massen wirklich ein und dasselbe Potential und miteinander verbunden? Oder ist das nur eine zeichnerische Vereinfachung? J.F.
Possetitjel schrieb: > Nein, warum sollte? Weil er REAL im Betrieb heiß wird? > Die (Durchgangs-)Leistung, die der Trafo unter diesen > Bedingungen dauerhaft erträgt, ist die Nennleistung. > Davon, dass der Trafo "kalt" bleibt, ist hier keine > Rede -- er fackelt lediglich mit Sicherheit nicht ab. Er muss auch bei Überlastung nicht "abfackeln". Dafür kannst du mit geeigneten Kühlmaßnahmen oder durch eine nur kurzfristig geduldete Überlastung oder durch Abschaltung bei Übertemperatur mittels Temperaturüberwachung sorgen. Dein schönes teures Digital-Multimeter erlaubt bei DC-Strommessung auch keine dauerhaften 20 A. Der Anwender MUSS Pausen einhalten, damit der intern überlastete Shunt Zeit hat wieder abzukühlen, bevor eine neue Messung beginnt.
Alles Humbug schrieb: > Was heißt denn "heiß"? Werde mal genauer Bei Nennleistung wird ein Trafo im Inneren so viel heisser als die Umgebung, dass die Isoliermaterialien, hier vor allem der Lackdraht, nur noch begrenzte Zeit durchhalten, vor allem weil der Draht stramm um den Kern gewickelt wurde und die Isolation unter Druck steht. Trafos gibt es mit maximaler Innentemperatur von 130, 155 oder 180 GradC, die halten bei der Temperatur dann im Mittel 10 Jahre. 10 GradC weniger verdoppelt die Lebensdauer. Ob das MTFB oder garantierte mit 0.01% Ausfallrate ist, weiss ich aber nicht. Zumindest werden die Leistungen bei derselben Kerngrösse immer grösser, und das obwohl das gute Kernblech M165-35S nicht mehr verfügbar ist. Die Trafos werden also immer knapper ausgelegt, überdimensioniert ist heute kaum noch einer. Reichelt's Ringkerntrafo zeigt mal ordentliche Daten: http://cdn-reichelt.de/documents/datenblatt/C500/80VAEconomySeries.pdf Der Draht ist also bis 180 GradC isoliert, die Temperatursicherung löst bei 125 GradC aus weil die Isolierfolien nur 130 GradC aushalten, der Trafo soll in Betrieb nicht über 90 GradC bekommen (40 + 50) weil die Anschlussdrähte (PVC Isolation) nur 105 GradC vertragen, wobei die Verluste zum grossen Teil aus dem dünnen Draht stammen (8.95W) und nicht vom Kern (0.781W).
MaWin schrieb: > Reichelt's Ringkerntrafo zeigt mal ordentliche Daten: > > http://cdn-reichelt.de/documents/datenblatt/C500/80VAEconomySeries.pdf > Der Draht ist also bis 180 GradC isoliert, die Temperatursicherung löst > bei 125 GradC aus weil die Isolierfolien nur 130 GradC aushalten, der > Trafo soll in Betrieb nicht über 90 GradC bekommen (40 + 50) weil die > Anschlussdrähte (PVC Isolation) nur 105 GradC vertragen, wobei die > Verluste zum grossen Teil aus dem dünnen Draht stammen (8.95W) und nicht > vom Kern (0.781W). Das sind doch wenigstens mal Daten. Danke für deine Mühe. Possetitjel schrieb: > Die NENNLEISTUNG, die auf dem Typenschild des Trafos > steht, wird i.d.R. im NENNARBEITSPUNKT ermittelt > (zumindest kenne ich das von Motoren so). Die Frage ist halt nur bei diesen Angaben inwieweit sie dauerhaft oder nur kurzzeitig für den Anwender von nutzen sind. Ich bin kürzlich bei Proxxon über deren Angaben im Datenblatt gestolpert, TISCHBOHRMASCHINE TBM 220: Leistung 85 Watt 10 min. FRAESMOTOR BFW40: 250 Watt KB 10 min. FEINSCHNITT TISCHKREIS FET: 200 Watt KB 10 min. Tischkreissaege KS 230: 85 Watt KB 15 min. KB heißt hier Kurzzeitbetrieb.
Alles Humbug schrieb: >> Die (Durchgangs-)Leistung, die der Trafo unter diesen >> Bedingungen dauerhaft erträgt, ist die Nennleistung. >> Davon, dass der Trafo "kalt" bleibt, ist hier keine >> Rede -- er fackelt lediglich mit Sicherheit nicht ab. > > Er muss auch bei Überlastung nicht "abfackeln". Das ist ja richtig -- aber für die Diskussion völlig irrelevant. Es hapert ja schon mächtig am vorgelagerten Punkt -- dass nämlich der übliche Betrieb des Trafos mit Gleichrichter und Ladeelko NICHT den Nennbedingungen entspricht, sondern zu einer (gegenüber den Nennbedingungen) ERHÖHTEN Belastung des Trafos führt. > Dafür kannst du mit geeigneten Kühlmaßnahmen oder durch > eine nur kurzfristig geduldete Überlastung oder durch > Abschaltung bei Übertemperatur mittels Temperaturüberwachung > sorgen. Siehe oben: Richtig, aber irrelevant. Es geht nicht um "KÖNNEN" -- es geht darum, dass dem Laien überhaupt nicht bewusst ist, dass der übliche Betrieb des Trafos NICHT den Bedingungen entspricht, unter denen die aufgedruckte Leistung gilt.
MaWin schrieb: > die halten bei der Temperatur dann im Mittel 10 Jahre. Du meinst bei 24/7? Das passiert bei den meisten Geräten im Amateurbereich nicht. Insbesondere nicht bei Labornetzteilen.
Alles Humbug schrieb: > Possetitjel schrieb: >> Die NENNLEISTUNG, die auf dem Typenschild des Trafos >> steht, wird i.d.R. im NENNARBEITSPUNKT ermittelt >> (zumindest kenne ich das von Motoren so). > > Die Frage ist halt nur bei diesen Angaben inwieweit > sie dauerhaft oder nur kurzzeitig für den Anwender > von nutzen sind. Steht auch auf'm Typenschild. Wenn nix dasteht, ist Dauerbetrieb gemeint (S1); steht in irgend einer Norm, dass das so ist. Wenn andere Belastung gemeint ist (komme grade nicht auf den korrekten Namen), steht eben S2 oder S4 oder so da. Wenn nur "100W" dasteht, ist das m.W. immer Dauerleistung. > Ich bin kürzlich bei Proxxon über deren Angaben im > Datenblatt gestolpert, > > TISCHBOHRMASCHINE TBM 220: Leistung 85 Watt 10 min. > FRAESMOTOR BFW40: 250 Watt KB 10 min. > FEINSCHNITT TISCHKREIS FET: 200 Watt KB 10 min. > Tischkreissaege KS 230: 85 Watt KB 15 min. Sachlich richtig -- hilft aber für die Diskussion über den Trafo nicht weiter. Das Problem beim Trafo ist ja gerade das: Bei cos_phi=1 ist die aufgedruckte Leistung als Dauerleistung zulässig. Bei Betrieb mit Gleichrichter und Elko ist das aber KEINE Dauerleistung (weil der cos_phi < 1). Darum dreht sich die ganze Diskussion.
Possetitjel schrieb: >> Er muss auch bei Überlastung nicht "abfackeln". > > Das ist ja richtig -- aber für die Diskussion völlig > irrelevant. Aber für die praktische Auslegung des LNT und dessen Nutzung ist es interessant. > Es hapert ja schon mächtig am vorgelagerten Punkt -- dass > nämlich der übliche Betrieb des Trafos mit Gleichrichter > und Ladeelko NICHT den Nennbedingungen entspricht, sondern > zu einer (gegenüber den Nennbedingungen) ERHÖHTEN Belastung > des Trafos führt. Nur wie viel erhöht ist halt die Frage. Zwischen erhöht und nicht mehr Tragbar gibt es eine weite Grauzone. >> Dafür kannst du mit geeigneten Kühlmaßnahmen oder durch >> eine nur kurzfristig geduldete Überlastung oder durch >> Abschaltung bei Übertemperatur mittels Temperaturüberwachung >> sorgen. > > Siehe oben: Richtig, aber irrelevant. > > Es geht nicht um "KÖNNEN" -- es geht darum, dass dem Laien > überhaupt nicht bewusst ist, dass der übliche Betrieb des > Trafos NICHT den Bedingungen entspricht, unter denen die > aufgedruckte Leistung gilt. Nur sind wir hier keine "Laien" der Gattung "Hausfrau Erna fragt nach Auslegung ihres Netzteiltrafos". Für die hier diskutierenden Personen geht es ums UMSETZEN und eben darum doch ums KÖNNEN. Vorlesungen der Art "Ihr Sicherheitsbeauftragter teilt Ihnen nun mit was Sie dürfen und was nicht" braucht hier niemand. Insbesondere nicht Leuten gegenüber wie Gerhard O. (gerhard_) der als EINZIGER hier nach dem was ich gelesen habe seine Erfahrungen auch in praktischer Weise in Form selbst erstellter Schaltungen bzw. Geräte weitergibt. Alte Hasen belehrt man nicht von oben herab!
Possetitjel schrieb: >> Die Frage ist halt nur bei diesen Angaben inwieweit >> sie dauerhaft oder nur kurzzeitig für den Anwender >> von nutzen sind. > > Steht auch auf'm Typenschild. > > Wenn nix dasteht, ist Dauerbetrieb gemeint (S1); steht > in irgend einer Norm, dass das so ist. > Wenn andere Belastung gemeint ist (komme grade nicht auf > den korrekten Namen), steht eben S2 oder S4 oder so da. > > Wenn nur "100W" dasteht, ist das m.W. immer Dauerleistung. > >> Ich bin kürzlich bei Proxxon über deren Angaben im >> Datenblatt gestolpert, >> >> TISCHBOHRMASCHINE TBM 220: Leistung 85 Watt 10 min. >> FRAESMOTOR BFW40: 250 Watt KB 10 min. >> FEINSCHNITT TISCHKREIS FET: 200 Watt KB 10 min. >> Tischkreissaege KS 230: 85 Watt KB 15 min. > > Sachlich richtig -- hilft aber für die Diskussion über den > Trafo nicht weiter. Widerlegt aber schon mal deine Angabe von eben. Zeige mir mal wo diese Kurzzeitnutzung für den Verbraucher sichtbar außen auf der Verpackung steht. > Das Problem beim Trafo ist ja gerade das: Bei cos_phi=1 > ist die aufgedruckte Leistung als Dauerleistung zulässig. > Bei Betrieb mit Gleichrichter und Elko ist das aber KEINE > Dauerleistung (weil der cos_phi < 1). Darum dreht sich die > ganze Diskussion. Na und? Was willst du mir damit sagen? Dürfen deine Trafos nun mit einem Gleichrichter + Lade-Elko nicht mehr betrieben werden, damit dein COS erfüllt ist? Darf dein Trafo um den Cos Phi einzuhalten sekundär nur mit rein ohmschen (Wirk-)Lasten betrieben werden? Was sollen diese realitätsfernen Nutzungseinschränkungen? Glaubst du die Unterhaltungsindustrie hat Trafos in ihren HIFI Türmen immer nur mit COS PHI = 1 betrieben? Absurde Diskussion.
Harald W. schrieb: > MaWin schrieb: > >> die halten bei der Temperatur dann im Mittel 10 Jahre. > > Du meinst bei 24/7? Das passiert bei den meisten Geräten im > Amateurbereich nicht. Insbesondere nicht bei Labornetzteilen. Eben. Hier wird formal herumgeschwurbelt nach alt-preußisch deutscher Beamtenmanier. Es kann nicht sein was nicht sein darf. "Bei uns hat der COS PHI gefälligst EINS zu sein!. Alles andere wird verboten!". Absurde Diskussion.
Alles Humbug schrieb: > Widerlegt aber schon mal deine Angabe von eben. Zeige mir mal wo diese > Kurzzeitnutzung für den Verbraucher sichtbar außen auf der Verpackung > steht Kann der nicht. Aber hier ein Auszug für dich: "6. Einschaltdauer In manchen Fällen werden Transformatoren nicht dauernd mit Nennlast oder im aussetzenden Betrieb (AB) betrieben. Dadurch lässt sich die Baugröße reduzieren: Einschaltdauer ED = 100 x Belastungszeit = % Spieldauer Spieldauer = Belastungszeit + Pausenzeit. Bei bekannter Einschaltdauer kann die Typengröße nach folgender Tabelle ermittelt werden: ED% 5 10 15 20 40 60 70 80 PTyp x 0.22 0.32 0.39 0.45 0.63 0.77 0.84 0.89 Beispiel: 2 kVA bei 60 % ED = 0.77 x 2 kVA = 1.54 kVA "
Alles Humbug schrieb: >> Sachlich richtig -- hilft aber für die Diskussion >> über den Trafo nicht weiter. > > Widerlegt aber schon mal deine Angabe von eben. ??? > Zeige mir mal wo diese Kurzzeitnutzung für den > Verbraucher sichtbar außen auf der Verpackung > steht. "Außen auf der Verpackung" nicht. Die Norm fordert m.W., dass das auf dem Typenschild steht, und bei den Proxxon-Geräten, die ich in der Hand hatte, STAND es auf dem Typenschild. (Bei anderen Geräten übrigens auch.) >> Das Problem beim Trafo ist ja gerade das: Bei cos_phi=1 >> ist die aufgedruckte Leistung als Dauerleistung zulässig. > >> Bei Betrieb mit Gleichrichter und Elko ist das aber KEINE >> Dauerleistung (weil der cos_phi < 1). Darum dreht sich die >> ganze Diskussion. > > Na und? Was willst du mir damit sagen? Dürfen deine Trafos > nun mit einem Gleichrichter + Lade-Elko nicht mehr betrieben > werden, damit dein COS erfüllt ist? Doch, natürlich dürfen sie das -- nur eben nicht mit der Dauerleistung, die als Nennleistung auf dem Typenschild steht (sondern nur mit weniger). > Darf dein Trafo um den Cos Phi einzuhalten sekundär nur > mit rein ohmschen (Wirk-)Lasten betrieben werden? <Gebetsmühle> Wenn man die auf dem Typenschild aufgedruckte Nennleistung dem Trafo ohne weitere Maßnahmen als Dauerleistung abverlangen willst, dann ist das so, ja. Wenn man wegen Gleichrichter+Elko einen cos_phi < 1 hat, darf man die Nennleistung nicht als Dauerleistung entnehmen. Ja. Genau. </Gebetsmühle> > Was sollen diese realitätsfernen Nutzungseinschränkungen? Das ist weder realitätsfern noch eine Nutzungseinschränkung. Du darfst den Trafo ja problemlos unter anderen Bedingungen benutzen -- wenn Du sicherstellst, dass es nicht zu einer unzulässigen Erwärmung kommt. Ich verstehe -- offen gestanden -- weder, warum Du mit mir streitest, noch, worin Dein Verständnisproblem besteht. Das Prinzip des Nennarbeitspunktes ist doch gerade, dass der Hersteller für einen (und NUR für EINEN EINZIGEN) Betriebspunkt die höchstzulässige Dauerbelastung angibt. Entscheidend ist dabei, dass ALLE relevanten Randbedingungen für diesen Betriebspunkt bekannt sind (z.B. weil die in der einschlägigen Norm stehen). Wenn jetzt in Deinem Anwendungsfall ANDERE Betriebs- bedingungen vorliegen, kennst Du sämtliche Größen, die notwendig sind, um den Nennarbeitspunkt in den bei Dir real vorliegenden Arbeitspunkt umzurechnen -- entweder, weil das mit physikalischen Betrachtungen einfach machbar ist, oder, weil irgendwo entsprechende Umrechnungen oder Diagramme zu finden sind. Wenn die Norm also sagt: "Nennwerte gelten für Aufstellhöhe bis maximal 3000m", und Du willst Deine Drehbank auf dem Mount Everest betreiben, dann musst Du Dir die entsprechende Lastminderungskurve besorgen und dort nachsehen, wieviel Leistung Du dem Antriebsmotor abverlangen darfst. Wenn Dir dann einfällt, dass Du ja keinen Dauerbetrieb brauchst, bestimmst Du für den für Dich relevanten Belastungszyklus die maximale Motortemperatur, und wenn die im zulässigen Bereich liegt, bist Du fertig. Wenn nicht, musst Du überlegen, was Du machen kannst. Ich verstehe das Problem nicht. > Glaubst du die Unterhaltungsindustrie hat Trafos in ihren > HIFI Türmen immer nur mit COS PHI = 1 betrieben? Die Unterhaltungsindustrie ist für die Auslegung von Bauteilen nach den anerkannten Regeln der Technik vielleicht kein optimales Beispiel... :)
Possetitjel schrieb: >> Darf dein Trafo um den Cos Phi einzuhalten sekundär nur >> mit rein ohmschen (Wirk-)Lasten betrieben werden? > Wenn man die auf dem Typenschild aufgedruckte Nennleistung > dem Trafo ohne weitere Maßnahmen als Dauerleistung > abverlangen willst, dann ist das so, ja. Aha! "Ohne weitere Maßnahme". Richtig. Hier machst du bereits Einschränkungen deiner Aussage. Mit den richtigen "Maßnahmen" schaut die Sachlage also schon anders aus. Und was heißt schon "Dauerleistung"? Wenn du eine Festplatte kaufst ist diese im Normalfall auch nicht auf "Kurzzeitleistung" ausgelegt, sondern dauerhaft. Trotzdem darfst du dich damit noch lange nicht auf 24/7 Dauerbetrieb derselben berufen. Höhere Belastung geht halt auf die Lebensdauer. Das war's dann aber auch schon. > Wenn man wegen Gleichrichter+Elko einen cos_phi < 1 hat, > darf man die Nennleistung nicht als Dauerleistung > entnehmen. Ja. Genau. Quark! Wenn geeignete Maßnahmen getroffen werden (dazu sollte schon ein einfacher Lüfter im Gerät reichen) nebst Temperaturüberwachung spielt das alles gar keine Rolle. > Das ist weder realitätsfern noch eine Nutzungseinschränkung. > Du darfst den Trafo ja problemlos unter anderen Bedingungen > benutzen -- wenn Du sicherstellst, dass es nicht zu einer > unzulässigen Erwärmung kommt. Ach jetzt doch plötzlich? > Ich verstehe -- offen gestanden -- weder, warum Du mit mir > streitest, noch, worin Dein Verständnisproblem besteht. Umgekehrt, ICH verstehe nicht worin dein Verständnisproblem einer richtigen Schaltungsauslegung liegt. Wenn alle Maßnahmen getroffen sind, einen Defekt zu verhindern, durch Einhalten der max. zulässigen Betriebstemperatur, spielt das Beharren nach Beamtenmanier auf STRENGE Auslegung einer ALLGEMEINEN Vorgabe des Herstellers ("ohne weitere Maßnahmen") schlicht keine Rolle mehr.
Possetitjel schrieb: > Du darfst den Trafo ja problemlos unter anderen Bedingungen > benutzen -- wenn Du sicherstellst, dass es nicht zu einer > unzulässigen Erwärmung kommt. Oh MAN! Nur wenn du es sagt, stimmt es. Und wenn ich das sage, ist es verkehrt. Tany schrieb: > Bei voller Belastung ist der Trafo warm, man muß nur die Wärme abführen > und gut ist Alles Humbug schrieb: > Absurde Diskussion.
Bissl offtopic, aber was solls, hier geht's ja lange nicht mehr ums Thema... Hat evtl. jemand einen Schaltplan für das ELV Labornetzteil SPS7330? Habe ein solches heute gebraucht erworben, und mich über den Knall erschrocken, den die Leitungen beim Kurzschließen von z.B. 30V und 0,01A erzeugen...Klar geht's beim getakteten Netzteil nicht mit 1µ, aber der Ausgangs-Elko scheint echt riesig zu sein. Möchte es ungern total zerlegen, nur um die bescheidene Technik zu ergründen. Vielen Dank.
Alles Humbug schrieb: >> Das ist weder realitätsfern noch eine Nutzungseinschränkung. >> Du darfst den Trafo ja problemlos unter anderen Bedingungen >> benutzen -- wenn Du sicherstellst, dass es nicht zu einer >> unzulässigen Erwärmung kommt. > > Ach jetzt doch plötzlich? Nein, überhaupt nicht "plötzlich" - genau das wird doch hier die ganze Zeit gebetsmühlenartig wiederholt: * Die Leistungsangabe auf dem Typenschild gilt für cos_phi = 1. * Gleichrichter mit Elko gibt aber keinen cos_phi = 1, sondern weniger. * Es fällt also mehr Verlustleistung an. * Also muss man irgendwas tun, um Überhitzung auszuschließen. * Die einfachste und sicherste Methode dafür besteht darin, die Durchgangsleistung entsprechend zu reduzieren. Natürlich könnte man (theoretisch) statt der Leistungsreduktion auch eine Zwangskühlung mit Lüfter vorsehen -- aber wer will das? Das ist rein akademisch, weil es einen ganzen Sack an Nachteilen hat. Sicher nichts, was man einem ambitionierten Laien empfiehlt. Da gibt es unter anderem das Problem, dass man dazu den Wärmewiderstand des Trafos kennen müsste, um eine Überhitzung im Innern sicher auszuschließen. >> Ich verstehe -- offen gestanden -- weder, warum Du mit mir >> streitest, noch, worin Dein Verständnisproblem besteht. > > Umgekehrt, ICH verstehe nicht worin dein Verständnisproblem > einer richtigen Schaltungsauslegung liegt. Ich habe keins, ich weiss, wie's geht. Weiter oben im Thread wurde völlig unqualifiziert gespottet: > Die Angsthase rechnen immer mit einem Faktor 1,4 nur um > den Trafo "kühl" zu halten. An diesem Spott ist ALLES unqualifiziert. * Erstens ist der Trafo bei Nennlast alles andere als kühl; er ist lediglich noch nicht überhitzt. * Zweitens wird mit dem Faktor 1.4 nicht bloß willkürlich GERECHNET, sondern er tritt im Tafo auch tatsächlich auf! Das ist keine Zahlenspielerei, sondern Physik! * Drittens sind Leute, die die Physik zur Kenntnis nehmen, keine Angsthasen, sondern lediglich verantwortungsbewusst.
Tany schrieb: > Oh MAN! > Nur wenn du es sagt, stimmt es. > > Und wenn ich das sage, ist es verkehrt. Und jetzt verstehst Du die Welt nicht mehr, oder?! Naja. Lies einfach oben noch mal nach, und Du wirst sehen, dass ich gar nicht Deiner Sachaussage widersprochen, sondern Dich dafür kritisiert habe, dass Du Andrew als Angsthasen verspottest. Andrew hatte Dich nur darauf hingewiesen, dass das mit dem "eben einfach nur besser kühlen" in der Praxis häufig nicht ganz so einfach ist. Das hat überhaupt nichts mit Angst oder Mut zu tun.
Possetitjel schrieb: > Alles Humbug schrieb: > >>> Das ist weder realitätsfern noch eine Nutzungseinschränkung. >>> Du darfst den Trafo ja problemlos unter anderen Bedingungen >>> benutzen -- wenn Du sicherstellst, dass es nicht zu einer >>> unzulässigen Erwärmung kommt. >> >> Ach jetzt doch plötzlich? > > Nein, überhaupt nicht "plötzlich" - genau das wird doch > hier die ganze Zeit gebetsmühlenartig wiederholt: Nö. Das las sich bisher ganz anders. > Natürlich könnte man (theoretisch) statt der Leistungsreduktion > auch eine Zwangskühlung mit Lüfter vorsehen -- aber wer will > das? Das ist rein akademisch, Quatsch. Das ist sogar rein praktisch fast unumgänglich, nämlich dann, wenn dein linear geregeltes Leistungsnetzteil die anfallende Abwärme (und die ist BETRÄCHTLICH bei z.B. 30 V 5 A) SOWIESO aus dem Gerät befördern muss (wenn der Kühlkörper nicht gerade zufällig außerhalb des Geräts sprich am Gehäuse außen angebracht ist). Da wird als Nebeneffekt einer geregelten FAN Belüftung der Transformator quasi gleich mit gekühlt. > Da gibt es unter anderem das Problem, dass man dazu den > Wärmewiderstand des Trafos kennen müsste, um eine Überhitzung > im Innern sicher auszuschließen. Das mein Bester fällt unter deine Beschreibung "rein akademisch".
Grün oder Blau, ist doch egal welche Farbe euer Sandförmchen hat. Einigt euch doch einfach auf Türkis! Dann is wieder ruhe im Kindergarten.
Possetitjel schrieb: > Weiter oben im Thread wurde völlig unqualifiziert gespottet: > > Die Angsthase rechnen immer mit einem Faktor 1,4 nur um > > den Trafo "kühl" zu halten Soso.... Laut der vom Hersteller kann ich problemlos den Trafo 1,4 facher überlasten. Bei der Überlastung entsteht natürlich Wärme, die abgeführt werden muß, habe ich auch gesagt. Im obigen Beispiel von Gerhard entstand laut seiner Messung ca. 60W (und nicht 68W) gegenüber 48W Nennleistung, gerade mal Faktor 1,25. Ein normaler Lüfterstrom reicht völlig aus, den Trafo kühl zu halten, zumindest die max. Temperatur nicht zu überschritten. Messung von Gerhard hat auch belegt, obwohl er kein besonderes Kühlmaßnahmen veranlasst hat. Die Leute, die es nicht traut, wie soll man dann nennen, wenn Angsthase den falsche Bezeichnung ist? Wenn du meinst "Angsthase" ein unqualifizierter Begriff ist, dann suchst dir selber raus. Als die Argumenten aus sind, bringst du die cos_phi ins Spiel. Hier noch eine Definition von der Nennleistung: "Die angegebenen Leistungen beziehen sich auf die an der Sekundärseite des Transformators entnehmbare Nennleistung in VA oder kVA. Die Nennleistung gilt für: - Nenn-Primärspannung - Dauerbetrieb (DB) - Nennfrequenz - Umgebungstemperatur max. 40 ° C - Aufstellhöhe bis 1000m über NN" Da steht nirgendwo cos_phi. Diese Definition stammt weder von mir noch von jemand aus Forum, sondern von Trafo Hersteller.
Alles Humbug schrieb: > Nö. Das las sich bisher ganz anders. Das tut mir leid. So war es jedenfall immer gemeint. >> Natürlich könnte man (theoretisch) statt der Leistungs- >> reduktion auch eine Zwangskühlung mit Lüfter vorsehen -- >> aber wer will das? Das ist rein akademisch, > > Quatsch. Das ist sogar rein praktisch fast unumgänglich, Nö, das stimmt nicht. Ich schätze die alten Statron-Kisten unter anderem deshalb, weil sie rein passiv gekühlt sind. Was nicht eingebaut ist, kann keinen Krach machen und auch nicht kaputtgehen. >> Da gibt es unter anderem das Problem, dass man dazu >> den Wärmewiderstand des Trafos kennen müsste, um eine >> Überhitzung im Innern sicher auszuschließen. > > Das mein Bester fällt unter deine Beschreibung "rein > akademisch". Das kannst Du halten, wie Du willst. Das Problem gibt es bei Elektromotoren auch; dort gibt es sogar Empfehlungen, wie man aus dem im betriebswarmen Zustand gemessenen Wicklungswiderstand auf die Maximal- temperatur der Wicklung rückrechnen soll. Natürlich geht das auch beim Trafo -- aber das würdest Du tatsächlich jemandem empfehlen, der in µC.net aufschlägt und nach einem Labornetzteil fragt? Ganz im Ernst?
Teo D. schrieb: > Dann is wieder ruhe im Kindergarten. Tut mir leid, das ist ein Diskussionsforum, und ich diskutiere.
> Andrew hatte Dich nur darauf hingewiesen, dass das > mit dem "eben einfach nur besser kühlen" in der Praxis > häufig nicht ganz so einfach ist. Das hat überhaupt > nichts mit Angst oder Mut zu tun Wenn es so bleiben würde, hätten wir auch sehr sachlich darüber diskutieren können. Andrew T. schrieb: > Kreuze an: > [ ] Ich trolle > [ ] Ich war besoffen, als ich die obige Aussage schrieb > [ ] Ich bin total Ahnungsfrei
Tany schrieb: > Wenn es so bleiben würde, hätten wir auch sehr sachlich darüber > diskutieren können. > > Andrew T. schrieb: >> Kreuze an: >> [ ] Ich trolle >> [ ] Ich war besoffen, als ich die obige Aussage schrieb >> [ ] Ich bin total Ahnungsfrei Man, das is ne anonyme Unterhaltung. Diese heftige Reaktion hat höchstwahrscheinlich überhaupt nichts mit deiner Person zu tun! Ist nur eine Reaktion auf den allgemeinen rauen Ton und die Erfahrungen im Netz allgemein. Da war eventuell beim Frühstücksei, nur das weiße noch glibbrig.... ;) Sowas sollte man überlesen lernen. Is einfach besser für die Gesundheit.
Tany schrieb: > Als die Argumenten aus sind, Wirst Du es irgendwann fertigbringen, diese Stichelei zu unterlassen? > bringst du die cos_phi ins Spiel. Nein, ich habe den cos_phi ins Spiel gebracht, weil wir letztlich die Auswirkungen der Verzerrungsblindleistung diskutieren, die von Gleichrichter und Elko hervorgerufen wird. Das war nur als Abkürzung gedacht.
Tany schrieb: >> Andrew hatte Dich nur darauf hingewiesen, dass das >> mit dem "eben einfach nur besser kühlen" in der Praxis >> häufig nicht ganz so einfach ist. Das hat überhaupt >> nichts mit Angst oder Mut zu tun > > Wenn es so bleiben würde, hätten wir auch sehr sachlich > darüber diskutieren können. Hmm... > Andrew T. schrieb: >> Kreuze an: >> [ ] Ich trolle >> [ ] Ich war besoffen, als ich die obige Aussage schrieb >> [ ] Ich bin total Ahnungsfrei ...vielleicht liest Du einfach nochmal nach, wer zuerst mit der unsachlichen Stichelei angefangen hat, und wer darauf geantwortet hat.
Possetitjel schrieb: > Ich schätze die alten Statron-Kisten unter anderem deshalb, > weil sie rein passiv gekühlt sind. > Was nicht eingebaut ist, kann keinen Krach machen und auch > nicht kaputtgehen. Und was gut gekühlt ist hält länger und stirbt nicht so schnell den Hitzetod. Der "Krach" lässt sich durch wertige Lüfter eindämmen. Es muss nicht so unangenehm sein wie beim Rigol DS1052E. Auch dein PC wird Lüfter haben. Ohne diese müssten die Kühlflächen entsprechend größer ausfallen. Dann hast du entweder einen riesen Klotz an LNT-Gehäuse auf dem Schreibtisch oder dein LNT-Gehäuse hat einen sperrigen Kühlkörper an seiner Rückseite aufgeschraubt. Da der aber heiß wird (werden kann), musst du immer aufpassen, nicht zufällig mit dem Arm etc. dich daran zu verbrennen oder andere Dinge in unmittelbarer Nähe in thermische Mitleidenschaft zu ziehen. Mal abgesehen davon ist so ein Klotz hinten am Gehäuse auch kein optisches Schmankerl. > Das Problem gibt es bei Elektromotoren auch; dort gibt > es sogar Empfehlungen, wie man aus dem im betriebswarmen > Zustand gemessenen Wicklungswiderstand auf die Maximal- > temperatur der Wicklung rückrechnen soll. Und gerade Elektromotoren sind ein schönes Beispiel dafür nicht deinen Erwartungen an "Dauerbestrieb" bei Nennleistung stand zu halten. Mir reicht schon wie heiß mein Akkuschrauber wird (genauer gesagt dessen Elektromotor) wenn ich ihn mal etwas intensiver verwende. Bosch blau übrigens. > Natürlich geht das auch beim Trafo :) > -- aber das würdest Du > tatsächlich jemandem empfehlen, der in µC.net aufschlägt > und nach einem Labornetzteil fragt? Ganz im Ernst? Nach was GENAU fragt er denn? Beginnt der Satz wie so oft mit "ich will da was bauen, habe aber überhaupt keine Ahnung von der Materie..". Bei solchen Kandidaten spielt das hier diskutierte Thema doch gar keine Rolle. Da ist die Frage viel eher ob derjenige sich wirklich an 230 V~ Geräten als Einstieg versuchen sollte (eher nicht). Wenn aber jemand wie Gerhard O. (gerhard_) als alter Hase hier auch Grenzen seiner Selbstbauprojekte auslotet und für sich nutzt dann gleich als "Unwissender" dargestellt wird, dafür fehlt mir jedes Verständnis.
Possetitjel schrieb: > Das nämlich der übliche Betrieb des Trafos mit Gleichrichter > und Ladeelko NICHT den Nennbedingungen entspricht, sondern > zu einer (gegenüber den Nennbedingungen) ERHÖHTEN Belastung > des Trafos führt. Ja, Die Nennleistung eines Netztrafos wird immer für eine reine Werchselstrombelasstung angegeben. Ein solcher Betrieb ist in der Praxis aber eher selten. >> Dafür kannst du mit geeigneten Kühlmaßnahmen oder durch >> eine nur kurzfristig geduldete Überlastung oder durch >> Abschaltung bei Übertemperatur mittels Temperaturüberwachung >> sorgen. > > Siehe oben: Richtig, aber irrelevant. > Es geht nicht um "KÖNNEN" -- es geht darum, dass dem Laien > überhaupt nicht bewusst ist, dass der übliche Betrieb des > Trafos NICHT den Bedingungen entspricht, unter denen die > aufgedruckte Leistung gilt. Die Tatsache, das der Anschluss eines Gleichrichters an einen Eisentrafo ein völlig anderes Betriebsverhalten gegenüber der sog. Nennbelastung darstellt, hat sich leider hier im Forum, bis auf wenige Ausnahmen, noch nicht herumgesprochen. Als Einstieg für die Dimensionierung von Netzteilen ist m.E. der entsprechende Abschnitt in den DSE-FAQ gut geeignet.
Alles Humbug schrieb: > Eben. Hier wird formal herumgeschwurbelt nach alt-preußisch deutscher > Beamtenmanier. Es kann nicht sein was nicht sein darf. "Bei uns hat der > COS PHI gefälligst EINS zu sein!. Alles andere wird verboten!". > > Absurde Diskussion. Ja, Deine absurde Diskussion über den cos phi kannst Du gerne in einem anderen Thread führen. Für die Bemessung von Netzteilen spielt er keine Rolle.
Harald W. schrieb: >> Absurde Diskussion. > > Ja, Deine absurde Diskussion über den cos phi kannst Du gerne in > einem anderen Thread führen. Für die Bemessung von Netzteilen > spielt er keine Rolle. Das ist nicht MEINE Diskussion über den COS Phi. Die wurde hier von anderen eingeführt. Und übrigens auch ICH diskutiere und DU bestimmst hier nicht den Verlauf der Diskussion (schon gar nicht mit falschen Argumenten).
Alles Humbug schrieb: > Und übrigens auch ICH diskutiere und DU bestimmst hier nicht den Verlauf > der Diskussion (schon gar nicht mit falschen Argumenten). Es geht hier um die unterschiedliche Belastung von Eisentrafos durch Widerstände bzw. Gleichrichter. Dabei ist die Belastung mit Gleichrichter plus Ladeelko um ca. 50% höher als durch Widerstandsbelastung. Diese Tatsache beruht auf physikalische Gesetze und solche Gesetze lassen sich nun mal nicht einfach wegdiskussieren.
Harald W. schrieb: > Es geht hier.... Das sind keine unwissenden Trantüten, die kennen sich beide bestens aus. Hier gehts nur um Form, Wortwahl und Ausdrucksweise -> Kindsköpfe eben. ;)
Teo D. schrieb: > Harald W. schrieb: >> Es geht hier.... > > Das sind keine unwissenden Trantüten, die kennen sich beide bestens aus. > Hier gehts nur um Form, Wortwahl und Ausdrucksweise -> Kindsköpfe eben. > ;) Da drängt sich ein Bibelspruch auf. "wenn ihr nicht werdet wie die Kinder könnt ihr das Himmelreich nicht erlangen" Kurt .
Harald W. schrieb: > Dabei ist die Belastung > mit Gleichrichter plus Ladeelko um ca. 50% höher als durch > Widerstandsbelastung. Diese Tatsache beruht auf physikalische > Gesetze und solche Gesetze lassen sich nun mal nicht einfach > wegdiskussieren Bei diesem Fall ca. 25%. Reicht dir das?
Tany schrieb: > Harald W. schrieb: >> Dabei ist die Belastung >> mit Gleichrichter plus Ladeelko um ca. 50% höher als durch >> Widerstandsbelastung. Diese Tatsache beruht auf physikalische >> Gesetze und solche Gesetze lassen sich nun mal nicht einfach >> wegdiskussieren > > Bei diesem Fall ca. 25%. Reicht dir das? Nein.
Bitte melde dich an um einen Beitrag zu schreiben. Anmeldung ist kostenlos und dauert nur eine Minute.
Bestehender Account
Schon ein Account bei Google/GoogleMail? Keine Anmeldung erforderlich!
Mit Google-Account einloggen
Mit Google-Account einloggen
Noch kein Account? Hier anmelden.













