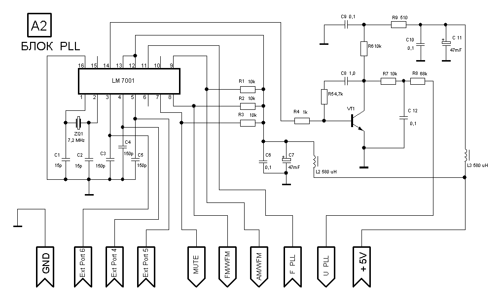
Hallo. Ich habe ein kleines Problem. Ich habe mir ein kleines L-M-K-UKW-Radio zusammen gebaut, welches recht gut funktiert und die wichtigsten Frequenzen sehr gut abdeckt, mit AGC, AFC, PLL, Stereodecoder u.s.w. Zuesrt wollte ich die LED-Anzeige mit dem SAA1058 und SAA1070 aufbauen, weil LED-Displays sind genug da, nur den SAA1070 bekommt man bei mir nirgends und wenn sehr teuer. Dann fiel mir ein, dass ich einmal ein anderes Radio zusammen gebaut habe, welches man als Beispiel nehmen könnte, wenn man es umprogrammiert: http://electronicfox.pytalhost.at/ATMEGA328P_Radio_Bastelwettbewerb.html Man dieses leicht auf 4 Stellen umbauen und programmieren, zumindest dachte ich mir das. Nun habe ich fast alles zusammen, nur nicht das wissen, wie ich die Frequenz auf den Display bringe. Mir gehts nur darum wie ich, wenn die PLL auf z.B. auf 117,4 Mhz eingestellt ist, was dem UKW 106,7 entspricht, auch die 106,7 auf den Display bringe. Matrixansteuerung ist mir klar und mit einer Tabelle werde ich bei sovielen Zeichen und Frequenzen nicht weit springen können. Vielleicht weiß jemand hier mit Assembler weiter. Im Netz findet man viele PLL-Beispiele mit Display und PIC, allerdings habe ich hier einen ATMEGA328P und LM7001 hier. Vielen Dank für eure Hilfe.
Alex schrieb: > Matrixansteuerung ist mir klar Wenn dir die Matrixansteuerung klar ist, dann zeige doch mal deinen (oder den) bisherigen Code. Da sollte dann ja die PLL Frequenz [oder "irgendwas"] schon auf dem "Display" (also deinen 7-Segment-Anzeigen) zu sehen sein. Alex schrieb: > Mir gehts nur darum wie ich, wenn die PLL auf z.B. auf 117,4 Mhz > eingestellt ist, was dem UKW 106,7 entspricht, auch die 106,7 auf den > Display bringe. und mit einer Tabelle werde ich bei > sovielen Zeichen und Frequenzen nicht weit springen können. naja, wenn es dir "nur darum" geht: das musst du (oder dein ATMEGA Controller) halt umrechnen. PLL Wert Minus 10.7. Und dann noch ein bischen rauf und runter runden, damit es in deinen 4 Stellen rein passt. Alex schrieb: > Vielleicht weiß jemand hier mit Assembler weiter. Wieso vermutest du, dass die Aufgabe mit Assembler (leichter, besser) gelöst werden kann? Wenn du so auf Assembler stehst: Schreib doch das Progrämmchen in C, dann kompilierst du es, und sichtest dann das erzeugte Assembler-Programm. Wenn du noch Optimierungspotential in den Assembler-Routinen findst, passt du halt das Assembler-Programm noch etwas an....
* http://www.box73.de/product_info.php?products_id=3405 Oder DIY: * http://www.hfsignals.com/wp-content/uploads/2017/11/raduinov1_circuit.png Ja, diese sind mit LCD 16x2 Zeichen. Aber den Raduino auf 7-Segmente umstricken ist machbar. Oh ja, der Raduino bringt gleich den LO mit...
Alex schrieb: > Matrixansteuerung ist mir klar und mit einer Tabelle werde ich bei > sovielen Zeichen und Frequenzen nicht weit springen können. Wohin willst Du denn springen? Ich sehe da nur eine Tabelle von 10 Byte (Ziffer nach 7-Segment).
Bitte melde dich an um einen Beitrag zu schreiben. Anmeldung ist kostenlos und dauert nur eine Minute.
Bestehender Account
Schon ein Account bei Google/GoogleMail? Keine Anmeldung erforderlich!
Mit Google-Account einloggen
Mit Google-Account einloggen
Noch kein Account? Hier anmelden.



