Hallo,
ich bin dabei eine Rolladensteuerung auf meinser SPS umzusetzen
(Beckhoff/OSCAT).
Als Rohrmotor kommt in der größten Dimmension ein Jarolift TDEP-30/13
zum Einsatz (0,95A, 226W) bzw. Somfy J4 HTM 10/24 (0,5A ,110W).
Jeder Rohrmotor soll über zwei Relais in Reihe geschalten werden:
o--Motor auf--+
/ |
230V~ ---Relais 1 (EIN)---Relais 2 (UM)-o +-- N
|
o--Motor ab---+
Standardmäßig habe ich Finder-Relais der Serie 34 im Einsatz (
https://www.finder-relais.net/de/finder-relais-serie-34.pdf ).
Dieses Relais ist für den Anwendungsbereich zu klein, da die Motorlast
bei max. 185 Watt liegt.
Frage 1:
Sofern ich für das Relais 1 ein Model wähle, das für die entsprechende
induktive/kapazitive Last ausgelegt ist,
kann ich dann für das Relais 2 das og. Finder Model verwenden, sofern
die Schaltung nur dann erfolgt, wenn das Relais 2 über das Relais 1
stromlos geschalten ist (einschließlich Berücksichtigung der Ansprech-
und Rückfallzeit + Puffer).
Implementierung in der Form: Schaltung auf/ab über Relais 2 - Pause -
Relais 1 an - Behang fährt - Relais 1 aus - Pause - Relais 2 fällt
zurück;
Frage 2:
Habt Ihr eine Empfehlung für eine bezahlbare Variante das Relais 1? Die
Überlegung ging Richtung Finder 40.61 (Motorlast 750 Watt).
Frage 3:
Brauche ich in diesem Zusammenhang noch ein RC-Modul oder Varistor?
Wurde teilweise hier schon diskutiert, ob es benötigt wird erschließt
sich daraus leider noch nicht:
Beitrag "RC-Glied am Relais für Rolladen oder nicht?")
Vielen Dank für das Feedback!
Hi, frage wieso sind diese Relais zu schwach? Schalten doch 6 A bei 230 Volt AC. Habe bis jetzt immer Relais von Fujitsu z.B bei Reichelt NA 12W K(1,10 €) erfolgreich verwendet. Haben auch 2 Wechsler somit ist die Ansteuerung sehr einfach(„Wendeschützschaltung“) Gruß
Ma. M. schrieb: > Sofern ich für das Relais 1 ein Model wähle, das für die entsprechende > induktive/kapazitive Last ausgelegt ist, > kann ich dann für das Relais 2 das og. Finder Model verwenden, Ja. Zwar ist die Isolationspannung zwischen den Kontakten mit 1000V extrem niedrig gegenüber den 650V plus induktiver Abschaltspitze die zwischen den Motoranschlüssen auftreten können, da aber im Motor ein dicker Kondensator zwischen beiden Anschlüssen liegt, ist der Snubber schon vorhanden. Ma. M. schrieb: > Habt Ihr eine Empfehlung für eine bezahlbare Variante das Relais 1? Die > Überlegung ging Richtung Finder 40.61 (Motorlast 750 Watt). Eigentlich reicht eines ohne Umschalter sondern nur mit Einschalter und ohne Cadmium im Kontakt. > Frage 3: > Brauche ich in diesem Zusammenhang noch ein RC-Modul oder Varistor? Empfiehlt sich über Relais 1 damit dessen Kontakte länger leben.
Soweit ich gelesen habe sind die 6A nur bei ohmscher Last, beim Motor (AC3) sind es nur 0,74 A. Die gegenseite Veriegelung ist wohl nicht ausreichend, es sind zusätzlich über die Software noch Umschaltzeiten von ca. 300ms zu berücksichtigen (je nach Kontaktmaterial). Soweit die Theorie... In der Praxis habe ich jetzt schon in mehreren Foren gelesen, dass die Reihenschaltung mit zwei "kleinen" Relais (AC1: 6A, 230V) wohl problemlos funktioniert.
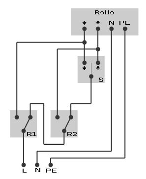
Hallo Ma M, eigentlich verwendet man eine etwas andere Schaltung: Die beiden Relais sind Umschalter (SPDT) und sind so verschaltet, dass wenn beide nicht angezogen sind, die Phase über BEIDE Relais in Serie und über die Ruhekontakte bis zum Wohnzimmertaster geht. Zieht das erste Relais an, schaltet die Phase um auf den angezogenen Kontakt, an dem z.B. aufwärts hängt. Das zweite Relais kann dann schalten wie es will, bekommt jedoch keine Phase auf den Mittelkontakt und kann dann abwärts nicht versorgen und auch keine Phase zum Wohnzimmer liefern. Bleibt das erste Relais in Ruheposition, fließt die Phase vom Umschaltkontakt zum Ruhekontakt und weiter zum Umschaltkontakt des zweiten Relais, der im angezogenen Zustand nun die Phase zum Abwärtsfahren liefert, jedoch ebenfalls den Pfad zum Wohnzimmer auftrennt. So wird sichergestellt, dass die Funktionen gegeneinander verriegelt sind und die Phase zu den Handbedienungen bei mindestens einem Relaisbetrieb abgeschaltet ist. Puh, alles klar? Klar, die Phasen zum Wohnzimmer sind bei Dir sicher nicht vorhanden, da ja Deine SPS benutzt werden soll. Man kann durch so eine Verschaltung von jeweils 2 Relais auch Gruppensteuerungen mit entsprechenden Verriegelungen aufbauen. Ach ja, falls etwas unverständlich ist, einfach gucken, was die Profis machen oder anbieten, z.B.: https://www.merten.de/uploads/tx_seqdownload/9_7_02_D_PRODUKT_KURZ_576398.pdf Noch ein kleiner Klugschiss: Ich habe in meine letzte Steuerung eine 10A Sicherung eingebaut und zusätzlich die Steuermodule mit 4A/T Schmelzsicherungen abgesichert. Bislang gab es keine Sicherungsauslösungen, aber ich schlafe nachts ruhiger. Gruß Bernd
Ma. M. schrieb: > In der Praxis habe ich jetzt schon in mehreren Foren gelesen, dass die > Reihenschaltung mit zwei "kleinen" Relais (AC1: 6A, 230V) wohl > problemlos funktioniert. Ich habe auch praktische Erfahrungen mit verschiedene Rollladensysteme. Alle meine Eigenbau Steuermodule sind mit den erwähnten Relais bestückt. Mehrere Module haben auch Lichtsensoren und fahren somit mehrmals täglich Auf und Zu wenn es die Wetterlage erfordert(Sonne/ Wolken). Noch kein Modul ist in den letzten 10 Jahren ausgefallen. Verstehe immer noch nicht was die Reihenschaltung soll, ist aber ein anderes Thema. Gruß
Rolli-Rolf schrieb: > Dateien: https://www.mikrocontroller.net/attachment/183799/Trennralais-Rolladen-schaltplan.gif ... wer sich an die Vergangenheit nicht erinnert, ist dazu verdammt, sie noch einmal zu erleben. Also, nur wegen der Möglichkeit jetzt etwas noch in die richtige Bahn zu lenken. Gruß Bernd PS: Maus auf "Rolli-Rolf" halten und klicken.
Zunächst Danke für Euer Feedback! Die angesprochene Problematik der Reihenschaltung ist mir allerdings noch nicht klar. Fred R. schrieb: > Verstehe immer noch nicht was die Reihenschaltung soll, ist aber ein > anderes Thema. Die Reihenschaltung soll verhindern, dass auf/ab gleichzeitig bestromt werden, bzw. da mehrere Motoren vorhanden sind die Trennung gewährleisten. Bernd B. schrieb: > Also, nur wegen der Möglichkeit jetzt etwas noch in die richtige Bahn zu > lenken. Ich habe mir den Thread durchgelesen, danke für den Tipp. Aber ich kann nicht erkennen (stehe ich auf der Leitung?) wo im vorliegenden Anwendungsfall etwas schief gehen kann. Einen Schalter gibt es nicht. Über die beiden Relais bzw. das zweite ist sichergestellt, dass auf- und ab niemals gleizeitig bestrommt werden. Schaltzeiten der Relais sowie die Zwangspause zwischen auf- und ab können über die SPS gewährleistet werden. Was übersehe ich? Ich könnte die Relais wie im Anhang beschalten, aber wo ist der Vorteil? Ich sehe derzeit nur folgende kleinen Nachteile: - für beide Relais werden die höherpreisigen Relais benötige, welche die entsprechende Last abkönnen - 25% mehr Platzbedarf im Verteiler, da ansonsten für Relais 2 die Kleineren gewählt werden können Lasse mich aber gerne von der anderen Lösung überzeugen!
Hallo Ma M, ich habe die Relais von Finder 40.61 für 230V/AC 50/60 Hz verwendet. Alle Relais sind natürlich in Sockel gesteckt, die man in Leiterplatten einlöten kann. Das erleichtert den Austausch, der ja nie eintritt. Die Kosten für die Relais und Sockel sind selbst bei Reichelt als Lieferant überschaubar. Die Gutgläubigkeit in SPS, usw. finde ich ein bisschen übertrieben. Ich habe von Fällen gehört, wo der Hausherr ins Krankenhaus musste und die Ehefrau einen Elektriker holte, der dann aber auch auf dem Schlauch stand (Hat unser Nachbar erzählt und war sein ehemaliger Arbeitskollege.) Bei einer Verschaltung, wie ich sie aufgezeigt habe, kann man immer noch bei Ausfall der Elektronik ein paar Taster anschließen und per Hand steuern. Ob man das will oder nicht, muss jeder selber wissen. Ich habe jedoch schon beobachtet, dass Spezialisten, die im fortgeschrittenen Alter sind, mittlerweile nicht mehr wissen, welcher Wochentag heute ist. Das zum Thema Hausautomatisierung und SPS. Aber das ist nicht nur ein weites Feld, sondern auch ein Thema für sich. Sofern Du allerdings noch in der Bauphase steckst empfehle ich Dir: Lege 5x1.5mm2 von jedem Motor zum Schaltschrank und lege 5x1.5mm2 vom Taster aus den Räumen zum Schaltschrank. Dort kannst Du verschalten, wie es Dir beliebt. Ich habe damit eine Einzelsteuerung realisiert. Sofern man aber in der Küche erst den oberen Taster (für 1sec.) und anschließend den unteren Taster (1sec.) in der gleichen Richtung betätigt, fährt das ganze EG in die gewünscht Richtung. Bei der Reihenfolge erst unterer Taster, dann oberer, fährt WZ, Essecke und Küche in die Richtung. - Nette Spielerei. Aber jeder hat so seine eigenen Ideen und es gibt nicht nur Schwarz und Weiß, sondern eine Menge Grautöne dazwischen. Für den Notfall könnte man also im Hausanschlussraum für die Gruppen entsprechende Taster setzen, aber "ne, brauchen wir nicht". So, guten Wirkungsgrad! Gruß Bernd
Ma. M. schrieb: > Fred R. schrieb: >> Verstehe immer noch nicht was die Reihenschaltung soll, ist aber ein >> anderes Thema. > Die Reihenschaltung soll verhindern, dass auf/ab gleichzeitig bestromt > werden, bzw. da mehrere Motoren vorhanden sind die Trennung > gewährleisten. Oh, hatte doch die „Wendeschützschaltung“ erwähnt. Ist doch die Standartschaltung für solche Aufgaben. Auch wenn mehrere Motoren gleichzeitig bestromt werden. Obwohl jeder Motor sollte doch seine eigene Schaltstufe haben. Ob mit Software nur einer aktiviert wird, alle oder nach Vorgabe in Gruppen ist doch das einfachste. P. S habe vor kurzen eine Steuerung für 2 Original VELUX Rollos mit Timerautomadig, Helligkeitssensoren und Lastabschaltung(kann ja sein die Dinger klemmen mal) gebaut. Möchte behaupten die Modulkosten sind nicht teurer wie mit deiner Variante. Nur für Auf und Zu wohl in der Preisklasse deiner bevorzugten Relais. Bernd B. schrieb: > ... wer sich an die Vergangenheit nicht erinnert, ist dazu verdammt, sie > noch einmal zu erleben. > > Also, nur wegen der Möglichkeit jetzt etwas noch in die richtige Bahn zu > lenken. Diese Schaltung ist wohl für ein bestimmtes Produkt okay aber wohl nicht allg. gültig. Ein Wechselstrommotor hat eine Arbeitswicklung und eine Hilfswicklung. Will man die Drehrichtung ändern, ist das eigentlich recht einfach. Man braucht nur die Anschlüsse der Arbeitswicklung oder Hilfswicklung zu vertauschen. Wie kann ich in dieser Schaltung nicht erkennen. Kenne auch keine dieser Motoren die direkt mit Wechselstrom betrieben werden. Bitte dies nicht als großkotzig oder Werbung betrachten. Sind halt nur langjährige Amateurerfahrungen. Gruß
Bernd B. schrieb: > Sofern Du allerdings noch in der Bauphase steckst empfehle ich Dir: Lege > 5x1.5mm2 von jedem Motor zum Schaltschrank und lege 5x1.5mm2 vom Taster > aus den Räumen zum Schaltschrank. Ersteres ist realisiert, statt zweiterem liegt ein Bus-Kabel, dies könnte "im Notfall" unter Umgehung der SPS an die Relais geklemmt werden - Die Idee werde ich aufgreifen und in die Doku einbinden, wie diese "Notschalter" gesetzt werden können. Alternativ werde ich mal schauen ob es kompakte (mehrfach-)Taster für die Hutschine gibt, dann könnte ich das gleich einbauen, klingt gut für den Fall des Ausfalls... Sehe gerade ABB hat mit dem 2CCA703150R0001 Taster mit 1/2 TE, die bekomme ich vielleicht noch unter, auch wenn's eng wird... Immer zu wenig Platz im Schrank, bei der Konzeption waren die 48TE für 12 Rolläden ausreichend... Fred R. schrieb: > Bitte dies nicht als großkotzig oder Werbung betrachten. Sind halt nur > langjährige Amateurerfahrungen. Auf keinen Fall, kommt mir nicht in den Sinn. Freue mich ja über die Erfahrungen, deswegen bin ich hier! Danke für die Anregungen!
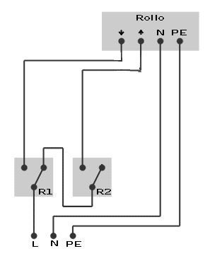
Vielen Dank für Eure Unterstützung! Zwischenzeitlich habe ich alles implementert und auch die SPS ist angebunden. Beschaltet ist es nach der Skizze von Bernd B. (vielen Dank!) nur ohne den Schalter für auf/ab. Stattdessen habe ich Relais mit Prüftaster gefunden, damit ist eine Handbedienung möglich, selbst wenn die SPS komplett ausgefallen ist und keine 24V Steuerspannung vorhanden ist. Von der Dokumentation auch einfach und für jeden verständlich. Jedes Rollo hat einen Taster für auf und einen für ab. Über die Beschaltung ist ein gleichzeitiges auf und ab nicht möglich. Weiterer Vorteil: Relaisbausteine raus, Programmiermodul für Endpunkte in die Federklemmen rein und die Endpunkte können neu programmiert werden ohne ein Kabel von der Schaltung zu entfernen oder umzuklemmen. Für mich insgesammt eine optimale Lösung :-)
Ma. M. schrieb: > Beschaltet ist es nach der Skizze von Bernd B. (vielen Dank!) nur ohne > den Schalter für auf/ab. Stattdessen habe ich Relais mit Prüftaster > gefunden, damit ist eine Handbedienung möglich, selbst wenn die SPS > komplett ausgefallen ist ...und dank der Verriegelung passiert auch dann nichts, wenn einer auf die Idee kommt, beide Prüftaster gleichzeitig zu drücken. :-) Was gern vergessen wird: Durch die speziellen Motoren, die für Rolladen verwendet werden, liegt an den Kontakten die doppelte Netzspannung! Das Relais muss für diese Spannung geeignet sein.
Hallo Ma M, vielen Dank fürs Feedback und den Hinweis zum Trick mit dem Prüftaster! Harald, der Hinweis mit der Spannung ist auch gut für den Abschluss des Threads! Gruß Bernd
Bitte melde dich an um einen Beitrag zu schreiben. Anmeldung ist kostenlos und dauert nur eine Minute.
Bestehender Account
Schon ein Account bei Google/GoogleMail? Keine Anmeldung erforderlich!
Mit Google-Account einloggen
Mit Google-Account einloggen
Noch kein Account? Hier anmelden.



