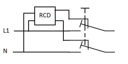
https://www.heise.de/forum/heise-online/Hardware/Sonstiges/DIY-FI-RCD-Trigger-als-Not-Aus-fuer-Haus-Etage-Wohnung/posting-33681950/show/
Hmm ... sollte doch reichen wenn man N und PE aneinanderbringt. Hatte ich auch schon ein paar mal beim Durchziehen von entmantelnte Adern , dass trotz LS auf 0 eine kurze Berührung der beiden reichte den RCD auszulösen. Geht aber vermutlich nur, wenn irgendwo in der Hütte noch ein Verbraucher läuft. Warum kommt das nochmal zustande ? Weil Rückströme über N dann direkt über Erde zuzrückgehen und dann den RCD aus dem Gleichgewicht bringen ? Keine Ahnung irgendwie sowas. Aber ja, lustige Idee als Not-AUS ... Wenns hilft
Ganz simples Ohmsches Gesetz aus Parallelschaltung von N und PE und dem immer auch auftretenden Spannungsabfall über den Leitungswiderständen.
Jörch B. schrieb: > Aber ja, lustige Idee als Not-AUS ... Wenn der PE dann irgendwo unterbrochen ist, haust du den Not-Aus rein und hast kuschelige 40mA auf dem Metallgehäuse. Stelle ich mir irgendwie unpraktisch vor.
Andre schrieb: > Jörch B. schrieb: >> Aber ja, lustige Idee als Not-AUS ... > > Wenn der PE dann irgendwo unterbrochen ist, haust du den Not-Aus rein > und hast kuschelige 40mA auf dem Metallgehäuse. Stelle ich mir irgendwie > unpraktisch vor. Taugt aber immerhin um die Funktion des PE in der Steckdose festzustellen. Das macht der monatlich durchzuführende Test am FI im Sicherungskasten nämlich nicht...
Ein ganz schlauer, von Technik fast keine Ahnung aber daher reden wie..... (meine den aus der CT-Seite) Andre schrieb: > Wenn der PE dann irgendwo unterbrochen ist, haust du den Not-Aus rein > und hast kuschelige 40mA auf dem Metallgehäuse. Stelle ich mir irgendwie > unpraktisch vor. Wie oft ist der PE denn normalerweise unterbrochen? Ich behaupte mal ganz frech, wenn wir jetzt in allen Steckdosen in D den PE abklemmen würden, dann gäbe es morgen nicht gleich 10 Tote mehr Und im Fall vom ct-Fragesteller - er hat ja einen RCD, wäre der PE unterbrochen, jemand würde genau in dem Moment in dem er den "Not-Aus" drückt an die Waschmaschine fassen, dann würde der RCD ja auslösen
Tim schrieb: > Taugt aber immerhin um die Funktion des PE in der Steckdose > festzustellen. Und ist auch der einzige Weg, den FI zuverlässig auszulösen. Wer täglich Gürtel und doppelte Hosenträger benutzt, wird sicherlich nach anderen Wegen suchen. Mein 1995 gebauter Steckdosentester macht genau das: Mit zwei Glimmlampen gegen PE zeige ich an, auf welcher Ader die Phase liegt und ich kann per Taster 7,5 kOhm gegen PE schalten. > Das macht der monatlich durchzuführende Test am FI im Sicherungskasten > nämlich nicht... Welchem Hirnpfurz entspringt denn der "der monatlich durchzuführende Test", ich kenne absolut niemanden, der das macht.
Manfred schrieb: > Wer täglich > Gürtel und doppelte Hosenträger benutzt, [...] > Welchem Hirnpfurz entspringt denn der "der monatlich durchzuführende > Test", ich kenne absolut niemanden, der das macht. Du kennst die doch! Und dann war da noch das: Beitrag "Suche FI-Schutzschalter mit unterbrechungsfreier Test-Funktion"
> > Und dann war da noch das: > > Beitrag "Suche FI-Schutzschalter mit unterbrechungsfreier Test-Funktion" LOL Hey : Kundenwunsch ist Kundenwunsch ;-)
> Hey : Kundenwunsch ist Kundenwunsch ;-)
richtig. Kein Problem. Braucht man aber 2 Hände für ...
Manfred schrieb: >> Das macht der monatlich durchzuführende Test am FI im Sicherungskasten >> nämlich nicht... > > Welchem Hirnpfurz entspringt denn der "der monatlich durchzuführende > Test", ich kenne absolut niemanden, der das macht. Das sollte man auf alle Fälle hin und wieder machen, die Funktion eines RCD ist nämlich sonst nicht garantiert, die Kontakte korrodieren etc..., im Fall des Falles löst er dann u.U. zu spät oder gar nicht aus. Da gabs schon böse Unfälle und auch Gerichtsurteile die den Hersteller in dem Fall aus der Schusslinie nehmen.
Auch wenn ich einen regelmäßigen Test zwar für sinnvoll halte, würde ich doch gerne mal von einem Gerät hören, das im einen Monat noch funktioniert hat und im nächsten nicht mehr. Genauso wie bei einem Auflade- oder CO2-Feuerlöscher, die praktisch ausnahmslos nach 20 Jahren noch funktionieren, aber alle 2 Jahre überprüft werden.
Manfred schrieb: > Welchem Hirnpfurz entspringt denn der "der monatlich durchzuführende > Test", ich kenne absolut niemanden, der das macht. Och, ich habe jahrelang 5 mal die Woche den RCD getestet: Abschaltung aller Laborsteckdosen am Feierabend! :-)
Widerstand schrieb: > Auch wenn ich einen regelmäßigen Test zwar für sinnvoll halte, würde ich > doch gerne mal von einem Gerät hören, das im einen Monat noch > funktioniert hat und im nächsten nicht mehr. Das ist die Definition von "kaputt". Gestern ging's noch, heute plötzlich nicht mehr.
Widerstand schrieb: > würde ich > doch gerne mal von einem Gerät hören, das im einen Monat noch > funktioniert hat und im nächsten nicht mehr. Mein Wasserkocher. Ist durchaus witzig: Wenn es Gesetze zur Prüfung gibt, wird gemeckert. Muß nicht geprüft werden und es passiert was, wird auch gemeckert. Klingt für mich typisch deutsch.
Widerstand schrieb: > würde ich > doch gerne mal von einem Gerät hören, das im einen Monat noch > funktioniert hat und im nächsten nicht mehr. der war echt lustig. Habe in meinem Haus jede Menge Geräte, die haben ein Tag zuvor noch funktioniert und am Tag danach nicht mehr.
Widerstand schrieb: > Auch wenn ich einen regelmäßigen Test zwar für sinnvoll halte, würde ich > doch gerne mal von einem Gerät hören, das im einen Monat noch > funktioniert hat und im nächsten nicht mehr. Genauso wie bei einem > Auflade- oder CO2-Feuerlöscher, die praktisch ausnahmslos nach 20 Jahren > noch funktionieren, aber alle 2 Jahre überprüft werden. Such mal nach ABB RCD. Die hatten mächtig Probleme mit RCDs welche nach einiger Zeit nicht mehr ausgelöst haben. Ein Fett ist da wohl verharzt.
DIY Fi-/RCD-Trigger als Not-Aus f.Wohnung -Gefährliche Ideen von Spinnern, die eventuelle Folgen nicht abschätzen können und Dritte zu gefährlichem Tun ermutigen! Es fehlt die grundhafte Kenntnis der Schutzmaßnahmen , speziell FI/RCD . lange war man der Meinung, Nicht-Fachleute dürfen das gar nicht wissen, damit sie da nicht basteln sollen. Heute gehören gewisse Grundgedanken in die Ausbildung von Mechatronikern ,Tischlern usw. praktisch aller Berufe -als Lebenskunde. - der FI muß größere Leistungen, evtl. Kurzschluß sicher trennen, Lastschalter haben deshalb Verschleiß und begrenzte Lebensdauer! Wir wollen glücklich sein, wenn er das tut und nicht zusätzlichen Verschleiß erzeugen. Er dient zum Schutz,für alles sonstiges-mech.Hauptschalter/Schütze. Zitat:< Welchem Hirnpfurz entspringt "der monatliche durchzuführende Test" > Ein wunderbares Wort, welches den Papst der FI-Erfinder, den oestreichischen Prof. Biegelmeier sicher entzückt hätte. - die Auslösespule reagiert bei etwa 1Volt an den Hauptspulen und 2/3 Idelta, d.h. beim 30mA-Fi bei 20mA das macht etwa 20 Milliwatt(!)Auslöseleistung. Man wünscht Leistungstrennung eigentlich in der ersten Halbwelle vor 90Grad. Schafft er nicht, aber der vom Prüfenden aufgeladene Federspeicher muß die Energie liefern und zwar kräftig und allzeit sicher. So betrachtet ist die monatliche Prüfung schon sinnvoll auch wenn die Trägheit des menschlichen Geistes und des anhängenden Fleisches auf Unterlassung stolz ist. Wir sollten doch öfter prüfen, auch wenn sich dann gerade Edelelektronik aufhängen will.
Bitte melde dich an um einen Beitrag zu schreiben. Anmeldung ist kostenlos und dauert nur eine Minute.
Bestehender Account
Schon ein Account bei Google/GoogleMail? Keine Anmeldung erforderlich!
Mit Google-Account einloggen
Mit Google-Account einloggen
Noch kein Account? Hier anmelden.

