Hallo! Ich komme eigentlich aus dem Maschinenbausektor und habe auch öfters mit Sensorik zu tun. Für ein neues Projekt muss ich 4 Sensoren in Reihe schalten. Diese sind 4-Adrig, weils sie 2 Schaltpunkte haben. https://schunk.com/fileadmin/pim/docs/IM0007324.PDF Das wollte ich eben mit dem IC4081BE (4x UND Logikgatter) lösen. https://at.rs-online.com/web/p/logikgatter/9222906/ Die 24V Spannungsversorgung für die Platine kommt von der Maschine. Diese habe ich auf 15V geregelt, damit die ICs damit klarkommen. Unter 12V kann ich nicht gehen, weil das Signal zurück zur Maschine mind. 12,5V haben muss um als HIGH erkannt zu werden. Jetzt zum Problem: Die Verlötungen sind alle korrekt - zig-Mal getestet und durchgemessen. Wenn ich das ganze unter Strom setze und am IC dann an den Eingängen das Schaltsignal anlege (14,8V) brennen die ICs durch. Aber auch bei niedrigeren Spannungen funktioniert das ganze überhaupt nicht. Fehlen hier Bauteile zur ordnungsgemäßen Funktion oder habe ich hier generell einen Denkfehler? Das Gebiet ist für mich Neuland - aber ich dachte mir - so schwer kann eine einfache Schaltung doch nicht sein! Vielleicht kann mich jemand Unterstützen und mir ein paar Tipps geben. Ich weiß, dass es auch andere Lösungen dafür gibt, trotzdem würde ich gerne wissen, wie man so eine Schaltung mit Logikgatter korrekt löst. Danke! Gruß, Mario
Mario P. schrieb: > Fehlen hier Bauteile zur ordnungsgemäßen Funktion Erstmal scheinen mir (die Unterseite sieht man nicht) die obligatorischen 100-nF-Kondensatoren von Vdd nach GND über jedem Chip zu fehlen. Zweitens würde ich an den Eingängen, die von außen kommen, ein paar Widerstände vorschalten, 10 kΩ vielleicht. Falls da mal Spannungsspitzen ankommen, begrenzen diese den fließenden Strom. Allgemein neigen CMOS-ICs gerade bei hohen Versorgungsspannungen zu einem so genannten latch-up, wenn sie zu viel Eingangsstrom bekommen. Dabei zündet ein parasitärer Thyristor, der sich aus den Eingangsschutzdioden zusammen mit dem Rest der Struktur ergibt, und wenn er gezündet ist, fließen dann intern hohe Ströme von Vdd nach GND, die den IC schnell zerstören.
Mario P. schrieb: > Für ein neues Projekt muss ich 4 Sensoren in Reihe schalten. Dann zeig mal Deinen Schaltplan. Mir erscheint es etwas seltsam, für Dein Problem Logik-ICs zu nehmen.
Evtl. ist auch der Eingang der verarbeitenden Maschine zu niederohmig. CMOS-Chips können mit Augen zu so gerade eine LED antreiben. Wenn der Eingang ein Relais hat, wird das kein'. Sicher, das alle Chips nur 15V bekommen und auch die Eingänge maximal 15V haben? Brennen die auch ab, wenn die Ausgänge nicht an der Maschine sind?
Hallo! Danke für die schnellen Antworten. Schaltplan existiert nur im Kopf ;-) (Profi eben). @Jens: Ich bin noch gar nicht bis zur Maschine gekommen. Bereits beim testen der Platine mit einem 24V Netzgerät tauchen die Probleme auf. Sowohl die Versorgungspannung als auch die Eingänge haben 14,9V. Sobald ich auf einen Eingang die 14,9V anlege, messe ich plötzlich an den Ausgängen auch schon 14,9V, obwohl die UND-Bedingung noch ganr nicht erfüllt ist. Das Signal geht übrigen an einen Digitalen Eingang der Maschine. @Jörg: Auf der Unterseite der Platine sind keine weiteren Bauteile. Kondensatoren und Wiederstände kann ich ergänzen. Gibt es ICs für diesen Spannugnsbereich, die besser geignet sind? Danke.
Harald W. schrieb: > Mario P. schrieb: > >> Für ein neues Projekt muss ich 4 Sensoren in Reihe schalten. > > Dann zeig mal Deinen Schaltplan. Mir erscheint es etwas seltsam, > für Dein Problem Logik-ICs zu nehmen. Man sollte vlt. mal erst etwas über die Ausgänge in Erfahrung bringen. Das es sich um wie auch immer ausgeführte PNP Endstufen handelt kann man auch nur aus der Modellbezeichnung deuten.
Mario P. schrieb: > Schaltplan existiert nur im Kopf ;-) (Profi eben). Nein, ein Profi erstellt immer einen Schaltplan, und sei es im nachhinein. Ich würde sagen, ohne Schaltplan ist eine echte Hilfe nicht möglich. > Gibt es ICs für diesen Spannugnsbereich, die besser geignet sind? Nun, die LSL-Reihe von Siemens war da wohl robuster, aber die ist schon viele Jahre obsolet. Vielleicht wäre bei Dir auch eine einfache Verknüpfung über Dioden geeignet.
Auch zum testen sollten die Eingänge erst einmal mit pull-down Widerständen bestückt werden.
Ach Du grüne Neune schrieb: > Auch zum testen sollten die Eingänge erst einmal mit pull-down > Widerständen bestückt werden. Ja, auf einem Schaltplan würden auch offene Eingänge sofort auffallen.
Mario P. schrieb: > Sobald ich auf einen Eingang die 14,9V anlege, messe ich plötzlich an > den Ausgängen auch schon 14,9V, obwohl die UND-Bedingung noch ganr nicht > erfüllt ist. Der zweite Eingang ist offen? Dann hat er irgendein Potenzial, kann auch high sein, muss natürlich nicht. Wie vermutet, die 100-nF-Kondensatoren über den Gattern fehlen. Vorwiderstände 10 kΩ an jeden Eingang, Pulldown-Widerstände 100 kΩ von jedem Gattereingang nach Masse, damit die Eingänge ein definiertes Potenzial haben. Ansonsten ist die langsame gemütliche CD4000-Reihe schon das Mittel der Wahl für so eine Betriebsspannung.
In dem Datenblatt der Sensoren steht "PNP"-Ausgang. Das heißt doch, dass ein Widerstand nach GND unbedingt nötig ist, denn der open collector des pnp-Transistors kann nur nach Plus ziehen.
@Jörg: OK. Super. Danke. Werde mal die Bauteile besorgen und testen. Die 10kΩ Widerstände gehören an die Versorgungspannung-Eingang der ICs - hab ich das Richtig vertanden?
"Ich komme eigentlich aus dem Maschinenbausektor und" Ja, schön! Und Deine Maschinen schraubst doch auch am Sockel fest. Also mache noch die 100nF Kondensatoren dran und einen Elko 10...50 Mikrofarad. https://www.reichelt.de/Scheiben/2/index.html?ACTION=2&LA=2&GROUPID=3169;SID=12V74pYqwQATQAAAp0Gmg2f2bbd58da228dcbc1c8ec6f112e79cc MfG
Christian S. schrieb: > Ja, schön! Und Deine Maschinen schraubst doch auch am Sockel fest. > Also mache noch die 100nF Kondensatoren dran und einen Elko 10...50 > Mikrofarad. Ja, hab ich auch vor! Wo sollt dann der Elko 10...50 sitzen?
Mario P. schrieb: > Die 10kΩ Widerstände gehören an die Versorgungspannung-Eingang der ICs Nein, von der Sensor-Eingangsklemme zum Eingang der Gatter. Wenn (wie genannt worden ist) die ansteuernden Sensoren PNP-Transistoren haben, sollte der Pulldown nicht zu groß sein. Vielleicht dann auch gleich 10 kΩ, direkt von der Eingangsklemme an Masse.
1 | 10 kΩ +-------+ |
2 | +------+ | & | CD4081 |
3 | Eing. o-----*---| |------------| | |
4 | | +------+ | |---------o Ausg. |
5 | | . . |
6 | +---+ . . |
7 | | | . . |
8 | | | |
9 | | | 10 kΩ |
10 | +---+ |
11 | | |
12 | | |
13 | ------- |
Ich denke hier liegt ein Missverständnis vor. Oder ich stehe auf der Leitung. Meines erachtens liefert der Sensor einfach 15V wenn die Position erreicht ist. Und die Spannung liegt dann am IC an. Wie der Sensor das intern macht, ist für meine schaltung doch nicht relevant. Wenn ich z.B. die Schaltung am Testboard aufbaue, simuliere ich das Signal einfach mit 15V von irgendeinem DC Netzteil. Bitte um Auflärung bevor ich komplett verwirrt bin!
Mario P. schrieb: > Ich denke hier liegt ein Missverständnis vor. Oder ich stehe auf der > Leitung. Meines erachtens liefert der Sensor einfach 15V wenn die > Position erreicht ist. Und die Spannung liegt dann am IC an. Wie der > Sensor das intern macht, ist für meine schaltung doch nicht relevant. Doch schon der IC hat einen hochohmigen Eingang, cmos. An den Ausgang kommt ja sonst ein Relais.
Oups Emitter in andere Richtung, ist aber egal. Dient ldgl. der Illustration.
Wenn der Sensor inaktiv ist, ist der Ausgang aber nicht "0V" sondern "offen". CMOS-ICs mögen offene Eingänge nicht, daher muss ein Widerstand nach GND dran, der den abgeschalteten Ausgang auf 0V zieht. Der Vorwiderstand in Reihe soll Störungen einfangen, die aufgrund der Leitungslängen reinkommen. Die 100nF-Kondensatoren müssen an die Versorgungsanschlüsse der ICs, mit möglichst kurzen Drähten.
Hallo, die CMOS-IC sind wegen ihrer Empfindlichkeit ungeeignet um sie direkt mit einer Maschine zu verbinden. Sinnvoll wäre z.B. eine Siemens Logo. Die wird auch die entsprechenden Normen erfüllen.
R5 dient als pull-down Widerstand und R4 kann moderat die überflüssigen 9 Volt verheizen (über die internen Dioden).
Danke für die tollen Erklärungen. Jetzt versteh ich es auch und muss zugeben, ich hatte es mir einfacher vorgestellt. Da kommen eine Menge Bauteile (und Arbeit) für eine einfache Aufgabe zusammen. Hat jemand alternative Ideen für eine bessere Umsetzung? @Volker: Die ganze Sensorik samt der Platine muss auf ein kleines Entnahmegerät. Der Platz und vor allem das Gewicht sind ein grosses Thema, weshalb eine Logo leider nicht geht. Platz für die Platine ca. 90x90x40mm !!
Ach Du grüne Neune schrieb: > R5 dient als pull-down Widerstand und R4 kann moderat die überflüssigen > 9 Volt verheizen (über die internen Dioden). Kannst Du mir bitte erklären, welche Aufgabe der 47µF Elko hat? Danke!
Mario P. schrieb: > Platz für die Platine ca. 90x90x40mm Solange es nicht 9 x 9 x 4 mm³ sind. :-) Die Frage ist eigentlich nur, wie groß die Anschlussklemmen sein müssen. Willst du am Ende richtige Platinen anfertigen lassen, oder soll das alles permanent auf Lochraster sein? Mario P. schrieb: > Kannst Du mir bitte erklären, welche Aufgabe der 47µF Elko hat? Störungen auf der Betriebsspannungsleitung wegfiltern. Die 100-nF-Kondensatoren über jedem IC sind nur für kurze Stromimpulse während des Umschaltens der Gatter zuständig. Ein größerer Kondensator dagegen kann ein wenig mehr Energie speichern.
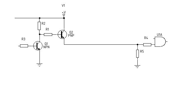
Mario P. schrieb: > Hat jemand alternative Ideen für eine bessere Umsetzung? Wired AND. Ein paar Dioden und Widerstände und ein NPN-Transistor als Emitterfolger.
hinz schrieb: > Wired AND. Ein paar Dioden und Widerstände und ein NPN-Transistor als > Emitterfolger. Auf Geschwindigkeit kommt es ja hier vermutlich nicht groß an. Wired OR wäre mit pnp-Ansteuerung allerdings einfacher.
Mario P. schrieb: > So, hier mal der Schaltplan. > > Ic hoffe Ihr könnt das deuten. Das ist eine mittlere Katastrophe, selbst wenn die Verbindungen alle korrekt sind. Aber da sieht keine Sau durch. Schaltplan richtig zeichnen >Platz für die Platine ca. 90x90x40mm !! Das ist für Mikroelektronik ein halbes Fußballfeld! Selbst in Old School DIL-Technik und Lochraster kriegt man das auf 28x30mm. Siehe Anhang.
hinz schrieb: > Mario P. schrieb: >> Hat jemand alternative Ideen für eine bessere Umsetzung? > > Wired AND. Ein paar Dioden und Widerstände und ein NPN-Transistor als > Emitterfolger. Das wird hier aufwändiger. Ich glaube im Jahr 2019 brauchen wir über den Einsatz, Preis und Aufwand EINES DIL-ICs nicht mehr philosophieren.
Vielen Dank erstmal für die Tolle Unterstützung. Hier mein aktualisierter Schaltplan mal zur Durchsicht. Könnte es so klappen? @Falk und Jörg: Die Wired-Verdrahtung werde ich mir auf jeden Fall auch mal ansehen. Gruß, Mario
Jörg W. schrieb: > Falk B. schrieb: >> Das wird hier aufwändiger. > > Aber es ist 24-V-fähig. ;) Und auch deshalb weniger aufwändig.
Falk B. schrieb: > Das ist eine mittlere Katastrophe, selbst wenn die Verbindungen alle > korrekt sind. Aber da sieht keine Sau durch. > > Schaltplan richtig zeichnen > >>Platz für die Platine ca. 90x90x40mm !! > > Das ist für Mikroelektronik ein halbes Fußballfeld! > > Selbst in Old School DIL-Technik und Lochraster kriegt man das auf > 28x30mm. > Siehe Anhang. Ja ja, ich weiß das mein Schaltplan nicht der Norm entspricht! Aber ohne geeigneter Software ist es doch recht aufwändig.
Mario P. schrieb: > Ja ja, ich weiß das mein Schaltplan nicht der Norm entspricht! Darum geht es gar nicht, sondern um Übersichtlichkeit. > Aber ohne geeigneter Software ist es doch recht aufwändig. Jaja, die Ausrede aller Faulen und Unfähigen. Selbst old School mit Papier und Bleistift bekommt man das als saubere Skizze besser hin. Tip: Ein SCHALTPLAN enthält logische Funktionen und Gatter. Er stellt die ICs NICHT in ihrem physischen Gehäuse dar sondern symbolisch. Dadurch bekommt man einen DEUTLICH besseren Überblick über die Funktion der Schaltung.
Zu den konkreten Dingen in deinem Schaltplan: Du hast an jedem Gattereingang jetzt die 2 10-kΩ-Widerstände so verschaltet, dass sie einen Spannungsteiler bilden. Wenn ich es recht sehe, kommen aus dem Sensor 24 V raus, dann hast du einen High-Pegel von 12 V. Das geht bei 15-V-Versorgung sicher noch als High durch. Wenn du die Schaltung so lassen willst, würde ich die Widerstände vom Gattereingang nach Masse 15 kΩ machen, dann ist der High-Pegel 14,4 V. Ist vielleicht eine recht gute Lösung. (Die weiter oben angedachte Variante sah 10 kΩ nach Masse direkt an der Eingangsklemme vor, von da dann 10 kΩ zum Gattereingang. Hat den Nachteil, dass man dem Gatter dann 24 V aufbrummt, die es über die internen Schutzdioden auf 15,7 V herunterziehen muss.) Der 47-µF-Kondensator sollte an die 15-V-Schiene, nicht an 24 V.
Jörg W. schrieb: > Gattereingang nach Masse 15 kΩ machen, dann ist der High-Pegel 14,4 V. > Ist vielleicht eine recht gute Lösung. Ja, wollte ich noch ändern, hab's dann aber vergessen. Streng genommen kommen aus dem Sensor nur VCC-2,2V raus, denn der Ausgangstransistor schluckt laut Datenblatt 2,2V. Macht bei 10k/15k Teilern 13,08V. Also lieber auf 22k gehen, dann kommen 14,9875V raus ;-) @OP R5-8 = 22k
Mario P.
> Ja, hab ich auch vor! Wo sollt dann der Elko 10...50 sitzen?
Normalerweise dort, wo die Betriebsspannung in die Platine mit den ICs
rein geht.
mfg
Wahnsinn - jetzt gibts sogar 2 Lösungen. Die Wired-And Variante gefällt mir im Moment am besten! Vielen Dank an alle Unterstützer. Rein interessehabler, gibt es eigentlich 24V Relais die auf eine Lochrasterplatine passen? Dies war eigentlich mein allererster Plan. Jeder Sensor schaltet ein Relais, diese wiederum in Serie. Ich konnte aber keine passenden Bauteile finden... Schönen Abend!!
Mario P. schrieb: > Rein interessehabler, gibt es eigentlich 24V Relais die auf eine > Lochrasterplatine passen? https://www.reichelt.de/reedrelais-24v-1-schliesser-mit-diode-1a-sil-7271-d-24v-p29297.html? Sogar schon die Freilaufdiode drin.
Mario P. schrieb: > Rein interessehabler, gibt es eigentlich 24V Relais die auf eine > Lochrasterplatine passen? Soll das ein Einzelstück oder eine kleine Serie werden? Wenn letzteres, dann wäre es sehr sinnvoll, wenn du irgendwo richtige Platinen fertigen lässt. Am Ende ist das auch weniger Arbeit im Vergleich zur Drahtfummelei, und gerade wenn man 5, 10 oder mehr Stück einer Platine braucht, bekommt man die in Fernost ziemlich günstig produziert.
OK, dann bastele es mit den genannten Reed-Relais auf Lochraster. Das wird wohl die praktikabelste und auch robusteste Lösung sein.
Jörg W. schrieb: > Erstmal scheinen mir (die Unterseite sieht man nicht) die > obligatorischen 100-nF-Kondensatoren von Vdd nach GND über jedem Chip zu > fehlen. 100nF für simple CMOS-LSI-Logik? Das ist unnötig viel. 10n sind da mehr als genug. Im vorliegenden Fall könnte man sehr wahrscheinlich auch darauf noch verzichten, aber besser ist natürlich, sie zu verbauen. > Zweitens würde ich an den Eingängen, die von außen kommen, ein paar > Widerstände vorschalten, 10 kΩ vielleicht. Falls da mal Spannungsspitzen > ankommen, begrenzen diese den fließenden Strom. Das ist definitiv sinnvoll. Noch besser wären RC-Kombinationen an allen Eingängen und zwar mit ZWEI Widerständen, einer für die Zeitkonstante und Strombegrenzung und einer für einen definierten Pegel bei offenem Eingang. Wenn ich Schraubklemmen in der Nähe von CMOS-Eingängen sehe, werde ich sofort dermaßen unruhig...
Jörg W. schrieb: > OK, dann bastele es mit den genannten Reed-Relais auf Lochraster. > > Das wird wohl die praktikabelste und auch robusteste Lösung sein. Naja, bei den saudünnen Draht der 24V Reedrelais kommts schon mal zu Ausfällen. Ich denke die Diodenlogik ist ehr robuster. Und enn man unbedingt die Relais nehmen will: entweder die magnetisch geschirmte Ausführung, oder ausreichend Abstand zwischen den Relais. Wenigstens ein Zentimeter sollte es schon sein.
hinz schrieb: > Jörg W. schrieb: >> OK, dann bastele es mit den genannten Reed-Relais auf Lochraster. >> >> Das wird wohl die praktikabelste und auch robusteste Lösung sein. > > Naja, bei den saudünnen Draht der 24V Reedrelais kommts schon mal zu > Ausfällen. Jetzt geht's los! ;-) > > Ich denke die Diodenlogik ist ehr robuster. Naja, dein Ausgangstreiber ist aber nicht so die Sahne. 47k Basiswiderstand bei vielleicht 2V UCE machen ~1,4V bzw. 30uA Basisstrom. Selbst bei optimistischer Stromverstärkung von 100 kommen da nur 3mA raus. Da ist mir selbst ein eher hochohmiger Ausgang der 4000er ICs mit seinen ~150 Ohm lieber. Und der ist Push-Pull!
Falk B. schrieb: > Naja, dein Ausgangstreiber ist aber nicht so die Sahne. 47k > Basiswiderstand bei vielleicht 2V UCE machen ~1,4V bzw. 30uA Basisstrom. > Selbst bei optimistischer Stromverstärkung von 100 kommen da nur 3mA > raus. Das dürfen ruhig 10V Uce sein, und so ein SPS-Eingang braucht auch nur wenige mA.
Falk B. schrieb: > Naja, dein Ausgangstreiber ist aber nicht so die Sahne. Er ist zwar nicht die Sahne, aber könnte ausreichend sein. Dieser hier ist schon eher die Sahne, aber mit deutlich mehr Bauteilen. Das muss schließlich 4 mal aufgebaut werden und benötigt enorm Platz. Mario P. schrieb: > Platz für die Platine ca. 90x90x40mm !! Eine andere Lösung sind 4 mal 4fach Optokoppler PC847 mit insgesamt 20 Widerständen (je 4 für die LED's und je einer als Pull Down am Ausgang).
Ach Du grüne Neune schrieb: > Dieser hier > ist schon eher die Sahne, Nö, der liefert ja noch weniger als meine Schaltung. > Eine andere Lösung sind 4 mal 4fach Optokoppler PC847 mit insgesamt 20 > Widerständen (je 4 für die LED's und je einer als Pull Down am Ausgang). Da muss man aber auf ausreichenden CTR achten, sonst wird das schnell zur Heizung.
Ach Du grüne Neune schrieb: > Falk B. schrieb: >> Naja, dein Ausgangstreiber ist aber nicht so die Sahne. > > Er ist zwar nicht die Sahne, aber könnte ausreichend sein. Dieser hier > ist schon eher die Sahne, aber mit deutlich mehr Bauteilen. Das muss > schließlich 4 mal aufgebaut werden und benötigt enorm Platz. Weshalb der liebe Gott den IC erfunden hat.
Jörg W. schrieb: > Wenn ich es recht > sehe, kommen aus dem Sensor 24 V raus, dann hast du einen High-Pegel von Ja, so sieht es auf seinem "Schaltbild" aus. Auf dem ersten Foto auf Lochraster steht aber 15V für die Sensoren... Rätsel über Rätsel.
... gute Idee ... Es geht aber auch mit Reihenklemmen / Lüsterklemmen. Das Problem ist der Klassiker in der Automatisierung. Wenn der Schaltausgang des ersten Transistors genug Strom hergibt, dann werden die Sensoren einfach kaskadiert: Der Schaltausgang des ersten Sensors ist die Spannungsversorgung des zweiten, der Schaltausgang des zweiten Sensors ist die Spannungsversorgung des dritten ... Das ist die Baustellenlösung. In der Planung nimmt man eher Koppelrelais, und die Schaltausgänge werden dann in Reihe geschlossen. Wenn Du mal das Problem aus Seiten der Zertifizierung siehst, dann sind die Kosten für Bauteile vermutlich günstiger als nur eine Fahrt zum Kunden um nachzubessern. Nimm es mir bitte nicht übel ... LG Jörg B
hinz schrieb: > Und enn man unbedingt die Relais nehmen will: entweder die magnetisch > geschirmte Ausführung, oder ausreichend Abstand zwischen den Relais. Hallo, ich würde hier definitiv Reed-Relais nehmen und zwar zwingend die geschirmte Ausführung. Die ungeschirmten können ein Eigenleben entwickeln, das dich zur Verzweiflung bringen kann! Gruß Rainer
Falk B. schrieb: > Weshalb der liebe Gott den IC erfunden hat. Und deshalb komme ich auch gerne zurück zu Falks Lösung, nur dass statt des 4081 ein 4082 eingesetzt werden könnte, das spart nochmal ein IC. Insgesamt vier UND-Gatter mit je vier Eingängen (2 Stück 4082) und man hat jetzt wieder mehr Platz für die Widerstände. Mario P. schrieb: > Platz für die Platine ca. 90x90x40mm !!
Bitte melde dich an um einen Beitrag zu schreiben. Anmeldung ist kostenlos und dauert nur eine Minute.
Bestehender Account
Schon ein Account bei Google/GoogleMail? Keine Anmeldung erforderlich!
Mit Google-Account einloggen
Mit Google-Account einloggen
Noch kein Account? Hier anmelden.











