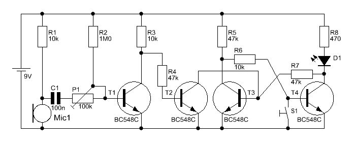
Hey, Ich bin noch ein Anfänger und versuche gerade folgende Schaltung zu verstehen. Diese Schaltung fängt z.b beim klatschen an zu leuchten und kann durch den mikrotaster resetet werden. Also erstens habe ich gelesen das r2 so dimensioniert ist das sich der Transistor im Grenzbereich befindet und schon leicht durchsteuert, aber warum will man das er schon leicht durchsteuert und was heißt er befindet sich im Grenzbereich? Werde auch durch das Datenblatt nicht schlau. http://dieelektronikerseite.de/Lections/Mikrofone%20-%20Elektronischer%20Lauschangriff.htm (Hier steht das mit dem Grenzbereich) Außerdem habe ich hier bei einer ähnlichen Schaltung gelesen das durch die zusätzliche Spannung des Mikrofons der Transistor sperren würde, aber wieso sollte er sperren? Das macht er doch nur wenn die Spannung an der Basis gegen 0 geht. Beitrag "Klatschschaltung berechnen" (Hier steht das mit dem sperren) Hab die Schaltung mal simuliert in der Simulation ist die Spannung an der Basis von t1,t2 und t3 bei 0,54V was ja bedeutet das alle im Grenzbereich liegen würden und nur t4 gesperrt ist(wenn Leuchtdiode aus). In der Simulation sehe ich halt nur wie es aussieht bevor die Leuchtdiode an ist und wie es aussieht wenn sie an ist. Jetzt fällt es mir aber umso schwieriger zu verstehen was genau in dem moment des z.B. klatschen an den Transistoren passiert.
Dominik schrieb: > Jetzt fällt es > mir aber umso schwieriger zu verstehen was genau in dem moment des z.B. > klatschen an den Transistoren passiert. Na ja, das ist doch klar: T1 ist fast leitend. Wenn das Mikrophon nun ein Signal wahrnimmt, liefert es über R1 eine schwankende Spannung, also mal höher und mal niederiger als bei Ruhe. Kommt die höhere Spannung über C1 und P1 an den fast leitenden T1 wird der ganz leitend, kommt die geringere Spannung über C1 und P1 an T1 wird der weniger leitend bis hin zu sperrend. Wurde T1 leitend, steigt die Spannung über R3, fällt damit die Spannung an R4 und kommt damit weniger Strom in T2 der ja auch fast leitend war wird nun also kaum noch leitend. Egal. Wurde T1 aber eher sperrend, sinkt die Spannung über R3, steigt die an R4, bekommt der T2 mehr Basisstrom und wird stärker leitend, zieht damit die Basis von T3 so weit runter bis das FlipFlop aus T3 und T4 auf die Seite von T3 kippt. Die Schaltung hängt also in Ruhe in einem wackeligen Zustand und wird durch eine negative Schwingung (d.h. das Mikrophon wird mehr leitend) vom Mikrophon beeinflusst. Weil der Ruhezustand so eine wackelige Sache ist, funktioniert die Schaltung in der Praxis natürlich nicht als Klatschschalter, sie löst schon per Zufall bei passender Mondphase aus.
Michael B. schrieb: > Weil der Ruhezustand so eine wackelige Sache ist, funktioniert die > Schaltung in der Praxis natürlich nicht als Klatschschalter, sie löst > schon per Zufall bei passender Mondphase aus. Nö das ist natürlich nicht so. In den 70'zigern waren die Klatschschalter ein beliebtes Bastelprojekt und diese Schaltung funktioniert. So instabil wie Du denkst ist die Schaltung gar nicht. @TO Trenne mal -gedanklich- die Schaltung an der Verbindung T2/T3 auf und denke Dir einen 2.Taster an der Basis von T3. Du hast jetzt 2 Baugruppen die getrennt für sich funktionieren würden. Links ist ein Verstärker, rechts ein bistabiler Multivibrator. Google mal nach dem bistabilen Multivibrator, da findest Du definitiv was zur Erlärung. Zum linken Schaltungsteil hat Michael eigentlich alles gesagt. Du kanns auch beide Baugruppen getrennt aufbauen bzw. simulieren.
Dominik schrieb: >Also erstens habe ich gelesen das r2 so dimensioniert ist das sich der >Transistor im Grenzbereich befindet und schon leicht durchsteuert, aber >warum will man das er schon leicht durchsteuert und was heißt er >befindet sich im Grenzbereich? Werde auch durch das Datenblatt nicht >schlau. Man möchte das die Schaltung empfindlicher wird, es fließt ja erst Basisstrom wenn die Spannung an der Basis etwa 0,6V erreicht.
Günter Lenz schrieb: > es fließt ja erst Basisstrom wenn die Spannung an der > Basis etwa 0,6V erreicht. An dem Widerstand R2 fällt aber erst Spannung ab, wenn Strom fließt. Deswegen wird die Mindest-Spannung, aber welcher der Transistor arbeitet auch zwangsläufig immer erreicht. Also wird immer Strom fließen, ganz egal wie viel Ohm der Widerstand hat. Es dabei darum, den Transistor T1 in den gewünschten Arbeitsbereich zu bringen. Wichtig ist, dass T2 im Ruhezustand knapp einschaltet. Also muss die Spannung an der C-E Strecke von T1 knapp über 0,6V sein. Wenn der Widerstand R2 zu niederohmig gewählt wird, leitet T1 zu viel, dann leitet T2 zu wenig, so dass die LED eingeschaltet wird. Wenn R2 zu hochohmig gewählt wird, leitet T1 zu wenig, dann leitet T2 zu viel, so dass man ein sehr lautes Geräusch braucht, um den Schalter auszulösen. Blöd ist dabei, dass die Schwellenspannung von T2 deutlich temperaturabhängig ist und dass die Verstärkung von T1 je nach Glück zwischen 420 und 800 betragen kann. Dementsprechend wird die Ruhespannung an dessen Ausgang (und somit die Empfindlichkeit des Klatsch-Schalters) auch eine Glücksfrage sein. Ich finde die Schaltung nicht sehr geschickt. Um mal kurz etwas zu basteln Ok, aber nicht für realen Einsatz.
Stefanus F. schrieb: > Ich finde die Schaltung nicht sehr geschickt. Um mal kurz etwas zu > basteln Ok, aber nicht für realen Einsatz. So was wurde halt früher mal so gebaut. Man kommt bei dieser Schaltung halt nicht ohne "Abgleich" wenn ordentlich funktionieren soll. So groß ist die Temperaturabhängigkeit bei modernen Siliziumtransistoren nun auch wiedr nicht. Für Silizium beträgt die Änderung ca. 2,2mV/K, d.h. die Temperatur müßte sich um 45°C ändern damit sich die Schwellenspannung um 0,1V ändert. Für diesen Anwendungsfall eher nicht relevant. Dennoch würde ich die Schaltung, speziell den linkenTeil auch anders machen. Erst mal ein NF-Verstärker (2 stufig), dann ein Spitzenwertgleichrichter mit 2 Dioden + kleinen C und eine Schaltstufe. Die Schaltstufe evtl. auch als Schmitt-Trigger. Das Ganze wird dann zwar deutlich aufwändiger aber auch funktionssicherer.
Zeno schrieb: > Dennoch würde ich die Schaltung, speziell den linkenTeil auch anders > machen. > Erst mal ein NF-Verstärker (2 stufig), dann ein Spitzenwertgleichrichter > mit 2 Dioden + kleinen C und eine Schaltstufe. Die Schaltstufe evtl. > auch als Schmitt-Trigger. Das Ganze wird dann zwar deutlich aufwändiger > aber auch funktionssicherer. Das müsste man m.E. gut mit einem Vierfachkomparator-IC bauen können. Auch den NF-Verstärker und die Relaischaltstufe.
>Also erstens habe ich gelesen das r2 so dimensioniert ist das sich der >Transistor im Grenzbereich befindet und schon leicht durchsteuert, aber >warum will man das er schon leicht durchsteuert und was heißt er >befindet sich im Grenzbereich? Werde auch durch das Datenblatt nicht >schlau. Das kannst Du Dir leicht so vorstellen, wie bei einem schwergängigen Schalter. Spannst Du den so vorn dass er sich kurz vor dem Kipppunkt befindet, so reicht eine leichte Berührung aus und er schaltet. Elektrisch sieht das dann so aus: Die nachfolgende Schaltung braucht zum Umschalten z.B. 1 V, T1 liefert bei normalem Krach etwa 0,9 V, so reicht ein bisschen mehr Krach aus, um das eine Volt (Umschaltschwelle) zu erreichen. Wäre T1 so eingestellt, dass "normal" 0,3 V wären, so müsste der Lautstärkeunterschied sehr viel größer sein.
Dominik schrieb: > Also erstens habe ich gelesen das r2 so dimensioniert ist das sich der > Transistor im Grenzbereich befindet und schon leicht durchsteuert, aber > warum will man das er schon leicht durchsteuert und was heißt er > befindet sich im Grenzbereich? Das alles ist eine etwas unübliche Beschreibung für "Arbeitspunkt"
Harald W. schrieb: > Das müsste man m.E. gut mit einem Vierfachkomparator-IC bauen können. > Auch den NF-Verstärker und die Relaischaltstufe. Natürlich kann man das auch mit IC's machen, aber er will es mit Transistoren machen um etwas zu lernen. Ich finde es gut das er mit den Basics anfängt und sich dann hoffentlich weiter vorarbeit und nicht unterwegs aufgibt.
Dominik schrieb: > Also erstens habe ich gelesen das r2 so dimensioniert > ist das sich der Transistor im Grenzbereich befindet > und schon leicht durchsteuert, aber warum will man das > er schon leicht durchsteuert und was heißt er befindet > sich im Grenzbereich? Werde auch durch das Datenblatt > nicht schlau. Das mit dem "Grenzbereich" ist eine bescheuerte Erklärung. Genausogut könnte man sagen, dass sich der Lautstärke- steller Deines Radios immer im "Grenzbereich" zwischen dem linken und dem rechten Anschlag befindet. Korrekt ist dies: Der KollektorSTROM eines Bipolar- transistors folgt dem BasisSTROM mit einem (ungefähr) konstanten Proportionalitätsfaktor. Dieser Proportionalitätsfaktor liegt etwa zwischen 30 und 300 und heißt "Stromverstärkung" des Transistors. Der Kollektorstrom lässt sich also schön gleichmäßig und stetig durch einen entsprechend kleineren Basisstrom steuern. ABER: Die Basis-Emitter-Strecke ist ein hochgradig nichtlinearer Widerstand. Deswegen ist der Zusammenhang zwischen BasisSTROM und BasisSPANNUNG stark nichtlinear. Ganz grob über zwei Fäuste kann man sagen, dass ein Zuwachs der BasisSPANNUNG von 100mV den BasisSTROM etwa um Faktor 10 vergrößert -- und da BasisSTROM und KollektorSTROM proportional sind, überträgt sich diese starke Änderung auch auf den Kollektorstrom. Deswegen SCHEINT es so, als ob der Transistor oberhalb einer bestimmten Basisspannung "durchschalten" würde. (Tut er ja auch irgendwie.) Wenn man sich aber darauf konzentriert, die Stromverhältnisse am Transistor passend einzustellen, arbeitet der Transistor ziemlich gut proportional, d.h. da schaltet nix. Das nennt sich dann "Linearbetrieb".
Michael B. schrieb: > Dominik schrieb: >> Jetzt fällt es >> mir aber umso schwieriger zu verstehen was genau in dem moment des z.B. >> klatschen an den Transistoren passiert. > Kommt die höhere Spannung über C1 und P1 an den fast leitenden T1 wird > der ganz leitend, kommt die geringere Spannung über C1 und P1 an T1 wird > der weniger leitend bis hin zu sperrend. > > Wurde T1 leitend, steigt die Spannung über R3, fällt damit die Spannung > an R4 und kommt damit weniger Strom in T2 der ja auch fast leitend war > wird nun also kaum noch leitend. Egal. > > Wurde T1 aber eher sperrend, sinkt die Spannung über R3, steigt die an > R4, bekommt der T2 mehr Basisstrom und wird stärker leitend, zieht damit > die Basis von T3 so weit runter bis das FlipFlop aus T3 und T4 auf die > Seite von T3 kippt. Also schaltet es nur bei der geringeren Spannung? Danke für die zahlreichen Antworten.
Bitte melde dich an um einen Beitrag zu schreiben. Anmeldung ist kostenlos und dauert nur eine Minute.
Bestehender Account
Schon ein Account bei Google/GoogleMail? Keine Anmeldung erforderlich!
Mit Google-Account einloggen
Mit Google-Account einloggen
Noch kein Account? Hier anmelden.
