Hallo allerseits, ich bin gerade dran einen STM32F103 zu programmieren. Nun habe ich bemerkt, dass die einzelnen Pins teils sehr unterschiedliche Ausgangsspannungen haben. Es wurden alle GPIO's als Ausgänge konfiguriert und im Pushpull Mode auf High gesetzt. An manchen Pins messe ich nun ca. 3,2V an anderen 2,4V, 2,6V teils sogar 1,5V. Versorgungsspannung ist 3,3V. Wenn ich die GPIO's auf Low ziehen will, dann fällt mir auf dass auch hier sehr große Unterschiede sind. Die GPIO's die eine hohe Spannung liefern, kommen auch gut an die 0V heran und jene die 1,5V als High haben, kommen gerade mal auf 0,5V runter. Woran kann das liegen? Kann mir hier jemand weiterhelfen? MfG Dominik
Dominik H. schrieb: > Kann mir hier jemand weiterhelfen? Haben diese Pins, die du da ansprichst, auch Namen? > Wenn ich die GPIO's auf Low ziehen will, dann fällt mir auf dass auch > hier sehr große Unterschiede sind. Die GPIO's die eine hohe Spannung > liefern, kommen auch gut an die 0V heran und jene die 1,5V als High > haben, kommen gerade mal auf 0,5V runter. Wie hast du das gemessen? > Es wurden alle GPIO's als Ausgänge konfiguriert und im Pushpull Mode auf > High gesetzt. Und alle Bänke mit einem Takt versorgt?
Hast Du alle VCC und GND beschaltet? Oder vielleicht einen vergessen?
Lothar M. schrieb: > Haben diese Pins, die du da ansprichst, auch Namen ja, zum Beispiel gibt GPIO_Pin_0 und GPIO_Pin_1 die 3,2V aus und GPIO_Pin_2 nur 2,4V. Lothar M. schrieb: > Wie hast du das gemessen? gemessen wurde mit einem normalen Multimeter Lothar M. schrieb: > Und alle Bänke mit einem Takt versorgt? ja, wurden sie. LG Dominik
Bei mir kist das nicht so, da kommt bei moderater Belastung aus allen GPIO Pins annähernd 3,3V raus. Und der Low Pegel ist stets annähernd 0 Volt.
Dominik H. schrieb: > Es wurden alle GPIO's als Ausgänge konfiguriert und im Pushpull Mode auf > High gesetzt. An manchen Pins messe ich nun ca. 3,2V an anderen 2,4V, > 2,6V teils sogar 1,5V. Versorgungsspannung ist 3,3V. Ohne den STM32 je in der Hand gehabt zu haben: das kann nicht sein! Entweder hast du da eine zu große Last dran hängen oder du gibst Pulse aus (Takte, PWM etc.) oder du hast sonst noch einen groben Fehler in der Schaltung. Selbst die 3.2V (bei 3.30V Versorgung) sind für ein statisches Signal ohne Last noch zu niedrig. Auch: wer misst misst Mist.
Dominik H. schrieb: > alle GPIO's als Ausgänge konfiguriert und im Pushpull Mode auf > High gesetzt. Was hängt an den Ausgängen?
HildeK schrieb: > oder du gibst Pulse > aus klingt sehr wahrscheinlich und bedeutet gemessen werden die mittelwerte. oszi ran und klarheit. mt
Dominik H. schrieb: > Lothar M. schrieb: >> Haben diese Pins, die du da ansprichst, auch Namen > ja, zum Beispiel gibt GPIO_Pin_0 und GPIO_Pin_1 die 3,2V aus und > GPIO_Pin_2 nur 2,4V. Am Port Gummibärchen?
Apollo M. schrieb: > HildeK schrieb: >> oder du gibst Pulse >> aus > > klingt sehr wahrscheinlich und bedeutet gemessen werden die mittelwerte. > oszi ran und klarheit. Auf dem Oszi ist eine saubere Gleichspannung zu sehen. Also nichts mit Pulsen oder PWM... GEKU schrieb: > Was hängt an den Ausgängen? Die Ausgänge sind unbelastet. Junge schrieb: > Am Port Gummibärchen? Nein, der Port Gummibärchen ist anderweitig belegt. Das Problem ist auf allen Ports, hier speziell Port B.
Vermutlich nicht auf Ausgänge geschaltet ... Lad doch mal den Source-Code hoch :)
Mampf F. schrieb: > Lad doch mal den Source-Code hoch :) gerne doch. Seltsam ist ja dass manche GPIO's funktionieren und manche nicht wirklich.
1 | //Anlegen der GPIO-Struct zur Initialisierung
|
2 | GPIO_InitTypeDef GPIO_InitStructure; |
3 | |
4 | //Systeminitialisierung (Systemtakte)
|
5 | SystemInit(); |
6 | |
7 | //Takt für IO-Port B aktivieren
|
8 | RCC_APB2PeriphClockCmd(RCC_APB2Periph_GPIOB, ENABLE); |
9 | |
10 | //Initialisieren der GPIO_B
|
11 | GPIO_InitStructure.GPIO_Mode = GPIO_Mode_Out_PP; |
12 | GPIO_InitStructure.GPIO_Pin = GPIO_Pin_0 | GPIO_Pin_1 | GPIO_Pin_2 | GPIO_Pin_5 | GPIO_Pin_8; |
13 | GPIO_InitStructure.GPIO_Speed = GPIO_Speed_50MHz; |
14 | GPIO_Init(GPIOB, &GPIO_InitStructure); |
15 | |
16 | //Bit setzen
|
17 | GPIO_SetBits(GPIOB, GPIO_Pin_0 | GPIO_Pin_1 | GPIO_Pin_2 | GPIO_Pin_5 | GPIO_Pin_8); |
Dominik H. schrieb: > Mampf F. schrieb: >> Lad doch mal den Source-Code hoch :) > gerne doch. Seltsam ist ja dass manche GPIO's funktionieren und manche > nicht wirklich. Sieht in Ordnung aus - entspricht den eigentlich viel getesteten Minimal-Beispielen, die man so im Netz findet. Welche Hardware-Platform verwendest du? Kannst du mal den kompletten C-Code hochladen?
Mampf F. schrieb: > Sieht in Ordnung aus Naja, wenn danach noch zusätzliche Funktionen aktiviert werden kann das ganze Port-Initialisieren dahin sein ... Vielleicht sieht er das alles noch gar nicht. Auch Stichwort "Alterate Functions".
> GPIO_InitStructure.GPIO_Speed = GPIO_Speed_50MHz;
Da würde ich mal 3 Nummer langsamer testen.
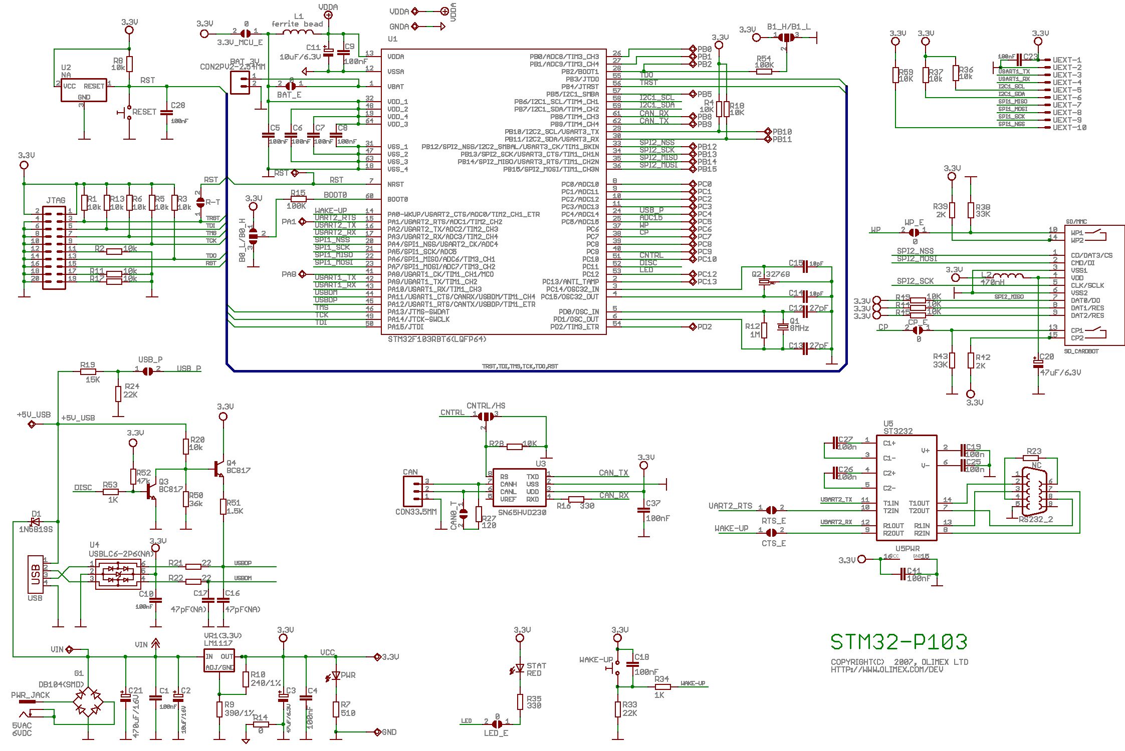
Mampf F. schrieb: > Kannst du mal den kompletten C-Code hochladen? Das ist eigentlich der komplette Code. Um genau diesem Problem auf den Grund zu gehen habe ich extra ein neues Projekt erstellt in dem nichts drin ist außer eben die GPIO's anzuschalten. Mampf F. schrieb: > Welche Hardware-Platform verwendest du? Verwendet wird das STM32-P103 Board von Olimex. Darauf läuft der STM32F103RBT6
Beo Bachta schrieb: > Vielleicht sieht er das alles noch gar nicht. > > Auch Stichwort "Alterate Functions". Der STM32f103 hat meines Wissens nach nach dem Reset die IO's als Prio, außer die JTAG, RST und BOOT Pins villeicht...
Dominik H. schrieb: > Verwendet wird das STM32-P103 Board von Olimex. Darauf läuft der > STM32F103RBT6 Na dann kein Wunder, das Board hat jede Menge externe IC's etc. da würde der Schaltplan helfen, um festzustellen warum die Pegel sich so verhalten. Also, definitiv kein STM32 Problem, sondern...
Dominik H. schrieb: > Verwendet wird das STM32-P103 Board von Olimex. Ja und? da hängt doch jede Menge Peripherie dran. Also warum nicht an den Ausgängen die du benutzen willst? A. F. schrieb: > kein STM32 Problem, sondern... .. ein Problem vor der Tastatur und vor dem Bildschirm.
Beo Bachta schrieb: >> Verwendet wird das STM32-P103 Board von Olimex. > > Ja und? da hängt doch jede Menge Peripherie dran. Also > warum nicht an den Ausgängen die du benutzen willst? > > A. F. schrieb: >> kein STM32 Problem, sondern... > > .. ein Problem vor der Tastatur und vor dem Bildschirm. Ich kann hier keinen Unterschied feststellen wischen funktionierenden Pins und nichtfunktionierenden....
Dominik H. schrieb: > Das ist eigentlich der komplette Code. Das kann nicht sein - da fehlen die includes, die main-Funktion, der Code, der danach kommt usw :) Poste mal bitte den gesamten Code - meistens ist der Fehler dort, wo man nicht denkt, dass er sein könnte. Vlt hast du ein while(1) {} am Ende vergessen und das Ding resettet sich ständig selbst oder so ähnlich^^
Beitrag #5926964 wurde von einem Moderator gelöscht.
Mampf F. schrieb: > Das kann nicht sein - da fehlen die includes, die main-Funktion, der > Code, der danach kommt usw :) na gut da hast du natürlich Recht. Aber viel mommt da wirklich nicht mehr. Noch minimalistischer kann ich es kaum gestalten.
1 | #include "stm32f10x_conf.h" |
2 | #include <stdio.h> // used for printf |
3 | |
4 | |
5 | int main(void) |
6 | {
|
7 | //Anlegen der GPIO-Struct zur Initialisierung
|
8 | GPIO_InitTypeDef GPIO_InitStructure; |
9 | |
10 | //Systeminitialisierung (Systemtakte)
|
11 | SystemInit(); |
12 | |
13 | //Takt für IO-Port B aktivieren
|
14 | RCC_APB2PeriphClockCmd(RCC_APB2Periph_GPIOB, ENABLE); |
15 | |
16 | //Initialisieren der GPIO_B
|
17 | GPIO_InitStructure.GPIO_Mode = GPIO_Mode_Out_PP; |
18 | GPIO_InitStructure.GPIO_Pin = GPIO_Pin_0 | GPIO_Pin_1 | GPIO_Pin_2 | GPIO_Pin_5 | GPIO_Pin_8; |
19 | GPIO_InitStructure.GPIO_Speed = GPIO_Speed_50MHz; |
20 | GPIO_Init(GPIOB, &GPIO_InitStructure); |
21 | |
22 | //Bit setzen
|
23 | GPIO_SetBits(GPIOB, GPIO_Pin_0 | GPIO_Pin_1 | GPIO_Pin_2 | GPIO_Pin_5 | GPIO_Pin_8); |
24 | |
25 | |
26 | |
27 | while(1) |
28 | {
|
29 | }
|
30 | |
31 | }
|
ich würde da unbedingt noch ein GPIO_StructInit() vor dem setzen der Struktur einbauen. Wenn da in einer neueren Lib Version weitere Member hinzukommen sind die nicht initialisiert wenn die Variable auf dem Stack liegt, da bin ich auch schon mal drauf reingefallen. Wenn die GPIO_InitTypeDef nur die drei Member hat ist das in diesem Fall ok, aber es ist gefährlich bei Updates.
Dominik H. schrieb: > GPIO_SetBits(GPIOB, GPIO_Pin_0 | GPIO_Pin_1 | GPIO_Pin_2 | GPIO_Pin_5 | > GPIO_Pin_8); Joa, da ist halt bei deinem Board alles dabei. Angefangen von PB2, der gleichzeitig Boot1-Pin ist und wo (vermtl. per Jumper wählbar) entweder ein 100k Pull-Up oder 100k Pull-Down dranhängt, bis zu PB8, der als CAN-TX am CAN-Transceiver hängt.
Dominik H. schrieb: > ja, zum Beispiel gibt GPIO_Pin_0 und GPIO_Pin_1 die 3,2V aus und > GPIO_Pin_2 nur 2,4V. PB0 und PB1: 3,2V ist okay. PB2 (auch BOOT1) hängt laut Deinem Schaltplan an einem Jumperfeld, um den Boot-Mode einstellen zu können. Vermutlich ist da sogar ein Jumper (0 Ohm zu GND) gesteckt, um definiertes Potential beim Booten zu haben. Sicher, dass der Schaltplan korrekt ist und da wirklich 100k als Widerstand dran hängen? Was ist, wenn Du den Jumper nach dem Booten abziehst? Ändert sich die Ausgangsspannung? Kannst Du weitere Pins nennen, die "nicht funktionieren" (inkl. Spannungsangabe!) oder muss man jetzt eine Salami-Scheibe nach der nächsten bei Dir erfragen?
Christopher J. schrieb: > Joa, da ist halt bei deinem Board alles dabei. Ich sag's ja ...... Pfusch am Bau ....
Beo Bachta schrieb: > Ich sag's ja ...... Pfusch am Bau .... Jepp, ein typischer Fallstrick bei solchen schlüsselfertigen Dingern. Auch oft bei Discovery-Boards gesehen. Christopher J. schrieb: > vermtl. per Jumper wählbar Hab mich geirrt. Auf dem Bild von deinem Board ist eine Lötbrücke zu sehen (rechts vom STM32), die als B1_L konfiguriert ist, also wohl 100k Pull-Down. Vielleicht haben sie auch einen anderen Widerstand als 100k verlötet. Normalerweise sollte der STM32 in Push-Pull-Konfiguration gegen einen 100k Pulldown mehr als 2,4V schaffen (bei 3,2V VCC). Kannst ja per Multimeter im ausgeschalteten Zustand mal den Widerstand zwischen PB2 und GND messen.
Christopher J. schrieb: > Auf dem Bild von deinem Board ist eine Lötbrücke zu sehen Wenn man sich den Schaltplan anschaut, gibt es da jede Menge Lötbrücken. Die können nicht alle offen sein. Die Aussage, "alle Pins auf allen Ports" wären unbelastet, stimmt wahrscheinlich so pauschal gesehen nicht.
Frank M. schrieb: > Wenn man sich den Schaltplan anschaut, gibt es da jede Menge Lötbrücken. > Die können nicht alle offen sein. Schon klar. Die Lötbrücke die ich meinte ist ja jene, die den Boot1 Pin betrifft und das ist mutmaßlich die, die mit B1_H/B1_L beschriftet ist. Die ist als "B1_L" konfiguriert bzw. geschlossen, d.h. laut Schaltplan 100k Pull-Down an PB2. Frank M. schrieb: > Die Aussage, "alle Pins auf allen Ports" wären unbelastet, stimmt > wahrscheinlich so pauschal gesehen nicht. Das habe ich auch nie behauptet. Ganz im Gegenteil: Der CAN-Transceiver wird sogar aktiv gegen PB8 arbeiten.
Christopher J. schrieb: > Das habe ich auch nie behauptet. Ganz im Gegenteil: Der CAN-Transceiver > wird sogar aktiv gegen PB8 arbeiten. Ich habe auch nicht behauptet, dass Du das gesagt hast. Aber der TO hat's geschrieben: Dominik H. schrieb: > Die Ausgänge sind unbelastet. P.S. Ich halte auch den Versuch, sämtliche Pins von allen Ports global auf Ausgang zu schalten, ziemlich unsinnig. Das kann man zwar mit einem nackten µC machen, aber nicht mit einem µC auf einem Dev-Board. Natürlich haben da Bauteile des Dev-Boards Kontakt mit einigen Pins. Sonst wäre das Board ziemlich überflüssig.
Frank M. schrieb: > Ich habe auch nicht behauptet, dass Du das gesagt hast. Aber der TO > hat's geschrieben: Ah, sorry. Hatte ich missverstanden.
Ich hatte das identische Problem auch gerade mit einem STM32F103vet6 minimum Board. Habe das Programm auch komplett nackt gemacht und nur die GPIOs programmiert. Der Controller war frisch aus der Verpackung. Hab dann einen anderen frischen genommen und es ging. Ich nehme an, wenn ich nur 8€ für so ein Board ausgebe, dass ich dann mit schlecht gefertigten Boards rechnen muss wo evtl. irgendwelche Kurzschlüsse oder Ähnliches sind.
Bitte melde dich an um einen Beitrag zu schreiben. Anmeldung ist kostenlos und dauert nur eine Minute.
Bestehender Account
Schon ein Account bei Google/GoogleMail? Keine Anmeldung erforderlich!
Mit Google-Account einloggen
Mit Google-Account einloggen
Noch kein Account? Hier anmelden.

