Hallo, hier ist mal wieder das Repair-Café ;-) Ich versuche gerade ein 2011er Einbau-Navigationssystem eines PKW wieder zu beleben. Es zeigt nur noch "0 Satelliten" an. Die GPS-Antenne ist in Ordnung, habe ich mit einem baugleichen Gerät getestet. Eine Untersuchung der GPS-Baugruppe mittels DSO ergab zunächst mal keine Auffälligkeiten. Alle Betriebsspannungen liegen sauber an und brechen auch im Betrieb nicht ein. Auf dem SPI-Interface erkenne ich kurz eine Programmiersequenz nach dem einschalten des Navis. Diese sieht zunächst so aus wie auf meinem Vergleichsgerät. Frequenzen habe ich, soweit mit das möglich war gemessen. Mein Racal-Dana geht leider nicht in den GHz Berzeich, auch mein DSO nicht, daher kann ich die GPS-Strecke nicht überprüfen. Der 16MHz-Quarz schwing jedoch einwandfrei. Mehr als ein Blockschaltbild konnte ich von dem GPS-Chip TI SN0501035 nicht finden, sprich kein Datenblatt. Vielleicht kennt ja hier jemand diesen Chip, der wurde sicher auch in anderen Geräten verbaut, gut möglich sogar mit gleichen Aussenbeschaltung, und kann mir ein paar Tipps und Hinweise zur Fehlersuche liefern? Den Chip einfach mal zu tauschen traue ich mich noch nicht so recht, weil es ein BGA ist und sowas wieder sauber drauf zu bekommen ist nicht ganz trivial.
Olli Z. schrieb: > tauschen traue ich mich noch nicht ... wird auch nicht unbedingt helfen, wenn ich das Wort Programmier-Interface lese. Unabhängig davon würde ich mal den Stromverbrauch beider Geräte versuchen zu vergleichen. Von der Statistik her sind oft Eingänge von Überspannung betroffen. Im Kfz-Bereich treten natürlich weitere böse Spannungen im Bordnetz auf. Deswegen wäre der Stromvergleich evtl. interessant? Hinweise zum Modul habe ich leider nicht.
Versorgung der Antenne liegt an? Koppelkondensatoren für die HF sind i.O.? Die Versorgung läuft über die gedruckte Drossel. GPS Eingangsfilter ist richtig gelötet? Das sieht ein wenig dürftig aus, wie auch ein paar andere Lötstellen im HF Pfad.
An den Bauteilen habe ich noch nichts selbst gelötet, die sind also Original, ab Werk so (maschinelle Fertigung). Natürlich ist das bleifreie Lot aus dieser Zeit anfällig für Brüche, da könnte ich mal mit Heißluft "drüber löten". Wenn ich direkt an der Fakra-Buchse messe habe ich dort saubere 5V. Die Phantomspeisung scheint also zu funktionieren. Zwar wird das GPS-Zeug durchaus leicht warm, aber einen "Signaturunterschied" beim Stromverbrauch konnte ich jetzt erstmal nicht feststellen. Das HF-Signal der GPS-Antenne geht von der Buchse aus auf einen 10 nF Kondensator und dann in diesen B69812-N1577-D302 (Filter?). Der hat einen Ein- und einen Ausgang und GND. Danach geht es über eine Induktivität auf einen 5,6 nF Kondensator und dann nach LNAIN (E6). Hier kann ich aber nicht wirklich ein Signal messen, dafür reicht mein Siglent 100MHz DSO wohl nicht aus.
Mit Heißluft wurde ich da nichts "nach löten". Nimm einen ordentlich Lötkolben mit einer entsprechenden Spitze und gut is. Der B69812N1577D302 ist ein 2 Pol Filter, ich habe auf die schnelle nur das gefunden: https://www.edn.com/microwave-ceramics-up-to-35-smaller-space-requirement Wenn das nicht mehr (richtig) durchlässt,hast Du auch keinen Empfang. Da die Platine mit im Fahrzeug ist bzw. Vibrationen ausgesetzt ist, kann auch die Verlötung der BGA die Fehlerursache sein. Wenn Du noch nie mit BGA gearbeitet hast,würde ich ein nachlöten nicht erst versuchen. Hast Du mal beim Verwerter nach ein Ersatzgerät geschaut ? Das ist eventuell zielführender als eine Reparatur zu versuchen.
BGA habe ich schon gemacht, daher habe ich ja auch einen gesunden Respekt davor. Mit der Microspitze meiner JBC habe ich auch nochmal leicht nachgearbeitet. Aber dieser "Reflow" brachte keine Verbesserung. Auf dem Foto der Platinenoberseite erkennt man einige Kondensatoren (vermutlich) welche ein Art blauen Klebestreifen drüber haben. Das hat doch sicher eine Bedeutung? Beim messen mit dem DSO sehe ich auf jeden Fall das aus dem Chip von dem defekten Gerät, ebenso wie von meinem Vergleichsgerät, auf den 4-Bit ADCOUT Pins "Daten" rausfließen, also muss der Chip nicht defekt sein. Ohnehin sind es selten die großen Chips, häufiger irgendwelche Kleinbauteile und Spannungsregler die den Geist aufgeben... Wenn ich die GPS-Antenne anstecke sehe ich bei beiden Geräten eine Erhöhung der Stromaufnahme um ca. 25 mA. Ich frage mich immer noch wie ich das GPS-Signal von der Antenne durch die Bauteile verfolgen kann. Mein DSO zeigt in Summe nur rauschen und wenn ich das Schema vom GPS-Chip richtig lese wird die Signaldemodulation intern vorgenommen. Besagter, rechteckiger Filter ist wohl nur ein Tiefpass/Bandpass? Zwischem dem Fakra-Stecker und diesem Filter ist nur ein einziges Bauteil, ein 10 nF Kondensator. Nach dem Filter kommen aber weitere Bauteile bis zum Chip. Das muss ich mal durchmessen und einen kleinen Schaltplan erstellen, vielleicht hilft das?
Olli Z. schrieb: > Ich frage mich immer noch wie ich das GPS-Signal von der Antenne durch > die Bauteile verfolgen kann. Nein. Das kann man nicht. Das GPS-Signal ist kleiner als das Rauschen und wird erst nach der Decorrelation im Empfänger-IC nutzbar (Spread-Spectrum Signal). Für die schnelle Satellitensuche benötigt der Empfänger die ungefähre Position (vom letzten Empfang) und die Zeit. Stehen beide nicht zur Verfügung kann es im ungünstigen Fall etliche Minuten dauern, bis der Empfänger die ersten Satelliten "sieht". Danach geht es schneller. Die Antenne bei Fahrzeugnavigationssystemen benötigt eine gute Sicht zum Himmel. Im Gebäude ist ein Empfang meist nicht möglich. Auch ist es hilfreich, wenn unter der Antenne ein etwa 1m x 1m großes Blech montiert ist (im Auto ist es das Karosserieblech). Aber auch im Auto sollte die Antenne so montiert sein, dass sie möglichst freie Sicht nach oben hat.
Olli Z. schrieb: > Auf dem Foto der Platinenoberseite erkennt man einige Kondensatoren > (vermutlich) welche ein Art blauen Klebestreifen drüber haben. Das hat > doch sicher eine Bedeutung? Ach, ich Dumm, das sind natürlich Induktivitäten. Unterm Mikroskop erkennt man ganz klar eine Windung. Das dürften also nur wenige nH sein. Diese weisen einen Widerstandswert von ca. 0,02 Ohm auf, also haben sie zumindest Durchgang.
Hier mal der Schaltplan von der Eingangsstufe. Bei den Werten muss ich etwas raten weil ich nicht so feine Messinstrumente dafür besitze. Aber ich denke meine erste Annahme das der Eingangskondensator 10 nF wäre muss falsch sein, da würden so hohe Frequenzen ja eher nicht durchgehen. Mein Siglent SDM3045X zeigt auf Kapazitätsstufe 0,024 nF beim ausgelöteten Kondensator an. 10 pF scheinen mir hier daher realistischer zu sein.
Günni schrieb: > (Spread-Spectrum Signal). Für die schnelle Satellitensuche benötigt der > Empfänger die ungefähre Position (vom letzten Empfang) und die Zeit. > Stehen beide nicht zur Verfügung kann es im ungünstigen Fall etliche > Minuten dauern, bis der Empfänger die ersten Satelliten "sieht". Danach Stimmt genau. Ich habe eine Antenne nach draussen gelegt, auf die Blech-Fensterbank, da bekomme ich 1-2 Satelitten, beim intakten Vergleichsgerät angezeigt von der Software. Und ja genau, es dauert einige Minuten bis er eine Satelitten-ID anzeigt. Aktuell nutze ich eine billige "GPS-Maus" zum testen, habe hier aber noch einen Orignal-Empfänger vom Fahrzeug, muss mir dazu nur noch ein Kabel bauen. Der ist vielleicht empfindlicher. Aber am reinen Empfang selbst liegt es ja nicht, es liegt daran das das Signal entweder nicht in den Chip gelangt oder das dieser aufgrund externer Beschaltung nicht sauber demodulieren kann, oder er doch einen "weg" hat. Die ganzen Bauteile in der Signalstrecke haben zumindest Durchgang, also scheint erstmal nichts unterbrochen zu sein. Die Kondensatoren haben keinen elektrischen Durchgang, scheinen also auch nicht durchlegiert. Optisch ist ohnehin nichts zu erkennen.
Wie ich weiter oben geschrieben habe, benötigt der Empfänger für die schnelle Suche Angaben zur ungefähren Position und Zeit. In Fahrzeugnavigationssystemen nutzt man dafür die Dauerplusversorgung, da die Lebensdauer von Akkus o.ä. verglichen mit dem Lebenszyklus eines Autos zu kurz ist. Nachteil dabei ist, dass beim Ausbau der Navi diese Versorgung unterbrochen wird und dann der Empfänger immer im sehr langsamen Kaltstartmodus hochfährt. Da die Satelliten nicht geostationär sind, muss für deren Empfangsfrequenz die Dopplerverschiebung berücksichtigt werden (bewegt sich der Satellit vom Empfänger weg oder kommt er auf ihn zu). Ein weitere Rolle spielt aber auch die Bewegung des Autos, die ebenfalls die Dopplerverschiebung beeinflusst. (Durch deren Auswertung erkennen die meisten Empfänger die Fahrtrichtung und -Geschwindigkeit.) Aus diesen Gründen sind GPS-Empfänger für Fahrzeuge anders ausgelegt als GPS-Empfänger für stationären Betrieb oder nur langsame Ortsveränderungen (Fußgänger, Fahrradnavis ....). Letztere müssen dafür wesentlich empfindlicher sein, da diese auch in Gebäuden betrieben werden. Eine otimale Lösung für alle Anwendungsfälle gibt es nicht. (Auch ein Fahrzeugbauer muss sich entscheiden, ob er einen Rennwagen oder einen LKW bauen möchte - selbst wenn die Motorleistung durchaus vergleichbar sein kann.)
Danke Günni, das habe ich alles verstanden, hilft mir aber aktuell noch nicht wirklich weiter.
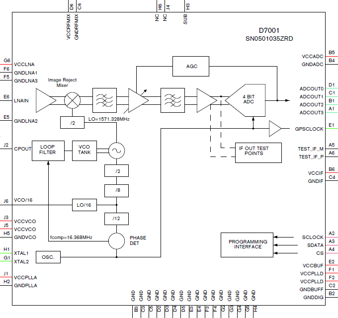
Hast Du schon geschaut ob an GPSCLOCK und ADCOUT0..3 etwas passiert? Das sind vermutlich die Signale an den fünf Widerstanden links im Bild IMG_6767.png. GPSCLOCK muss ein Takt sein, an ADCOUT0..3 sollte zumindest Aktivität sein. Das wäre ein Minimaltest für den Chip, wenn das nicht passt stimmt relativ sicher etwas nicht.
Hilfreich ist eventuell der Schaltplan für das GPS Frontend eines Nokia 6275. Der TRF5101 ist zwar nicht identisch zu dem verbauten Chip, aber sehr ähnlich. Ausserdem interessant "Troubleshooting — GPS" von Nokia, ebenfalls für den TRF5101, aber vermutlich auch in diesem Fall hilfreich
Dieter schrieb: > Hast Du schon geschaut ob an GPSCLOCK und ADCOUT0..3 etwas passiert? Ja genau das sind die, hatte ich oben in einem meiner Beiträge angedeutet das ich diese Ausgänge gemessen habe und dort eine klare Aktivität stattfindet. Clock natürlich periodisch, die Datensignale halt mit "irgendwas". Da dies vermutlich einfach nur rohe A/D Daten sind, kann ich damit vermutlich im LA wenig anfangen?
Hier die Signale vom GPS-Chip abgehend eingezeichnet. Das GPSCLOCK habe ich einmal beim defekten Gerät (no-gps) und einemal beim Vergleichsgerät (full-gps) jeweils mit dem DSO und dem RACAL gemessen (bei der DSO-messung hatte ich leider einmal 1V und einemal 500mV pro Teiler eingestellt, daher die ungleiche Darstellung, die Amplidute ist aber bei beiden gleich, ca. 1,8V) GPSCLOCK ist also ca. 16MHz.
Olli Z. schrieb: > Hier mal der Schaltplan von der Eingangsstufe. Nicht ganz. Über die gedruckte Spule wird nur die Versorgung eingekoppelt, sie liegt nicht im Signalweg.
Falls Du mit dem Fehler nicht weiterkommst: Bevor Du das Teil entsorgst wäre ich eventuell dran interessiert, an den GPS RF Chip kommt man ja gut dran und das wäre etwas zum experimentieren. In den Nokia Handys mit ähnlichen Chips ist es nicht so einfach.
Falls du noch einen anderen Quarz 16,368 MHz da hast, könntest du den mal tauschen - die Frequenz kommt auch in DECT Telefonen vor. Ich finde, das der ganz schön neben der Frequenz liegt.
Matthias S. schrieb: > Falls du noch einen anderen Quarz 16,368 MHz da hast, könntest du den > mal tauschen - die Frequenz kommt auch in DECT Telefonen vor. Ich finde, > das der ganz schön neben der Frequenz liegt. Wenn ich mich nicht verrechnet habe sind 16.367876 MHz um knapp 8 ppm daneben, das sollte OK sein. Das oben eingestellte npd4_series.pdf sagt +/- 256 Hz, also ebenfalls OK. Das alles unter der Annahme dass der Counter halbwegs genau kalibriert ist. Abgesehen davon sollten auch bei einer grösseren Abweichung zumindest noch ein paar Satelliten erkannt werden, wegen des Doppler-Effekt muss ja in einem relativ grossen Frequenzbereich gesucht werden.
Matthias S. schrieb: > Falls du noch einen anderen Quarz 16,368 MHz da hast, könntest du den > mal tauschen - die Frequenz kommt auch in DECT Telefonen vor. Ich finde, > das der ganz schön neben der Frequenz liegt. Und da lagst Du wohl goldrichtig. Genau das habe ich vorhin getan. Die erste Messung mit dem RACAL war optisch etwas ernüchternd weil es nicht sehr weit vom alten Wert war - ABER - es hat gereicht das binnen einer Minute der erste Satellit empfangen wurde und einige Minuten danach sogar schon 5 ! GPS benötigt ja wenigstens 4 Sats zur Positionsbestimmung und in der Tat klappt auch die Kartenposition und Navigation wieder einwandfrei. Das Navi gibt im Engineer-Mode einige interessante Infos aus, wie den Almanach-Wert, die Sat-IDs usw. Dann war es am Ende wirklich nur ein schwächelnder Quarz, wow, wer hätte das gedacht?!
Dieter schrieb: > Falls Du mit dem Fehler nicht weiterkommst: Bevor Du das Teil entsorgst > wäre ich eventuell dran interessiert, an den GPS RF Chip kommt man ja > gut dran und das wäre etwas zum experimentieren. In den Nokia Handys > mit ähnlichen Chips ist es nicht so einfach. Ich habe nun einige Komponenten über, die stelle ich Dir gern zur Verfügung wenn Du magst. Schreib mir doch einfach eine PN.
Dieser Quarz ist garnicht so einfach zu bekommen, stelle ich fest. Er ist 3x5mm groß und außer der Kennzeichnung habe ich keine Daten, z.B. bezüglich Kapazität.
Olli Z. schrieb: > > Und da lagst Du wohl goldrichtig. Genau das habe ich vorhin getan. Die > erste Messung mit dem RACAL war optisch etwas ernüchternd weil es nicht > sehr weit vom alten Wert war - ABER - es hat gereicht das binnen einer > Minute der erste Satellit empfangen wurde und einige Minuten danach > sogar schon 5 ! Ist Dein Counter so daneben mit der Kalibration? Meine Rechnung weiter oben (unter der Annahme dass Dein Counter halbwegs stimmt) zeigt keine Auffälligkeit wenn ich mich nicht verrechnet habe.
Olli Z. schrieb: > Er > ist 3x5mm groß und außer der Kennzeichnung habe ich keine Daten, z.B. > bezüglich Kapazität. Dafür gibts ja den Frequenzzähler. Der derzeitige ist zumindest 'on the Spot'. Und wie erwähnt, kenne ich diese Frequenz auch aus DECT Telefonen. Wenn due Zugriff auf solchen Schrott hast, lohnt sich ein Blick. > gps_info_channel.jpg Scheint mir allerdings ziemlichen Unsinn anzuzeigen. Lass ihn mal 'ne Weile sammeln, evtl. kommt da noch was sinnvolles. Stimmt denn 600m über NN ungefähr? Dieter schrieb: > Meine Rechnung > weiter oben Ich habe die Erfahrung bei GPS Empfängern gemacht, das sie umso besser funktionieren, je besser die lokale Basisfrequenz stimmt.
Matthias S. schrieb: > Scheint mir allerdings ziemlichen Unsinn anzuzeigen. Lass ihn mal 'ne > Weile sammeln, evtl. kommt da noch was sinnvolles. Stimmt denn 600m über > NN ungefähr? Passt, sagt das Internet.
Zu dem Oszillator: Die richtig genauen sind TCXOs, für GPS sogar noch mal extra genau: https://de.farnell.com/en-DE/c/crystals-oscillators/oscillators/temperature-compensated-tcxo-oscillators?frequency-nom=16.368mhz Leider nicht mehr lieferbar oder lange Lieferzeit.
Mich wundert halt auch, das nicht mal die Uhr richtig anzeigt. Ein Y2K Problem hatte GPS ja nicht, nur vor einiger Zeit die Sache mit den Wochennummern. Uhrzeit ist bei meinen GPS-RX immer das erste, was stimmt.
Matthias S. schrieb: > Mich wundert halt auch, das nicht mal die Uhr richtig anzeigt. Ein Y2K > Problem hatte GPS ja nicht, nur vor einiger Zeit die Sache mit den > Wochennummern. Uhrzeit ist bei meinen GPS-RX immer das erste, was > stimmt. Je nach dem wie das Gerät mit dem GPS Rollover umgeht kann es dazu kommen dass die Uhrzeit nicht stimmt. Die Position stimmt normalerweise dann immer noch. Das Problem mit dem GPS Rollover ist aber eigentlich nur ein Problem für ältere Geräte.
Es sollte natürlich "GPS Week Rollover" heißen...
Olli Z. schrieb: > Dieser Quarz ist garnicht so einfach zu bekommen, stelle ich fest. Er > ist 3x5mm groß und außer der Kennzeichnung habe ich keine Daten, z.B. > bezüglich Kapazität. Wenn Dein Gerät in Großserie produziert wird, insbesondere wenn es von einem Automobilzulieferer stammt und nicht von einem Nachrüster, dann kannst Du davon ausgehen dass der Quarz kundenspezifisch ist. Der ist dann so geschliffen, dass sich mit dem gegebenen Layout und den vom Quarzhersteller spezifizierten Lastkondensatoren und Fusebit-Einstellungen über den vollen Temperaturbereich die geforderte Frequenztoleranz und Anschwingreserve ergibt. Ersatz durch ein Katalogteil kann funktionieren, kann aber bei extremen Temperaturen auch Probleme machen.
Leider findet man zu diesen TI GPS RF Frontends ziemlich wenig. Es gibt das Datenblatt zum TRF5001, das scheint eine ältere Version zu sein die einen zusätzlichen externen IF Filter benötigt. Aber auch da finden sich keine Angaben zur Genauigkeit für den Takt. Wenn man sich die TCXOs anieht die es dafür gibt/gab (siehe z.B. Link zu Farnell weiter oben) dann haben die TCXOs für GPS eine Genauigkeit von 0.5 ppm, die "normalen" 2 ppm. Inwieweit man diese Genauigkeit für dieses Gerät braucht ist eine andere Frage, das hängt ja auch von der GPS Firmware ab in welchem Frequenzbereich sie nach Satelliten sucht bzw. ob es vielleicht auch eine Korrekturwert für den Takt gibt.
Zu dem Oscillator, der ist wohl von NDK (das Logo passt). Das wäre vermtulich die Richtung, allerdings ist der kleiner: https://www.ndk.com/en/products/search/tcxo/1190922_1503.html Es gibt von NDK auch welche mit 5x3.2 mm, das müsste man schauen ob es einen passenden mit "Automotive" Spezifikation gibt.
Spekulation: wenn die Abweichung des Takt nur durch "Aging" passiert ist und nicht durch einen Defekt (Stoss etc.) und die GPS Baseband Firmware einen einstellbaren Korrekturfaktor für den Takt vorsieht dann könnte man das Problem durch Ändern dieses Korrekturfaktors beheben.
Im Bezug zu meiner "Spekulation" sehe ich gerade dass es da ja "Oscillator Frequency" im Engineering-Mode gibt. Kann man denn da was einstellen?
Dieter schrieb: > Im Bezug zu meiner "Spekulation" sehe ich gerade dass es da ja > "Oscillator Frequency" im Engineering-Mode gibt. Kann man denn > da was einstellen? Nein, einstellen kann man da leider nichts, nur darstellen.
Ich glaube nicht das der Quarzozillator kaputt war, sondern kalte Lötstellen der Grund war. Setz doch mal den Alten wieder ein.
Dirk schrieb: > Ich glaube nicht das der Quarzozillator kaputt war, sondern kalte > Lötstellen der Grund war. Setz doch mal den Alten wieder ein. Weiter oben habe ich schon geschrieben das ich bereits einen Reflow durchgeführt hatte ohne Erfolgt.
Olli Z. schrieb: > > Nein, einstellen kann man da leider nichts, nur darstellen. Hast Du die komplette Firmware für das Gerät, also inklusive des GPS Baseband? Dann könnte man da mal nachsehen. Kartenmaterial kann man weglassen, dann sollte die Größe überschaubar bleiben.
Worum gehts denn jetzt? Die Ursache ist doch gefunden und der Apparat spielt. Dirk schrieb: > Ich glaube nicht das der Quarzozillator kaputt war Glaube hat damit gar nichts zu tun. Man sieht doch, das es wieder geht, wenn der Oszillator in der Nähe der richtigen Frequenz schwingt.
Matthias S. schrieb: > Worum gehts denn jetzt? Die Ursache ist doch gefunden und der Apparat > spielt. Ist zwar nicht mein Gerät aber ich sehe momentan nicht genau was die Ursache ist: die Frequenz des Oszillator liegt um 7 ppm daneben, was zu viel ist. Das liegt aber im Rahmen dessen was bei einem so alten Gerät zu erwarten ist, der oben verlinkte NDK Oszillator hat maximal 1 ppm Abweichung pro Jahr. Ich würde jetzt nicht erwarten dass das eine "Sollbruchstelle" für "kaputt nach spätestens x Jahren ist" sondern dass da an anderer Stelle etwas nicht stimmt. Der Engineering Mode für den Oszillator geht ja auch in die Richtung, es werden wohl Korrekturwerte errechnet. Ja, ich weiss, anderen ist so was egal, hauptsache es funktioniert ohne genau zu wissen warum. Daher frage ich nach der Firmware, nur für meine private Neugier was genau da passiert sein könnte.
Dieter schrieb: > hauptsache es funktioniert ohne > genau zu wissen warum. Wir wissen doch aber, warum. Der Oszillator lag daneben. Olli hat doch den Beweis erbastelt.
Matthias S. schrieb: > > Wir wissen doch aber, warum. Der Oszillator lag daneben. Olli hat doch > den Beweis erbastelt. Mit einer Abweichung von 7 ppm sollte der GPS Empfänger umgehen können weil das schon durch die Alterung zu erwarten ist (siehe oben, 1 ppm pro Jahr ist möglich). Ich könnte mir vorstellen dass der Korrekturwert für den Oszillator irgendwo gepeichert wird, eventuell ist diese Korrektur verlorengegangen.
Dieter schrieb: > Hast Du die komplette Firmware für das Gerät, also inklusive > des GPS Baseband? Dann könnte man da mal nachsehen. Natürlich habe ich die :-) sind 64MB, aber was glaubst Du darin finden zu können? Die Firmware hat noch einen Frontend-Teil welcher im Display steckt was wie eine eigene Grafikkarte wirkt. Aber ich lasse Dir die mal zukommen.
Dieter schrieb: > oben, 1 ppm pro Jahr ist möglich). Ich könnte mir vorstellen dass > der Korrekturwert für den Oszillator irgendwo gepeichert wird, Das dürfte sogar sicher sein weil das Gerät alles im Flash ablegt, ggf. auch im EEPROM, aber das ist an den Radioprozessor verbunden und vermutlich nur für seine Einstellungen, muss aber nicht sein denn der ist ja auch mit dem Zentralprozessor verbunden. Aber das würde ja auch bedeuten das die Software selbst nicht in der Lage ist einen Korrekturwert initial zu berechnen und dieser ab Werk, passend zu einer Fehlermessung eingespeichert wurde. Das kann ich mir bei Massengeräten im Millionenbereich eher nicht so gut vorstellen...
Dieter schrieb: > Mit einer Abweichung von 7 ppm sollte der GPS Empfänger umgehen > können weil das schon durch die Alterung zu erwarten ist (siehe > oben, 1 ppm pro Jahr ist möglich) Ich weiss nicht, was das für ein Fahrzeug ist, aber z.B. VW designed ihre Wagen für eine Lebensdauer von 8 Jahren. Wenn der Quarz also von Anfang an z.B. 4 ppm daneben lag, spielt es erstmal. Alles andere ist dem Hersteller wurscht. Ich habe gerade mal im Plan eines alten Blaupunkt Travelpilot nachgeschaut. Der GPS Chipsatz ist hier noch aufgeteilt in 2 Teile, HF Frontend (Scott) und GPS Prozessor (Scorpion). Der Takt für Scorpion von 12,504 Mhz ist hier über einen Trimmer einstellbar - das waren noch Zeiten.
Matthias S. schrieb: > > Ich habe gerade mal im Plan eines alten Blaupunkt Travelpilot > nachgeschaut. Der GPS Chipsatz ist hier noch aufgeteilt in 2 Teile, HF > Frontend (Scott) und GPS Prozessor (Scorpion). Der Takt für Scorpion von > 12,504 Mhz ist hier über einen Trimmer einstellbar - das waren noch > Zeiten. Interessant, von wem ist der GPS Chipsatz?
Dieter schrieb: > Interessant, von wem ist der GPS Chipsatz? Tja, wenn man das wüsste. Ich habe damals mal das Internet durchsucht, aber nichts gefunden. Scorpion ist ein COB, Scott ein SSOP28. Scott liefert I und Q an Scorpion, der den Rest erledigt. Das Modul war im Blaupunkt Travelpilot RNS149. Ich hatte da mal eine Bastelseite zu gefunden, aber jetzt nicht mehr. Das Modul habe ich geplündert und mir damit einen kleinen GPS Receiver gebaut: Beitrag "Re: Quick&dirty - schnelle Problemlösungen selbst gebaut" Hat 2 UART, aber mit dem einen kann man wohl nur undokumentierte Dinge kommunizieren.
Matthias S. schrieb: > > Hat 2 UART, aber mit dem einen kann man wohl nur undokumentierte Dinge > kommunizieren. Ich nehme an die Firmware für das Ding ist nicht in einem externen Baustein so dass man leicht rankommen könnte?
Dieter schrieb: > Matthias S. schrieb: >> >> Hat 2 UART, aber mit dem einen kann man wohl nur undokumentierte Dinge >> kommunizieren. > > Ich nehme an die Firmware für das Ding ist nicht in einem externen > Baustein so dass man leicht rankommen könnte? Die Firmware ist in einem Flashbaustein, aber warum sollte man sich die Mühe machen für einen alten 8-Kanal Empfänger? Hier ist die Bastelseite zu dem Modul, die ich damals gefunden hatte: http://hlembke.de/arduinoablage/crate.php?200200rns149
Zu der MCA Firmware: es gibt umfangreiche Debug/Log-Ausgaben für GPS die man aber vermutlich erst aktivieren muss. Es gibt eine Möglichkeit den Oszillator Offset und die Genauigkeit in einem Test-Modus (eventuell bei der Produktion verwendet) zu setzen. Allerdings sehe ich noch nicht wo das dann gespeichert wird.
Matthias S. schrieb: > > Die Firmware ist in einem Flashbaustein, aber warum sollte man sich die > Mühe machen für einen alten 8-Kanal Empfänger? Manchmal haben diese alten Empfänger interessante "Nebeneffekte": z.B. wenn der Takt des kompletten Empfänger per VCXO auf das GPS Signal synchronisiert wird, dann fällt eine genaue Taktreferenz an wenn ein Fix erreicht wurde. Und wenn man mit dem GPS Signal experimentieren will (z.B. selber mal die Signalerkennung machen möchte) dann geht das recht einfach wenn es einen separaten RF Frontend gibt. Die 4 Bit bei 16.368 MHz des TI Chips im MCA sollten sich mit einem aktuellen Mikrocontroller relativ leicht einlesen lassen und dann weiterverarbeiten. Klar, alles nur Spielerei und kein Vergleich gegenüber einem aktuellen GNSS Empfänger mit GPS, Galileo, Glonass und Beidou.
Dieter schrieb: > Zu der MCA Firmware: es gibt umfangreiche Debug/Log-Ausgaben für GPS > die man aber vermutlich erst aktivieren muss. Es gibt eine Möglichkeit > den Oszillator Offset und die Genauigkeit in einem Test-Modus (eventuell > bei der Produktion verwendet) zu setzen. Allerdings sehe ich noch nicht > wo das dann gespeichert wird Man sieht div. Logmeldungen im Flash, ich denke ein Teil davon könnte wie ein Filesystem genutzt werden, möglicherweise sind es aber auch nur Überbleibsel vom compilat der Firmware. Man findet jede Menge sprintf Strings welche logs implizieren, möglicherweise werden diese, bei entsprechender Aktivierung auch über ein JTAG-Debug oder Serial ausgegeben. Aktivierung könnte ggf. durch externe Beschaltung (Widerstand, Brücke) erfolgen.
Bitte melde dich an um einen Beitrag zu schreiben. Anmeldung ist kostenlos und dauert nur eine Minute.
Bestehender Account
Schon ein Account bei Google/GoogleMail? Keine Anmeldung erforderlich!
Mit Google-Account einloggen
Mit Google-Account einloggen
Noch kein Account? Hier anmelden.



















