Hallo, ich muß aus einem Sinussignal mit einer Amlitude zwischen 1-4V und einer max. Frequenz von ca. 50Mhz ein TTL-Signal erzeugen. Ich dachte da an einen Video-Opamp und ein 74hct00 oder 74hct74. Wie würdet ihr das machen ?
Schnellen Comparator. Den OP brauchst du höchstens, wenn deine Quelle sehr hochohmig ist.
Kommt auf seine Slewrate an... Die Dinger haben Grenzfrequenzen, die man unterschreiten sollte.
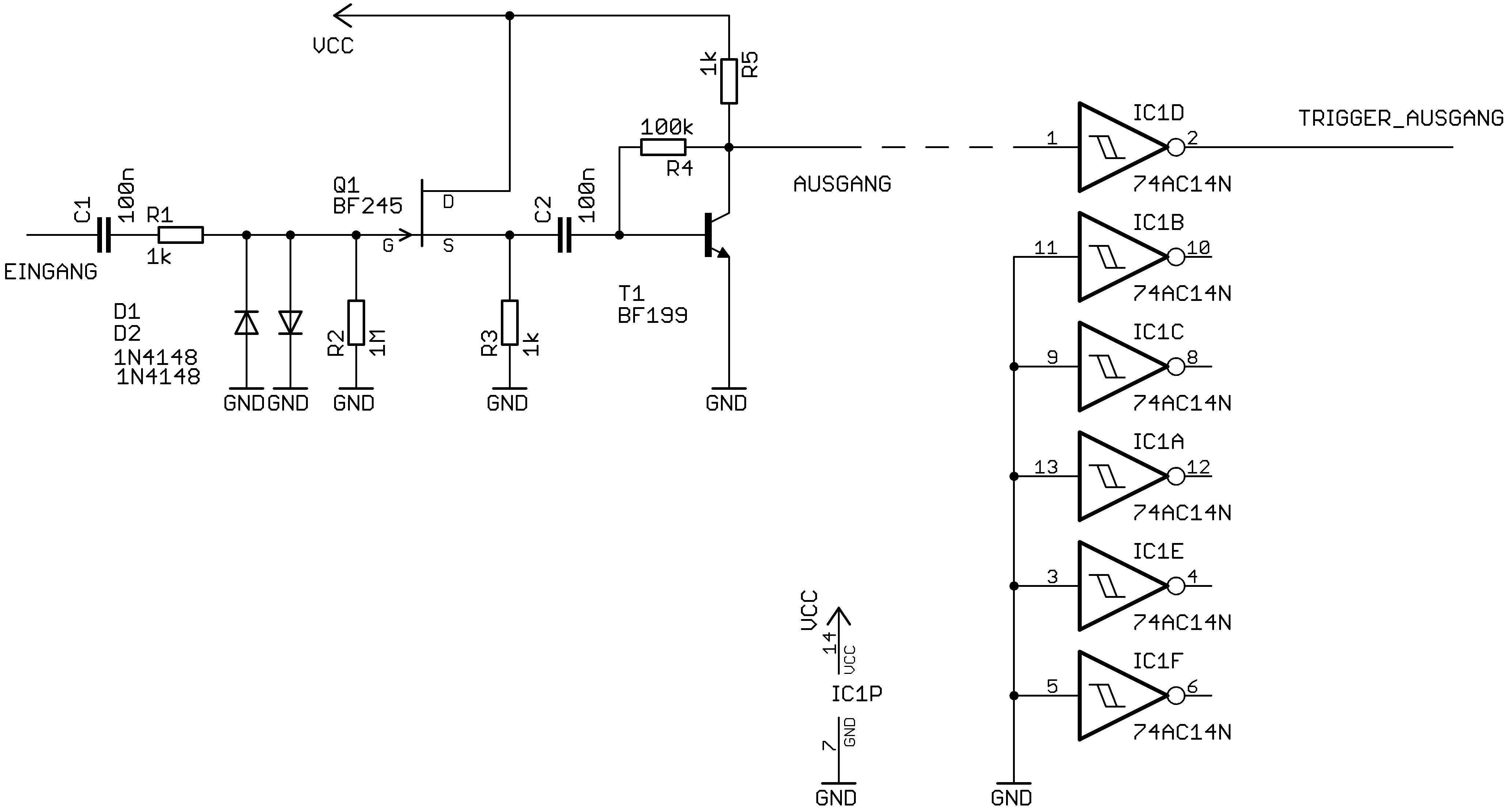
hier mal ein Bildchen dazu. Den Fet kannst Du weglassen, wenn's nicht hochohmig sein muss.
Danke für eure Tipp´s, Habe noch ein Max903 da, der müßte laut Datenblatt auch laufen...........
Bitte melde dich an um einen Beitrag zu schreiben. Anmeldung ist kostenlos und dauert nur eine Minute.
Bestehender Account
Schon ein Account bei Google/GoogleMail? Keine Anmeldung erforderlich!
Mit Google-Account einloggen
Mit Google-Account einloggen
Noch kein Account? Hier anmelden.

