Hallo allerseits in diesem tollen Forum, ich habe heute auch einmal eine Frage bzw. Bitte: Gibt es eine Möglichkeit die Funktionen eines Drehgebers durch einfache Tastschalter (+ Zwischenelektronik) zu ersetzen? Einen PIC oder Amtel kann ich mangels Kenntnis und Programmer leider nicht programmieren. Hintergrund: Mein Motorrad (BMW K 1100LT) hat eine Lenker-Fernbedienung per Kabel für's Radio mit einfachen UP/DOWN-Tasten für Senderwechsel und Volume. Das Radio ist aber alt (wie's Motorrad, Bj.92) und soll durch ein vorhandenes Becker-Radio/Navi (Traffic Pro) ersetzt werden. Und die Lenker-FB sollte AUCH dabei funktionieren. Und das ist für mich ein grosses Problem! Weil: Das Becker-Radio hat keine UP/DOWN-Tasten sondern Drehgeber für Sender (Speicher vor/zurück) und Volume. Nach der Analyse des Drehgebers im Becker-Radio z.B. für Volume (Sendergeber identisch) müsste beim Drücken der UP-Taste (Lenker-FB) folgendes auf zwei Signalleitungen (nenne ich folgend A + B) ausgegeben werden: 1. Druck = A wird high + bleibt, B wird ca. 20 mSek. später high + bleibt 2. Druck = A wird low + bleibt, B wird ca. 20 mSek. später low + bleibt 3. Druck = wie 1. Druck 4. Druck = wie 2. Druck und immer so weiter. Beim Drücken der DOWN-Taste (Lenker-FB) sind die Verhältnisse ähnlich, aber umgekehrt: 1. Druck = B wird high + bleibt, A wird ca. 20 mSek. später high + bleibt 2. Druck = B wird low + bleibt, A wird ca. 20 mSek. später low + bleibt 3. Druck = wie 1. Druck 4. Druck = wie 2. Druck und immer so weiter. Ist dieses Ersetzungs-Vorhaben lösbar? Wahrscheinlich wohl nur mit Hilfe eines µC und hier fehlt's mir komplett. Tja, man kann leider nicht alles wissen. Oder könnte mir vielleicht jemand so einen programmieren, natürlich bei entsprechender Aufwandsentschädigung? Ach so, oben beschriebene Funktionen müssten auch doppelt sein (UP/DOWN jeweils für Sender und Volume). Wäre toll, wenn mir jemand helfen würde, dankeschön. Wolf aus der Nähe von Berlin
welche spannung liegt bei High an ? ansonsten ist das ja überhaupt kein problem. sind die 20ms geschätzt ?
Hi Sven, danke für die Antwort. Achso, also high ist 5 Volt. Die 20 mSek. sind nicht absolut exakt. Habe vom eingebauten Drehgeber mit Radio an (Mittelpin=Masse) die äusseren beiden Pins (hier A + B) mit je einem Kanal des Scops verbunden und gegen Masse gemessen. Aus der zeitlich dargestellten Verschiebung der beiden Signale habe ich die ca. 20 mSek. ermittelt (Einstellung Scope 0.1 Sek/Teilung, Verschiebung ca. 1/5 Teilung). Ich weiss nicht, wie so ein Drehgeber innen aufgebaut ist, möglicherweise ist diese Verzögerung auch abhänging von der Drehgeschwindigkeit. Bis später Wolf
genau so ist es A __|--|__|--|__ B -|__|--|__|--|__ Durch die Verbindung kann man feststellen in welche Richtung das Rad gedreht wird. Im Normalfall reicht da ein Tiny15 oä.... hab’s grad überlesen Du willst kein µC? Mit rein Logik Bausteinen geht’s auch du brauchst aber mehr Lötzinn und Platz.
Hi Sven, würde schon gerne einen µC nehmen, klar wäre dann nur noch eine kleine Zusatzplatine. Habe mich seit gestern bei Sprut in die PIC-Programmierung eingelesen. Alles noch Neuland für mich. Bin am Überlegen, einen Programmer zu bauen. Aber bis ich das alles gerafft habe, ist die Motorradsaison bestimmt vorbei :-)) Ja, hatte nochmal die Gebersignale untersucht. Der Zeitversatz scheint nicht kritisch zu sein, denn er unterscheidet sich enorm abhängig von der Drehgeschwindigkeit des Gebers. Frage: Könntest Du mir gegen Bezahlung einen PIC, z.B. 16F628 o.ä., mit diesen Anforderungen programmieren??? Bis auf den PIC hätte ich die weiteren Bauteile wie Resonator/Quarz, R's und C's und Lochrasterplatte hier. Ich denke, so etwas per Logik-Bausteine zu realisieren steht in keinem vernünftigen Verhältnis zu Aufwand und Nutzen. Bis dann Wolf
Moin,wenn es sich nur um 2 Ausgänge handelt,kannst Du auch z.B. einen 8 Beiner nehmen z.B. 12F675,ein, internes RC ist integriert,somit Quarz und Co überflüssig,bei genauer Beschreibung ist vielleicht eine schnelle Anpassung meiner Timerbausteine möglich,mfg <F.H. http://www.ees-hartz.de/Timer/ mfg F.H.
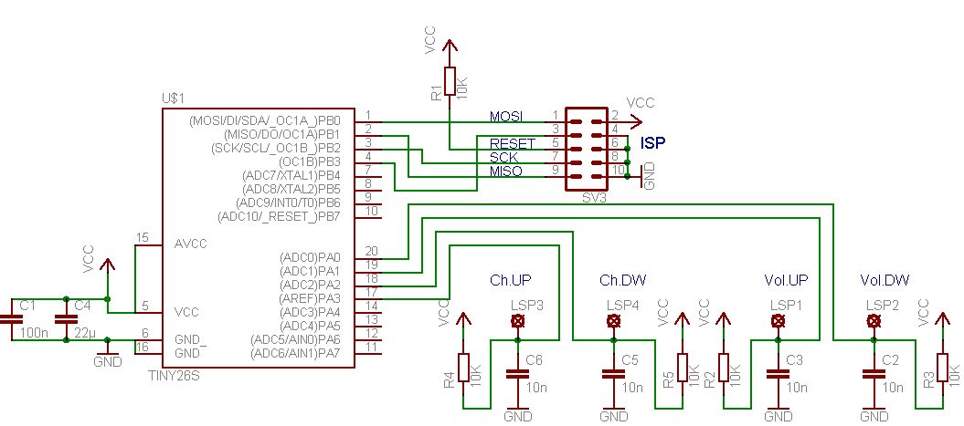
Mit PIC Programmierung kann ich dir leider nicht weiterhelfen. Ich denke aber für die Sache die Du vor hast reicht so ein kleiner popliger Tiny aus. Die Programmier Anschlüsse sind gleichzeitig die Ausgänge, womit du das ganze etwa auf eine 35x27 mm kleine Platine bekommst. Du müsstest jetzt nur noch für die 5V Versorgungspannug sorgen. gruß Sven Übrigens Platine und Programierung sind kein Problem... nur die Zeit habs grad noch gesehen die Reset verbindung fehlt noch.
Mit der Hoffnung das hier noch ein paar Leute mitlesen. @ Guido Körber: Könntest du den Gedanken etwas konkretisieren? Habe ein von der Anwendung her identisches Problem, würde aber lieber auf reine Logik-Bausteine ausweichen.
Bitte melde dich an um einen Beitrag zu schreiben. Anmeldung ist kostenlos und dauert nur eine Minute.
Bestehender Account
Schon ein Account bei Google/GoogleMail? Keine Anmeldung erforderlich!
Mit Google-Account einloggen
Mit Google-Account einloggen
Noch kein Account? Hier anmelden.
