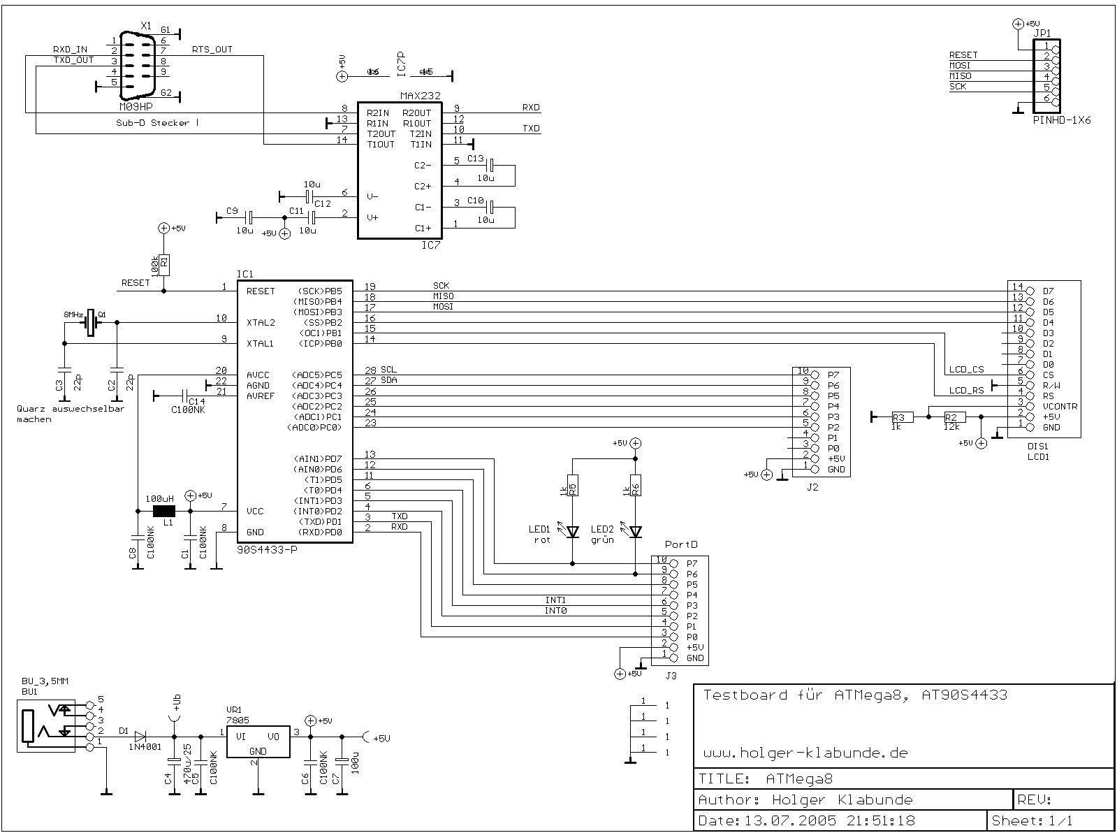
Hallo, ich hab mir ein Testboard für den ATMega8 nachgebaut. Ich hab nur gerade ein kleines Verständnisproblem zur eingebauten Reset-Möglichkeit des Boards. (...hab bis jetzt nicht so die fundierten Elektronikkenntnisse. :) Der Schaltplan ist im Anhang des Beitrags. Laut dem Schlaltplan ist dort der Restpin des Atmels permanent an 5V da hängt nur ein 100k Widerstand dazwischen. Ich hab aber noch die Möglichkeit einen Jumper auf Rest zu setzen und so den Wiederstand zu überbrücken. Mein Frage ist jetzt wozu liegt da überhaupt nun permanent diese ominöse eine Spannung an? Ist das nicht eher kontraproduktiv? Wäre nett wenn mir das mal versucht zu erklären. :) Das Bord fand ich ansonsten ziemlich gut im Design. mfG Christian
Reset oder besser /Reset ist active low, d.h. um den reset zu aktivieren
muss ein Low-Pegel (GND) anliegen. Daher der Pullup-Widerstand gegen
Vcc.
In der Zeichnung ist der Pin nicht richtig beschriftet. Es sollte wohl
/RESET heissen.
Bei active low pins findet man auch oft ein Querstrich über dem Namen
oder davor,
z.B. ___
RESET oder auch /RESET
Das RESET Signal ist Low Aktiv, also Low drann der Controller macht ein RESET. Wenn der durch Störungen in der Höhe von den Low Pegel bekommt, würde es ein RESET auslösen, um das zu verhindert hat er ein Widerstand an +5V ( High-Pegel ) und kann auch bei Störungen nicht auslösen.
Bitte melde dich an um einen Beitrag zu schreiben. Anmeldung ist kostenlos und dauert nur eine Minute.
Bestehender Account
Schon ein Account bei Google/GoogleMail? Keine Anmeldung erforderlich!
Mit Google-Account einloggen
Mit Google-Account einloggen
Noch kein Account? Hier anmelden.
