Hi,
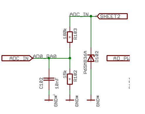
rechts an der Schaltung ("Sheet2") liegt die Spannung an (bis 32V), die
am ADC eines mega gemessen werden soll.
1. Die Diode schützt nur gegen Überspannung, oder? Sie bricht durch,
wenn die Spannung zu hoch ist?
2. Mich interessiert, welcher Strom der Quelle rechts entnommen wird.
Kann ich den AD-Wandler als so hochohmig ansehen, dass der
Spannungsteiler also nahezu unbelastet ist?
Dann würde ich die Spannung über R103 ausrechnen und hätte damit den
Strom, der der Quelle entnommen wird?
Mfg
jens
>1. Die Diode schützt nur gegen Überspannung, oder? Sie bricht durch, >wenn die Spannung zu hoch ist? Sieht so aus... >Mich interessiert, welcher Strom der Quelle rechts entnommen wird. >Kann ich den AD-Wandler als so hochohmig ansehen, dass der >Spannungsteiler also nahezu unbelastet ist? Datenblatt: >Analog Input Resistance: 100 MOhm >Dann würde ich die Spannung über R103 ausrechnen und hätte damit den >Strom, der der Quelle entnommen wird? Wieso nimmst du nicht einfach die gemessene Spannung von R102, der Strom ist ja glücklicher Weise in einer Reihenschaltung überall gleich. Nur misst du halt nicht den Strom über die Z-Diode, wobei der ja solange V < V_Z ja sehr klein ist. PS: Wenn ADC_IN ein Eingang sein soll, warum ist er vom Symbol her ein Ausgang?
Bitte melde dich an um einen Beitrag zu schreiben. Anmeldung ist kostenlos und dauert nur eine Minute.
Bestehender Account
Schon ein Account bei Google/GoogleMail? Keine Anmeldung erforderlich!
Mit Google-Account einloggen
Mit Google-Account einloggen
Noch kein Account? Hier anmelden.
