Hallo, hat jemand von Euch Erfahrungen mit einem Oszillator der mit einem NIC arbeitet. (Oder mit Shirinki Oszillatoren) Gruß Franz
Was soll der bringen ? Dass man aus einem keramischen 1uF Kondensator eine 100H Spule machen kann ? Ein Problem mit solchen theoretischen Oszillatoren ist auch die Amplitudenregelung. Und dann will der Benutzer eine Frequenzkonstanz von einem Quarz, aber guenstiger und einfacher. Weitere Kenngroessen sind Phasenrauschen, & Frequenzdrift.
Einerseits sind 100H auch etwas besonderes, da man das konventionell nicht realisieren kann, da die Wicklungskapazität zu groß wäre. Aber man könnte auch einen Schwingkreis entdämpfen. Gruß Franz
Naja - am Ende kann man jeden Oszillator (natürlich nicht Relaxiationsosziallatoren) auch als NIC mit entsprechenden Schwingkreis ansehen. Aber das Prinzip - entdämpfen eines LC Schwingkreises - wird ganz gerne im HF Bereich benutzt weil man dann ganz nette Oszillatoren mit hoher Güte aufbauen kann die mit einer Kapazitätsdiode sogar noch verstimmbar sind. Viele Grüße, Martin L.
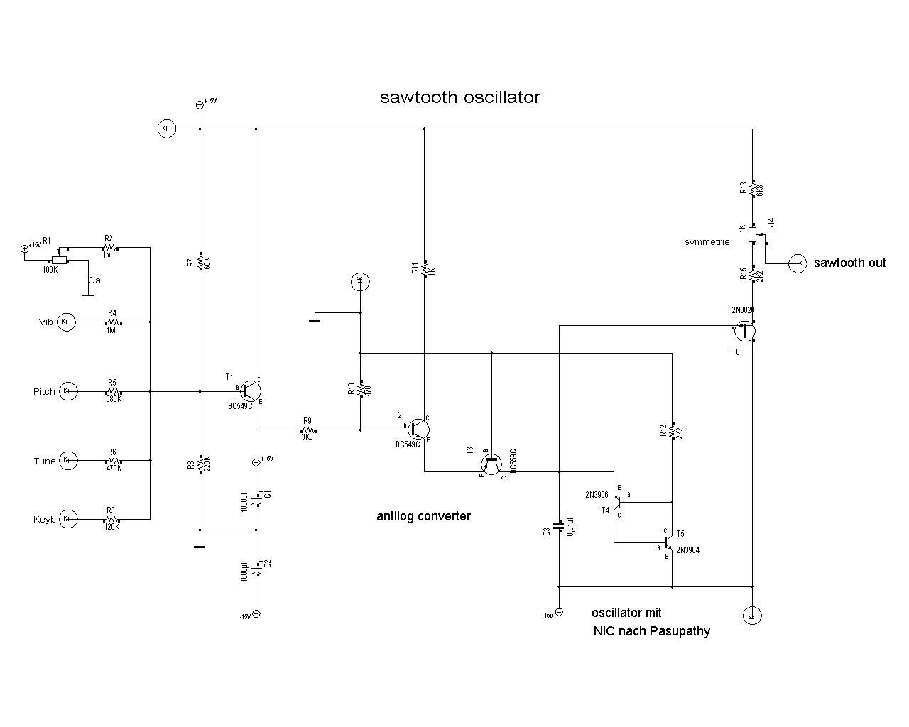
Hallo Franz, Ich kenne das Buch "negative Widerstände in elektronischen Schaltungen" von Bening, das ich im Antiquariat für 1€ erhalten habe - ursprünglich aus dem VEB Verlag Technik DDR. Darin sind eine Menge Schaltungen mit NICs (Negativ Impedanz Convertern) beschrieben zum Aufbau von Oszillatoren. Eine Schaltung, die man auch mit Google (Bilder) finden kann und in einigen Büchern, arbeitet mit einem NIC, um damit einen Oszillator aufzubauen. Ich habe damit einen spannungsgesteuerten Oszillator für den Einsatz in Synthesizern gebaut, der Frequenzen von unter 1 Hz bis über 20 Khz erzeugen kann. Für höhere Frequenzen braucht man für diesen NIC schnellere Transistoren - etwa die Typen 2N2368 und 2N2906. Gruß Thomas
Hallo, der von mir gesendete Schaltplan hatte falsche Transistorbeschriftungen. Deswegen sende ich den Schaltplan nochmal ohne diese Fehler. Der NIC - Oszillator besteht aus C3, T4, T5, R12 und einem Strompfad von C3/Emitter (T4) zur positiven Betriebsspannung, der aus nur einem Widerstand bestehen kann. Gruß Thomas
Bitte melde dich an um einen Beitrag zu schreiben. Anmeldung ist kostenlos und dauert nur eine Minute.
Bestehender Account
Schon ein Account bei Google/GoogleMail? Keine Anmeldung erforderlich!
Mit Google-Account einloggen
Mit Google-Account einloggen
Noch kein Account? Hier anmelden.

