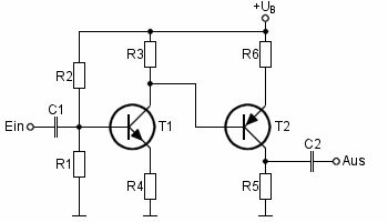
Hallo, ich habe folgendes Problem. Ich habe einen zweistufigen Transistorverstärker (siehe unteres Bild) und soll nun durch einen dritten Transistor eine Gegenkopplung von Ausgang auf den Eingang realisieren, die dafür sorgt, dass sich der Arbeitspunkt automatisch einstellt. Wie geht das? Hat jemand eine Ahnung? Ich bin für jede Hilfe dankbar, habe über Google im Internet leider nichts gefunden.
Ich seh zwar kein Bild, aber vermutlich suchst du eine Drift- bzw. Offsetkompensation. Zu den Stichworten sollte google eigentlich was finden. Oliver
ganz allgemein bedeutet das, dass der Gleichspannunugsarbeitspunkt nicht oder nicht nur durch einen doofen Spannungsteiler eingestellt wird, sondern sich sozusagen selbst durch die Gegenkopplung einstellt. Das kann man stufenweise (Emittergegenkopplung, Kollektorgegenkopplung) oder eben über alle Stufen geschehen. Die Schaltung muss natürlich ordentlich dimensioniert sein, sonst klappt das alles nicht. Ohne Schaltung kann dir auch keiner konret helfen. Neben einer Gleichspannungs-Arbeitspunktstabilisierung erhöht sich auch die Grenzfrequenz, Verstärkung sinkt allerdings.
Vielen Dank für die Antworten! Ich würde die Schaltung gern zeigen, aber leider kann ich die Datei nicht hochladen, weder .gif noch .png. noch .jpg. Immer wenn ich die Datei auswähle und auf "Vorschau" klicke wird sie nicht angezeigt und es kommt die Meldung: "Bitte den Dateianhang vor dem Absenden noch einmal auswählen!". Hatte jemand vielleicht schon mal das Problem und kann mir dabei helfen? Ansonsten kann ich nur die Spice-Netlist von der Schaltung anbieten wenn damit jemand was anfangen kann: * C:\Programme\LTC\SwCADIII\Transistorverstaerker.asc Q1 N003 N006 N007 0 2N3904 Q2 N004 N003 N002 0 2N3906 R1 N006 N005 1k R2 N003 N001 15k R3 0 N007 1k R4 N002 N001 300 R5 0 N004 2k V1 N005 0 SINE(0.66 10m 100k 0) AC 10m V2 N001 0 5 Rser=10 .model NPN NPN .model PNP PNP .lib C:\Programme\LTC\SwCADIII\lib\cmp\standard.bjt .tran 100us ;op ;ac dec 20 10 1Meg ;noise V(N004) V1 dec 20 10 1Meg .backanno .end
hm, die Schaltung ist eigentlich schon rel. stabil bei ordentlicher Dimensionierung (Emittergegenkopplung R4, R6). Einen weiteren Transistor nur für die Gegenkopplung? Eher ein akademisches als ein praxisgerechtes Problem. Eine Wechselspannungsgegenkopplung würde noch Sinn machen (RC zwischen Emitter T1 und Kollektor T2).
Ja das stimmt, es ist kein Praxisproblem. Ich bin gerade dabei mich in Analogelektronik einzuarbeiten und soll über einen dritten Transistor automatisch den Arbeitspunkt des 2. Transistors einstellen und habe leider keine Ahnung wie so was funktioniert.
Gelegentlich schaltet man einen Transistor als Konstantstromquelle, in Antennenverstärkern habe ich das schon gesehen. So etwa: http://www.elektronik-kompendium.de/sites/slt/0210253.htm
Bitte melde dich an um einen Beitrag zu schreiben. Anmeldung ist kostenlos und dauert nur eine Minute.
Bestehender Account
Schon ein Account bei Google/GoogleMail? Keine Anmeldung erforderlich!
Mit Google-Account einloggen
Mit Google-Account einloggen
Noch kein Account? Hier anmelden.
