Gute Tag,
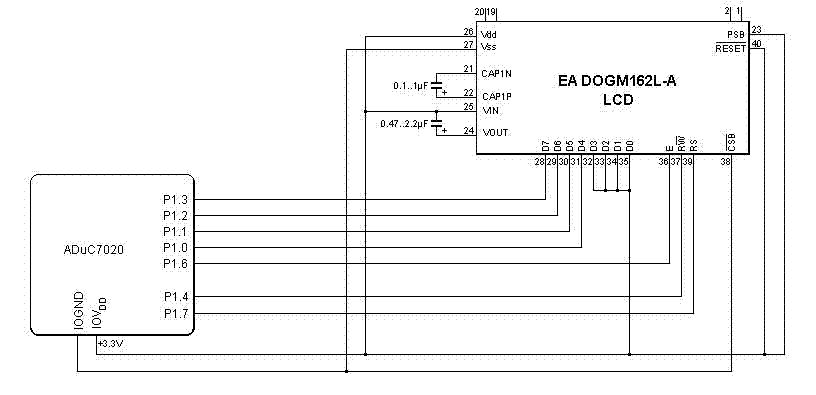
Ich habe ein LCD EA DOGM162L-A mit einem ADuc7020 geschaltet und
schein leider am Display nichts zu bewegen. Ich habe alle Pins getestet
und es kommt bei High 3.3V. Anbei die Schaltung angehängt.
Vielen Dank für Ihre Hilfe.
Das sollte ein dezenter Hinweis darauf sein, dass man ohne den Programmcode zu sehen nichts zu dem Problem sagen kann.
Ausgänge werden so auf high gesetzt: GP1SET = LCD_RS; Also nicht '|=', sonder nur '='. Rückgesetzt (auf low) werden sie so: GP1CLR = LCD_RS; Also nicht das betreffende Bit in GP1DAT löschen, sondern das betreffende Bit in GP1CLR setzen! Vielleicht solltest du dir einfach ein paar Makros schaffen:
1 | #define lcd_set_rs() GP1SET = (1 << 23)
|
2 | #define lcd_clear_rs() GP1CLR = (1 << 23)
|
3 | #define lcd_set_e() GP1SET = (1 << 22)
|
4 | #define lcd_clear_e() GP1CLR = (1 << 22)
|
5 | #define lcd_set_rw() GP1SET = (1 << 20)
|
6 | #define lcd_clear_rw() GP1CLR = (1 << 20)
|
außerdem muß die lcd_send_bits geändert werden (die clear_data kann damit entfallen)
1 | void lcd_send_bits(int data) |
2 | {
|
3 | data &= 0x0F; |
4 | GP1CLR = (0x0F << 16); |
5 | GP1SET = (data << 16); |
6 | }
|
Probier's mal aus!
Ich hab die makros benutzt, aber leider ohne Erfolg. Ich habe 2 LCD wo ich gerade ausprobiert habe. Das prb ich weiss nicht wie kann ich testen, ob die LCDs wirklich Daten bekommen, anders gesagt ob sie nicht kapput sind.
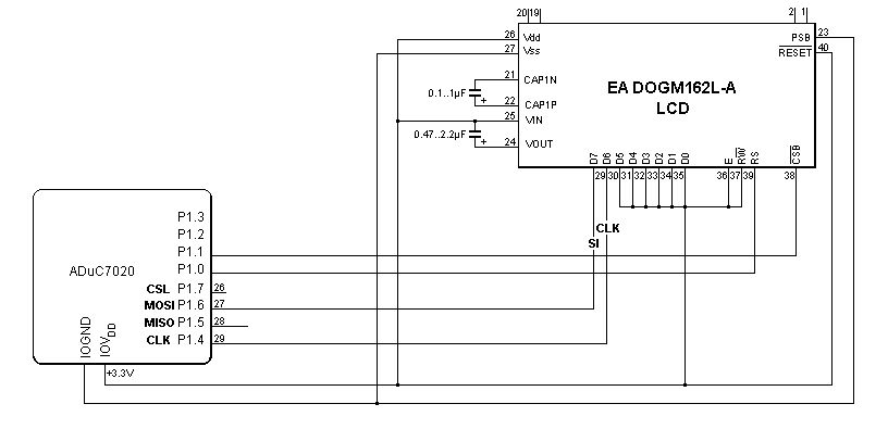
Auf dem P1.x sind doch die SPI Signale, schließe das DOG Modul doch im SPI Mode an, dann werden nur noch 4 Leitungen für die Verbindung benötigt. Das Schreiben der Bits/Clk macht dann der SPI, nur noch latchen, warten 100us dann darf das nächste Byte geschrieben werden. Ist doch viel einfacher, als das Display über 4-Bit-Bus anzusteuern. Das Timing ist wichtig, z.B. der CLS Befehl benötigt wirklich die angegebenen ms vom Datenblatt.
Die EADOG-M Displays sind sehr empfindlich was die Initialisierung angeht. Außerdem haben sie die nervige Eigenart, dass sie erst nach erfolgreicher Initialisierung etwas anzeigen. Mache Dir also keine Sorgen, die Dinger gehen meistens und können auch ein bisschen was ab. Suche mal nach Code für die Initialisierung (gibt's hier im Forum), passe sie auf Deinen Controller an und freue Dich über das Ergebnis!
Ich habe nochmal mit spi geschaltet, und scheint immer noch nichts am display. anbei die schaltung
Wenn du ein Display mit 3.3V benutzt musst du (bin nicht sicher) die interne Ladepumpe zuschalten. Guck' besser nochmal genau ins Datenblatt. Auch das Zuschalten der Betriebsspannung ist kritisch, lieber die Initialisierung erst nach 1s starten, wenn die Versorgung des Moduls stabil ist.
Hallo, Anbei mein C-Code, allerdings für einen ARM-Prozessor LPC23xx. Initialisierung: LCD_TaskInit(0); Zyklischer Aufruf aus dem Main-Loop: LCD_Task(); Im Interrupt wird die CS Leitung automatisch gelöscht. Mit dabei sind vollständige Routinen: LCD_Char(char Dat); LCD_CLS(unsigned char Lines); LCD_Locate(int X, int Y); LCD_Text(char * sText); LCD_Int(int iVal); LCD_NibbleHex(unsigned char x); LCD_ByteToHex(unsigned char cVal); LCD_IntToHex(int iVal); LCD_LongToHex(unsigned long iVal); (Die LCD_Float Routine habe ich noch nicht gebraucht, daher auch nicht hinzuerfunden.) Nur noch die IO's und den verwendetetn Timer anpassen und fertig. Meine Routinen warten nicht bis die Daten im LCD sind, sondern buffern diese im RAM. Erst der LCD_Task() macht die Ausgabe, getriggert über Timer. Damit bleibt die Applikation nicht wegen der LCD Ausgabe stehen. Schließlich hat der Prozessor ja noch eine Hauptaufgabe und die ist meistens nicht das LCD zu beschreiben. Alle LCD Befehle die länger als 100us benötigen dürfen nicht verwendet werden, daher habe ich das LCD_CLS() anders gemacht. @Jaouad: Wieso steuerst Du eigentlich das CS Signal nicht an (LOW) wenn Du Daten/Steuerwörter übertragen willst und nimmst es dann wieder weg (HI)? Gruß MM
Wenn man experimentiert mit dem Display und schrott rein schreibt, dann ist die Funktion des Displays kaputt. Am besten man macht es vor jedem Versuch Spannungslos damit es sich resetet! Sonst passiert es, dass man einen guten Quellcode hat aber im Display dennoch nichts zu sehen ist. Gruß MM
>vor jedem Versuch Spannungslos damit es sich resetet!
Dafür hat das Ding einen Reset-Pin. ;)
@Thilo da gibt es haeufig gravierende Unterschiede zwischen einem "warm reset" und einem "power-on reset". Auch noch zu beachten, die Kondensatoren auf einem Board verhindern oft einen power-on reset, wenn man ihnen nicht genug Zeit gibt sich zu entladen. Just my 2 cents, Robert
Ja, vielen dank für die Tipps, ich mache jetzt die Änderungen und hoffe dass es funktioniert...
ich habe gerade bemerkt: *(seite 55) Serial Clock Period : tSCYC min = 200ns => 5Mhz *(seite 66) Im Aduc7020 kann ich max "SPI speed in MHz = 3.482Mhz" erreichen. Kann es daran liegen, dass es nicht funktioniert ?
>Kann es daran liegen, dass es nicht funktioniert ?
SPI speed, nicht wirklich.
Das hier "*(seite 55) Serial Clock Period : tSCYC min = 200ns => 5Mhz"
ist etwas ungluecklich formuliert aber bedeutet ebenfalls
Maximalgeschwindigkeit. Alsoe die Maximalgeschwindigkeit des Micros ist
lansamer als die der Peripherie, dann sollte schon mal alles in Ordnung
sein.
Robert
Mach doch den SPI so langsam wie möglich, mann muss sowiso 100us warten bis man das nächste Byte schicken darf, so wie in meinem Codebeispiel. Dadurch wird das ganze auch unempfindlicher wegen sonstigere Störungen. An der Geschwindigkeit solltest Du erst anfangen zu Optimieren wenn es überhaupt mal funktioniert!
Die Linke für das DOG Module : http://www.lcd-module.de/eng/pdf/zubehoer/st7036.pdf für ADuc7020: http://www.analog.com/UploadedFiles/Data_Sheets/ADUC7019_7020_7021_7022_7024_7025_7026_7027_7028.pdf
Ich habe die Wartezeiten mit einem Timer genauer beschrieben. Auch noch das CS-Signal betrachtet...Code im Anhang.
man muss das timing bei diesen EADOG dingern genau einhalten. ich hatte mal das problem, dass 3 wollten und ein viertes nicht, weil ich irgendwo zu schnell war. also genau die timing-diagramme im datenblatt beachten, dann klappt das schon.
Bitte melde dich an um einen Beitrag zu schreiben. Anmeldung ist kostenlos und dauert nur eine Minute.
Bestehender Account
Schon ein Account bei Google/GoogleMail? Keine Anmeldung erforderlich!
Mit Google-Account einloggen
Mit Google-Account einloggen
Noch kein Account? Hier anmelden.

